R Panel Outside Corner Trim . With locations in oklahoma, arkansas, and missouri, trust wheeler metals to supply you with a variety of steel products and more. Rake & corner trim can be used on outside corners of the building wall panels or on the roof edge rake where roof panels meet.
Part WS202 Outside Corner Trim for PBR Panel and R Panel Metal Roofs from www.westernstatesmetalroofing.com
With locations in oklahoma, arkansas, and missouri, trust wheeler metals to supply you with a variety of steel products and more. With many color options to choose from, our. Learn more about our selection.
-->
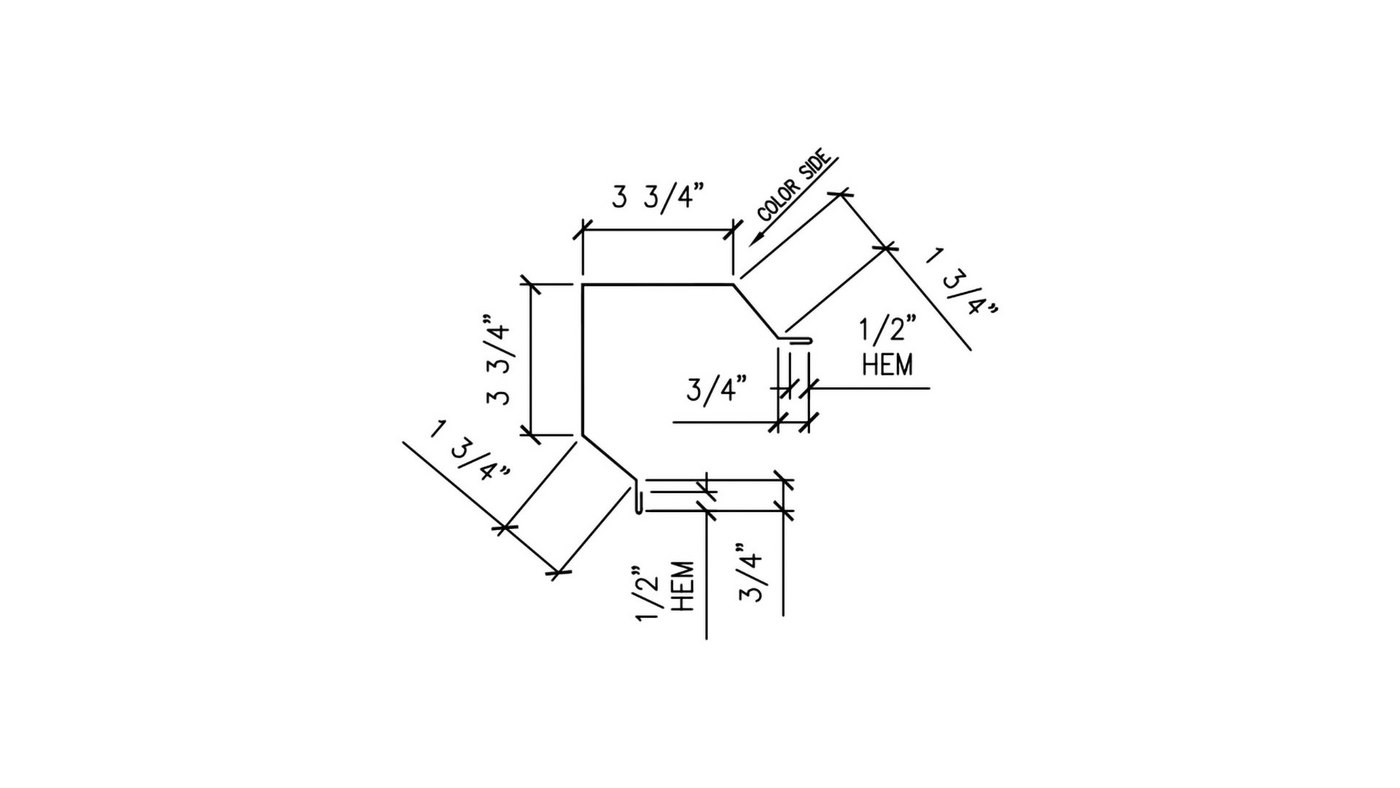
Part WS202 Outside Corner Trim for PBR Panel and R Panel Metal Roofs
Click here to view part manual page (pdf) Can't make it to our showroom? Learn more about our selection. Trim only available in 26 gauge through website, if needing another gauge, please contact local component representative.
-->
Source: metalmax.com
R Panel Outside Corner Trim - Learn more about our selection. With locations in oklahoma, arkansas, and missouri, trust wheeler metals to supply you with a variety of steel products and more. Mbci supplies corner trim for our commercial & industrial metal panel systems. Click here to view part manual page (pdf) Stop by our showroom to pick up color samples.
Source: www.nucorsteelstore.com
R Panel Outside Corner Trim - Learn more about our selection. We use strong 26 gauge steel for our r panel and 24 gauge steel for our standing seam roofing panels. Click here to view part manual page (pdf) Stop by our showroom to pick up color samples. Can't make it to our showroom?
Source: ramcosupply.com
R Panel Outside Corner Trim - Call us and we will mail you a color chart! Can't make it to our showroom? With locations in oklahoma, arkansas, and missouri, trust wheeler metals to supply you with a variety of steel products and more. Click here to view part manual page (pdf) Mbci supplies corner trim for our commercial & industrial metal panel systems.
Source: lifetite.com
R Panel Outside Corner Trim - Mbci supplies corner trim for our commercial & industrial metal panel systems. Learn more about our selection. Click here to view part manual page (pdf) With many color options to choose from, our. Call us and we will mail you a color chart!
Source: www.huddlesteelbuildings.com
R Panel Outside Corner Trim - With locations in oklahoma, arkansas, and missouri, trust wheeler metals to supply you with a variety of steel products and more. Can't make it to our showroom? Stop by our showroom to pick up color samples. Click here to view part manual page (pdf) Rake & corner trim can be used on outside corners of the building wall panels or.
Source: metalmax.com
R Panel Outside Corner Trim - Click here to view part manual page (pdf) Call us and we will mail you a color chart! Stop by our showroom to pick up color samples. Mbci supplies corner trim for our commercial & industrial metal panel systems. Trim only available in 26 gauge through website, if needing another gauge, please contact local component representative.
Source: lifetite.com
R Panel Outside Corner Trim - Stop by our showroom to pick up color samples. Click here to view part manual page (pdf) Rake & corner trim can be used on outside corners of the building wall panels or on the roof edge rake where roof panels meet. Mbci supplies corner trim for our commercial & industrial metal panel systems. We use strong 26 gauge steel.
Source: www.westernstatesmetalroofing.com
R Panel Outside Corner Trim - Rake & corner trim can be used on outside corners of the building wall panels or on the roof edge rake where roof panels meet. With locations in oklahoma, arkansas, and missouri, trust wheeler metals to supply you with a variety of steel products and more. Can't make it to our showroom? Trim only available in 26 gauge through website,.
Source: lifetite.com
R Panel Outside Corner Trim - Call us and we will mail you a color chart! Mbci supplies corner trim for our commercial & industrial metal panel systems. Can't make it to our showroom? Stop by our showroom to pick up color samples. Click here to view part manual page (pdf)
Source: www.westernstatesmetalroofing.com
R Panel Outside Corner Trim - Rake & corner trim can be used on outside corners of the building wall panels or on the roof edge rake where roof panels meet. Click here to view part manual page (pdf) Trim only available in 26 gauge through website, if needing another gauge, please contact local component representative. Learn more about our selection. Can't make it to our.
Source: www.westernstatesmetalroofing.com
R Panel Outside Corner Trim - Click here to view part manual page (pdf) Can't make it to our showroom? With many color options to choose from, our. We use strong 26 gauge steel for our r panel and 24 gauge steel for our standing seam roofing panels. Call us and we will mail you a color chart!
Source: metalroofingsupply.org
R Panel Outside Corner Trim - With locations in oklahoma, arkansas, and missouri, trust wheeler metals to supply you with a variety of steel products and more. Trim only available in 26 gauge through website, if needing another gauge, please contact local component representative. Rake & corner trim can be used on outside corners of the building wall panels or on the roof edge rake where.
Source: ramcosupply.com
R Panel Outside Corner Trim - Mbci supplies corner trim for our commercial & industrial metal panel systems. Rake & corner trim can be used on outside corners of the building wall panels or on the roof edge rake where roof panels meet. Trim only available in 26 gauge through website, if needing another gauge, please contact local component representative. Call us and we will mail.
Source: lifetite.com
R Panel Outside Corner Trim - Can't make it to our showroom? With locations in oklahoma, arkansas, and missouri, trust wheeler metals to supply you with a variety of steel products and more. Learn more about our selection. Trim only available in 26 gauge through website, if needing another gauge, please contact local component representative. Mbci supplies corner trim for our commercial & industrial metal panel.
Source: elitesteelandsupply.com
R Panel Outside Corner Trim - With many color options to choose from, our. With locations in oklahoma, arkansas, and missouri, trust wheeler metals to supply you with a variety of steel products and more. Can't make it to our showroom? Click here to view part manual page (pdf) Learn more about our selection.