How To Change Transfer Case Fluid Fj Cruiser . In the video, 1a auto shows how to change differential and transfer case gear oil. Its easier than changing your oil. The video is applicable to the 07, 08, 09, 10, 11, 12,. Just changed my transfer case oil on my 2008 fj with automatic. It will really help during. I would like to change the gear oil in the transmition (manual), transfer case and both diffs to synthetic. Changing the gear oil in the transfer case of a toyota fj cruiser is a simple maintenance job anyone can do with a few tools, a little know how and about 60 minutes. I thought that i change it since i had 78,000 miles on it. This will help you determine the correct toyota transfer case fluid spec and part number needed when changing your fj cruiser.
from www.fjcruiserforums.com
The video is applicable to the 07, 08, 09, 10, 11, 12,. It will really help during. In the video, 1a auto shows how to change differential and transfer case gear oil. Changing the gear oil in the transfer case of a toyota fj cruiser is a simple maintenance job anyone can do with a few tools, a little know how and about 60 minutes. This will help you determine the correct toyota transfer case fluid spec and part number needed when changing your fj cruiser. I would like to change the gear oil in the transmition (manual), transfer case and both diffs to synthetic. Just changed my transfer case oil on my 2008 fj with automatic. I thought that i change it since i had 78,000 miles on it. Its easier than changing your oil.
Transfer case leaking, just had tranny replaced. Toyota FJ Cruiser Forum
How To Change Transfer Case Fluid Fj Cruiser Its easier than changing your oil. In the video, 1a auto shows how to change differential and transfer case gear oil. I thought that i change it since i had 78,000 miles on it. Changing the gear oil in the transfer case of a toyota fj cruiser is a simple maintenance job anyone can do with a few tools, a little know how and about 60 minutes. Its easier than changing your oil. Just changed my transfer case oil on my 2008 fj with automatic. It will really help during. This will help you determine the correct toyota transfer case fluid spec and part number needed when changing your fj cruiser. The video is applicable to the 07, 08, 09, 10, 11, 12,. I would like to change the gear oil in the transmition (manual), transfer case and both diffs to synthetic.
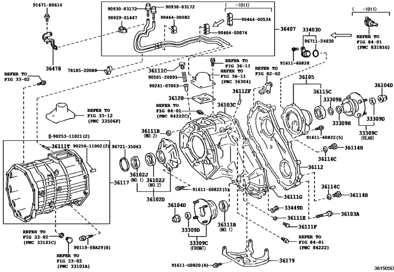
From www.megazip.net
Transfer Case & Extension Housing for 2006 2014 Toyota FJ CRUISER How To Change Transfer Case Fluid Fj Cruiser In the video, 1a auto shows how to change differential and transfer case gear oil. Just changed my transfer case oil on my 2008 fj with automatic. I thought that i change it since i had 78,000 miles on it. Its easier than changing your oil. I would like to change the gear oil in the transmition (manual), transfer case. How To Change Transfer Case Fluid Fj Cruiser.
From www.youtube.com
Toyota FJ Cruiser Transfer Case Differential Fluid Change Kit Product How To Change Transfer Case Fluid Fj Cruiser I would like to change the gear oil in the transmition (manual), transfer case and both diffs to synthetic. This will help you determine the correct toyota transfer case fluid spec and part number needed when changing your fj cruiser. It will really help during. The video is applicable to the 07, 08, 09, 10, 11, 12,. In the video,. How To Change Transfer Case Fluid Fj Cruiser.
From www.youtube.com
Replace Toyota Transmission fluid & filter 4Runner Land Cruiser FJ How To Change Transfer Case Fluid Fj Cruiser I would like to change the gear oil in the transmition (manual), transfer case and both diffs to synthetic. Changing the gear oil in the transfer case of a toyota fj cruiser is a simple maintenance job anyone can do with a few tools, a little know how and about 60 minutes. Just changed my transfer case oil on my. How To Change Transfer Case Fluid Fj Cruiser.
From www.fjcruiserforums.com
Leaking transfer case Toyota FJ Cruiser Forum How To Change Transfer Case Fluid Fj Cruiser This will help you determine the correct toyota transfer case fluid spec and part number needed when changing your fj cruiser. Just changed my transfer case oil on my 2008 fj with automatic. Changing the gear oil in the transfer case of a toyota fj cruiser is a simple maintenance job anyone can do with a few tools, a little. How To Change Transfer Case Fluid Fj Cruiser.
From www.corsetticruisers.com
The top 5 seals that leak on a Toyota Land Cruiser FJ60 How To Change Transfer Case Fluid Fj Cruiser Changing the gear oil in the transfer case of a toyota fj cruiser is a simple maintenance job anyone can do with a few tools, a little know how and about 60 minutes. Just changed my transfer case oil on my 2008 fj with automatic. Its easier than changing your oil. It will really help during. The video is applicable. How To Change Transfer Case Fluid Fj Cruiser.
From asianpopfwd.blogspot.com
How To Change Transmission Fluid On Fj Cruiser Jabal Blog How To Change Transfer Case Fluid Fj Cruiser In the video, 1a auto shows how to change differential and transfer case gear oil. Its easier than changing your oil. I thought that i change it since i had 78,000 miles on it. Just changed my transfer case oil on my 2008 fj with automatic. This will help you determine the correct toyota transfer case fluid spec and part. How To Change Transfer Case Fluid Fj Cruiser.
From redlinelandcruisers.com
Toyota Remanufactured Land Cruiser Transmissions and Transfer Cases How To Change Transfer Case Fluid Fj Cruiser The video is applicable to the 07, 08, 09, 10, 11, 12,. I thought that i change it since i had 78,000 miles on it. Its easier than changing your oil. This will help you determine the correct toyota transfer case fluid spec and part number needed when changing your fj cruiser. In the video, 1a auto shows how to. How To Change Transfer Case Fluid Fj Cruiser.
From forum.ih8mud.com
DIY Transfer Case Fluid Change HowTo IH8MUD Forum How To Change Transfer Case Fluid Fj Cruiser In the video, 1a auto shows how to change differential and transfer case gear oil. Its easier than changing your oil. Just changed my transfer case oil on my 2008 fj with automatic. The video is applicable to the 07, 08, 09, 10, 11, 12,. This will help you determine the correct toyota transfer case fluid spec and part number. How To Change Transfer Case Fluid Fj Cruiser.
From www.lastgreatroadtrip.com
Step by Step FJ Cruiser Rear Differential Oil Change Overland How To Change Transfer Case Fluid Fj Cruiser Just changed my transfer case oil on my 2008 fj with automatic. In the video, 1a auto shows how to change differential and transfer case gear oil. It will really help during. I would like to change the gear oil in the transmition (manual), transfer case and both diffs to synthetic. Changing the gear oil in the transfer case of. How To Change Transfer Case Fluid Fj Cruiser.
From depidiomas.unitru.edu.pe
Jeep TJ Transmission And Transfer Case Fluid Change DIY, 52 OFF How To Change Transfer Case Fluid Fj Cruiser I would like to change the gear oil in the transmition (manual), transfer case and both diffs to synthetic. Changing the gear oil in the transfer case of a toyota fj cruiser is a simple maintenance job anyone can do with a few tools, a little know how and about 60 minutes. Just changed my transfer case oil on my. How To Change Transfer Case Fluid Fj Cruiser.
From www.fjcruiserforums.com
2007 FJC auto transmission and transfecase Toyota FJ Cruiser Forum How To Change Transfer Case Fluid Fj Cruiser I would like to change the gear oil in the transmition (manual), transfer case and both diffs to synthetic. This will help you determine the correct toyota transfer case fluid spec and part number needed when changing your fj cruiser. Changing the gear oil in the transfer case of a toyota fj cruiser is a simple maintenance job anyone can. How To Change Transfer Case Fluid Fj Cruiser.
From www.fjcruiserforums.com
Leaking transfer case Toyota FJ Cruiser Forum How To Change Transfer Case Fluid Fj Cruiser Its easier than changing your oil. The video is applicable to the 07, 08, 09, 10, 11, 12,. I would like to change the gear oil in the transmition (manual), transfer case and both diffs to synthetic. This will help you determine the correct toyota transfer case fluid spec and part number needed when changing your fj cruiser. I thought. How To Change Transfer Case Fluid Fj Cruiser.
From www.fjcruiserforums.com
Leaking Transfer Case Seal on Front Passenger side axle Toyota FJ How To Change Transfer Case Fluid Fj Cruiser Just changed my transfer case oil on my 2008 fj with automatic. Changing the gear oil in the transfer case of a toyota fj cruiser is a simple maintenance job anyone can do with a few tools, a little know how and about 60 minutes. This will help you determine the correct toyota transfer case fluid spec and part number. How To Change Transfer Case Fluid Fj Cruiser.
From garageautoroutes.z14.web.core.windows.net
How To Check Transfer Case Fluid Silverado How To Change Transfer Case Fluid Fj Cruiser The video is applicable to the 07, 08, 09, 10, 11, 12,. Its easier than changing your oil. I would like to change the gear oil in the transmition (manual), transfer case and both diffs to synthetic. Just changed my transfer case oil on my 2008 fj with automatic. I thought that i change it since i had 78,000 miles. How To Change Transfer Case Fluid Fj Cruiser.
From www.fjcruiserforums.com
Transfer Case Fluid Which type? Toyota FJ Cruiser Forum How To Change Transfer Case Fluid Fj Cruiser In the video, 1a auto shows how to change differential and transfer case gear oil. I thought that i change it since i had 78,000 miles on it. This will help you determine the correct toyota transfer case fluid spec and part number needed when changing your fj cruiser. It will really help during. Changing the gear oil in the. How To Change Transfer Case Fluid Fj Cruiser.
From www.lastgreatroadtrip.com
Step by Step FJ Cruiser Transfer Case Oil Change Overland Adventures How To Change Transfer Case Fluid Fj Cruiser The video is applicable to the 07, 08, 09, 10, 11, 12,. I thought that i change it since i had 78,000 miles on it. This will help you determine the correct toyota transfer case fluid spec and part number needed when changing your fj cruiser. It will really help during. Its easier than changing your oil. I would like. How To Change Transfer Case Fluid Fj Cruiser.
From www.youtube.com
TRANSFER CASE Fluid Change 100 Series Land Cruiser Quick & Easy YouTube How To Change Transfer Case Fluid Fj Cruiser It will really help during. I would like to change the gear oil in the transmition (manual), transfer case and both diffs to synthetic. The video is applicable to the 07, 08, 09, 10, 11, 12,. Just changed my transfer case oil on my 2008 fj with automatic. In the video, 1a auto shows how to change differential and transfer. How To Change Transfer Case Fluid Fj Cruiser.
From www.fjcruiserforums.com
My First Gear Oil Change Toyota FJ Cruiser Forum How To Change Transfer Case Fluid Fj Cruiser It will really help during. This will help you determine the correct toyota transfer case fluid spec and part number needed when changing your fj cruiser. Its easier than changing your oil. I thought that i change it since i had 78,000 miles on it. The video is applicable to the 07, 08, 09, 10, 11, 12,. I would like. How To Change Transfer Case Fluid Fj Cruiser.
From www.youtube.com
How to Change Transfer Case Oil Toyota Landcruiser 80 Series YouTube How To Change Transfer Case Fluid Fj Cruiser In the video, 1a auto shows how to change differential and transfer case gear oil. Changing the gear oil in the transfer case of a toyota fj cruiser is a simple maintenance job anyone can do with a few tools, a little know how and about 60 minutes. I thought that i change it since i had 78,000 miles on. How To Change Transfer Case Fluid Fj Cruiser.
From asianpopfwd.blogspot.com
Fj Cruiser Transmission Fill Plug Size Jabal Blog How To Change Transfer Case Fluid Fj Cruiser This will help you determine the correct toyota transfer case fluid spec and part number needed when changing your fj cruiser. Its easier than changing your oil. In the video, 1a auto shows how to change differential and transfer case gear oil. I thought that i change it since i had 78,000 miles on it. Changing the gear oil in. How To Change Transfer Case Fluid Fj Cruiser.
From www.lastgreatroadtrip.com
Step by Step FJ Cruiser Transfer Case Oil Change Overland Adventures How To Change Transfer Case Fluid Fj Cruiser Its easier than changing your oil. It will really help during. In the video, 1a auto shows how to change differential and transfer case gear oil. I would like to change the gear oil in the transmition (manual), transfer case and both diffs to synthetic. Changing the gear oil in the transfer case of a toyota fj cruiser is a. How To Change Transfer Case Fluid Fj Cruiser.
From fixrepairamy88.z22.web.core.windows.net
2014 Ford F150 Transmission Fluid Change Interval How To Change Transfer Case Fluid Fj Cruiser Changing the gear oil in the transfer case of a toyota fj cruiser is a simple maintenance job anyone can do with a few tools, a little know how and about 60 minutes. This will help you determine the correct toyota transfer case fluid spec and part number needed when changing your fj cruiser. In the video, 1a auto shows. How To Change Transfer Case Fluid Fj Cruiser.
From www.youtube.com
How to Change Transfer Case Oil Toyota Landcruiser 100 Series & Lexus How To Change Transfer Case Fluid Fj Cruiser In the video, 1a auto shows how to change differential and transfer case gear oil. Changing the gear oil in the transfer case of a toyota fj cruiser is a simple maintenance job anyone can do with a few tools, a little know how and about 60 minutes. Just changed my transfer case oil on my 2008 fj with automatic.. How To Change Transfer Case Fluid Fj Cruiser.
From www.youtube.com
How to Replace Transfer Case Fluid 0714 Toyota FJ Cruiser YouTube How To Change Transfer Case Fluid Fj Cruiser Changing the gear oil in the transfer case of a toyota fj cruiser is a simple maintenance job anyone can do with a few tools, a little know how and about 60 minutes. This will help you determine the correct toyota transfer case fluid spec and part number needed when changing your fj cruiser. The video is applicable to the. How To Change Transfer Case Fluid Fj Cruiser.
From www.lastgreatroadtrip.com
Step by Step FJ Cruiser Transfer Case Oil Change Overland Adventures How To Change Transfer Case Fluid Fj Cruiser I would like to change the gear oil in the transmition (manual), transfer case and both diffs to synthetic. It will really help during. The video is applicable to the 07, 08, 09, 10, 11, 12,. Just changed my transfer case oil on my 2008 fj with automatic. This will help you determine the correct toyota transfer case fluid spec. How To Change Transfer Case Fluid Fj Cruiser.
From www.fjcruiserforums.com
Transfer case leaking, just had tranny replaced. Toyota FJ Cruiser Forum How To Change Transfer Case Fluid Fj Cruiser It will really help during. The video is applicable to the 07, 08, 09, 10, 11, 12,. I thought that i change it since i had 78,000 miles on it. In the video, 1a auto shows how to change differential and transfer case gear oil. I would like to change the gear oil in the transmition (manual), transfer case and. How To Change Transfer Case Fluid Fj Cruiser.
From recofactory.com.au
Reconditioned 4WD Transfer Case Toyota Landcruiser HDJ100/FZJ105 How To Change Transfer Case Fluid Fj Cruiser In the video, 1a auto shows how to change differential and transfer case gear oil. Just changed my transfer case oil on my 2008 fj with automatic. Changing the gear oil in the transfer case of a toyota fj cruiser is a simple maintenance job anyone can do with a few tools, a little know how and about 60 minutes.. How To Change Transfer Case Fluid Fj Cruiser.
From www.youtube.com
Transfer Case Gear Oil Change How To YouTube How To Change Transfer Case Fluid Fj Cruiser The video is applicable to the 07, 08, 09, 10, 11, 12,. Just changed my transfer case oil on my 2008 fj with automatic. In the video, 1a auto shows how to change differential and transfer case gear oil. I thought that i change it since i had 78,000 miles on it. This will help you determine the correct toyota. How To Change Transfer Case Fluid Fj Cruiser.
From workshoprepairhalves.z13.web.core.windows.net
2003 Chevy Silverado Transfer Case Fluid How To Change Transfer Case Fluid Fj Cruiser I thought that i change it since i had 78,000 miles on it. Its easier than changing your oil. Changing the gear oil in the transfer case of a toyota fj cruiser is a simple maintenance job anyone can do with a few tools, a little know how and about 60 minutes. It will really help during. This will help. How To Change Transfer Case Fluid Fj Cruiser.
From mechaniccomforter.z19.web.core.windows.net
How To Change Transfer Case Fluid Silverado How To Change Transfer Case Fluid Fj Cruiser The video is applicable to the 07, 08, 09, 10, 11, 12,. Changing the gear oil in the transfer case of a toyota fj cruiser is a simple maintenance job anyone can do with a few tools, a little know how and about 60 minutes. It will really help during. In the video, 1a auto shows how to change differential. How To Change Transfer Case Fluid Fj Cruiser.
From www.youtube.com
FJ Cruiser Transfer Case Swap // 20052007 SEQUOIA YouTube How To Change Transfer Case Fluid Fj Cruiser I would like to change the gear oil in the transmition (manual), transfer case and both diffs to synthetic. Its easier than changing your oil. It will really help during. Changing the gear oil in the transfer case of a toyota fj cruiser is a simple maintenance job anyone can do with a few tools, a little know how and. How To Change Transfer Case Fluid Fj Cruiser.
From btbprod.com
Restored 16Spline Transfer Case for 19741975 Toyota Land Cruisers How To Change Transfer Case Fluid Fj Cruiser Its easier than changing your oil. I thought that i change it since i had 78,000 miles on it. This will help you determine the correct toyota transfer case fluid spec and part number needed when changing your fj cruiser. It will really help during. I would like to change the gear oil in the transmition (manual), transfer case and. How To Change Transfer Case Fluid Fj Cruiser.
From picclick.com
TOYOTA FJ40 LAND Cruiser OEM Transfer Case Oil Fluid Drain Plug Bolt FJ How To Change Transfer Case Fluid Fj Cruiser I would like to change the gear oil in the transmition (manual), transfer case and both diffs to synthetic. I thought that i change it since i had 78,000 miles on it. This will help you determine the correct toyota transfer case fluid spec and part number needed when changing your fj cruiser. The video is applicable to the 07,. How To Change Transfer Case Fluid Fj Cruiser.
From www.youtube.com
How to Replace Front & Rear Diff & Transfer Case Oils 0714 Toyota FJ How To Change Transfer Case Fluid Fj Cruiser Changing the gear oil in the transfer case of a toyota fj cruiser is a simple maintenance job anyone can do with a few tools, a little know how and about 60 minutes. In the video, 1a auto shows how to change differential and transfer case gear oil. I thought that i change it since i had 78,000 miles on. How To Change Transfer Case Fluid Fj Cruiser.
From www.blauparts.com
Toyota FJ Cruiser Transfer Case Fluid Types How To Change Transfer Case Fluid Fj Cruiser In the video, 1a auto shows how to change differential and transfer case gear oil. It will really help during. Its easier than changing your oil. This will help you determine the correct toyota transfer case fluid spec and part number needed when changing your fj cruiser. I thought that i change it since i had 78,000 miles on it.. How To Change Transfer Case Fluid Fj Cruiser.