What Fuse Controls Power Steering . A blown fuse can lead to loss of power assistance, unresponsive steering, and strange noises in the power steering system. As was mentioned earlier, electric power steering systems have a steering torque sensor, an electric motor, and a dedicated module, which is supplied with power through fuses and wiring. Examine your fuse box, look for obvious faults with your wires and connections, and check the voltage in your battery. The first step in diagnosing power steering issues is to visually inspect the power steering system. No matter what the configuration, the power steering control module receives inputs from a steering position sensor and a steering. 5 causes behind the service power steering light. Should any of these components or the wiring fail, a partial or complete loss of steering assist will occur. Eps utilizes an electric motor to assist in steering the vehicle, providing a smoother and more precise driving experience. The causes behind a “service power steering” warning depend on which system you have in. This helps reset the electrical components, and your electric steering might come back. Look for any leaks or damage to the power steering components. Check the power steering pump, hoses, and steering gear for signs of wear or damage.
from www.toyotanation.com
The causes behind a “service power steering” warning depend on which system you have in. Check the power steering pump, hoses, and steering gear for signs of wear or damage. A blown fuse can lead to loss of power assistance, unresponsive steering, and strange noises in the power steering system. Examine your fuse box, look for obvious faults with your wires and connections, and check the voltage in your battery. The first step in diagnosing power steering issues is to visually inspect the power steering system. 5 causes behind the service power steering light. This helps reset the electrical components, and your electric steering might come back. Look for any leaks or damage to the power steering components. Eps utilizes an electric motor to assist in steering the vehicle, providing a smoother and more precise driving experience. Should any of these components or the wiring fail, a partial or complete loss of steering assist will occur.
power steering fuse.... Toyota Nation Forum Toyota Car and Truck Forums
What Fuse Controls Power Steering Should any of these components or the wiring fail, a partial or complete loss of steering assist will occur. As was mentioned earlier, electric power steering systems have a steering torque sensor, an electric motor, and a dedicated module, which is supplied with power through fuses and wiring. Examine your fuse box, look for obvious faults with your wires and connections, and check the voltage in your battery. 5 causes behind the service power steering light. A blown fuse can lead to loss of power assistance, unresponsive steering, and strange noises in the power steering system. Should any of these components or the wiring fail, a partial or complete loss of steering assist will occur. The causes behind a “service power steering” warning depend on which system you have in. This helps reset the electrical components, and your electric steering might come back. Eps utilizes an electric motor to assist in steering the vehicle, providing a smoother and more precise driving experience. The first step in diagnosing power steering issues is to visually inspect the power steering system. Check the power steering pump, hoses, and steering gear for signs of wear or damage. No matter what the configuration, the power steering control module receives inputs from a steering position sensor and a steering. Look for any leaks or damage to the power steering components.
From www.youtube.com
ELECTRIC POWER STEERING ASSIST FUSE LOCATION FORD FOCUS MK3 20122018 What Fuse Controls Power Steering Check the power steering pump, hoses, and steering gear for signs of wear or damage. A blown fuse can lead to loss of power assistance, unresponsive steering, and strange noises in the power steering system. This helps reset the electrical components, and your electric steering might come back. 5 causes behind the service power steering light. Eps utilizes an electric. What Fuse Controls Power Steering.
From www.reddit.com
What fuse controls the steering wheel buttons? Mercedes CLA180 2013 r What Fuse Controls Power Steering A blown fuse can lead to loss of power assistance, unresponsive steering, and strange noises in the power steering system. Should any of these components or the wiring fail, a partial or complete loss of steering assist will occur. This helps reset the electrical components, and your electric steering might come back. Eps utilizes an electric motor to assist in. What Fuse Controls Power Steering.
From www.youtube.com
WHERE IS THE POWER STEERING FUSE LOCATED ON DODGE DART, CHRYSLER 200 What Fuse Controls Power Steering 5 causes behind the service power steering light. Look for any leaks or damage to the power steering components. The causes behind a “service power steering” warning depend on which system you have in. Check the power steering pump, hoses, and steering gear for signs of wear or damage. The first step in diagnosing power steering issues is to visually. What Fuse Controls Power Steering.
From fixrepairraymond99.z19.web.core.windows.net
2011 Chevy Malibu Power Steering Fuse What Fuse Controls Power Steering 5 causes behind the service power steering light. The causes behind a “service power steering” warning depend on which system you have in. This helps reset the electrical components, and your electric steering might come back. Look for any leaks or damage to the power steering components. A blown fuse can lead to loss of power assistance, unresponsive steering, and. What Fuse Controls Power Steering.
From www.northamericanmotoring.com
Power Steering Pump Fuse.... North American Motoring What Fuse Controls Power Steering Should any of these components or the wiring fail, a partial or complete loss of steering assist will occur. Eps utilizes an electric motor to assist in steering the vehicle, providing a smoother and more precise driving experience. A blown fuse can lead to loss of power assistance, unresponsive steering, and strange noises in the power steering system. Check the. What Fuse Controls Power Steering.
From guidediagramdiptera.z22.web.core.windows.net
How To Check If Outlet Has Power What Fuse Controls Power Steering Should any of these components or the wiring fail, a partial or complete loss of steering assist will occur. No matter what the configuration, the power steering control module receives inputs from a steering position sensor and a steering. The first step in diagnosing power steering issues is to visually inspect the power steering system. 5 causes behind the service. What Fuse Controls Power Steering.
From fixguinnphyllopoda.z21.web.core.windows.net
Equinox Power Steering Fuse What Fuse Controls Power Steering As was mentioned earlier, electric power steering systems have a steering torque sensor, an electric motor, and a dedicated module, which is supplied with power through fuses and wiring. Examine your fuse box, look for obvious faults with your wires and connections, and check the voltage in your battery. Check the power steering pump, hoses, and steering gear for signs. What Fuse Controls Power Steering.
From repairmachineneil101.z4.web.core.windows.net
Equinox Power Steering Fuse What Fuse Controls Power Steering The first step in diagnosing power steering issues is to visually inspect the power steering system. Look for any leaks or damage to the power steering components. As was mentioned earlier, electric power steering systems have a steering torque sensor, an electric motor, and a dedicated module, which is supplied with power through fuses and wiring. This helps reset the. What Fuse Controls Power Steering.
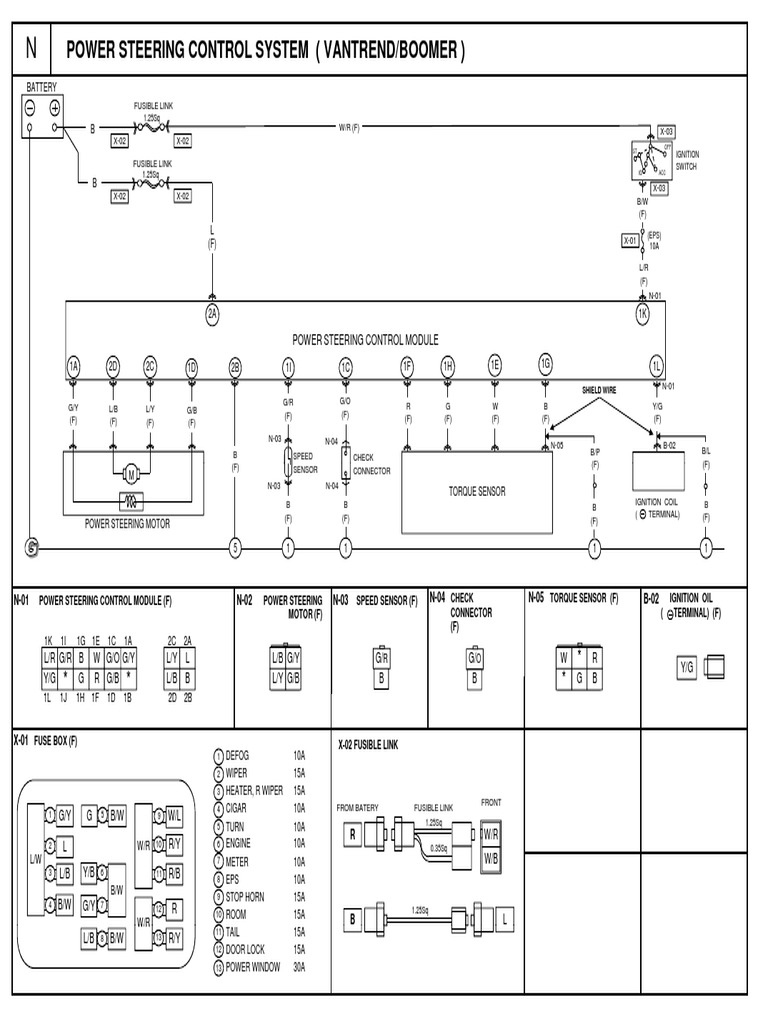
From www.scribd.com
Diagram of an Automotive Power Steering Control System Showing What Fuse Controls Power Steering Eps utilizes an electric motor to assist in steering the vehicle, providing a smoother and more precise driving experience. Examine your fuse box, look for obvious faults with your wires and connections, and check the voltage in your battery. 5 causes behind the service power steering light. The causes behind a “service power steering” warning depend on which system you. What Fuse Controls Power Steering.
From www.ram1500diesel.com
power steering fuse What Fuse Controls Power Steering The first step in diagnosing power steering issues is to visually inspect the power steering system. Check the power steering pump, hoses, and steering gear for signs of wear or damage. The causes behind a “service power steering” warning depend on which system you have in. Examine your fuse box, look for obvious faults with your wires and connections, and. What Fuse Controls Power Steering.
From workshopfixburger55.z13.web.core.windows.net
2011 Ford Fusion Power Steering Control Module What Fuse Controls Power Steering Examine your fuse box, look for obvious faults with your wires and connections, and check the voltage in your battery. 5 causes behind the service power steering light. This helps reset the electrical components, and your electric steering might come back. Check the power steering pump, hoses, and steering gear for signs of wear or damage. No matter what the. What Fuse Controls Power Steering.
From www.toyotanation.com
power steering fuse.... Toyota Nation Forum Toyota Car and Truck Forums What Fuse Controls Power Steering Look for any leaks or damage to the power steering components. A blown fuse can lead to loss of power assistance, unresponsive steering, and strange noises in the power steering system. This helps reset the electrical components, and your electric steering might come back. 5 causes behind the service power steering light. Should any of these components or the wiring. What Fuse Controls Power Steering.
From autoctrls.com
Nissan Titan Fuse Diagram A Comprehensive Guide and Troubleshooting Tips What Fuse Controls Power Steering Eps utilizes an electric motor to assist in steering the vehicle, providing a smoother and more precise driving experience. The first step in diagnosing power steering issues is to visually inspect the power steering system. Examine your fuse box, look for obvious faults with your wires and connections, and check the voltage in your battery. Look for any leaks or. What Fuse Controls Power Steering.
From kamilanuar98.blogspot.com
Hydraulic Power Steering System What Fuse Controls Power Steering No matter what the configuration, the power steering control module receives inputs from a steering position sensor and a steering. A blown fuse can lead to loss of power assistance, unresponsive steering, and strange noises in the power steering system. The first step in diagnosing power steering issues is to visually inspect the power steering system. Look for any leaks. What Fuse Controls Power Steering.
From repairfixreinhardt55.z19.web.core.windows.net
2014 Chevy Silverado Power Steering Fuse Location What Fuse Controls Power Steering Should any of these components or the wiring fail, a partial or complete loss of steering assist will occur. The causes behind a “service power steering” warning depend on which system you have in. The first step in diagnosing power steering issues is to visually inspect the power steering system. Eps utilizes an electric motor to assist in steering the. What Fuse Controls Power Steering.
From www.peugeotforums.com
Where is the fuse for Power Steering? Peugeot Forums What Fuse Controls Power Steering Check the power steering pump, hoses, and steering gear for signs of wear or damage. The first step in diagnosing power steering issues is to visually inspect the power steering system. Examine your fuse box, look for obvious faults with your wires and connections, and check the voltage in your battery. The causes behind a “service power steering” warning depend. What Fuse Controls Power Steering.
From www.2carpros.com
Electric Power Steering Fuse Location Car Listed Above Is An Ltz What Fuse Controls Power Steering Look for any leaks or damage to the power steering components. Examine your fuse box, look for obvious faults with your wires and connections, and check the voltage in your battery. No matter what the configuration, the power steering control module receives inputs from a steering position sensor and a steering. Should any of these components or the wiring fail,. What Fuse Controls Power Steering.
From www.justanswer.com
Power steering ..wont turn. Told to go to the fuse box under the What Fuse Controls Power Steering A blown fuse can lead to loss of power assistance, unresponsive steering, and strange noises in the power steering system. Eps utilizes an electric motor to assist in steering the vehicle, providing a smoother and more precise driving experience. Examine your fuse box, look for obvious faults with your wires and connections, and check the voltage in your battery. This. What Fuse Controls Power Steering.
From workshopherman99.z19.web.core.windows.net
2010 Ford Fusion Power Steering Fuse Location What Fuse Controls Power Steering The causes behind a “service power steering” warning depend on which system you have in. As was mentioned earlier, electric power steering systems have a steering torque sensor, an electric motor, and a dedicated module, which is supplied with power through fuses and wiring. Should any of these components or the wiring fail, a partial or complete loss of steering. What Fuse Controls Power Steering.
From www.youtube.com
VW TIGUAN STEERING COLUMN FUNCTION CONTROL MODULE FUSE LOCATION What Fuse Controls Power Steering Look for any leaks or damage to the power steering components. Eps utilizes an electric motor to assist in steering the vehicle, providing a smoother and more precise driving experience. Should any of these components or the wiring fail, a partial or complete loss of steering assist will occur. No matter what the configuration, the power steering control module receives. What Fuse Controls Power Steering.
From garagerepairnola55.z1.web.core.windows.net
2012 Ford Fusion Power Steering Fuse Location What Fuse Controls Power Steering Check the power steering pump, hoses, and steering gear for signs of wear or damage. This helps reset the electrical components, and your electric steering might come back. Eps utilizes an electric motor to assist in steering the vehicle, providing a smoother and more precise driving experience. As was mentioned earlier, electric power steering systems have a steering torque sensor,. What Fuse Controls Power Steering.
From www.youtube.com
FORD F150 POWER STEERING ASSIST FUSE LOCATION REPLACEMENT F 150 What Fuse Controls Power Steering The first step in diagnosing power steering issues is to visually inspect the power steering system. As was mentioned earlier, electric power steering systems have a steering torque sensor, an electric motor, and a dedicated module, which is supplied with power through fuses and wiring. A blown fuse can lead to loss of power assistance, unresponsive steering, and strange noises. What Fuse Controls Power Steering.
From spareprtz.com
Can A Blown Fuse Affect Power Steering? Know Here!! What Fuse Controls Power Steering 5 causes behind the service power steering light. The first step in diagnosing power steering issues is to visually inspect the power steering system. As was mentioned earlier, electric power steering systems have a steering torque sensor, an electric motor, and a dedicated module, which is supplied with power through fuses and wiring. Examine your fuse box, look for obvious. What Fuse Controls Power Steering.
From www.justanswer.com
I need to figure out what fuse is for the power steering and the What Fuse Controls Power Steering The first step in diagnosing power steering issues is to visually inspect the power steering system. A blown fuse can lead to loss of power assistance, unresponsive steering, and strange noises in the power steering system. Eps utilizes an electric motor to assist in steering the vehicle, providing a smoother and more precise driving experience. Look for any leaks or. What Fuse Controls Power Steering.
From www.2carpros.com
Electric Power Steering Fuse Location Car Listed Above Is An Ltz What Fuse Controls Power Steering No matter what the configuration, the power steering control module receives inputs from a steering position sensor and a steering. Should any of these components or the wiring fail, a partial or complete loss of steering assist will occur. This helps reset the electrical components, and your electric steering might come back. The first step in diagnosing power steering issues. What Fuse Controls Power Steering.
From www.autozone.com
Repair Guides Steering Power Steering Gear What Fuse Controls Power Steering Eps utilizes an electric motor to assist in steering the vehicle, providing a smoother and more precise driving experience. A blown fuse can lead to loss of power assistance, unresponsive steering, and strange noises in the power steering system. The causes behind a “service power steering” warning depend on which system you have in. As was mentioned earlier, electric power. What Fuse Controls Power Steering.
From www.youcanic.com
Mercedes Power Steering Malfunction See Operator’s Manual YOUCANIC What Fuse Controls Power Steering This helps reset the electrical components, and your electric steering might come back. 5 causes behind the service power steering light. A blown fuse can lead to loss of power assistance, unresponsive steering, and strange noises in the power steering system. No matter what the configuration, the power steering control module receives inputs from a steering position sensor and a. What Fuse Controls Power Steering.
From www.youtube.com
FORD F150 POWER STEERING CONTROL MODULE FUSE LOCATION REPLACEMENT F150 What Fuse Controls Power Steering Eps utilizes an electric motor to assist in steering the vehicle, providing a smoother and more precise driving experience. Should any of these components or the wiring fail, a partial or complete loss of steering assist will occur. This helps reset the electrical components, and your electric steering might come back. The first step in diagnosing power steering issues is. What Fuse Controls Power Steering.
From truckpowered.com
3 Ways To Fix The Ford F150 Power Steering Assist Fault What Fuse Controls Power Steering A blown fuse can lead to loss of power assistance, unresponsive steering, and strange noises in the power steering system. Examine your fuse box, look for obvious faults with your wires and connections, and check the voltage in your battery. This helps reset the electrical components, and your electric steering might come back. No matter what the configuration, the power. What Fuse Controls Power Steering.
From www.justanswer.com
Mini Cooper Power Steering Fuse Find Location & Control with Fuse/Relay What Fuse Controls Power Steering A blown fuse can lead to loss of power assistance, unresponsive steering, and strange noises in the power steering system. The first step in diagnosing power steering issues is to visually inspect the power steering system. 5 causes behind the service power steering light. Examine your fuse box, look for obvious faults with your wires and connections, and check the. What Fuse Controls Power Steering.
From repairmachinedresdner99.z21.web.core.windows.net
2009 Ford Escape Power Steering Fuse What Fuse Controls Power Steering No matter what the configuration, the power steering control module receives inputs from a steering position sensor and a steering. This helps reset the electrical components, and your electric steering might come back. Look for any leaks or damage to the power steering components. Examine your fuse box, look for obvious faults with your wires and connections, and check the. What Fuse Controls Power Steering.
From repairmachinedietrich77.z13.web.core.windows.net
2012 Ford Fusion Power Steering Fuse What Fuse Controls Power Steering Look for any leaks or damage to the power steering components. Should any of these components or the wiring fail, a partial or complete loss of steering assist will occur. 5 causes behind the service power steering light. The causes behind a “service power steering” warning depend on which system you have in. As was mentioned earlier, electric power steering. What Fuse Controls Power Steering.
From www.justanswer.com
Power steering control module on 2017 VW Passat has no voltage on the What Fuse Controls Power Steering The first step in diagnosing power steering issues is to visually inspect the power steering system. A blown fuse can lead to loss of power assistance, unresponsive steering, and strange noises in the power steering system. Examine your fuse box, look for obvious faults with your wires and connections, and check the voltage in your battery. Check the power steering. What Fuse Controls Power Steering.
From www.justanswer.com
Mini Cooper Power Steering Fuse Find Location & Control with Fuse/Relay What Fuse Controls Power Steering 5 causes behind the service power steering light. Check the power steering pump, hoses, and steering gear for signs of wear or damage. The causes behind a “service power steering” warning depend on which system you have in. As was mentioned earlier, electric power steering systems have a steering torque sensor, an electric motor, and a dedicated module, which is. What Fuse Controls Power Steering.
From www.silveradosierra.com
Service ESC and Service Power Steering Chevy Silverado and GMC Sierra What Fuse Controls Power Steering A blown fuse can lead to loss of power assistance, unresponsive steering, and strange noises in the power steering system. Examine your fuse box, look for obvious faults with your wires and connections, and check the voltage in your battery. Look for any leaks or damage to the power steering components. Check the power steering pump, hoses, and steering gear. What Fuse Controls Power Steering.