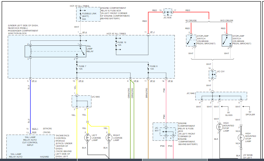
Brake Relay Switch Problems . Here are common brake light switch symptoms, how to check the switch, and what you need to. Investigate potential causes such as issues in the brake light system or low battery voltage. In most cars, the brake light switch is installed right above the brake pedal. If you do find a. The most common symptom of a faulty. What contributes to a brake light switch failure, and how do you know when it’s bad? Check along the run for rotted, broken or degraded wire. The main culprit is often a faulty rear brake switch. To diagnose broken brake lights, you can check the bulbs, sockets, fuse block, and brake light switch. Most spots would be at anchor points, junctions, etc. Some tips on how to fix a broken brake light include preparing the necessary tools, using a brake light wiring diagram, and replacing the brake light switch. When the brake light switch does fail, usually the vehicle will produce a few symptoms that can alert the driver that a problem has occurred.
from importnut.net
Most spots would be at anchor points, junctions, etc. Investigate potential causes such as issues in the brake light system or low battery voltage. The most common symptom of a faulty. Some tips on how to fix a broken brake light include preparing the necessary tools, using a brake light wiring diagram, and replacing the brake light switch. The main culprit is often a faulty rear brake switch. To diagnose broken brake lights, you can check the bulbs, sockets, fuse block, and brake light switch. In most cars, the brake light switch is installed right above the brake pedal. If you do find a. Check along the run for rotted, broken or degraded wire. Here are common brake light switch symptoms, how to check the switch, and what you need to.
Push Button Start Nissans Won’t Start? Here’s the common fix
Brake Relay Switch Problems What contributes to a brake light switch failure, and how do you know when it’s bad? The most common symptom of a faulty. Most spots would be at anchor points, junctions, etc. The main culprit is often a faulty rear brake switch. Some tips on how to fix a broken brake light include preparing the necessary tools, using a brake light wiring diagram, and replacing the brake light switch. If you do find a. Here are common brake light switch symptoms, how to check the switch, and what you need to. Check along the run for rotted, broken or degraded wire. When the brake light switch does fail, usually the vehicle will produce a few symptoms that can alert the driver that a problem has occurred. What contributes to a brake light switch failure, and how do you know when it’s bad? To diagnose broken brake lights, you can check the bulbs, sockets, fuse block, and brake light switch. Investigate potential causes such as issues in the brake light system or low battery voltage. In most cars, the brake light switch is installed right above the brake pedal.
From hxeojuzej.blob.core.windows.net
Where Is The Brake Relay Switch Located at Earl Friddle blog Brake Relay Switch Problems Here are common brake light switch symptoms, how to check the switch, and what you need to. Some tips on how to fix a broken brake light include preparing the necessary tools, using a brake light wiring diagram, and replacing the brake light switch. When the brake light switch does fail, usually the vehicle will produce a few symptoms that. Brake Relay Switch Problems.
From www.yourmechanic.com
How to Replace Your Brake Light Switch YourMechanic Advice Brake Relay Switch Problems Some tips on how to fix a broken brake light include preparing the necessary tools, using a brake light wiring diagram, and replacing the brake light switch. Here are common brake light switch symptoms, how to check the switch, and what you need to. If you do find a. When the brake light switch does fail, usually the vehicle will. Brake Relay Switch Problems.
From www.2carpros.com
How to Replace an Automotive Brake Light System Control Switch Brake Relay Switch Problems The main culprit is often a faulty rear brake switch. In most cars, the brake light switch is installed right above the brake pedal. The most common symptom of a faulty. Most spots would be at anchor points, junctions, etc. Check along the run for rotted, broken or degraded wire. Here are common brake light switch symptoms, how to check. Brake Relay Switch Problems.
From www.gsxr.com
Brake light relay switch problems! Suzuki GSXR Forum Brake Relay Switch Problems Here are common brake light switch symptoms, how to check the switch, and what you need to. The main culprit is often a faulty rear brake switch. Check along the run for rotted, broken or degraded wire. If you do find a. The most common symptom of a faulty. Most spots would be at anchor points, junctions, etc. When the. Brake Relay Switch Problems.
From automationcommunity.com
What are the Most Common Relay Failure Reasons? Brake Relay Switch Problems Check along the run for rotted, broken or degraded wire. What contributes to a brake light switch failure, and how do you know when it’s bad? Some tips on how to fix a broken brake light include preparing the necessary tools, using a brake light wiring diagram, and replacing the brake light switch. If you do find a. Investigate potential. Brake Relay Switch Problems.
From diagramlibraryoily.z5.web.core.windows.net
Common Problems With 2003 F150 Brake Relay Switch Problems What contributes to a brake light switch failure, and how do you know when it’s bad? If you do find a. Here are common brake light switch symptoms, how to check the switch, and what you need to. Most spots would be at anchor points, junctions, etc. The most common symptom of a faulty. Some tips on how to fix. Brake Relay Switch Problems.
From vectormine.com
FREE Relay switch example diagram drawing, vector illustration scheme Brake Relay Switch Problems When the brake light switch does fail, usually the vehicle will produce a few symptoms that can alert the driver that a problem has occurred. What contributes to a brake light switch failure, and how do you know when it’s bad? Some tips on how to fix a broken brake light include preparing the necessary tools, using a brake light. Brake Relay Switch Problems.
From www.2carpros.com
Brake Light Switch Where Do I Find and Replace the Brake Relay Brake Relay Switch Problems Here are common brake light switch symptoms, how to check the switch, and what you need to. The main culprit is often a faulty rear brake switch. In most cars, the brake light switch is installed right above the brake pedal. To diagnose broken brake lights, you can check the bulbs, sockets, fuse block, and brake light switch. Most spots. Brake Relay Switch Problems.
From www.wiringwork.com
what relay numbers mean Wiring Work Brake Relay Switch Problems What contributes to a brake light switch failure, and how do you know when it’s bad? Some tips on how to fix a broken brake light include preparing the necessary tools, using a brake light wiring diagram, and replacing the brake light switch. The main culprit is often a faulty rear brake switch. If you do find a. Check along. Brake Relay Switch Problems.
From www.2carpros.com
Brake Light Relay Not Pedal Switch I Saw Your Post on Another Brake Relay Switch Problems Here are common brake light switch symptoms, how to check the switch, and what you need to. The main culprit is often a faulty rear brake switch. What contributes to a brake light switch failure, and how do you know when it’s bad? Most spots would be at anchor points, junctions, etc. Check along the run for rotted, broken or. Brake Relay Switch Problems.
From importnut.net
Push Button Start Nissans Won’t Start? Here’s the common fix Brake Relay Switch Problems What contributes to a brake light switch failure, and how do you know when it’s bad? Most spots would be at anchor points, junctions, etc. The most common symptom of a faulty. Check along the run for rotted, broken or degraded wire. When the brake light switch does fail, usually the vehicle will produce a few symptoms that can alert. Brake Relay Switch Problems.
From faceitsalon.com
Trailer Brake Relay Wiring Diagram Database Brake Relay Switch Problems If you do find a. The main culprit is often a faulty rear brake switch. What contributes to a brake light switch failure, and how do you know when it’s bad? When the brake light switch does fail, usually the vehicle will produce a few symptoms that can alert the driver that a problem has occurred. Most spots would be. Brake Relay Switch Problems.
From schematiclisteva.z19.web.core.windows.net
Replacing Brake Light Switch Chevy Truck Brake Relay Switch Problems If you do find a. The main culprit is often a faulty rear brake switch. Here are common brake light switch symptoms, how to check the switch, and what you need to. Some tips on how to fix a broken brake light include preparing the necessary tools, using a brake light wiring diagram, and replacing the brake light switch. When. Brake Relay Switch Problems.
From www.the12volt.com
Relay for Turn Signal/Brake Priority Brake Relay Switch Problems To diagnose broken brake lights, you can check the bulbs, sockets, fuse block, and brake light switch. The most common symptom of a faulty. The main culprit is often a faulty rear brake switch. Check along the run for rotted, broken or degraded wire. Most spots would be at anchor points, junctions, etc. In most cars, the brake light switch. Brake Relay Switch Problems.
From www.wiringwork.com
where is the brake relay switch located Wiring Work Brake Relay Switch Problems What contributes to a brake light switch failure, and how do you know when it’s bad? Investigate potential causes such as issues in the brake light system or low battery voltage. Some tips on how to fix a broken brake light include preparing the necessary tools, using a brake light wiring diagram, and replacing the brake light switch. Check along. Brake Relay Switch Problems.
From www.hdforums.com
Brake light relay on an 06 Ultra Classic Harley Davidson Forums Brake Relay Switch Problems What contributes to a brake light switch failure, and how do you know when it’s bad? Check along the run for rotted, broken or degraded wire. The main culprit is often a faulty rear brake switch. Here are common brake light switch symptoms, how to check the switch, and what you need to. In most cars, the brake light switch. Brake Relay Switch Problems.
From www.defendersource.com
Relay help Defender Source Brake Relay Switch Problems The main culprit is often a faulty rear brake switch. What contributes to a brake light switch failure, and how do you know when it’s bad? When the brake light switch does fail, usually the vehicle will produce a few symptoms that can alert the driver that a problem has occurred. To diagnose broken brake lights, you can check the. Brake Relay Switch Problems.
From www.corvetteforum.com
Brake relay switch CorvetteForum Chevrolet Corvette Forum Discussion Brake Relay Switch Problems When the brake light switch does fail, usually the vehicle will produce a few symptoms that can alert the driver that a problem has occurred. What contributes to a brake light switch failure, and how do you know when it’s bad? Investigate potential causes such as issues in the brake light system or low battery voltage. The main culprit is. Brake Relay Switch Problems.
From www.justanswer.com
How do i get at the brake relay switch? and how do i get it out? do i Brake Relay Switch Problems The main culprit is often a faulty rear brake switch. Some tips on how to fix a broken brake light include preparing the necessary tools, using a brake light wiring diagram, and replacing the brake light switch. Here are common brake light switch symptoms, how to check the switch, and what you need to. If you do find a. Most. Brake Relay Switch Problems.
From www.gmtruckclub.com
94 k1500 brake light issues GM Truck Club Forum Brake Relay Switch Problems In most cars, the brake light switch is installed right above the brake pedal. If you do find a. Check along the run for rotted, broken or degraded wire. Some tips on how to fix a broken brake light include preparing the necessary tools, using a brake light wiring diagram, and replacing the brake light switch. Most spots would be. Brake Relay Switch Problems.
From www.yourmechanic.com
How to Replace Your Brake Light Switch YourMechanic Advice Brake Relay Switch Problems Check along the run for rotted, broken or degraded wire. The main culprit is often a faulty rear brake switch. The most common symptom of a faulty. If you do find a. What contributes to a brake light switch failure, and how do you know when it’s bad? To diagnose broken brake lights, you can check the bulbs, sockets, fuse. Brake Relay Switch Problems.
From www.justanswer.com
How do i get at the brake relay switch? and how do i get it out? do i Brake Relay Switch Problems To diagnose broken brake lights, you can check the bulbs, sockets, fuse block, and brake light switch. Some tips on how to fix a broken brake light include preparing the necessary tools, using a brake light wiring diagram, and replacing the brake light switch. Check along the run for rotted, broken or degraded wire. Most spots would be at anchor. Brake Relay Switch Problems.
From www.hyundai-forums.com
How to replace brake light switch on 2013 elantra? Hyundai Forums Brake Relay Switch Problems Some tips on how to fix a broken brake light include preparing the necessary tools, using a brake light wiring diagram, and replacing the brake light switch. If you do find a. The most common symptom of a faulty. Investigate potential causes such as issues in the brake light system or low battery voltage. In most cars, the brake light. Brake Relay Switch Problems.
From www.pinterest.com.au
Air Brake Relay How it Works. Air braking systems and Commercial Brake Relay Switch Problems In most cars, the brake light switch is installed right above the brake pedal. Here are common brake light switch symptoms, how to check the switch, and what you need to. What contributes to a brake light switch failure, and how do you know when it’s bad? Most spots would be at anchor points, junctions, etc. The most common symptom. Brake Relay Switch Problems.
From www.autozone.com
Repair Guides Antilock Brake System Abs Relay Brake Relay Switch Problems Here are common brake light switch symptoms, how to check the switch, and what you need to. Investigate potential causes such as issues in the brake light system or low battery voltage. What contributes to a brake light switch failure, and how do you know when it’s bad? In most cars, the brake light switch is installed right above the. Brake Relay Switch Problems.
From www.cmsnl.com
35390533006 Relay, Brake Emergency Honda buy the 35390533006 at CMSNL Brake Relay Switch Problems What contributes to a brake light switch failure, and how do you know when it’s bad? In most cars, the brake light switch is installed right above the brake pedal. The main culprit is often a faulty rear brake switch. Investigate potential causes such as issues in the brake light system or low battery voltage. When the brake light switch. Brake Relay Switch Problems.
From www.wiringwork.com
where is the brake relay switch located Wiring Work Brake Relay Switch Problems To diagnose broken brake lights, you can check the bulbs, sockets, fuse block, and brake light switch. Investigate potential causes such as issues in the brake light system or low battery voltage. When the brake light switch does fail, usually the vehicle will produce a few symptoms that can alert the driver that a problem has occurred. The most common. Brake Relay Switch Problems.
From www.hdforums.com
Brake light relay on an 06 Ultra Classic Harley Davidson Forums Brake Relay Switch Problems Here are common brake light switch symptoms, how to check the switch, and what you need to. When the brake light switch does fail, usually the vehicle will produce a few symptoms that can alert the driver that a problem has occurred. The most common symptom of a faulty. To diagnose broken brake lights, you can check the bulbs, sockets,. Brake Relay Switch Problems.
From schematiclistmoller.z19.web.core.windows.net
5 Pin Relay Wiring Diagram With Switch Brake Relay Switch Problems Check along the run for rotted, broken or degraded wire. Some tips on how to fix a broken brake light include preparing the necessary tools, using a brake light wiring diagram, and replacing the brake light switch. Here are common brake light switch symptoms, how to check the switch, and what you need to. When the brake light switch does. Brake Relay Switch Problems.
From www.gsxr.com
Brake light relay switch problems! Suzuki GSXR Forum Brake Relay Switch Problems The main culprit is often a faulty rear brake switch. Here are common brake light switch symptoms, how to check the switch, and what you need to. The most common symptom of a faulty. If you do find a. When the brake light switch does fail, usually the vehicle will produce a few symptoms that can alert the driver that. Brake Relay Switch Problems.
From www.altimaforums.net
Where is brake relay located Nissan Altima Forum Brake Relay Switch Problems Check along the run for rotted, broken or degraded wire. When the brake light switch does fail, usually the vehicle will produce a few symptoms that can alert the driver that a problem has occurred. The most common symptom of a faulty. What contributes to a brake light switch failure, and how do you know when it’s bad? Some tips. Brake Relay Switch Problems.
From repairfixovertimer101.z22.web.core.windows.net
2001 Chevy Silverado 1500 Brake Line Diagram Brake Relay Switch Problems What contributes to a brake light switch failure, and how do you know when it’s bad? Most spots would be at anchor points, junctions, etc. Some tips on how to fix a broken brake light include preparing the necessary tools, using a brake light wiring diagram, and replacing the brake light switch. To diagnose broken brake lights, you can check. Brake Relay Switch Problems.
From www.duramaxforum.com
Where’s my trailer brake relay? Chevy and GMC Duramax Diesel Forum Brake Relay Switch Problems When the brake light switch does fail, usually the vehicle will produce a few symptoms that can alert the driver that a problem has occurred. Some tips on how to fix a broken brake light include preparing the necessary tools, using a brake light wiring diagram, and replacing the brake light switch. If you do find a. In most cars,. Brake Relay Switch Problems.
From www.hdforums.com
Brake light relay on an 06 Ultra Classic Harley Davidson Forums Brake Relay Switch Problems The main culprit is often a faulty rear brake switch. The most common symptom of a faulty. If you do find a. To diagnose broken brake lights, you can check the bulbs, sockets, fuse block, and brake light switch. When the brake light switch does fail, usually the vehicle will produce a few symptoms that can alert the driver that. Brake Relay Switch Problems.
From www.vecteezy.com
Car relay switch 21217276 PNG Brake Relay Switch Problems When the brake light switch does fail, usually the vehicle will produce a few symptoms that can alert the driver that a problem has occurred. Some tips on how to fix a broken brake light include preparing the necessary tools, using a brake light wiring diagram, and replacing the brake light switch. To diagnose broken brake lights, you can check. Brake Relay Switch Problems.