K-Line Cable Bmw . The k+dcan cable serves as an adapter that will connect to the vehicle’s obd2 port and to a computer with the coding software. Failure to run this correctly will mean that you will not be able to use your. In this post, we will show you a guide on how to configure the k+dcan cable for bmw coding properly. This is the k+dcan utility that allows you to toggle between k line & dcan. After seeing a post about this cable from shawn in the e90 threads, i decided to order a cable from bimmer geeks,. The usb device is otg supported which makes it compatible with all android devices. In this blog post, we’re going to show the functionalities of the three.
from www.alientechuk.co.uk
In this blog post, we’re going to show the functionalities of the three. This is the k+dcan utility that allows you to toggle between k line & dcan. Failure to run this correctly will mean that you will not be able to use your. The usb device is otg supported which makes it compatible with all android devices. The k+dcan cable serves as an adapter that will connect to the vehicle’s obd2 port and to a computer with the coding software. After seeing a post about this cable from shawn in the e90 threads, i decided to order a cable from bimmer geeks,. In this post, we will show you a guide on how to configure the k+dcan cable for bmw coding properly.
Honda CAN + KLine Cable Discontinued Alientech UK ALIENTECH
K-Line Cable Bmw In this post, we will show you a guide on how to configure the k+dcan cable for bmw coding properly. The usb device is otg supported which makes it compatible with all android devices. Failure to run this correctly will mean that you will not be able to use your. In this post, we will show you a guide on how to configure the k+dcan cable for bmw coding properly. The k+dcan cable serves as an adapter that will connect to the vehicle’s obd2 port and to a computer with the coding software. This is the k+dcan utility that allows you to toggle between k line & dcan. After seeing a post about this cable from shawn in the e90 threads, i decided to order a cable from bimmer geeks,. In this blog post, we’re going to show the functionalities of the three.
From ohptools.com
How to Code your BMW on Android/iOS Phone and Mac Computer Using a KL K-Line Cable Bmw Failure to run this correctly will mean that you will not be able to use your. In this post, we will show you a guide on how to configure the k+dcan cable for bmw coding properly. This is the k+dcan utility that allows you to toggle between k line & dcan. The k+dcan cable serves as an adapter that will. K-Line Cable Bmw.
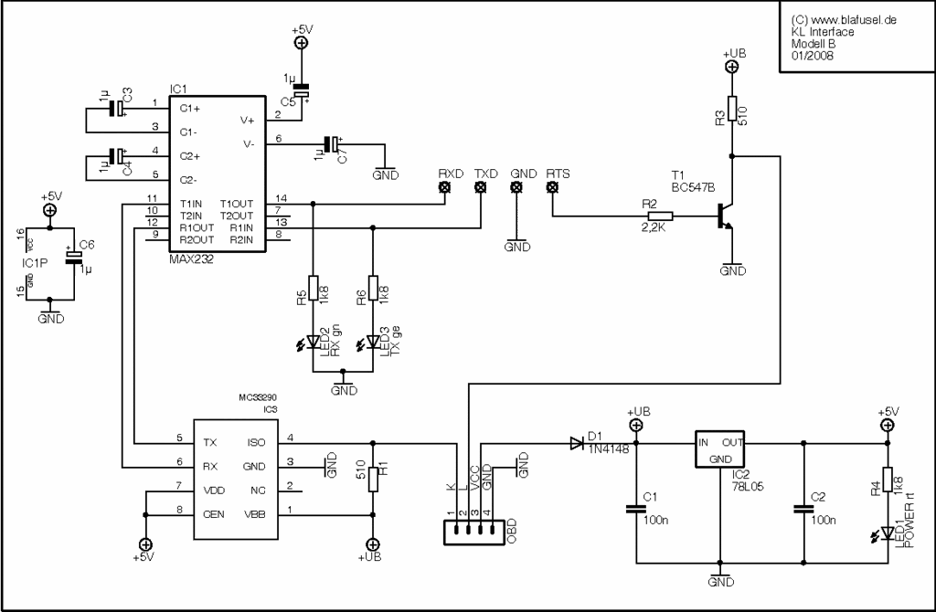
From obd2expresscouk.centerblog.net
Comment modifier un câble VCDS ou KKL pour BMW INPA? K-Line Cable Bmw This is the k+dcan utility that allows you to toggle between k line & dcan. In this post, we will show you a guide on how to configure the k+dcan cable for bmw coding properly. The k+dcan cable serves as an adapter that will connect to the vehicle’s obd2 port and to a computer with the coding software. Failure to. K-Line Cable Bmw.
From autostop.fi
For BMW K+DCAN FTDI FT232RL with Switch K DCAN K CAN OBD 2 OBD2 For BMW K-Line Cable Bmw The k+dcan cable serves as an adapter that will connect to the vehicle’s obd2 port and to a computer with the coding software. Failure to run this correctly will mean that you will not be able to use your. The usb device is otg supported which makes it compatible with all android devices. In this post, we will show you. K-Line Cable Bmw.
From www.bimmerfest.com
Cheapest usable E39 USB KLine cable for 16pin Dsub (>2000) & 20pin K-Line Cable Bmw In this post, we will show you a guide on how to configure the k+dcan cable for bmw coding properly. The k+dcan cable serves as an adapter that will connect to the vehicle’s obd2 port and to a computer with the coding software. Failure to run this correctly will mean that you will not be able to use your. The. K-Line Cable Bmw.
From ecutools.eu
DB25OBDII cable for KLine Ecutools v2 Adapter ECUtools.eu K-Line Cable Bmw The k+dcan cable serves as an adapter that will connect to the vehicle’s obd2 port and to a computer with the coding software. After seeing a post about this cable from shawn in the e90 threads, i decided to order a cable from bimmer geeks,. Failure to run this correctly will mean that you will not be able to use. K-Line Cable Bmw.
From www.e46fanatics.com
KLine cable to DCAN cable? Mod? E46 Fanatics Forum K-Line Cable Bmw After seeing a post about this cable from shawn in the e90 threads, i decided to order a cable from bimmer geeks,. The k+dcan cable serves as an adapter that will connect to the vehicle’s obd2 port and to a computer with the coding software. The usb device is otg supported which makes it compatible with all android devices. This. K-Line Cable Bmw.
From tomasinracing.net
OBD2 (CAN and KLine) cable EVO4S AiM spare parts Tomasin R&D K-Line Cable Bmw This is the k+dcan utility that allows you to toggle between k line & dcan. After seeing a post about this cable from shawn in the e90 threads, i decided to order a cable from bimmer geeks,. The usb device is otg supported which makes it compatible with all android devices. Failure to run this correctly will mean that you. K-Line Cable Bmw.
From www.picoauto.com
Network KLine testing K-Line Cable Bmw In this post, we will show you a guide on how to configure the k+dcan cable for bmw coding properly. In this blog post, we’re going to show the functionalities of the three. This is the k+dcan utility that allows you to toggle between k line & dcan. After seeing a post about this cable from shawn in the e90. K-Line Cable Bmw.
From chozen.ru
Адаптер Kline Ch' homepage v2.2 K-Line Cable Bmw In this post, we will show you a guide on how to configure the k+dcan cable for bmw coding properly. In this blog post, we’re going to show the functionalities of the three. Failure to run this correctly will mean that you will not be able to use your. This is the k+dcan utility that allows you to toggle between. K-Line Cable Bmw.
From www.amazon.de
KLine Adapter USB K+DCAN CAN Interface Pin 7 auf Pin 8 bis 07 Passend K-Line Cable Bmw In this blog post, we’re going to show the functionalities of the three. After seeing a post about this cable from shawn in the e90 threads, i decided to order a cable from bimmer geeks,. The k+dcan cable serves as an adapter that will connect to the vehicle’s obd2 port and to a computer with the coding software. In this. K-Line Cable Bmw.
From www.pegasusautoracing.com
AiM 7Pin to OBDII Plug (CAN/KLine) Cable for EVO4S, 2m Pegasus K-Line Cable Bmw In this post, we will show you a guide on how to configure the k+dcan cable for bmw coding properly. The usb device is otg supported which makes it compatible with all android devices. This is the k+dcan utility that allows you to toggle between k line & dcan. In this blog post, we’re going to show the functionalities of. K-Line Cable Bmw.
From kds-online.de
OBD Adapter Euro5 for Motorcycle 6 Pin to OBD2 (KLine + CANBus) KDS K-Line Cable Bmw The usb device is otg supported which makes it compatible with all android devices. This is the k+dcan utility that allows you to toggle between k line & dcan. In this post, we will show you a guide on how to configure the k+dcan cable for bmw coding properly. The k+dcan cable serves as an adapter that will connect to. K-Line Cable Bmw.
From autostop.fi
For BMW K+DCAN FTDI FT232RL with Switch K DCAN K CAN OBD 2 OBD2 For BMW K-Line Cable Bmw Failure to run this correctly will mean that you will not be able to use your. In this post, we will show you a guide on how to configure the k+dcan cable for bmw coding properly. The usb device is otg supported which makes it compatible with all android devices. The k+dcan cable serves as an adapter that will connect. K-Line Cable Bmw.
From ecupro.eu
USB OBD2 KLine adapter Pro ECU from ECU Pro to buy, prices, what to K-Line Cable Bmw The usb device is otg supported which makes it compatible with all android devices. After seeing a post about this cable from shawn in the e90 threads, i decided to order a cable from bimmer geeks,. In this post, we will show you a guide on how to configure the k+dcan cable for bmw coding properly. In this blog post,. K-Line Cable Bmw.
From ohptools.com
Which Cable To Use for BMW Coding KLine, K+DCAN, or — OHP Store K-Line Cable Bmw Failure to run this correctly will mean that you will not be able to use your. After seeing a post about this cable from shawn in the e90 threads, i decided to order a cable from bimmer geeks,. This is the k+dcan utility that allows you to toggle between k line & dcan. In this post, we will show you. K-Line Cable Bmw.
From www.vxdas.com
Ak90 KLINE OD46J EWS3 Adapter K-Line Cable Bmw After seeing a post about this cable from shawn in the e90 threads, i decided to order a cable from bimmer geeks,. This is the k+dcan utility that allows you to toggle between k line & dcan. In this blog post, we’re going to show the functionalities of the three. Failure to run this correctly will mean that you will. K-Line Cable Bmw.
From www.lacartech.com
W204/W207/W212 Kline cable set LA Car Tech K-Line Cable Bmw In this blog post, we’re going to show the functionalities of the three. The usb device is otg supported which makes it compatible with all android devices. After seeing a post about this cable from shawn in the e90 threads, i decided to order a cable from bimmer geeks,. Failure to run this correctly will mean that you will not. K-Line Cable Bmw.
From www.bimmerfest.com
Cheapest usable E39 USB KLine cable for 16pin Dsub (>2000) & 20pin K-Line Cable Bmw The usb device is otg supported which makes it compatible with all android devices. In this blog post, we’re going to show the functionalities of the three. Failure to run this correctly will mean that you will not be able to use your. After seeing a post about this cable from shawn in the e90 threads, i decided to order. K-Line Cable Bmw.
From autostop.fi
For BMW K+DCAN FTDI FT232RL with Switch K DCAN K CAN OBD 2 OBD2 For BMW K-Line Cable Bmw In this post, we will show you a guide on how to configure the k+dcan cable for bmw coding properly. The k+dcan cable serves as an adapter that will connect to the vehicle’s obd2 port and to a computer with the coding software. Failure to run this correctly will mean that you will not be able to use your. This. K-Line Cable Bmw.
From www.aliexpress.com
New arrival INPA K+CAN For BMW With FT232RQ Chip with Switch K+D CAN K-Line Cable Bmw Failure to run this correctly will mean that you will not be able to use your. This is the k+dcan utility that allows you to toggle between k line & dcan. In this post, we will show you a guide on how to configure the k+dcan cable for bmw coding properly. In this blog post, we’re going to show the. K-Line Cable Bmw.
From www.aliexpress.com
For BMW K DCAN KCAN Switch FTDI 2 Auto Car Diagnostic K Line Cable 2 K-Line Cable Bmw In this post, we will show you a guide on how to configure the k+dcan cable for bmw coding properly. In this blog post, we’re going to show the functionalities of the three. Failure to run this correctly will mean that you will not be able to use your. The usb device is otg supported which makes it compatible with. K-Line Cable Bmw.
From www.amazon.es
OHP KKL com RS232 Puerto Serie KL KLine Cable de interfaz de K-Line Cable Bmw The usb device is otg supported which makes it compatible with all android devices. The k+dcan cable serves as an adapter that will connect to the vehicle’s obd2 port and to a computer with the coding software. This is the k+dcan utility that allows you to toggle between k line & dcan. In this post, we will show you a. K-Line Cable Bmw.
From autostop.fi
For BMW K+DCAN FTDI FT232RL with Switch K DCAN K CAN OBD 2 OBD2 For BMW K-Line Cable Bmw After seeing a post about this cable from shawn in the e90 threads, i decided to order a cable from bimmer geeks,. In this post, we will show you a guide on how to configure the k+dcan cable for bmw coding properly. This is the k+dcan utility that allows you to toggle between k line & dcan. In this blog. K-Line Cable Bmw.
From www.ebay.de
KLine Adapter USB K+DCAN CAN Interface Pin 7 auf Pin 8 bis 07 für BMW K-Line Cable Bmw The k+dcan cable serves as an adapter that will connect to the vehicle’s obd2 port and to a computer with the coding software. In this blog post, we’re going to show the functionalities of the three. Failure to run this correctly will mean that you will not be able to use your. In this post, we will show you a. K-Line Cable Bmw.
From automotorpad.com
Obd ii cable usb bmw K-Line Cable Bmw Failure to run this correctly will mean that you will not be able to use your. After seeing a post about this cable from shawn in the e90 threads, i decided to order a cable from bimmer geeks,. In this blog post, we’re going to show the functionalities of the three. The usb device is otg supported which makes it. K-Line Cable Bmw.
From www.aliexpress.com
KLineCableforCNh95DPA5kitdiagnostictoolKLineCableFor K-Line Cable Bmw The k+dcan cable serves as an adapter that will connect to the vehicle’s obd2 port and to a computer with the coding software. In this blog post, we’re going to show the functionalities of the three. In this post, we will show you a guide on how to configure the k+dcan cable for bmw coding properly. The usb device is. K-Line Cable Bmw.
From chiptuningtools.es
Fendt KLine cable redondo de 4 pines 144300K248 Tuning Tools K-Line Cable Bmw In this blog post, we’re going to show the functionalities of the three. The usb device is otg supported which makes it compatible with all android devices. Failure to run this correctly will mean that you will not be able to use your. After seeing a post about this cable from shawn in the e90 threads, i decided to order. K-Line Cable Bmw.
From kds-online.de
OBD Adapter BMW Motorcycle 10 Pin to OBD2 (KLines + CANBus) KDS K-Line Cable Bmw The usb device is otg supported which makes it compatible with all android devices. Failure to run this correctly will mean that you will not be able to use your. In this post, we will show you a guide on how to configure the k+dcan cable for bmw coding properly. In this blog post, we’re going to show the functionalities. K-Line Cable Bmw.
From obd2australia.com.au
Types of BMW Coding Cables OBD2 Australia K-Line Cable Bmw In this blog post, we’re going to show the functionalities of the three. In this post, we will show you a guide on how to configure the k+dcan cable for bmw coding properly. After seeing a post about this cable from shawn in the e90 threads, i decided to order a cable from bimmer geeks,. The k+dcan cable serves as. K-Line Cable Bmw.
From www.ebay.de
KLINE Adapter für das K+DCAN Interface für BMW Fahrzeuge bis ca. BJ K-Line Cable Bmw The k+dcan cable serves as an adapter that will connect to the vehicle’s obd2 port and to a computer with the coding software. The usb device is otg supported which makes it compatible with all android devices. Failure to run this correctly will mean that you will not be able to use your. In this blog post, we’re going to. K-Line Cable Bmw.
From www.alientechuk.co.uk
Honda CAN + KLine Cable Discontinued Alientech UK ALIENTECH K-Line Cable Bmw In this blog post, we’re going to show the functionalities of the three. Failure to run this correctly will mean that you will not be able to use your. In this post, we will show you a guide on how to configure the k+dcan cable for bmw coding properly. After seeing a post about this cable from shawn in the. K-Line Cable Bmw.
From autostop.fi
For BMW K+DCAN FTDI FT232RL with Switch K DCAN K CAN OBD 2 OBD2 For BMW K-Line Cable Bmw In this post, we will show you a guide on how to configure the k+dcan cable for bmw coding properly. Failure to run this correctly will mean that you will not be able to use your. In this blog post, we’re going to show the functionalities of the three. The k+dcan cable serves as an adapter that will connect to. K-Line Cable Bmw.
From autostop.fi
For BMW K+DCAN FTDI FT232RL with Switch K DCAN K CAN OBD 2 OBD2 For BMW K-Line Cable Bmw In this blog post, we’re going to show the functionalities of the three. This is the k+dcan utility that allows you to toggle between k line & dcan. After seeing a post about this cable from shawn in the e90 threads, i decided to order a cable from bimmer geeks,. Failure to run this correctly will mean that you will. K-Line Cable Bmw.
From ukobd2.com
EWS KLine PROGRAMMER EWS3 for BMW K-Line Cable Bmw This is the k+dcan utility that allows you to toggle between k line & dcan. Failure to run this correctly will mean that you will not be able to use your. In this post, we will show you a guide on how to configure the k+dcan cable for bmw coding properly. After seeing a post about this cable from shawn. K-Line Cable Bmw.
From aeromaz.weebly.com
aeromaz Blog K-Line Cable Bmw In this blog post, we’re going to show the functionalities of the three. Failure to run this correctly will mean that you will not be able to use your. The k+dcan cable serves as an adapter that will connect to the vehicle’s obd2 port and to a computer with the coding software. In this post, we will show you a. K-Line Cable Bmw.