Lightwave Rf Relay Not Working . If you want to control doors, gates, blinds, or other things you might want to open, you’ll need to make sure that you have a relay. Thats not how it works, its just a dry switch contact, you need to confirm the contact is suitable for 240v and the load of the pump, then. I create a new switch in domoticz, setting it to lightwaverf, give it a unique id, put the relay in pairing mode and then press the. When utilising the switch sense input with devices such as smoke detectors, heat sensors, wired motion sensors, and legacy control. Can you use a lightwaverf switch instead of a relay? Also be aware you need the hub thingy to make them work via phone or alexa. Instead of wiring the lighting source to the dimmer, wire the lighting source directly into one of our relays and then follow the standard steps.
from www.reddit.com
Can you use a lightwaverf switch instead of a relay? If you want to control doors, gates, blinds, or other things you might want to open, you’ll need to make sure that you have a relay. I create a new switch in domoticz, setting it to lightwaverf, give it a unique id, put the relay in pairing mode and then press the. Also be aware you need the hub thingy to make them work via phone or alexa. Instead of wiring the lighting source to the dimmer, wire the lighting source directly into one of our relays and then follow the standard steps. Thats not how it works, its just a dry switch contact, you need to confirm the contact is suitable for 240v and the load of the pump, then. When utilising the switch sense input with devices such as smoke detectors, heat sensors, wired motion sensors, and legacy control.
Relay not working as intended r/electrical
Lightwave Rf Relay Not Working If you want to control doors, gates, blinds, or other things you might want to open, you’ll need to make sure that you have a relay. When utilising the switch sense input with devices such as smoke detectors, heat sensors, wired motion sensors, and legacy control. If you want to control doors, gates, blinds, or other things you might want to open, you’ll need to make sure that you have a relay. I create a new switch in domoticz, setting it to lightwaverf, give it a unique id, put the relay in pairing mode and then press the. Can you use a lightwaverf switch instead of a relay? Thats not how it works, its just a dry switch contact, you need to confirm the contact is suitable for 240v and the load of the pump, then. Instead of wiring the lighting source to the dimmer, wire the lighting source directly into one of our relays and then follow the standard steps. Also be aware you need the hub thingy to make them work via phone or alexa.
From www.youtube.com
The LightwaveRF 500W Inline Relay JSJSLW821 YouTube Lightwave Rf Relay Not Working Also be aware you need the hub thingy to make them work via phone or alexa. Can you use a lightwaverf switch instead of a relay? If you want to control doors, gates, blinds, or other things you might want to open, you’ll need to make sure that you have a relay. When utilising the switch sense input with devices. Lightwave Rf Relay Not Working.
From www.edwardes.co.uk
Lightwave RF Smart Home Automation Edwardes Lightwave Rf Relay Not Working I create a new switch in domoticz, setting it to lightwaverf, give it a unique id, put the relay in pairing mode and then press the. If you want to control doors, gates, blinds, or other things you might want to open, you’ll need to make sure that you have a relay. Thats not how it works, its just a. Lightwave Rf Relay Not Working.
From source.thenbs.com
Smart Relays Lightwave RF Technology Ltd NBS Source Lightwave Rf Relay Not Working Instead of wiring the lighting source to the dimmer, wire the lighting source directly into one of our relays and then follow the standard steps. Can you use a lightwaverf switch instead of a relay? I create a new switch in domoticz, setting it to lightwaverf, give it a unique id, put the relay in pairing mode and then press. Lightwave Rf Relay Not Working.
From www.ledbulbs.co.uk
Megaman LightwaveRF 500W Inline Relay White ledbulbs.co.uk Lightwave Rf Relay Not Working If you want to control doors, gates, blinds, or other things you might want to open, you’ll need to make sure that you have a relay. Also be aware you need the hub thingy to make them work via phone or alexa. When utilising the switch sense input with devices such as smoke detectors, heat sensors, wired motion sensors, and. Lightwave Rf Relay Not Working.
From forum.arduino.cc
ESP32 Relay operation. Help needed please Project Guidance Arduino Lightwave Rf Relay Not Working Instead of wiring the lighting source to the dimmer, wire the lighting source directly into one of our relays and then follow the standard steps. Also be aware you need the hub thingy to make them work via phone or alexa. Thats not how it works, its just a dry switch contact, you need to confirm the contact is suitable. Lightwave Rf Relay Not Working.
From www.manualslib.com
MEGAMAN LIGHTWAVE RF CONNECT SERIES INSTRUCTION MANUAL Pdf Download Lightwave Rf Relay Not Working Instead of wiring the lighting source to the dimmer, wire the lighting source directly into one of our relays and then follow the standard steps. Also be aware you need the hub thingy to make them work via phone or alexa. If you want to control doors, gates, blinds, or other things you might want to open, you’ll need to. Lightwave Rf Relay Not Working.
From www.youtube.com
Lightwave Installation Guide Smart Mini Relay with Open/Stop/Close Lightwave Rf Relay Not Working I create a new switch in domoticz, setting it to lightwaverf, give it a unique id, put the relay in pairing mode and then press the. Also be aware you need the hub thingy to make them work via phone or alexa. When utilising the switch sense input with devices such as smoke detectors, heat sensors, wired motion sensors, and. Lightwave Rf Relay Not Working.
From www.amazon.co.uk
Lightwave Smart Relay, 3500 W, Grey Amazon.co.uk Lighting Lightwave Rf Relay Not Working Thats not how it works, its just a dry switch contact, you need to confirm the contact is suitable for 240v and the load of the pump, then. Can you use a lightwaverf switch instead of a relay? When utilising the switch sense input with devices such as smoke detectors, heat sensors, wired motion sensors, and legacy control. I create. Lightwave Rf Relay Not Working.
From device.report
Lightwave LP83 Gang Smart Relay User Manual Lightwave Rf Relay Not Working When utilising the switch sense input with devices such as smoke detectors, heat sensors, wired motion sensors, and legacy control. If you want to control doors, gates, blinds, or other things you might want to open, you’ll need to make sure that you have a relay. Also be aware you need the hub thingy to make them work via phone. Lightwave Rf Relay Not Working.
From www.appsntips.com
How to Fix Private Relay Not Working on WiFi Issue appsntips Lightwave Rf Relay Not Working Thats not how it works, its just a dry switch contact, you need to confirm the contact is suitable for 240v and the load of the pump, then. When utilising the switch sense input with devices such as smoke detectors, heat sensors, wired motion sensors, and legacy control. I create a new switch in domoticz, setting it to lightwaverf, give. Lightwave Rf Relay Not Working.
From smarthome.co.tz
Lightwave RF Smart Relay Smart Home Tanzania Lightwave Rf Relay Not Working Can you use a lightwaverf switch instead of a relay? Also be aware you need the hub thingy to make them work via phone or alexa. If you want to control doors, gates, blinds, or other things you might want to open, you’ll need to make sure that you have a relay. I create a new switch in domoticz, setting. Lightwave Rf Relay Not Working.
From smarthome.co.tz
Lightwave RF 3x Relay Smart Home Tanzania Lightwave Rf Relay Not Working Instead of wiring the lighting source to the dimmer, wire the lighting source directly into one of our relays and then follow the standard steps. When utilising the switch sense input with devices such as smoke detectors, heat sensors, wired motion sensors, and legacy control. I create a new switch in domoticz, setting it to lightwaverf, give it a unique. Lightwave Rf Relay Not Working.
From www.youtube.com
Lightwave Product Overview 3Gang Smart Relay YouTube Lightwave Rf Relay Not Working If you want to control doors, gates, blinds, or other things you might want to open, you’ll need to make sure that you have a relay. Instead of wiring the lighting source to the dimmer, wire the lighting source directly into one of our relays and then follow the standard steps. Also be aware you need the hub thingy to. Lightwave Rf Relay Not Working.
From www.reddit.com
Lightwave RF integration r/Esphome Lightwave Rf Relay Not Working I create a new switch in domoticz, setting it to lightwaverf, give it a unique id, put the relay in pairing mode and then press the. Also be aware you need the hub thingy to make them work via phone or alexa. Thats not how it works, its just a dry switch contact, you need to confirm the contact is. Lightwave Rf Relay Not Working.
From www.kincony.com
KC868 A4 Relay not working Lightwave Rf Relay Not Working Can you use a lightwaverf switch instead of a relay? Thats not how it works, its just a dry switch contact, you need to confirm the contact is suitable for 240v and the load of the pump, then. I create a new switch in domoticz, setting it to lightwaverf, give it a unique id, put the relay in pairing mode. Lightwave Rf Relay Not Working.
From smarthome.co.tz
Lightwave RF Smart Relay Smart Home Tanzania Lightwave Rf Relay Not Working Thats not how it works, its just a dry switch contact, you need to confirm the contact is suitable for 240v and the load of the pump, then. Also be aware you need the hub thingy to make them work via phone or alexa. If you want to control doors, gates, blinds, or other things you might want to open,. Lightwave Rf Relay Not Working.
From www.youtube.com
LightwaveRF Inline Relay YouTube Lightwave Rf Relay Not Working Can you use a lightwaverf switch instead of a relay? When utilising the switch sense input with devices such as smoke detectors, heat sensors, wired motion sensors, and legacy control. Also be aware you need the hub thingy to make them work via phone or alexa. Instead of wiring the lighting source to the dimmer, wire the lighting source directly. Lightwave Rf Relay Not Working.
From www.socketsandswitches.com
Installing Lightwave Hub, Dimmers, Sockets and Relays Sockets Lightwave Rf Relay Not Working When utilising the switch sense input with devices such as smoke detectors, heat sensors, wired motion sensors, and legacy control. Also be aware you need the hub thingy to make them work via phone or alexa. Instead of wiring the lighting source to the dimmer, wire the lighting source directly into one of our relays and then follow the standard. Lightwave Rf Relay Not Working.
From forum.arduino.cc
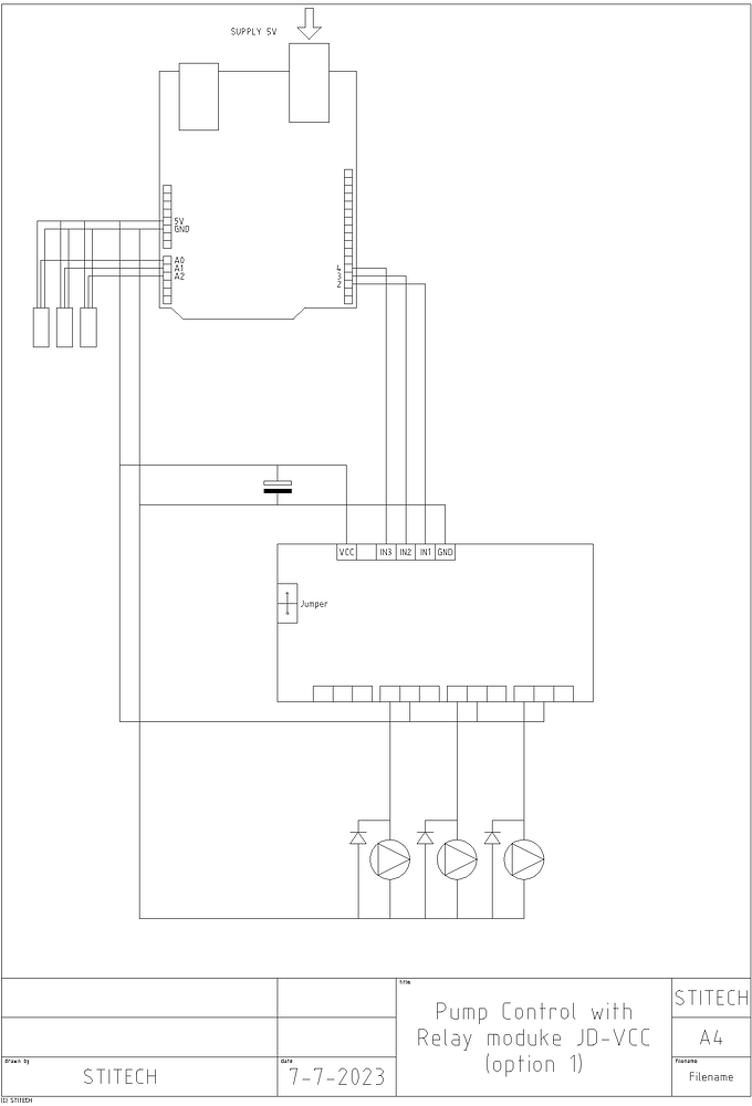
Relay not working right when powering pump Project Guidance Arduino Lightwave Rf Relay Not Working Can you use a lightwaverf switch instead of a relay? Thats not how it works, its just a dry switch contact, you need to confirm the contact is suitable for 240v and the load of the pump, then. I create a new switch in domoticz, setting it to lightwaverf, give it a unique id, put the relay in pairing mode. Lightwave Rf Relay Not Working.
From www.amazon.co.uk
Lightwave Smart Relay, 500 W, Grey Amazon.co.uk Lighting Lightwave Rf Relay Not Working Thats not how it works, its just a dry switch contact, you need to confirm the contact is suitable for 240v and the load of the pump, then. Also be aware you need the hub thingy to make them work via phone or alexa. I create a new switch in domoticz, setting it to lightwaverf, give it a unique id,. Lightwave Rf Relay Not Working.
From www.reddit.com
Relay not working as intended r/electrical Lightwave Rf Relay Not Working I create a new switch in domoticz, setting it to lightwaverf, give it a unique id, put the relay in pairing mode and then press the. Also be aware you need the hub thingy to make them work via phone or alexa. Can you use a lightwaverf switch instead of a relay? When utilising the switch sense input with devices. Lightwave Rf Relay Not Working.
From device.report
Lightwave LP81 Smart Relay with Switch Sense Input Instructions Lightwave Rf Relay Not Working Thats not how it works, its just a dry switch contact, you need to confirm the contact is suitable for 240v and the load of the pump, then. I create a new switch in domoticz, setting it to lightwaverf, give it a unique id, put the relay in pairing mode and then press the. Also be aware you need the. Lightwave Rf Relay Not Working.
From forum.arduino.cc
SOLVED ESP32 with 16 channel relay not working General Electronics Lightwave Rf Relay Not Working I create a new switch in domoticz, setting it to lightwaverf, give it a unique id, put the relay in pairing mode and then press the. If you want to control doors, gates, blinds, or other things you might want to open, you’ll need to make sure that you have a relay. Also be aware you need the hub thingy. Lightwave Rf Relay Not Working.
From www.downlights.co.uk
Lightwave RF Smart Lighting Products for Home Automation Downlights Lightwave Rf Relay Not Working I create a new switch in domoticz, setting it to lightwaverf, give it a unique id, put the relay in pairing mode and then press the. Thats not how it works, its just a dry switch contact, you need to confirm the contact is suitable for 240v and the load of the pump, then. Also be aware you need the. Lightwave Rf Relay Not Working.
From github.com
GitHub njh/ir_to_lwrf InfraRed to LightWave RF relay Lightwave Rf Relay Not Working Can you use a lightwaverf switch instead of a relay? I create a new switch in domoticz, setting it to lightwaverf, give it a unique id, put the relay in pairing mode and then press the. Instead of wiring the lighting source to the dimmer, wire the lighting source directly into one of our relays and then follow the standard. Lightwave Rf Relay Not Working.
From support.lightwaverf.com
Smart Sockets and Relays Lightwave Lightwave Rf Relay Not Working When utilising the switch sense input with devices such as smoke detectors, heat sensors, wired motion sensors, and legacy control. Can you use a lightwaverf switch instead of a relay? If you want to control doors, gates, blinds, or other things you might want to open, you’ll need to make sure that you have a relay. I create a new. Lightwave Rf Relay Not Working.
From forum.arduino.cc
SOLVED ESP32 with 16 channel relay not working General Electronics Lightwave Rf Relay Not Working Thats not how it works, its just a dry switch contact, you need to confirm the contact is suitable for 240v and the load of the pump, then. If you want to control doors, gates, blinds, or other things you might want to open, you’ll need to make sure that you have a relay. Instead of wiring the lighting source. Lightwave Rf Relay Not Working.
From forum.arduino.cc
Relay not working right when powering pump Project Guidance Arduino Lightwave Rf Relay Not Working If you want to control doors, gates, blinds, or other things you might want to open, you’ll need to make sure that you have a relay. When utilising the switch sense input with devices such as smoke detectors, heat sensors, wired motion sensors, and legacy control. Also be aware you need the hub thingy to make them work via phone. Lightwave Rf Relay Not Working.
From www.youtube.com
Lightwave RF YouTube Lightwave Rf Relay Not Working Also be aware you need the hub thingy to make them work via phone or alexa. If you want to control doors, gates, blinds, or other things you might want to open, you’ll need to make sure that you have a relay. Thats not how it works, its just a dry switch contact, you need to confirm the contact is. Lightwave Rf Relay Not Working.
From www.edwardes.co.uk
Lightwave RF Smart Home Automation Edwardes Lightwave Rf Relay Not Working If you want to control doors, gates, blinds, or other things you might want to open, you’ll need to make sure that you have a relay. When utilising the switch sense input with devices such as smoke detectors, heat sensors, wired motion sensors, and legacy control. Thats not how it works, its just a dry switch contact, you need to. Lightwave Rf Relay Not Working.
From manualspro.net
Lightwave LP83 Gang Smart Relay User Manual Lightwave Rf Relay Not Working Can you use a lightwaverf switch instead of a relay? When utilising the switch sense input with devices such as smoke detectors, heat sensors, wired motion sensors, and legacy control. Also be aware you need the hub thingy to make them work via phone or alexa. Thats not how it works, its just a dry switch contact, you need to. Lightwave Rf Relay Not Working.
From forum.arduino.cc
Relay not working right when powering pump Page 4 Project Guidance Lightwave Rf Relay Not Working Instead of wiring the lighting source to the dimmer, wire the lighting source directly into one of our relays and then follow the standard steps. I create a new switch in domoticz, setting it to lightwaverf, give it a unique id, put the relay in pairing mode and then press the. Thats not how it works, its just a dry. Lightwave Rf Relay Not Working.
From forum.arduino.cc
Relay not working right when powering pump Page 3 Project Guidance Lightwave Rf Relay Not Working Also be aware you need the hub thingy to make them work via phone or alexa. Thats not how it works, its just a dry switch contact, you need to confirm the contact is suitable for 240v and the load of the pump, then. Instead of wiring the lighting source to the dimmer, wire the lighting source directly into one. Lightwave Rf Relay Not Working.
From www.socketsandswitches.com
Installing Lightwave Hub, Dimmers, Sockets and Relays Sockets Lightwave Rf Relay Not Working When utilising the switch sense input with devices such as smoke detectors, heat sensors, wired motion sensors, and legacy control. Instead of wiring the lighting source to the dimmer, wire the lighting source directly into one of our relays and then follow the standard steps. Also be aware you need the hub thingy to make them work via phone or. Lightwave Rf Relay Not Working.
From www.pricehistory.co.uk
Lightwave RF 3 Way Inline Relay White (8030412) Argos Price Tracker Lightwave Rf Relay Not Working If you want to control doors, gates, blinds, or other things you might want to open, you’ll need to make sure that you have a relay. Instead of wiring the lighting source to the dimmer, wire the lighting source directly into one of our relays and then follow the standard steps. Also be aware you need the hub thingy to. Lightwave Rf Relay Not Working.