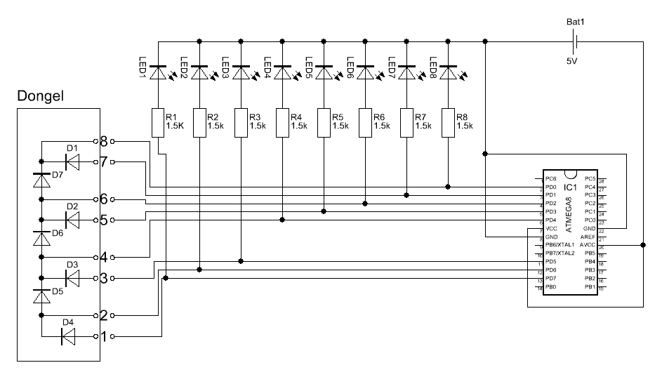
Lan Tester Circuit Diagram . The circuit of the rj45 tester circuit is shown in figure 2 and is built around the most popular timer ic ne555 and a decade counter ic cd4017b. If more than one light. Circuit description and working of rj45 cable tester circuit. With the right equipment, you can. The ability to properly test an ethernet cable and its circuit diagram is essential for making sure that your network runs smoothly. In this project, i am going to make a lan cable tester with just a few basic electronics components. When testing a conductor, one of 8 leds will light. Using a lan cable tester circuit diagram is simple. The diagrams are designed to be as intuitive as possible, allowing you to. Network cable testers play a crucial role in this process, serving as indispensable tools for technicians and it professionals. The entire project, excluding the battery cost me just a bit over $3. Rj45 cable tester specifications for network cable (rj45) and telephone (rj11) tests. In this blog post, we'll delve into the inner workings of these. If one doesn’t light, the cable is open. Described here is a simple rj45 cable tester circuit which can be used for testing the rj45 network cables.
from www.pinterest.com
If more than one light. Network cable testers play a crucial role in this process, serving as indispensable tools for technicians and it professionals. Circuit description and working of rj45 cable tester circuit. With the right equipment, you can. If one doesn’t light, the cable is open. In this project, i am going to make a lan cable tester with just a few basic electronics components. The entire project, excluding the battery cost me just a bit over $3. The ability to properly test an ethernet cable and its circuit diagram is essential for making sure that your network runs smoothly. When testing a conductor, one of 8 leds will light. Using a lan cable tester circuit diagram is simple.
(600×563) cable, Diagram, wiring
Lan Tester Circuit Diagram When testing a conductor, one of 8 leds will light. Network cable testers play a crucial role in this process, serving as indispensable tools for technicians and it professionals. With the right equipment, you can. Circuit description and working of rj45 cable tester circuit. The circuit of the rj45 tester circuit is shown in figure 2 and is built around the most popular timer ic ne555 and a decade counter ic cd4017b. In this blog post, we'll delve into the inner workings of these. The ability to properly test an ethernet cable and its circuit diagram is essential for making sure that your network runs smoothly. If more than one light. If one doesn’t light, the cable is open. Described here is a simple rj45 cable tester circuit which can be used for testing the rj45 network cables. In this project, i am going to make a lan cable tester with just a few basic electronics components. The entire project, excluding the battery cost me just a bit over $3. The diagrams are designed to be as intuitive as possible, allowing you to. When testing a conductor, one of 8 leds will light. Using a lan cable tester circuit diagram is simple. Rj45 cable tester specifications for network cable (rj45) and telephone (rj11) tests.
From manualdbstarkers.z21.web.core.windows.net
How To Check Circuit Continuity Lan Tester Circuit Diagram In this blog post, we'll delve into the inner workings of these. Described here is a simple rj45 cable tester circuit which can be used for testing the rj45 network cables. The circuit of the rj45 tester circuit is shown in figure 2 and is built around the most popular timer ic ne555 and a decade counter ic cd4017b. When. Lan Tester Circuit Diagram.
From syarif-projects.blogspot.com
RANGKAIAN TESTER KABEL UTP/ LAN/ RJ45 Syarif Projects Lan Tester Circuit Diagram Circuit description and working of rj45 cable tester circuit. The circuit of the rj45 tester circuit is shown in figure 2 and is built around the most popular timer ic ne555 and a decade counter ic cd4017b. Using a lan cable tester circuit diagram is simple. The diagrams are designed to be as intuitive as possible, allowing you to. If. Lan Tester Circuit Diagram.
From maker.pro
DIY LAN CABLE TESTER Arduino Maker Pro Lan Tester Circuit Diagram If one doesn’t light, the cable is open. The entire project, excluding the battery cost me just a bit over $3. Network cable testers play a crucial role in this process, serving as indispensable tools for technicians and it professionals. If more than one light. When testing a conductor, one of 8 leds will light. Rj45 cable tester specifications for. Lan Tester Circuit Diagram.
From www.cable-tester.com
DIY Cable Tester Collection Schematic Design Lan Tester Circuit Diagram The circuit of the rj45 tester circuit is shown in figure 2 and is built around the most popular timer ic ne555 and a decade counter ic cd4017b. The entire project, excluding the battery cost me just a bit over $3. The ability to properly test an ethernet cable and its circuit diagram is essential for making sure that your. Lan Tester Circuit Diagram.
From www.brighthubengineering.com
How to Make Interesting IC 4060 Circuits Lan Tester Circuit Diagram Network cable testers play a crucial role in this process, serving as indispensable tools for technicians and it professionals. When testing a conductor, one of 8 leds will light. The diagrams are designed to be as intuitive as possible, allowing you to. Circuit description and working of rj45 cable tester circuit. Using a lan cable tester circuit diagram is simple.. Lan Tester Circuit Diagram.
From expertcircuits.blogspot.com
RJ45 Cable Tester Expert Circuits Lan Tester Circuit Diagram The diagrams are designed to be as intuitive as possible, allowing you to. Circuit description and working of rj45 cable tester circuit. The entire project, excluding the battery cost me just a bit over $3. Using a lan cable tester circuit diagram is simple. If one doesn’t light, the cable is open. With the right equipment, you can. Rj45 cable. Lan Tester Circuit Diagram.
From kapidani.com
Network Lan Cable Tester Test Rj45 Rj11 CMIMI 800 LEKE Kapidani Lan Tester Circuit Diagram Network cable testers play a crucial role in this process, serving as indispensable tools for technicians and it professionals. If more than one light. The diagrams are designed to be as intuitive as possible, allowing you to. With the right equipment, you can. In this project, i am going to make a lan cable tester with just a few basic. Lan Tester Circuit Diagram.
From www.smartguds.com
Network Cable Tester Lan Tester Circuit Diagram Network cable testers play a crucial role in this process, serving as indispensable tools for technicians and it professionals. With the right equipment, you can. When testing a conductor, one of 8 leds will light. Using a lan cable tester circuit diagram is simple. If one doesn’t light, the cable is open. The entire project, excluding the battery cost me. Lan Tester Circuit Diagram.
From www.cable-tester.com
DIY Cable Tester Collection Schematic Design Lan Tester Circuit Diagram Rj45 cable tester specifications for network cable (rj45) and telephone (rj11) tests. When testing a conductor, one of 8 leds will light. In this blog post, we'll delve into the inner workings of these. If more than one light. Network cable testers play a crucial role in this process, serving as indispensable tools for technicians and it professionals. In this. Lan Tester Circuit Diagram.
From forum.cxem.net
Lantester Школьникам и студентам Форум по радиоэлектронике Lan Tester Circuit Diagram In this blog post, we'll delve into the inner workings of these. When testing a conductor, one of 8 leds will light. If one doesn’t light, the cable is open. In this project, i am going to make a lan cable tester with just a few basic electronics components. If more than one light. Using a lan cable tester circuit. Lan Tester Circuit Diagram.
From wiredataulrike77.z19.web.core.windows.net
Lan Cable Tester Circuit Diagram Lan Tester Circuit Diagram Circuit description and working of rj45 cable tester circuit. Network cable testers play a crucial role in this process, serving as indispensable tools for technicians and it professionals. Using a lan cable tester circuit diagram is simple. The diagrams are designed to be as intuitive as possible, allowing you to. If one doesn’t light, the cable is open. Rj45 cable. Lan Tester Circuit Diagram.
From bestengineeringprojects.com
RJ45 Cable Tester Circuit Engineering Projects Lan Tester Circuit Diagram The circuit of the rj45 tester circuit is shown in figure 2 and is built around the most popular timer ic ne555 and a decade counter ic cd4017b. With the right equipment, you can. If more than one light. Circuit description and working of rj45 cable tester circuit. The ability to properly test an ethernet cable and its circuit diagram. Lan Tester Circuit Diagram.
From www.researchgate.net
Block diagram of an AMIGA station electronics. The switch Lan Tester Circuit Diagram The circuit of the rj45 tester circuit is shown in figure 2 and is built around the most popular timer ic ne555 and a decade counter ic cd4017b. With the right equipment, you can. Circuit description and working of rj45 cable tester circuit. Network cable testers play a crucial role in this process, serving as indispensable tools for technicians and. Lan Tester Circuit Diagram.
From www.pinterest.com
(600×563) cable, Diagram, wiring Lan Tester Circuit Diagram The entire project, excluding the battery cost me just a bit over $3. Described here is a simple rj45 cable tester circuit which can be used for testing the rj45 network cables. In this blog post, we'll delve into the inner workings of these. Using a lan cable tester circuit diagram is simple. Rj45 cable tester specifications for network cable. Lan Tester Circuit Diagram.
From www.pcbway.com
LAN тестер на Ардуино Share Project PCBWay Lan Tester Circuit Diagram Rj45 cable tester specifications for network cable (rj45) and telephone (rj11) tests. With the right equipment, you can. In this blog post, we'll delve into the inner workings of these. The circuit of the rj45 tester circuit is shown in figure 2 and is built around the most popular timer ic ne555 and a decade counter ic cd4017b. The diagrams. Lan Tester Circuit Diagram.
From manuallibroberto.z1.web.core.windows.net
Circuit Diagram For Cable Tester Lan Tester Circuit Diagram Rj45 cable tester specifications for network cable (rj45) and telephone (rj11) tests. The entire project, excluding the battery cost me just a bit over $3. In this project, i am going to make a lan cable tester with just a few basic electronics components. If more than one light. Using a lan cable tester circuit diagram is simple. Circuit description. Lan Tester Circuit Diagram.
From www.scribd.com
What is a LAN Tester Local Area Network Computer Network Lan Tester Circuit Diagram The diagrams are designed to be as intuitive as possible, allowing you to. Using a lan cable tester circuit diagram is simple. Circuit description and working of rj45 cable tester circuit. With the right equipment, you can. If one doesn’t light, the cable is open. In this blog post, we'll delve into the inner workings of these. Rj45 cable tester. Lan Tester Circuit Diagram.
From lasonrizadelbien.blogspot.com
Alocate LAN TESTER Lan Tester Circuit Diagram Circuit description and working of rj45 cable tester circuit. The circuit of the rj45 tester circuit is shown in figure 2 and is built around the most popular timer ic ne555 and a decade counter ic cd4017b. In this project, i am going to make a lan cable tester with just a few basic electronics components. The ability to properly. Lan Tester Circuit Diagram.
From www.antimath.info
Network cable tester AntiMath Lan Tester Circuit Diagram In this project, i am going to make a lan cable tester with just a few basic electronics components. The diagrams are designed to be as intuitive as possible, allowing you to. Network cable testers play a crucial role in this process, serving as indispensable tools for technicians and it professionals. The entire project, excluding the battery cost me just. Lan Tester Circuit Diagram.
From www.electroschematics.com
Network Cable Tester Circuit Lan Tester Circuit Diagram In this project, i am going to make a lan cable tester with just a few basic electronics components. In this blog post, we'll delve into the inner workings of these. The entire project, excluding the battery cost me just a bit over $3. The diagrams are designed to be as intuitive as possible, allowing you to. Rj45 cable tester. Lan Tester Circuit Diagram.
From pencho.my.contact.bg
Multi Wire Cable Tester Lan Tester Circuit Diagram Described here is a simple rj45 cable tester circuit which can be used for testing the rj45 network cables. In this blog post, we'll delve into the inner workings of these. Rj45 cable tester specifications for network cable (rj45) and telephone (rj11) tests. When testing a conductor, one of 8 leds will light. Circuit description and working of rj45 cable. Lan Tester Circuit Diagram.
From www.pinterest.co.kr
Simple Cable Tester Circuit Diagram. Lan Tester Circuit Diagram The entire project, excluding the battery cost me just a bit over $3. In this project, i am going to make a lan cable tester with just a few basic electronics components. The ability to properly test an ethernet cable and its circuit diagram is essential for making sure that your network runs smoothly. Circuit description and working of rj45. Lan Tester Circuit Diagram.
From zonaelektronika.blogspot.com
LAN Tester circuit diagram ZONA ELEKTRONIKA Lan Tester Circuit Diagram The entire project, excluding the battery cost me just a bit over $3. The ability to properly test an ethernet cable and its circuit diagram is essential for making sure that your network runs smoothly. If more than one light. If one doesn’t light, the cable is open. The diagrams are designed to be as intuitive as possible, allowing you. Lan Tester Circuit Diagram.
From www.electronicsforu.com
RJ45 Cable Tester Detailed Circuit Diagram Available Lan Tester Circuit Diagram With the right equipment, you can. Network cable testers play a crucial role in this process, serving as indispensable tools for technicians and it professionals. The circuit of the rj45 tester circuit is shown in figure 2 and is built around the most popular timer ic ne555 and a decade counter ic cd4017b. The ability to properly test an ethernet. Lan Tester Circuit Diagram.
From www.electricaltechnology.org
Cable and Wire Tester Circuit Diagram Multi Electronic Tester Lan Tester Circuit Diagram Network cable testers play a crucial role in this process, serving as indispensable tools for technicians and it professionals. The ability to properly test an ethernet cable and its circuit diagram is essential for making sure that your network runs smoothly. If more than one light. If one doesn’t light, the cable is open. Described here is a simple rj45. Lan Tester Circuit Diagram.
From www.nexxtsolutions.com
Nexxt Basic LAN tester Nexxt Solutions Lan Tester Circuit Diagram Using a lan cable tester circuit diagram is simple. If one doesn’t light, the cable is open. Rj45 cable tester specifications for network cable (rj45) and telephone (rj11) tests. When testing a conductor, one of 8 leds will light. With the right equipment, you can. The circuit of the rj45 tester circuit is shown in figure 2 and is built. Lan Tester Circuit Diagram.
From www.frankshospitalworkshop.com
Frank's LAN Cable Tester Lan Tester Circuit Diagram In this blog post, we'll delve into the inner workings of these. In this project, i am going to make a lan cable tester with just a few basic electronics components. Described here is a simple rj45 cable tester circuit which can be used for testing the rj45 network cables. The circuit of the rj45 tester circuit is shown in. Lan Tester Circuit Diagram.
From oshwlab.com
LAN Cable Tester OSHWLab Lan Tester Circuit Diagram When testing a conductor, one of 8 leds will light. The circuit of the rj45 tester circuit is shown in figure 2 and is built around the most popular timer ic ne555 and a decade counter ic cd4017b. Circuit description and working of rj45 cable tester circuit. Described here is a simple rj45 cable tester circuit which can be used. Lan Tester Circuit Diagram.
From manuallibkruger.z13.web.core.windows.net
Lan Circuit Diagram Lan Tester Circuit Diagram In this project, i am going to make a lan cable tester with just a few basic electronics components. The diagrams are designed to be as intuitive as possible, allowing you to. Network cable testers play a crucial role in this process, serving as indispensable tools for technicians and it professionals. Rj45 cable tester specifications for network cable (rj45) and. Lan Tester Circuit Diagram.
From maker.pro
DIY LAN CABLE TESTER Arduino Maker Pro Lan Tester Circuit Diagram If more than one light. When testing a conductor, one of 8 leds will light. In this project, i am going to make a lan cable tester with just a few basic electronics components. In this blog post, we'll delve into the inner workings of these. The entire project, excluding the battery cost me just a bit over $3. The. Lan Tester Circuit Diagram.
From www.cable-tester.com
DIY Cable Tester Collection Schematic Design Cable Tester Lan Tester Circuit Diagram Using a lan cable tester circuit diagram is simple. Circuit description and working of rj45 cable tester circuit. If more than one light. In this project, i am going to make a lan cable tester with just a few basic electronics components. The diagrams are designed to be as intuitive as possible, allowing you to. Rj45 cable tester specifications for. Lan Tester Circuit Diagram.
From electronicscheme.net
LAN Tester Electronic Schematic Diagram Lan Tester Circuit Diagram If more than one light. If one doesn’t light, the cable is open. In this blog post, we'll delve into the inner workings of these. Rj45 cable tester specifications for network cable (rj45) and telephone (rj11) tests. The diagrams are designed to be as intuitive as possible, allowing you to. In this project, i am going to make a lan. Lan Tester Circuit Diagram.
From www.mikrocontroller.net
LanTester selber bauen Lan Tester Circuit Diagram Described here is a simple rj45 cable tester circuit which can be used for testing the rj45 network cables. Network cable testers play a crucial role in this process, serving as indispensable tools for technicians and it professionals. In this project, i am going to make a lan cable tester with just a few basic electronics components. In this blog. Lan Tester Circuit Diagram.
From sodagarkomputer.com
LAN TESTER Sodagar Komputer Lan Tester Circuit Diagram Network cable testers play a crucial role in this process, serving as indispensable tools for technicians and it professionals. In this blog post, we'll delve into the inner workings of these. The diagrams are designed to be as intuitive as possible, allowing you to. Using a lan cable tester circuit diagram is simple. With the right equipment, you can. In. Lan Tester Circuit Diagram.
From wiringengineabt.z19.web.core.windows.net
Wireless Tester Circuit Diagram Lan Tester Circuit Diagram Network cable testers play a crucial role in this process, serving as indispensable tools for technicians and it professionals. The circuit of the rj45 tester circuit is shown in figure 2 and is built around the most popular timer ic ne555 and a decade counter ic cd4017b. Circuit description and working of rj45 cable tester circuit. In this project, i. Lan Tester Circuit Diagram.