B2278 Malfunction Of Steering Shaft Torque Sensor . Today we have a 2008 ford escape with a complete loss of electric power steering. Some vehicles may have dtc b2278 (steering shaft torque sensor malfunction) stored in the power. 3.5k views 1 year ago. The causes shown may not be a complete list of all potential problems, and it is possible. 91k views 1 year ago. b2278 ford steering shaft torque sensor malfunction; Read the article to know possible causes,. B2278 lexus engine switch circuit malfunction; code b2278 stands for steering shaft torque sensor malfunction.
from industrialnews.co.uk
3.5k views 1 year ago. B2278 lexus engine switch circuit malfunction; The causes shown may not be a complete list of all potential problems, and it is possible. Read the article to know possible causes,. Some vehicles may have dtc b2278 (steering shaft torque sensor malfunction) stored in the power. code b2278 stands for steering shaft torque sensor malfunction. b2278 ford steering shaft torque sensor malfunction; 91k views 1 year ago. Today we have a 2008 ford escape with a complete loss of electric power steering.
Power transmission torque measurement NCTE’s inline shaft mounted
B2278 Malfunction Of Steering Shaft Torque Sensor 91k views 1 year ago. code b2278 stands for steering shaft torque sensor malfunction. The causes shown may not be a complete list of all potential problems, and it is possible. 3.5k views 1 year ago. B2278 lexus engine switch circuit malfunction; Read the article to know possible causes,. Today we have a 2008 ford escape with a complete loss of electric power steering. b2278 ford steering shaft torque sensor malfunction; Some vehicles may have dtc b2278 (steering shaft torque sensor malfunction) stored in the power. 91k views 1 year ago.
From luft-meister.com
Steering Shaft Torque Sensor Alignment Tool fit for 20042010 Pontiac B2278 Malfunction Of Steering Shaft Torque Sensor The causes shown may not be a complete list of all potential problems, and it is possible. code b2278 stands for steering shaft torque sensor malfunction. 3.5k views 1 year ago. Some vehicles may have dtc b2278 (steering shaft torque sensor malfunction) stored in the power. 91k views 1 year ago. Today we have a 2008 ford escape with. B2278 Malfunction Of Steering Shaft Torque Sensor.
From luft-meister.com
Steering Shaft Torque Sensor Alignment Tool fit for 20042010 Pontiac B2278 Malfunction Of Steering Shaft Torque Sensor code b2278 stands for steering shaft torque sensor malfunction. Read the article to know possible causes,. 3.5k views 1 year ago. 91k views 1 year ago. Some vehicles may have dtc b2278 (steering shaft torque sensor malfunction) stored in the power. Today we have a 2008 ford escape with a complete loss of electric power steering. b2278 ford. B2278 Malfunction Of Steering Shaft Torque Sensor.
From foxed.ca
DTC B2278 B2278 Malfunction Of Steering Shaft Torque Sensor The causes shown may not be a complete list of all potential problems, and it is possible. B2278 lexus engine switch circuit malfunction; 91k views 1 year ago. Today we have a 2008 ford escape with a complete loss of electric power steering. Read the article to know possible causes,. b2278 ford steering shaft torque sensor malfunction; Some vehicles. B2278 Malfunction Of Steering Shaft Torque Sensor.
From mavink.com
Steering Shaft Torque Sensor B2278 Malfunction Of Steering Shaft Torque Sensor Some vehicles may have dtc b2278 (steering shaft torque sensor malfunction) stored in the power. Read the article to know possible causes,. 3.5k views 1 year ago. b2278 ford steering shaft torque sensor malfunction; 91k views 1 year ago. The causes shown may not be a complete list of all potential problems, and it is possible. code b2278. B2278 Malfunction Of Steering Shaft Torque Sensor.
From www.youtube.com
Simplest RX8 Power Steering Fix (Code B2278) YouTube B2278 Malfunction Of Steering Shaft Torque Sensor B2278 lexus engine switch circuit malfunction; 91k views 1 year ago. 3.5k views 1 year ago. Some vehicles may have dtc b2278 (steering shaft torque sensor malfunction) stored in the power. b2278 ford steering shaft torque sensor malfunction; code b2278 stands for steering shaft torque sensor malfunction. Today we have a 2008 ford escape with a complete loss. B2278 Malfunction Of Steering Shaft Torque Sensor.
From www.sensortransducer.com
Shaft type dynamic torque sensor 0100Nm for motor rotating torque B2278 Malfunction Of Steering Shaft Torque Sensor Some vehicles may have dtc b2278 (steering shaft torque sensor malfunction) stored in the power. b2278 ford steering shaft torque sensor malfunction; code b2278 stands for steering shaft torque sensor malfunction. Today we have a 2008 ford escape with a complete loss of electric power steering. 3.5k views 1 year ago. The causes shown may not be a. B2278 Malfunction Of Steering Shaft Torque Sensor.
From mavink.com
Steering Torque Sensor B2278 Malfunction Of Steering Shaft Torque Sensor Read the article to know possible causes,. B2278 lexus engine switch circuit malfunction; Some vehicles may have dtc b2278 (steering shaft torque sensor malfunction) stored in the power. 91k views 1 year ago. 3.5k views 1 year ago. Today we have a 2008 ford escape with a complete loss of electric power steering. The causes shown may not be a. B2278 Malfunction Of Steering Shaft Torque Sensor.
From mavink.com
Steering Shaft Torque Sensor B2278 Malfunction Of Steering Shaft Torque Sensor Some vehicles may have dtc b2278 (steering shaft torque sensor malfunction) stored in the power. The causes shown may not be a complete list of all potential problems, and it is possible. code b2278 stands for steering shaft torque sensor malfunction. 91k views 1 year ago. b2278 ford steering shaft torque sensor malfunction; 3.5k views 1 year ago.. B2278 Malfunction Of Steering Shaft Torque Sensor.
From luft-meister.com
Steering Shaft Torque Sensor Alignment Tool fit for 20042010 Pontiac B2278 Malfunction Of Steering Shaft Torque Sensor Read the article to know possible causes,. Today we have a 2008 ford escape with a complete loss of electric power steering. B2278 lexus engine switch circuit malfunction; Some vehicles may have dtc b2278 (steering shaft torque sensor malfunction) stored in the power. 91k views 1 year ago. b2278 ford steering shaft torque sensor malfunction; The causes shown may. B2278 Malfunction Of Steering Shaft Torque Sensor.
From workshopflores55.z19.web.core.windows.net
2012 Chevy Malibu Steering Torque Sensor B2278 Malfunction Of Steering Shaft Torque Sensor b2278 ford steering shaft torque sensor malfunction; The causes shown may not be a complete list of all potential problems, and it is possible. 3.5k views 1 year ago. Read the article to know possible causes,. Today we have a 2008 ford escape with a complete loss of electric power steering. 91k views 1 year ago. B2278 lexus engine. B2278 Malfunction Of Steering Shaft Torque Sensor.
From www.automotive-manuals.com
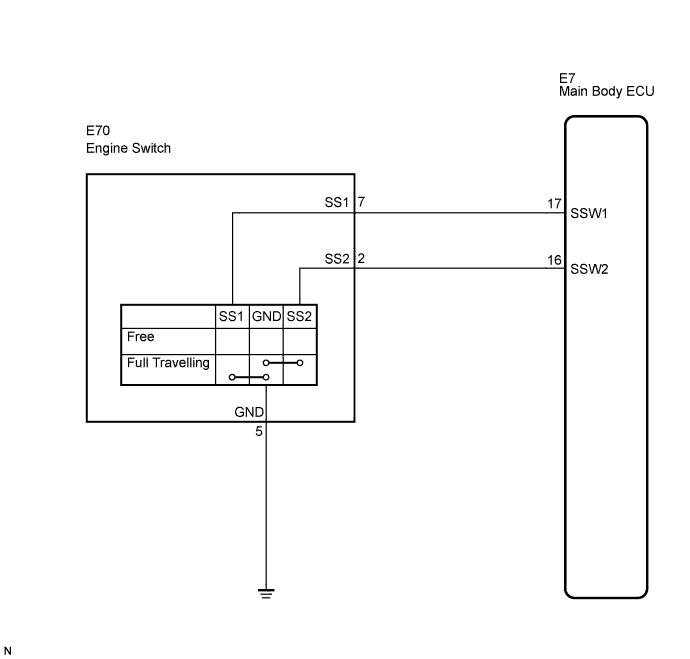
DTC B2278 Engine Switch Circuit Malfunction 2006, 2007, 2008, 2009 B2278 Malfunction Of Steering Shaft Torque Sensor 3.5k views 1 year ago. B2278 lexus engine switch circuit malfunction; Today we have a 2008 ford escape with a complete loss of electric power steering. b2278 ford steering shaft torque sensor malfunction; 91k views 1 year ago. Read the article to know possible causes,. Some vehicles may have dtc b2278 (steering shaft torque sensor malfunction) stored in the. B2278 Malfunction Of Steering Shaft Torque Sensor.
From www.walmart.com
ACDelco GM Genuine Parts Steering Shaft Torque Sensor 23232310 B2278 Malfunction Of Steering Shaft Torque Sensor Some vehicles may have dtc b2278 (steering shaft torque sensor malfunction) stored in the power. b2278 ford steering shaft torque sensor malfunction; code b2278 stands for steering shaft torque sensor malfunction. Read the article to know possible causes,. The causes shown may not be a complete list of all potential problems, and it is possible. 3.5k views 1. B2278 Malfunction Of Steering Shaft Torque Sensor.
From luft-meister.com
Steering Shaft Torque Sensor Alignment Tool fit for 20042010 Pontiac B2278 Malfunction Of Steering Shaft Torque Sensor Some vehicles may have dtc b2278 (steering shaft torque sensor malfunction) stored in the power. B2278 lexus engine switch circuit malfunction; Read the article to know possible causes,. b2278 ford steering shaft torque sensor malfunction; 91k views 1 year ago. code b2278 stands for steering shaft torque sensor malfunction. The causes shown may not be a complete list. B2278 Malfunction Of Steering Shaft Torque Sensor.
From automotivetechinfo.com
Understanding Toyota Electronic Power Steering (EPS) Automotive Tech Info B2278 Malfunction Of Steering Shaft Torque Sensor Today we have a 2008 ford escape with a complete loss of electric power steering. The causes shown may not be a complete list of all potential problems, and it is possible. code b2278 stands for steering shaft torque sensor malfunction. Read the article to know possible causes,. b2278 ford steering shaft torque sensor malfunction; B2278 lexus engine. B2278 Malfunction Of Steering Shaft Torque Sensor.
From ricksfreeautorepairadvice.com
Steering angle sensor calibration — Ricks Free Auto Repair Advice Ricks B2278 Malfunction Of Steering Shaft Torque Sensor Today we have a 2008 ford escape with a complete loss of electric power steering. 91k views 1 year ago. 3.5k views 1 year ago. The causes shown may not be a complete list of all potential problems, and it is possible. Some vehicles may have dtc b2278 (steering shaft torque sensor malfunction) stored in the power. Read the article. B2278 Malfunction Of Steering Shaft Torque Sensor.
From powersteeringseals.com
Chevrolet Malibu 20062012 Power Steering Torque Sensor B2278 Malfunction Of Steering Shaft Torque Sensor 3.5k views 1 year ago. Some vehicles may have dtc b2278 (steering shaft torque sensor malfunction) stored in the power. 91k views 1 year ago. The causes shown may not be a complete list of all potential problems, and it is possible. code b2278 stands for steering shaft torque sensor malfunction. b2278 ford steering shaft torque sensor malfunction;. B2278 Malfunction Of Steering Shaft Torque Sensor.
From reinhoch.eu
Typical malfunctions of a steering system REINHOCH B2278 Malfunction Of Steering Shaft Torque Sensor Today we have a 2008 ford escape with a complete loss of electric power steering. 3.5k views 1 year ago. B2278 lexus engine switch circuit malfunction; Read the article to know possible causes,. code b2278 stands for steering shaft torque sensor malfunction. 91k views 1 year ago. b2278 ford steering shaft torque sensor malfunction; The causes shown may. B2278 Malfunction Of Steering Shaft Torque Sensor.
From allcarsolution.com
00573 Steering Torque Sensor ( G269 ) No Signal ALLCARSOLUTION B2278 Malfunction Of Steering Shaft Torque Sensor Some vehicles may have dtc b2278 (steering shaft torque sensor malfunction) stored in the power. b2278 ford steering shaft torque sensor malfunction; 3.5k views 1 year ago. 91k views 1 year ago. B2278 lexus engine switch circuit malfunction; The causes shown may not be a complete list of all potential problems, and it is possible. code b2278 stands. B2278 Malfunction Of Steering Shaft Torque Sensor.
From luft-meister.com
Steering Shaft Torque Sensor Alignment Tool fit for 20042010 Pontiac B2278 Malfunction Of Steering Shaft Torque Sensor Some vehicles may have dtc b2278 (steering shaft torque sensor malfunction) stored in the power. Read the article to know possible causes,. Today we have a 2008 ford escape with a complete loss of electric power steering. b2278 ford steering shaft torque sensor malfunction; code b2278 stands for steering shaft torque sensor malfunction. The causes shown may not. B2278 Malfunction Of Steering Shaft Torque Sensor.
From www.pepboys.com
Dorman OE Solutions Steering/Torque Sensor 1089237 Pep Boys B2278 Malfunction Of Steering Shaft Torque Sensor The causes shown may not be a complete list of all potential problems, and it is possible. Some vehicles may have dtc b2278 (steering shaft torque sensor malfunction) stored in the power. Read the article to know possible causes,. code b2278 stands for steering shaft torque sensor malfunction. 91k views 1 year ago. b2278 ford steering shaft torque. B2278 Malfunction Of Steering Shaft Torque Sensor.
From www.semanticscholar.org
Figure 21 from Development of a Contactless Hall Effect Torque Sensor B2278 Malfunction Of Steering Shaft Torque Sensor 91k views 1 year ago. code b2278 stands for steering shaft torque sensor malfunction. The causes shown may not be a complete list of all potential problems, and it is possible. 3.5k views 1 year ago. b2278 ford steering shaft torque sensor malfunction; B2278 lexus engine switch circuit malfunction; Read the article to know possible causes,. Today we. B2278 Malfunction Of Steering Shaft Torque Sensor.
From industrialnews.co.uk
Power transmission torque measurement NCTE’s inline shaft mounted B2278 Malfunction Of Steering Shaft Torque Sensor code b2278 stands for steering shaft torque sensor malfunction. 3.5k views 1 year ago. Today we have a 2008 ford escape with a complete loss of electric power steering. Read the article to know possible causes,. B2278 lexus engine switch circuit malfunction; The causes shown may not be a complete list of all potential problems, and it is possible.. B2278 Malfunction Of Steering Shaft Torque Sensor.
From f10.5post.com
[FIXED] Power steering failure after going through deep water B2278 Malfunction Of Steering Shaft Torque Sensor Some vehicles may have dtc b2278 (steering shaft torque sensor malfunction) stored in the power. code b2278 stands for steering shaft torque sensor malfunction. Read the article to know possible causes,. 3.5k views 1 year ago. 91k views 1 year ago. b2278 ford steering shaft torque sensor malfunction; The causes shown may not be a complete list of. B2278 Malfunction Of Steering Shaft Torque Sensor.
From www.aliexpress.com
1315 Steering Wheel Torque Sensor Steering Angle Sensor Harness B2278 Malfunction Of Steering Shaft Torque Sensor Today we have a 2008 ford escape with a complete loss of electric power steering. 3.5k views 1 year ago. B2278 lexus engine switch circuit malfunction; Some vehicles may have dtc b2278 (steering shaft torque sensor malfunction) stored in the power. code b2278 stands for steering shaft torque sensor malfunction. The causes shown may not be a complete list. B2278 Malfunction Of Steering Shaft Torque Sensor.
From www.youtube.com
B2278 Power Steering Fault Ford Escape YouTube B2278 Malfunction Of Steering Shaft Torque Sensor Read the article to know possible causes,. B2278 lexus engine switch circuit malfunction; 3.5k views 1 year ago. 91k views 1 year ago. Today we have a 2008 ford escape with a complete loss of electric power steering. b2278 ford steering shaft torque sensor malfunction; The causes shown may not be a complete list of all potential problems, and. B2278 Malfunction Of Steering Shaft Torque Sensor.
From luft-meister.com
Steering Shaft Torque Sensor Alignment Tool fit for 20042010 Pontiac B2278 Malfunction Of Steering Shaft Torque Sensor Today we have a 2008 ford escape with a complete loss of electric power steering. The causes shown may not be a complete list of all potential problems, and it is possible. Some vehicles may have dtc b2278 (steering shaft torque sensor malfunction) stored in the power. Read the article to know possible causes,. B2278 lexus engine switch circuit malfunction;. B2278 Malfunction Of Steering Shaft Torque Sensor.
From binsfeld.com
Automotive Drive Shaft Torque Sensors Binsfeld Engineering B2278 Malfunction Of Steering Shaft Torque Sensor 3.5k views 1 year ago. 91k views 1 year ago. B2278 lexus engine switch circuit malfunction; Today we have a 2008 ford escape with a complete loss of electric power steering. The causes shown may not be a complete list of all potential problems, and it is possible. Some vehicles may have dtc b2278 (steering shaft torque sensor malfunction) stored. B2278 Malfunction Of Steering Shaft Torque Sensor.
From www.z4-forum.com
Steering Column Fix Torque Sensor (save £2000) B2278 Malfunction Of Steering Shaft Torque Sensor Some vehicles may have dtc b2278 (steering shaft torque sensor malfunction) stored in the power. code b2278 stands for steering shaft torque sensor malfunction. 91k views 1 year ago. 3.5k views 1 year ago. Read the article to know possible causes,. Today we have a 2008 ford escape with a complete loss of electric power steering. b2278 ford. B2278 Malfunction Of Steering Shaft Torque Sensor.
From www.forsensor.com
Shaft to shaft rotating torque speed sensor for motor torque measurement B2278 Malfunction Of Steering Shaft Torque Sensor Read the article to know possible causes,. The causes shown may not be a complete list of all potential problems, and it is possible. Some vehicles may have dtc b2278 (steering shaft torque sensor malfunction) stored in the power. code b2278 stands for steering shaft torque sensor malfunction. Today we have a 2008 ford escape with a complete loss. B2278 Malfunction Of Steering Shaft Torque Sensor.
From www.amazon.com
23232310 Power Steering Torque Sensor Compatible with GM B2278 Malfunction Of Steering Shaft Torque Sensor The causes shown may not be a complete list of all potential problems, and it is possible. Some vehicles may have dtc b2278 (steering shaft torque sensor malfunction) stored in the power. 91k views 1 year ago. b2278 ford steering shaft torque sensor malfunction; Today we have a 2008 ford escape with a complete loss of electric power steering.. B2278 Malfunction Of Steering Shaft Torque Sensor.
From www.wantitall.co.za
LUFT MEISTAR 23232310 Steering Shaft Torque Sensor Alignment Tool B2278 Malfunction Of Steering Shaft Torque Sensor B2278 lexus engine switch circuit malfunction; 3.5k views 1 year ago. Today we have a 2008 ford escape with a complete loss of electric power steering. code b2278 stands for steering shaft torque sensor malfunction. Read the article to know possible causes,. Some vehicles may have dtc b2278 (steering shaft torque sensor malfunction) stored in the power. The causes. B2278 Malfunction Of Steering Shaft Torque Sensor.
From mavink.com
Steering Shaft Torque Sensor B2278 Malfunction Of Steering Shaft Torque Sensor B2278 lexus engine switch circuit malfunction; b2278 ford steering shaft torque sensor malfunction; Some vehicles may have dtc b2278 (steering shaft torque sensor malfunction) stored in the power. Today we have a 2008 ford escape with a complete loss of electric power steering. 3.5k views 1 year ago. Read the article to know possible causes,. 91k views 1 year. B2278 Malfunction Of Steering Shaft Torque Sensor.
From www.youtube.com
How To Fix Power Steering torque sensor Honda Car YouTube B2278 Malfunction Of Steering Shaft Torque Sensor Read the article to know possible causes,. B2278 lexus engine switch circuit malfunction; b2278 ford steering shaft torque sensor malfunction; code b2278 stands for steering shaft torque sensor malfunction. The causes shown may not be a complete list of all potential problems, and it is possible. Some vehicles may have dtc b2278 (steering shaft torque sensor malfunction) stored. B2278 Malfunction Of Steering Shaft Torque Sensor.
From mavink.com
Steering Torque Sensor B2278 Malfunction Of Steering Shaft Torque Sensor code b2278 stands for steering shaft torque sensor malfunction. Today we have a 2008 ford escape with a complete loss of electric power steering. Some vehicles may have dtc b2278 (steering shaft torque sensor malfunction) stored in the power. B2278 lexus engine switch circuit malfunction; 3.5k views 1 year ago. The causes shown may not be a complete list. B2278 Malfunction Of Steering Shaft Torque Sensor.
From www.youtube.com
Loss of Electric Power Steering w/ B2278 Steering Torque Sensor Fault B2278 Malfunction Of Steering Shaft Torque Sensor The causes shown may not be a complete list of all potential problems, and it is possible. code b2278 stands for steering shaft torque sensor malfunction. Read the article to know possible causes,. 3.5k views 1 year ago. 91k views 1 year ago. Some vehicles may have dtc b2278 (steering shaft torque sensor malfunction) stored in the power. . B2278 Malfunction Of Steering Shaft Torque Sensor.