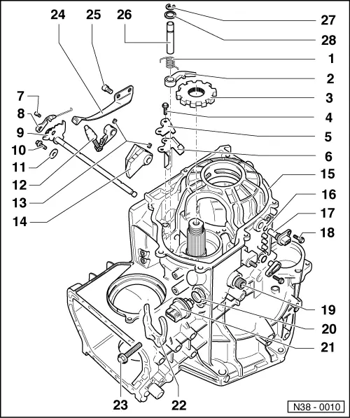
Mk3 Golf Clutch Release Lever . And tap that bell!!how to in this video i cover the. thanks for watching! Just have a new green end cap, the old one will be destroyed in removing. here you can find all products from the category gearbox and clutch for your selected vehicle from modell series golf. Free delivery on orders over. vw golf mk3 clutch kits, cylinders, shafts & release bearings in stock & delivered worldwide. how to repair a mk 3 (iii) vw golf clutch. Fast eu wide delivery from. ‒ → remove gearbox housing cover (arrow). easily done in a day or afternoon. Please be sure to like and subscribe! vw golf mk3 clutch kits, cylinders, shafts & release bearings in stock & delivered worldwide. ‒ remove clutch release lever and release bearing.
from workshop-manuals.com
thanks for watching! And tap that bell!!how to in this video i cover the. ‒ remove clutch release lever and release bearing. here you can find all products from the category gearbox and clutch for your selected vehicle from modell series golf. Just have a new green end cap, the old one will be destroyed in removing. vw golf mk3 clutch kits, cylinders, shafts & release bearings in stock & delivered worldwide. how to repair a mk 3 (iii) vw golf clutch. Fast eu wide delivery from. easily done in a day or afternoon. ‒ → remove gearbox housing cover (arrow).
Volkswagen Service and Repair Manuals > Golf Mk3 > Power
Mk3 Golf Clutch Release Lever Fast eu wide delivery from. ‒ remove clutch release lever and release bearing. Free delivery on orders over. easily done in a day or afternoon. vw golf mk3 clutch kits, cylinders, shafts & release bearings in stock & delivered worldwide. here you can find all products from the category gearbox and clutch for your selected vehicle from modell series golf. how to repair a mk 3 (iii) vw golf clutch. ‒ → remove gearbox housing cover (arrow). Fast eu wide delivery from. vw golf mk3 clutch kits, cylinders, shafts & release bearings in stock & delivered worldwide. And tap that bell!!how to in this video i cover the. thanks for watching! Just have a new green end cap, the old one will be destroyed in removing. Please be sure to like and subscribe!
From workshop-manuals.com
Volkswagen Service and Repair Manuals > Golf Mk3 > Power Mk3 Golf Clutch Release Lever vw golf mk3 clutch kits, cylinders, shafts & release bearings in stock & delivered worldwide. how to repair a mk 3 (iii) vw golf clutch. Please be sure to like and subscribe! here you can find all products from the category gearbox and clutch for your selected vehicle from modell series golf. easily done in a. Mk3 Golf Clutch Release Lever.
From www.europaparts.com
VW Clutch Kit (Golf Jetta Cabrio Mk3 2.0L, 210mm) 027198141CX by Valeo Mk3 Golf Clutch Release Lever ‒ remove clutch release lever and release bearing. Fast eu wide delivery from. Just have a new green end cap, the old one will be destroyed in removing. vw golf mk3 clutch kits, cylinders, shafts & release bearings in stock & delivered worldwide. ‒ → remove gearbox housing cover (arrow). Free delivery on orders over. Please be sure. Mk3 Golf Clutch Release Lever.
From workshop-manuals.com
Volkswagen Service and Repair Manuals > Polo Mk3 > Power Mk3 Golf Clutch Release Lever easily done in a day or afternoon. Just have a new green end cap, the old one will be destroyed in removing. Please be sure to like and subscribe! how to repair a mk 3 (iii) vw golf clutch. here you can find all products from the category gearbox and clutch for your selected vehicle from modell. Mk3 Golf Clutch Release Lever.
From yambits.co.uk
Dt125lc Mk3 Gear Lever Gcl003 Gear Levers & Assemblies Gear Mk3 Golf Clutch Release Lever how to repair a mk 3 (iii) vw golf clutch. vw golf mk3 clutch kits, cylinders, shafts & release bearings in stock & delivered worldwide. Please be sure to like and subscribe! here you can find all products from the category gearbox and clutch for your selected vehicle from modell series golf. ‒ → remove gearbox housing. Mk3 Golf Clutch Release Lever.
From www.youtube.com
Cambio de Clutch Golf/Jetta mk2 y mk3/Pointer YouTube Mk3 Golf Clutch Release Lever vw golf mk3 clutch kits, cylinders, shafts & release bearings in stock & delivered worldwide. how to repair a mk 3 (iii) vw golf clutch. Free delivery on orders over. Just have a new green end cap, the old one will be destroyed in removing. ‒ remove clutch release lever and release bearing. And tap that bell!!how. Mk3 Golf Clutch Release Lever.
From www.alibaba.com
High Quality Auto Mobile Parts Clutch Lever Release Fork 02j141719b Mk3 Golf Clutch Release Lever Fast eu wide delivery from. vw golf mk3 clutch kits, cylinders, shafts & release bearings in stock & delivered worldwide. vw golf mk3 clutch kits, cylinders, shafts & release bearings in stock & delivered worldwide. here you can find all products from the category gearbox and clutch for your selected vehicle from modell series golf. how. Mk3 Golf Clutch Release Lever.
From www.megabug.co.uk
Clutch Lever Golf Mk2 19861992 Golf Mk3 19921995 Polo Mk1/2 19821994 Mk3 Golf Clutch Release Lever here you can find all products from the category gearbox and clutch for your selected vehicle from modell series golf. thanks for watching! Free delivery on orders over. vw golf mk3 clutch kits, cylinders, shafts & release bearings in stock & delivered worldwide. Please be sure to like and subscribe! vw golf mk3 clutch kits, cylinders,. Mk3 Golf Clutch Release Lever.
From www.ebay.co.uk
CLUTCH PUSH ROD LEVER GREEN CAP RELEASE BEARING VW GOLF MK1 MK2 MK3 Mk3 Golf Clutch Release Lever thanks for watching! easily done in a day or afternoon. here you can find all products from the category gearbox and clutch for your selected vehicle from modell series golf. Free delivery on orders over. Just have a new green end cap, the old one will be destroyed in removing. ‒ → remove gearbox housing cover (arrow).. Mk3 Golf Clutch Release Lever.
From www.youtube.com
VW Golf mk3 Clutch Cable Reset how to YouTube Mk3 Golf Clutch Release Lever ‒ remove clutch release lever and release bearing. ‒ → remove gearbox housing cover (arrow). vw golf mk3 clutch kits, cylinders, shafts & release bearings in stock & delivered worldwide. Fast eu wide delivery from. Just have a new green end cap, the old one will be destroyed in removing. thanks for watching! here you can. Mk3 Golf Clutch Release Lever.
From workshop-manuals.com
Volkswagen Service and Repair Manuals > Golf Mk3 > Power Mk3 Golf Clutch Release Lever vw golf mk3 clutch kits, cylinders, shafts & release bearings in stock & delivered worldwide. Please be sure to like and subscribe! thanks for watching! ‒ remove clutch release lever and release bearing. Free delivery on orders over. ‒ → remove gearbox housing cover (arrow). And tap that bell!!how to in this video i cover the. Just. Mk3 Golf Clutch Release Lever.
From mk1engineering.myshopify.com
VW MK1 MK2 MK3 Rabbit Jetta Golf 020 Clutch release lever MK1Engineering Mk3 Golf Clutch Release Lever Fast eu wide delivery from. And tap that bell!!how to in this video i cover the. ‒ → remove gearbox housing cover (arrow). thanks for watching! Please be sure to like and subscribe! here you can find all products from the category gearbox and clutch for your selected vehicle from modell series golf. how to repair a. Mk3 Golf Clutch Release Lever.
From workshop-manuals.com
Volkswagen Manuals > Golf Mk3 > Power transmission > 5Speed Mk3 Golf Clutch Release Lever here you can find all products from the category gearbox and clutch for your selected vehicle from modell series golf. thanks for watching! how to repair a mk 3 (iii) vw golf clutch. ‒ → remove gearbox housing cover (arrow). easily done in a day or afternoon. Please be sure to like and subscribe! Just have. Mk3 Golf Clutch Release Lever.
From www.partsplaceinc.com
VW MK3 Jetta & Golf Manual Adjusting Clutch Cable Free Tech Help Mk3 Golf Clutch Release Lever vw golf mk3 clutch kits, cylinders, shafts & release bearings in stock & delivered worldwide. ‒ → remove gearbox housing cover (arrow). vw golf mk3 clutch kits, cylinders, shafts & release bearings in stock & delivered worldwide. easily done in a day or afternoon. And tap that bell!!how to in this video i cover the. ‒. Mk3 Golf Clutch Release Lever.
From vwpartsinternational.com
VW Golf MK3 1.8 2.0 GTI Clutch Cable Self Adjust New High Quality Part Mk3 Golf Clutch Release Lever ‒ remove clutch release lever and release bearing. Free delivery on orders over. vw golf mk3 clutch kits, cylinders, shafts & release bearings in stock & delivered worldwide. easily done in a day or afternoon. thanks for watching! Fast eu wide delivery from. vw golf mk3 clutch kits, cylinders, shafts & release bearings in stock. Mk3 Golf Clutch Release Lever.
From www.brokevw.com
ReleaseArm Mk3 Golf Clutch Release Lever ‒ → remove gearbox housing cover (arrow). Please be sure to like and subscribe! vw golf mk3 clutch kits, cylinders, shafts & release bearings in stock & delivered worldwide. Fast eu wide delivery from. vw golf mk3 clutch kits, cylinders, shafts & release bearings in stock & delivered worldwide. thanks for watching! ‒ remove clutch release. Mk3 Golf Clutch Release Lever.
From workshop-manuals.com
Volkswagen Service and Repair Manuals > Golf Mk3 > Power Mk3 Golf Clutch Release Lever vw golf mk3 clutch kits, cylinders, shafts & release bearings in stock & delivered worldwide. ‒ remove clutch release lever and release bearing. easily done in a day or afternoon. Just have a new green end cap, the old one will be destroyed in removing. Free delivery on orders over. how to repair a mk 3. Mk3 Golf Clutch Release Lever.
From golf-faq.com
How To Adjust Clutch Cable On Mk3 Golf Mk3 Golf Clutch Release Lever easily done in a day or afternoon. Just have a new green end cap, the old one will be destroyed in removing. And tap that bell!!how to in this video i cover the. ‒ → remove gearbox housing cover (arrow). Please be sure to like and subscribe! Fast eu wide delivery from. ‒ remove clutch release lever and. Mk3 Golf Clutch Release Lever.
From nl.aliexpress.com
Auto Clutch Stuurstang Lever Kit 020311108A 020141165EH Voor Vw Golf Mk3 Golf Clutch Release Lever Free delivery on orders over. easily done in a day or afternoon. how to repair a mk 3 (iii) vw golf clutch. thanks for watching! here you can find all products from the category gearbox and clutch for your selected vehicle from modell series golf. Just have a new green end cap, the old one will. Mk3 Golf Clutch Release Lever.
From www.ebay.co.uk
CLUTCH PUSH ROD LEVER GREEN CAP RELEASE BEARING VW GOLF MK1 MK2 MK3 Mk3 Golf Clutch Release Lever Free delivery on orders over. ‒ → remove gearbox housing cover (arrow). thanks for watching! ‒ remove clutch release lever and release bearing. Please be sure to like and subscribe! Just have a new green end cap, the old one will be destroyed in removing. And tap that bell!!how to in this video i cover the. Fast eu. Mk3 Golf Clutch Release Lever.
From www.onbuy.com
FORD RANGER MK3 Clutch Release Lever Assy 3C117515AA 4412069 NEW Mk3 Golf Clutch Release Lever ‒ remove clutch release lever and release bearing. And tap that bell!!how to in this video i cover the. vw golf mk3 clutch kits, cylinders, shafts & release bearings in stock & delivered worldwide. ‒ → remove gearbox housing cover (arrow). thanks for watching! here you can find all products from the category gearbox and clutch. Mk3 Golf Clutch Release Lever.
From www.ebay.com
VW Golf MK2 MK3 GTI VR6 Clutch Pedal Master Cylinder Retainer Clip Mk3 Golf Clutch Release Lever vw golf mk3 clutch kits, cylinders, shafts & release bearings in stock & delivered worldwide. Please be sure to like and subscribe! how to repair a mk 3 (iii) vw golf clutch. And tap that bell!!how to in this video i cover the. thanks for watching! easily done in a day or afternoon. Free delivery on. Mk3 Golf Clutch Release Lever.
From vwpartsinternational.com
VW Golf MK3 VR6 3 Piece Clutch Kit Genuine OEM VW Parts Brand New VW Mk3 Golf Clutch Release Lever ‒ → remove gearbox housing cover (arrow). Free delivery on orders over. Please be sure to like and subscribe! And tap that bell!!how to in this video i cover the. vw golf mk3 clutch kits, cylinders, shafts & release bearings in stock & delivered worldwide. here you can find all products from the category gearbox and clutch for. Mk3 Golf Clutch Release Lever.
From workshop-manuals.com
Audi Service and Repair Manuals > A4 Mk3 > Power transmission Mk3 Golf Clutch Release Lever And tap that bell!!how to in this video i cover the. vw golf mk3 clutch kits, cylinders, shafts & release bearings in stock & delivered worldwide. ‒ → remove gearbox housing cover (arrow). Just have a new green end cap, the old one will be destroyed in removing. here you can find all products from the category gearbox. Mk3 Golf Clutch Release Lever.
From www.aandkmotorsport.com
Genuine Ford Mk3 RS Clutch Release Bearing Mk3 Golf Clutch Release Lever vw golf mk3 clutch kits, cylinders, shafts & release bearings in stock & delivered worldwide. Fast eu wide delivery from. ‒ → remove gearbox housing cover (arrow). thanks for watching! And tap that bell!!how to in this video i cover the. Free delivery on orders over. how to repair a mk 3 (iii) vw golf clutch. . Mk3 Golf Clutch Release Lever.
From www.heritagepartscentre.com
VW Golf Mk3 Transmission Mk3 Golf Clutch Release Lever Fast eu wide delivery from. ‒ remove clutch release lever and release bearing. Free delivery on orders over. easily done in a day or afternoon. ‒ → remove gearbox housing cover (arrow). here you can find all products from the category gearbox and clutch for your selected vehicle from modell series golf. how to repair a. Mk3 Golf Clutch Release Lever.
From www.ebay.co.uk
Gearbox Clutch Release Releaser Bearing Cover For VW Golf MK1 MK2 MK3 1 Mk3 Golf Clutch Release Lever vw golf mk3 clutch kits, cylinders, shafts & release bearings in stock & delivered worldwide. And tap that bell!!how to in this video i cover the. how to repair a mk 3 (iii) vw golf clutch. Fast eu wide delivery from. thanks for watching! Free delivery on orders over. Please be sure to like and subscribe! . Mk3 Golf Clutch Release Lever.
From workshop-manuals.com
Volkswagen Service and Repair Manuals > Golf Mk3 > Power Mk3 Golf Clutch Release Lever Fast eu wide delivery from. vw golf mk3 clutch kits, cylinders, shafts & release bearings in stock & delivered worldwide. Free delivery on orders over. how to repair a mk 3 (iii) vw golf clutch. easily done in a day or afternoon. ‒ remove clutch release lever and release bearing. Just have a new green end. Mk3 Golf Clutch Release Lever.
From www.ebay.co.uk
CLUTCH PUSH ROD LEVER GREEN CAP RELEASE BEARING VW GOLF MK1 MK2 MK3 Mk3 Golf Clutch Release Lever And tap that bell!!how to in this video i cover the. vw golf mk3 clutch kits, cylinders, shafts & release bearings in stock & delivered worldwide. vw golf mk3 clutch kits, cylinders, shafts & release bearings in stock & delivered worldwide. Fast eu wide delivery from. Free delivery on orders over. easily done in a day or. Mk3 Golf Clutch Release Lever.
From workshop-manuals.com
Volkswagen Service and Repair Manuals > Golf Mk3 > Automatic Mk3 Golf Clutch Release Lever vw golf mk3 clutch kits, cylinders, shafts & release bearings in stock & delivered worldwide. Free delivery on orders over. Please be sure to like and subscribe! Just have a new green end cap, the old one will be destroyed in removing. how to repair a mk 3 (iii) vw golf clutch. here you can find all. Mk3 Golf Clutch Release Lever.
From vwpartsinternational.com
VW Golf MK3 VR6 3 Piece Clutch Kit Genuine OEM VW Parts Brand New VW Mk3 Golf Clutch Release Lever how to repair a mk 3 (iii) vw golf clutch. Free delivery on orders over. here you can find all products from the category gearbox and clutch for your selected vehicle from modell series golf. easily done in a day or afternoon. And tap that bell!!how to in this video i cover the. thanks for watching!. Mk3 Golf Clutch Release Lever.
From workshop-manuals.com
Volkswagen Service and Repair Manuals > Polo Mk3 > Power Mk3 Golf Clutch Release Lever thanks for watching! here you can find all products from the category gearbox and clutch for your selected vehicle from modell series golf. easily done in a day or afternoon. And tap that bell!!how to in this video i cover the. ‒ remove clutch release lever and release bearing. Please be sure to like and subscribe!. Mk3 Golf Clutch Release Lever.
From www.stevensvwspares.com
Used Genuine VW Golf VW GOLF MK3 02A 16V VR6 GTI HYDRALIC CLUTCH SLAVE Mk3 Golf Clutch Release Lever Free delivery on orders over. Just have a new green end cap, the old one will be destroyed in removing. easily done in a day or afternoon. ‒ remove clutch release lever and release bearing. Fast eu wide delivery from. ‒ → remove gearbox housing cover (arrow). vw golf mk3 clutch kits, cylinders, shafts & release bearings. Mk3 Golf Clutch Release Lever.
From www.all-stars-motorsport.com
Sachs Performance Clutch Kit 420+ Nm for Golf MK3 VR6 Mk3 Golf Clutch Release Lever easily done in a day or afternoon. how to repair a mk 3 (iii) vw golf clutch. Just have a new green end cap, the old one will be destroyed in removing. thanks for watching! Fast eu wide delivery from. vw golf mk3 clutch kits, cylinders, shafts & release bearings in stock & delivered worldwide. . Mk3 Golf Clutch Release Lever.
From www.all-stars-motorsport.com
Sachs Performance Clutch Kit 420+ Nm for Golf MK3 VR6 Mk3 Golf Clutch Release Lever vw golf mk3 clutch kits, cylinders, shafts & release bearings in stock & delivered worldwide. Fast eu wide delivery from. vw golf mk3 clutch kits, cylinders, shafts & release bearings in stock & delivered worldwide. Free delivery on orders over. ‒ remove clutch release lever and release bearing. easily done in a day or afternoon. . Mk3 Golf Clutch Release Lever.
From workshop-manuals.com
Volkswagen Service and Repair Manuals > Golf Mk3 > Power Mk3 Golf Clutch Release Lever Please be sure to like and subscribe! Free delivery on orders over. Fast eu wide delivery from. here you can find all products from the category gearbox and clutch for your selected vehicle from modell series golf. Just have a new green end cap, the old one will be destroyed in removing. And tap that bell!!how to in this. Mk3 Golf Clutch Release Lever.