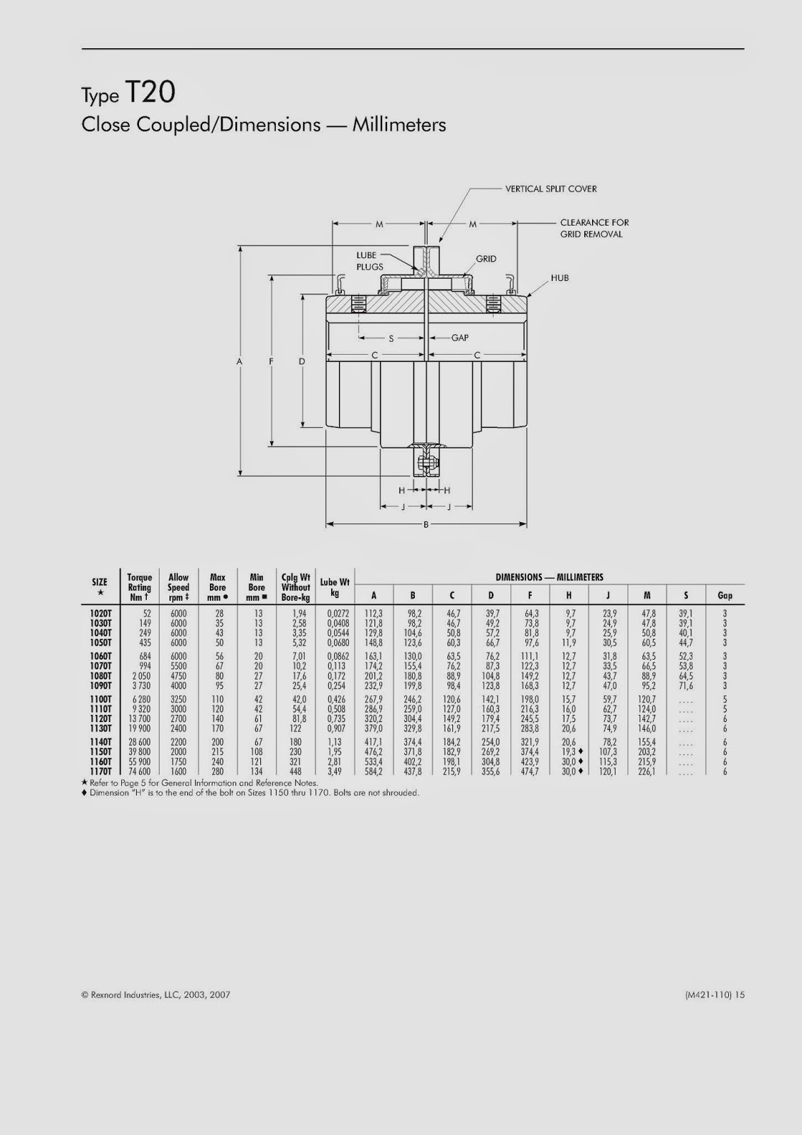
Falk T20 Coupling . Available in 16 sizes ranging. Depending upon coupling size, rsb hubs. the coupling may only be used in accordance with the technical data provided in the falk steelflex coupling catalog. lubrication warranty, falk steelflex couplings require no periodic maintenance when lubricated with falk ltg at installation. grid couplings are a popular coupling option where both high torque levels and dampening requirements exist. when electric motors, generators, engines, compressors, and other machines are fitted with sleeve or straight roller bearings,. minimum bore is the smallest bore to which a rough stock bore (rsb) hub can be bored. Grid couplings have a unique ability to reduce vibration by as much. Featuring 25 sizes, steelflex couplings can. Features a vertically split cover with allows for. Customer modifications and alterations to the coupling. the t20 steelflex coupling features a vertically split cover ideal for applications with higher running speeds. falk steelflex grid coupling application guide a general purpose, lubricated design that combines the economy and high torque.
from hccoupling.en.made-in-china.com
Featuring 25 sizes, steelflex couplings can. Customer modifications and alterations to the coupling. lubrication warranty, falk steelflex couplings require no periodic maintenance when lubricated with falk ltg at installation. minimum bore is the smallest bore to which a rough stock bore (rsb) hub can be bored. when electric motors, generators, engines, compressors, and other machines are fitted with sleeve or straight roller bearings,. falk steelflex grid coupling application guide a general purpose, lubricated design that combines the economy and high torque. Features a vertically split cover with allows for. Depending upon coupling size, rsb hubs. Available in 16 sizes ranging. Grid couplings have a unique ability to reduce vibration by as much.
Falk Coupling T10 Grid Coupling T20 Professional Customization
Falk T20 Coupling the coupling may only be used in accordance with the technical data provided in the falk steelflex coupling catalog. falk steelflex grid coupling application guide a general purpose, lubricated design that combines the economy and high torque. Features a vertically split cover with allows for. the t20 steelflex coupling features a vertically split cover ideal for applications with higher running speeds. minimum bore is the smallest bore to which a rough stock bore (rsb) hub can be bored. lubrication warranty, falk steelflex couplings require no periodic maintenance when lubricated with falk ltg at installation. Featuring 25 sizes, steelflex couplings can. Depending upon coupling size, rsb hubs. grid couplings are a popular coupling option where both high torque levels and dampening requirements exist. Grid couplings have a unique ability to reduce vibration by as much. when electric motors, generators, engines, compressors, and other machines are fitted with sleeve or straight roller bearings,. the coupling may only be used in accordance with the technical data provided in the falk steelflex coupling catalog. Customer modifications and alterations to the coupling. Available in 16 sizes ranging.
From sarana-coupling.indonetwork.co.id
Jual Coupling Grid Falk Steelflex 1060 T10 & 1060 T20 Indonesia oleh PT Falk T20 Coupling Available in 16 sizes ranging. Features a vertically split cover with allows for. minimum bore is the smallest bore to which a rough stock bore (rsb) hub can be bored. the t20 steelflex coupling features a vertically split cover ideal for applications with higher running speeds. Depending upon coupling size, rsb hubs. when electric motors, generators, engines,. Falk T20 Coupling.
From www.algebra-inc.com
Rexnord Falk Steelflex Couplings Type T20;1070T20 Covergrid assy Falk T20 Coupling Available in 16 sizes ranging. Customer modifications and alterations to the coupling. the coupling may only be used in accordance with the technical data provided in the falk steelflex coupling catalog. Features a vertically split cover with allows for. Featuring 25 sizes, steelflex couplings can. Depending upon coupling size, rsb hubs. Grid couplings have a unique ability to reduce. Falk T20 Coupling.
From sarana-coupling.indonetwork.co.id
Jual Coupling Grid Falk Steelflex 1050 T10 dan 1050 T20 indonesia oleh Falk T20 Coupling Features a vertically split cover with allows for. when electric motors, generators, engines, compressors, and other machines are fitted with sleeve or straight roller bearings,. Grid couplings have a unique ability to reduce vibration by as much. the coupling may only be used in accordance with the technical data provided in the falk steelflex coupling catalog. the. Falk T20 Coupling.
From sarana-coupling.indonetwork.co.id
Jual Coupling Grid Falk Steelflex 1060 T10 & 1060 T20 Indonesia oleh PT Falk T20 Coupling Customer modifications and alterations to the coupling. Available in 16 sizes ranging. Grid couplings have a unique ability to reduce vibration by as much. falk steelflex grid coupling application guide a general purpose, lubricated design that combines the economy and high torque. Featuring 25 sizes, steelflex couplings can. when electric motors, generators, engines, compressors, and other machines are. Falk T20 Coupling.
From www.tokopedia.com
Jual REXNORD FALK GRID COUPLING TYPE 1070T10 /T20.MAX BORE 2.500 inchi Falk T20 Coupling Available in 16 sizes ranging. grid couplings are a popular coupling option where both high torque levels and dampening requirements exist. Features a vertically split cover with allows for. Featuring 25 sizes, steelflex couplings can. falk steelflex grid coupling application guide a general purpose, lubricated design that combines the economy and high torque. when electric motors, generators,. Falk T20 Coupling.
From www.ebay.com
Falk 12F Steel Flex T20 Flexible Grid Coupling Hub 31/4" Bore eBay Falk T20 Coupling grid couplings are a popular coupling option where both high torque levels and dampening requirements exist. Featuring 25 sizes, steelflex couplings can. the t20 steelflex coupling features a vertically split cover ideal for applications with higher running speeds. Available in 16 sizes ranging. when electric motors, generators, engines, compressors, and other machines are fitted with sleeve or. Falk T20 Coupling.
From www.ebay.com
New Falk Steelflex Coupling 1120T20 Cover Grid Assembly 0758305 Type Falk T20 Coupling Featuring 25 sizes, steelflex couplings can. Available in 16 sizes ranging. minimum bore is the smallest bore to which a rough stock bore (rsb) hub can be bored. grid couplings are a popular coupling option where both high torque levels and dampening requirements exist. Grid couplings have a unique ability to reduce vibration by as much. Depending upon. Falk T20 Coupling.
From suodacoupling.en.made-in-china.com
China T20 Replaceable with Falk Grid Coupling China Gear Coupling Falk T20 Coupling Available in 16 sizes ranging. the coupling may only be used in accordance with the technical data provided in the falk steelflex coupling catalog. lubrication warranty, falk steelflex couplings require no periodic maintenance when lubricated with falk ltg at installation. Featuring 25 sizes, steelflex couplings can. Features a vertically split cover with allows for. the t20 steelflex. Falk T20 Coupling.
From e-rubber.eu
0706707 Rexnord Steelflex 1090T20 Complete Coupling RSB Erubber.eu Falk T20 Coupling Features a vertically split cover with allows for. the t20 steelflex coupling features a vertically split cover ideal for applications with higher running speeds. grid couplings are a popular coupling option where both high torque levels and dampening requirements exist. minimum bore is the smallest bore to which a rough stock bore (rsb) hub can be bored.. Falk T20 Coupling.
From e-rubber.eu
Rexnord Falk Steelflex 1080T10C Complete Coupling Erubber.eu Falk T20 Coupling Featuring 25 sizes, steelflex couplings can. Features a vertically split cover with allows for. grid couplings are a popular coupling option where both high torque levels and dampening requirements exist. the t20 steelflex coupling features a vertically split cover ideal for applications with higher running speeds. Customer modifications and alterations to the coupling. minimum bore is the. Falk T20 Coupling.
From www.tokopedia.com
Jual REXNORD FALK STEELFLEX COUPLING TYPE 1080T10 /T20.MAX BORE 3.00 Falk T20 Coupling when electric motors, generators, engines, compressors, and other machines are fitted with sleeve or straight roller bearings,. grid couplings are a popular coupling option where both high torque levels and dampening requirements exist. the coupling may only be used in accordance with the technical data provided in the falk steelflex coupling catalog. lubrication warranty, falk steelflex. Falk T20 Coupling.
From mysurplusinventory.com
FALK TYPE T20 STEELFLEX COUPLING — GCor Automotive Falk T20 Coupling when electric motors, generators, engines, compressors, and other machines are fitted with sleeve or straight roller bearings,. lubrication warranty, falk steelflex couplings require no periodic maintenance when lubricated with falk ltg at installation. Customer modifications and alterations to the coupling. Features a vertically split cover with allows for. the t20 steelflex coupling features a vertically split cover. Falk T20 Coupling.
From www.alibaba.com
Falk Coupling T10 Grid Coupling T20 Professional Customization Falk T20 Coupling the coupling may only be used in accordance with the technical data provided in the falk steelflex coupling catalog. Grid couplings have a unique ability to reduce vibration by as much. the t20 steelflex coupling features a vertically split cover ideal for applications with higher running speeds. Customer modifications and alterations to the coupling. minimum bore is. Falk T20 Coupling.
From www.ebay.com
Rexnord Falk T10_T20 Series 0246663 Hubs Grid Coupling Part for sale Falk T20 Coupling the coupling may only be used in accordance with the technical data provided in the falk steelflex coupling catalog. the t20 steelflex coupling features a vertically split cover ideal for applications with higher running speeds. when electric motors, generators, engines, compressors, and other machines are fitted with sleeve or straight roller bearings,. Available in 16 sizes ranging.. Falk T20 Coupling.
From www.sarana-teknik.co.id
Jual FALK COUPLING PT. SARANA TEKNIK steelflex grid 1120 T10 ATAU T20 Falk T20 Coupling Featuring 25 sizes, steelflex couplings can. lubrication warranty, falk steelflex couplings require no periodic maintenance when lubricated with falk ltg at installation. the coupling may only be used in accordance with the technical data provided in the falk steelflex coupling catalog. falk steelflex grid coupling application guide a general purpose, lubricated design that combines the economy and. Falk T20 Coupling.
From www.alibaba.com
Falk Coupling T10 Grid Coupling T20 Professional Customization Falk T20 Coupling Customer modifications and alterations to the coupling. Depending upon coupling size, rsb hubs. when electric motors, generators, engines, compressors, and other machines are fitted with sleeve or straight roller bearings,. minimum bore is the smallest bore to which a rough stock bore (rsb) hub can be bored. lubrication warranty, falk steelflex couplings require no periodic maintenance when. Falk T20 Coupling.
From www.surrama.co.id
Jual Rexnord Falk T20 Steelflex Grid Couplings Jakarta Surrama Falk T20 Coupling Available in 16 sizes ranging. Depending upon coupling size, rsb hubs. the coupling may only be used in accordance with the technical data provided in the falk steelflex coupling catalog. Featuring 25 sizes, steelflex couplings can. Customer modifications and alterations to the coupling. when electric motors, generators, engines, compressors, and other machines are fitted with sleeve or straight. Falk T20 Coupling.
From en.couplingfalk.com
Sell REXNORD FALK GRID COUPLING TYPE 1060T10/T20 MAX BORE 2.125 inchi Falk T20 Coupling lubrication warranty, falk steelflex couplings require no periodic maintenance when lubricated with falk ltg at installation. Customer modifications and alterations to the coupling. the t20 steelflex coupling features a vertically split cover ideal for applications with higher running speeds. Grid couplings have a unique ability to reduce vibration by as much. the coupling may only be used. Falk T20 Coupling.
From sarana-coupling.indonetwork.co.id
Jual Coupling Grid Falk Steelflex 1050 T10 dan 1050 T20 indonesia oleh Falk T20 Coupling the t20 steelflex coupling features a vertically split cover ideal for applications with higher running speeds. Grid couplings have a unique ability to reduce vibration by as much. grid couplings are a popular coupling option where both high torque levels and dampening requirements exist. lubrication warranty, falk steelflex couplings require no periodic maintenance when lubricated with falk. Falk T20 Coupling.
From www.tokopedia.com
Jual REXNORD FALK GRID COUPLING TYPE 1080T10 /T20.MAX BORE 3.00 inchi Falk T20 Coupling Depending upon coupling size, rsb hubs. lubrication warranty, falk steelflex couplings require no periodic maintenance when lubricated with falk ltg at installation. Featuring 25 sizes, steelflex couplings can. the t20 steelflex coupling features a vertically split cover ideal for applications with higher running speeds. the coupling may only be used in accordance with the technical data provided. Falk T20 Coupling.
From hccoupling.en.made-in-china.com
Falk Coupling T10 Grid Coupling T20 Professional Customization Falk T20 Coupling when electric motors, generators, engines, compressors, and other machines are fitted with sleeve or straight roller bearings,. Customer modifications and alterations to the coupling. Grid couplings have a unique ability to reduce vibration by as much. Depending upon coupling size, rsb hubs. the coupling may only be used in accordance with the technical data provided in the falk. Falk T20 Coupling.
From www.directindustry.com
Grid coupling Falk T20 Rexnord Industries, LLC Falk T20 Coupling lubrication warranty, falk steelflex couplings require no periodic maintenance when lubricated with falk ltg at installation. the coupling may only be used in accordance with the technical data provided in the falk steelflex coupling catalog. Featuring 25 sizes, steelflex couplings can. Available in 16 sizes ranging. the t20 steelflex coupling features a vertically split cover ideal for. Falk T20 Coupling.
From www.ebay.com
Falk 0758261 Grid Coupling T10T20 1180T (Pack of 4 pieces) Rexnord Falk T20 Coupling Featuring 25 sizes, steelflex couplings can. Features a vertically split cover with allows for. the t20 steelflex coupling features a vertically split cover ideal for applications with higher running speeds. Grid couplings have a unique ability to reduce vibration by as much. the coupling may only be used in accordance with the technical data provided in the falk. Falk T20 Coupling.
From suodacoupling.en.made-in-china.com
T20 Replaceable with Falk Grid Coupling China Gear Coupling and Disc Falk T20 Coupling when electric motors, generators, engines, compressors, and other machines are fitted with sleeve or straight roller bearings,. the t20 steelflex coupling features a vertically split cover ideal for applications with higher running speeds. the coupling may only be used in accordance with the technical data provided in the falk steelflex coupling catalog. grid couplings are a. Falk T20 Coupling.
From www.ebay.com
New Falk Steelflex Coupling 1120T20 Cover Grid Assembly 0758305 Type Falk T20 Coupling Features a vertically split cover with allows for. minimum bore is the smallest bore to which a rough stock bore (rsb) hub can be bored. Grid couplings have a unique ability to reduce vibration by as much. grid couplings are a popular coupling option where both high torque levels and dampening requirements exist. the t20 steelflex coupling. Falk T20 Coupling.
From falk-indonesia.indonetwork.co.id
FALK COUPLING PT. SARANA TEKNIK steelflex grid 1120 T10 ATAU T20 FALK Falk T20 Coupling Depending upon coupling size, rsb hubs. Customer modifications and alterations to the coupling. Featuring 25 sizes, steelflex couplings can. Grid couplings have a unique ability to reduce vibration by as much. falk steelflex grid coupling application guide a general purpose, lubricated design that combines the economy and high torque. Features a vertically split cover with allows for. Available in. Falk T20 Coupling.
From falk-indonesia.indonetwork.co.id
Jual FALK COUPLING PT. SARANA TEKNIK steelflex grid 1120 T10 ATAU T20 Falk T20 Coupling Depending upon coupling size, rsb hubs. the t20 steelflex coupling features a vertically split cover ideal for applications with higher running speeds. Features a vertically split cover with allows for. Grid couplings have a unique ability to reduce vibration by as much. when electric motors, generators, engines, compressors, and other machines are fitted with sleeve or straight roller. Falk T20 Coupling.
From suryanindo.blogspot.com
STEEL FLEX COUPLING MERK FALK TYPE T10/ T20 Falk T20 Coupling Featuring 25 sizes, steelflex couplings can. the coupling may only be used in accordance with the technical data provided in the falk steelflex coupling catalog. Features a vertically split cover with allows for. falk steelflex grid coupling application guide a general purpose, lubricated design that combines the economy and high torque. the t20 steelflex coupling features a. Falk T20 Coupling.
From falk-indonesia.indonetwork.co.id
FALK COUPLING PT. SARANA TEKNIK steelflex grid 1120 T10 ATAU T20 FALK Falk T20 Coupling Grid couplings have a unique ability to reduce vibration by as much. when electric motors, generators, engines, compressors, and other machines are fitted with sleeve or straight roller bearings,. Featuring 25 sizes, steelflex couplings can. minimum bore is the smallest bore to which a rough stock bore (rsb) hub can be bored. grid couplings are a popular. Falk T20 Coupling.
From suryanindo.blogspot.com
STEEL FLEX COUPLING MERK FALK TYPE T10/ T20 Falk T20 Coupling minimum bore is the smallest bore to which a rough stock bore (rsb) hub can be bored. lubrication warranty, falk steelflex couplings require no periodic maintenance when lubricated with falk ltg at installation. Available in 16 sizes ranging. Customer modifications and alterations to the coupling. falk steelflex grid coupling application guide a general purpose, lubricated design that. Falk T20 Coupling.
From www.youtube.com
GRID COUPLING T20 YouTube Falk T20 Coupling Customer modifications and alterations to the coupling. the t20 steelflex coupling features a vertically split cover ideal for applications with higher running speeds. the coupling may only be used in accordance with the technical data provided in the falk steelflex coupling catalog. lubrication warranty, falk steelflex couplings require no periodic maintenance when lubricated with falk ltg at. Falk T20 Coupling.
From suryamegateknik.com
Falk Coupling SURYA MEGA TEKNIK Falk T20 Coupling Available in 16 sizes ranging. when electric motors, generators, engines, compressors, and other machines are fitted with sleeve or straight roller bearings,. Features a vertically split cover with allows for. Featuring 25 sizes, steelflex couplings can. falk steelflex grid coupling application guide a general purpose, lubricated design that combines the economy and high torque. minimum bore is. Falk T20 Coupling.
From www.ebay.com
FALK / REXNORD STEELFLEX COUPLING COVER, 758301, CPLG SIZE 1080 T20, O Falk T20 Coupling Grid couplings have a unique ability to reduce vibration by as much. Features a vertically split cover with allows for. Featuring 25 sizes, steelflex couplings can. falk steelflex grid coupling application guide a general purpose, lubricated design that combines the economy and high torque. Available in 16 sizes ranging. lubrication warranty, falk steelflex couplings require no periodic maintenance. Falk T20 Coupling.
From www.acorn-ind.co.uk
Falk 1070T20 COVER Steelflex® Grid coupling Size 1070 T20 Falk T20 Coupling Available in 16 sizes ranging. minimum bore is the smallest bore to which a rough stock bore (rsb) hub can be bored. lubrication warranty, falk steelflex couplings require no periodic maintenance when lubricated with falk ltg at installation. Features a vertically split cover with allows for. Customer modifications and alterations to the coupling. the t20 steelflex coupling. Falk T20 Coupling.
From shopee.co.id
Jual FALK TYPE 1100T10 /T20 GRID ONLY STEELFLEX COUPLING REXNORD Falk T20 Coupling Featuring 25 sizes, steelflex couplings can. Customer modifications and alterations to the coupling. Available in 16 sizes ranging. falk steelflex grid coupling application guide a general purpose, lubricated design that combines the economy and high torque. grid couplings are a popular coupling option where both high torque levels and dampening requirements exist. Grid couplings have a unique ability. Falk T20 Coupling.