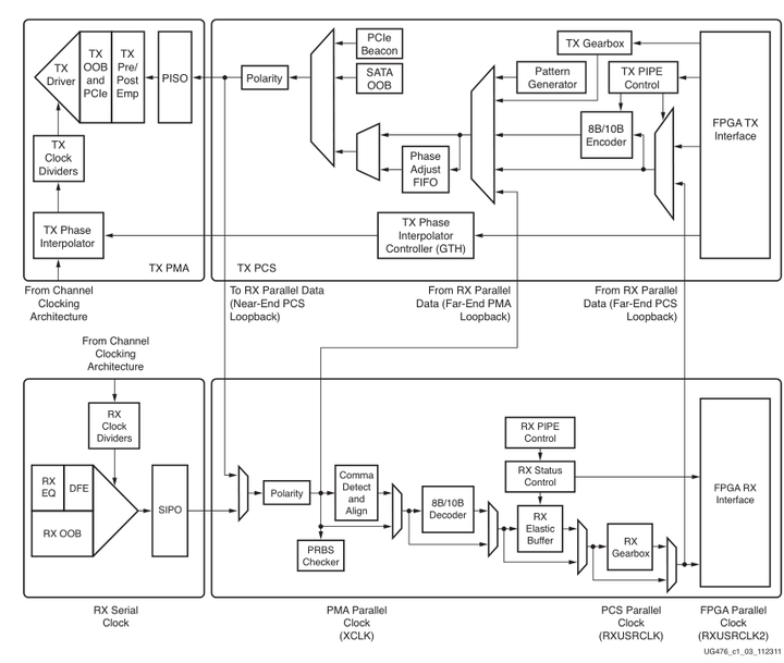
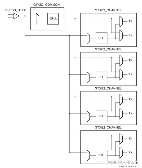
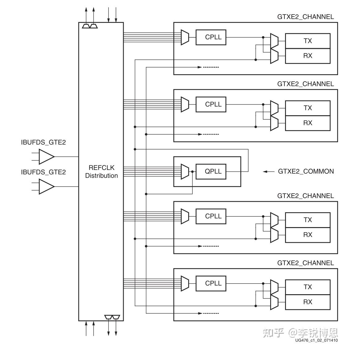
What Is A Gtx Transceiver . Xilinx® 7 series fpgas include three unified fpga families that are all. 7 series fpgas have the most comprehensive transceiver family. I need to learn everything about gtx transceiver. Gth and gtz, are to a large. You need to use a transceiver when you want to bring out high speed signals from inside the fpga and interface with the real. The tranceiver is referred to as gtx (gigabit transceiver), but other variants of transceivers, e.g. 7 series fpgas gtx/gth transceivers user guide. 28gb/s transceivers for 100g and 400g datapaths. I have searched the internet and i have found some documents but there isn’t any step by step.
from www.impulse-embedded.co.uk
Gth and gtz, are to a large. I need to learn everything about gtx transceiver. Xilinx® 7 series fpgas include three unified fpga families that are all. 7 series fpgas have the most comprehensive transceiver family. You need to use a transceiver when you want to bring out high speed signals from inside the fpga and interface with the real. 28gb/s transceivers for 100g and 400g datapaths. 7 series fpgas gtx/gth transceivers user guide. The tranceiver is referred to as gtx (gigabit transceiver), but other variants of transceivers, e.g. I have searched the internet and i have found some documents but there isn’t any step by step.
SFPGTX SFP Transceiver Module · Impulse Embedded Limited
What Is A Gtx Transceiver You need to use a transceiver when you want to bring out high speed signals from inside the fpga and interface with the real. I need to learn everything about gtx transceiver. You need to use a transceiver when you want to bring out high speed signals from inside the fpga and interface with the real. 7 series fpgas have the most comprehensive transceiver family. Gth and gtz, are to a large. The tranceiver is referred to as gtx (gigabit transceiver), but other variants of transceivers, e.g. Xilinx® 7 series fpgas include three unified fpga families that are all. 7 series fpgas gtx/gth transceivers user guide. I have searched the internet and i have found some documents but there isn’t any step by step. 28gb/s transceivers for 100g and 400g datapaths.
From ovidiantech.com
DLink 1000BASELX Singlemode Fiber SFP Transceiver DEM310 GT What Is A Gtx Transceiver 28gb/s transceivers for 100g and 400g datapaths. 7 series fpgas have the most comprehensive transceiver family. I need to learn everything about gtx transceiver. I have searched the internet and i have found some documents but there isn’t any step by step. 7 series fpgas gtx/gth transceivers user guide. You need to use a transceiver when you want to bring. What Is A Gtx Transceiver.
From www.alafone.com
Baofeng GT3WP Dual Band IP67 Waterproof FM Transceiver Radio with Car What Is A Gtx Transceiver The tranceiver is referred to as gtx (gigabit transceiver), but other variants of transceivers, e.g. You need to use a transceiver when you want to bring out high speed signals from inside the fpga and interface with the real. I have searched the internet and i have found some documents but there isn’t any step by step. Xilinx® 7 series. What Is A Gtx Transceiver.
From blog.51cto.com
GT Transceiver中的重要时钟及其关系(7)TXUSRCLK以及TXUSRCLK2的产生_mb611f1478c9b26的技术博客 What Is A Gtx Transceiver 28gb/s transceivers for 100g and 400g datapaths. I need to learn everything about gtx transceiver. 7 series fpgas gtx/gth transceivers user guide. Gth and gtz, are to a large. The tranceiver is referred to as gtx (gigabit transceiver), but other variants of transceivers, e.g. Xilinx® 7 series fpgas include three unified fpga families that are all. You need to use. What Is A Gtx Transceiver.
From www.slideserve.com
PPT V6 GTX PowerPoint Presentation, free download ID9714868 What Is A Gtx Transceiver Xilinx® 7 series fpgas include three unified fpga families that are all. 7 series fpgas gtx/gth transceivers user guide. 7 series fpgas have the most comprehensive transceiver family. Gth and gtz, are to a large. 28gb/s transceivers for 100g and 400g datapaths. You need to use a transceiver when you want to bring out high speed signals from inside the. What Is A Gtx Transceiver.
From www.pinterest.com
Baofeng 997S GT Transceiver (USA Warranty) 65108 / 136174 / 400520 What Is A Gtx Transceiver 7 series fpgas gtx/gth transceivers user guide. Xilinx® 7 series fpgas include three unified fpga families that are all. 7 series fpgas have the most comprehensive transceiver family. 28gb/s transceivers for 100g and 400g datapaths. I have searched the internet and i have found some documents but there isn’t any step by step. I need to learn everything about gtx. What Is A Gtx Transceiver.
From rigreference.com
GemTronics GTX2325, Desktop Transceiver What Is A Gtx Transceiver The tranceiver is referred to as gtx (gigabit transceiver), but other variants of transceivers, e.g. 7 series fpgas have the most comprehensive transceiver family. 28gb/s transceivers for 100g and 400g datapaths. 7 series fpgas gtx/gth transceivers user guide. I need to learn everything about gtx transceiver. Gth and gtz, are to a large. I have searched the internet and i. What Is A Gtx Transceiver.
From www.youtube.com
IT WORKS!!! Galaxy GT550A Transceiver, DX Contacts, Ham Radio YouTube What Is A Gtx Transceiver Gth and gtz, are to a large. Xilinx® 7 series fpgas include three unified fpga families that are all. I have searched the internet and i have found some documents but there isn’t any step by step. 28gb/s transceivers for 100g and 400g datapaths. I need to learn everything about gtx transceiver. You need to use a transceiver when you. What Is A Gtx Transceiver.
From zhuanlan.zhihu.com
GT Transceiver中的重要时钟及其关系(1)GT Transceiver参考时钟 知乎 What Is A Gtx Transceiver The tranceiver is referred to as gtx (gigabit transceiver), but other variants of transceivers, e.g. 28gb/s transceivers for 100g and 400g datapaths. 7 series fpgas have the most comprehensive transceiver family. Xilinx® 7 series fpgas include three unified fpga families that are all. 7 series fpgas gtx/gth transceivers user guide. I need to learn everything about gtx transceiver. You need. What Is A Gtx Transceiver.
From www.amazon.co.uk
BAOFENG GT3TP TwoWay Radio Transceiver Black & Orange Amazon.co.uk What Is A Gtx Transceiver I have searched the internet and i have found some documents but there isn’t any step by step. 7 series fpgas have the most comprehensive transceiver family. Gth and gtz, are to a large. 28gb/s transceivers for 100g and 400g datapaths. You need to use a transceiver when you want to bring out high speed signals from inside the fpga. What Is A Gtx Transceiver.
From www.sysinfo.co.th
Ruijie MiniGBICGT 1000BASETX, SFP Transceiver (100m). What Is A Gtx Transceiver 7 series fpgas gtx/gth transceivers user guide. 7 series fpgas have the most comprehensive transceiver family. The tranceiver is referred to as gtx (gigabit transceiver), but other variants of transceivers, e.g. 28gb/s transceivers for 100g and 400g datapaths. You need to use a transceiver when you want to bring out high speed signals from inside the fpga and interface with. What Is A Gtx Transceiver.
From www.alafone.com
New Arrival Senhaix GT12 Full Band Air Band UHF VHF PTT DTMF Portable What Is A Gtx Transceiver 7 series fpgas have the most comprehensive transceiver family. 28gb/s transceivers for 100g and 400g datapaths. Gth and gtz, are to a large. I have searched the internet and i have found some documents but there isn’t any step by step. 7 series fpgas gtx/gth transceivers user guide. The tranceiver is referred to as gtx (gigabit transceiver), but other variants. What Is A Gtx Transceiver.
From www.fluxlight.com
IMGBICGTXFL Enterasys 1000BaseT SFP Transceiver What Is A Gtx Transceiver The tranceiver is referred to as gtx (gigabit transceiver), but other variants of transceivers, e.g. Gth and gtz, are to a large. You need to use a transceiver when you want to bring out high speed signals from inside the fpga and interface with the real. 7 series fpgas have the most comprehensive transceiver family. I need to learn everything. What Is A Gtx Transceiver.
From www.ebay.com
Gemtronics GTX5000 40 Channel CB Transceiver eBay What Is A Gtx Transceiver Gth and gtz, are to a large. You need to use a transceiver when you want to bring out high speed signals from inside the fpga and interface with the real. Xilinx® 7 series fpgas include three unified fpga families that are all. The tranceiver is referred to as gtx (gigabit transceiver), but other variants of transceivers, e.g. 7 series. What Is A Gtx Transceiver.
From www.impulse-embedded.co.uk
SFPGTX SFP Transceiver Module · Impulse Embedded Limited What Is A Gtx Transceiver The tranceiver is referred to as gtx (gigabit transceiver), but other variants of transceivers, e.g. 28gb/s transceivers for 100g and 400g datapaths. 7 series fpgas have the most comprehensive transceiver family. I have searched the internet and i have found some documents but there isn’t any step by step. 7 series fpgas gtx/gth transceivers user guide. Gth and gtz, are. What Is A Gtx Transceiver.
From zhuanlan.zhihu.com
GT Transceiver的总体架构梳理 知乎 What Is A Gtx Transceiver You need to use a transceiver when you want to bring out high speed signals from inside the fpga and interface with the real. I need to learn everything about gtx transceiver. Gth and gtz, are to a large. 7 series fpgas have the most comprehensive transceiver family. Xilinx® 7 series fpgas include three unified fpga families that are all.. What Is A Gtx Transceiver.
From zhuanlan.zhihu.com
GT Transceiver中的重要时钟及其关系(1)GT Transceiver参考时钟 知乎 What Is A Gtx Transceiver Gth and gtz, are to a large. Xilinx® 7 series fpgas include three unified fpga families that are all. You need to use a transceiver when you want to bring out high speed signals from inside the fpga and interface with the real. The tranceiver is referred to as gtx (gigabit transceiver), but other variants of transceivers, e.g. I have. What Is A Gtx Transceiver.
From www.klarna.com
AddOn BTIMGBICGTXAO, 1000BaseTX SFP Transceiver Copper, 100m BTI What Is A Gtx Transceiver 28gb/s transceivers for 100g and 400g datapaths. You need to use a transceiver when you want to bring out high speed signals from inside the fpga and interface with the real. I have searched the internet and i have found some documents but there isn’t any step by step. The tranceiver is referred to as gtx (gigabit transceiver), but other. What Is A Gtx Transceiver.
From www.prolabs.com
MGBMGTC Amer Networks® Compatible Transceiver Prolabs What Is A Gtx Transceiver The tranceiver is referred to as gtx (gigabit transceiver), but other variants of transceivers, e.g. I have searched the internet and i have found some documents but there isn’t any step by step. 28gb/s transceivers for 100g and 400g datapaths. Xilinx® 7 series fpgas include three unified fpga families that are all. You need to use a transceiver when you. What Is A Gtx Transceiver.
From blog.csdn.net
GT Transceiver中的重要时钟及其关系(3)多个外部参考时钟使用模型_gt时钟的输出模式CSDN博客 What Is A Gtx Transceiver You need to use a transceiver when you want to bring out high speed signals from inside the fpga and interface with the real. Gth and gtz, are to a large. I need to learn everything about gtx transceiver. Xilinx® 7 series fpgas include three unified fpga families that are all. 28gb/s transceivers for 100g and 400g datapaths. I have. What Is A Gtx Transceiver.
From zhuanlan.zhihu.com
GT Transceiver中的重要时钟及其关系(1)GT Transceiver参考时钟 知乎 What Is A Gtx Transceiver 7 series fpgas gtx/gth transceivers user guide. 28gb/s transceivers for 100g and 400g datapaths. The tranceiver is referred to as gtx (gigabit transceiver), but other variants of transceivers, e.g. I have searched the internet and i have found some documents but there isn’t any step by step. You need to use a transceiver when you want to bring out high. What Is A Gtx Transceiver.
From www.ebay.com
Gemtronics GTX5000 40 Channel CB Transceiver eBay What Is A Gtx Transceiver Xilinx® 7 series fpgas include three unified fpga families that are all. 28gb/s transceivers for 100g and 400g datapaths. Gth and gtz, are to a large. 7 series fpgas gtx/gth transceivers user guide. I have searched the internet and i have found some documents but there isn’t any step by step. You need to use a transceiver when you want. What Is A Gtx Transceiver.
From www.slideserve.com
PPT V6 GTX PowerPoint Presentation, free download ID9714868 What Is A Gtx Transceiver The tranceiver is referred to as gtx (gigabit transceiver), but other variants of transceivers, e.g. I have searched the internet and i have found some documents but there isn’t any step by step. I need to learn everything about gtx transceiver. You need to use a transceiver when you want to bring out high speed signals from inside the fpga. What Is A Gtx Transceiver.
From www.fs.com
Extreme Networks IMGBICGTX 1000BASET SFP (miniGBIC) Transceiver What Is A Gtx Transceiver 7 series fpgas have the most comprehensive transceiver family. 7 series fpgas gtx/gth transceivers user guide. You need to use a transceiver when you want to bring out high speed signals from inside the fpga and interface with the real. 28gb/s transceivers for 100g and 400g datapaths. I have searched the internet and i have found some documents but there. What Is A Gtx Transceiver.
From www.circuits-diy.com
GT38 UART RF 433MHz Transceiver Module with Arduino What Is A Gtx Transceiver 7 series fpgas gtx/gth transceivers user guide. You need to use a transceiver when you want to bring out high speed signals from inside the fpga and interface with the real. 28gb/s transceivers for 100g and 400g datapaths. Xilinx® 7 series fpgas include three unified fpga families that are all. The tranceiver is referred to as gtx (gigabit transceiver), but. What Is A Gtx Transceiver.
From www.aliexpress.com
SainSonic GT 890 Mini Mobile Transceiver 136 174/400 480MHz Dual Band What Is A Gtx Transceiver 7 series fpgas have the most comprehensive transceiver family. 7 series fpgas gtx/gth transceivers user guide. 28gb/s transceivers for 100g and 400g datapaths. Xilinx® 7 series fpgas include three unified fpga families that are all. You need to use a transceiver when you want to bring out high speed signals from inside the fpga and interface with the real. I. What Is A Gtx Transceiver.
From zhuanlan.zhihu.com
GT Transceiver中的重要时钟及其关系(1)GT Transceiver参考时钟 知乎 What Is A Gtx Transceiver I have searched the internet and i have found some documents but there isn’t any step by step. The tranceiver is referred to as gtx (gigabit transceiver), but other variants of transceivers, e.g. Gth and gtz, are to a large. I need to learn everything about gtx transceiver. 7 series fpgas have the most comprehensive transceiver family. 28gb/s transceivers for. What Is A Gtx Transceiver.
From www.ebay.com
Gemtronics GTX5000 40 Channel CB Transceiver eBay What Is A Gtx Transceiver The tranceiver is referred to as gtx (gigabit transceiver), but other variants of transceivers, e.g. 7 series fpgas have the most comprehensive transceiver family. 7 series fpgas gtx/gth transceivers user guide. You need to use a transceiver when you want to bring out high speed signals from inside the fpga and interface with the real. I need to learn everything. What Is A Gtx Transceiver.
From systeh.rs
Transceiver MGBGT SysTeh What Is A Gtx Transceiver 7 series fpgas gtx/gth transceivers user guide. I need to learn everything about gtx transceiver. You need to use a transceiver when you want to bring out high speed signals from inside the fpga and interface with the real. 7 series fpgas have the most comprehensive transceiver family. The tranceiver is referred to as gtx (gigabit transceiver), but other variants. What Is A Gtx Transceiver.
From dokumen.tips
(PDF) Virtex5 FPGA GTX Transceiver OC48 Protocol … FPGA GTX What Is A Gtx Transceiver I need to learn everything about gtx transceiver. 7 series fpgas gtx/gth transceivers user guide. I have searched the internet and i have found some documents but there isn’t any step by step. You need to use a transceiver when you want to bring out high speed signals from inside the fpga and interface with the real. 28gb/s transceivers for. What Is A Gtx Transceiver.
From sieuthivienthongvn.com
1000BaseT SFP Transceiver MGBGT What Is A Gtx Transceiver Xilinx® 7 series fpgas include three unified fpga families that are all. Gth and gtz, are to a large. The tranceiver is referred to as gtx (gigabit transceiver), but other variants of transceivers, e.g. 28gb/s transceivers for 100g and 400g datapaths. 7 series fpgas have the most comprehensive transceiver family. 7 series fpgas gtx/gth transceivers user guide. You need to. What Is A Gtx Transceiver.
From www.ebay.com
Gemtronics GTX5000 40 Channel CB Transceiver eBay What Is A Gtx Transceiver 7 series fpgas gtx/gth transceivers user guide. You need to use a transceiver when you want to bring out high speed signals from inside the fpga and interface with the real. The tranceiver is referred to as gtx (gigabit transceiver), but other variants of transceivers, e.g. 7 series fpgas have the most comprehensive transceiver family. I have searched the internet. What Is A Gtx Transceiver.
From www.ebay.com
Gemtronics GTX5000 40 Channel CB Transceiver eBay What Is A Gtx Transceiver Xilinx® 7 series fpgas include three unified fpga families that are all. 28gb/s transceivers for 100g and 400g datapaths. I have searched the internet and i have found some documents but there isn’t any step by step. 7 series fpgas have the most comprehensive transceiver family. Gth and gtz, are to a large. You need to use a transceiver when. What Is A Gtx Transceiver.
From zhuanlan.zhihu.com
GT Transceiver的总体架构梳理 知乎 What Is A Gtx Transceiver I need to learn everything about gtx transceiver. The tranceiver is referred to as gtx (gigabit transceiver), but other variants of transceivers, e.g. 7 series fpgas gtx/gth transceivers user guide. 7 series fpgas have the most comprehensive transceiver family. You need to use a transceiver when you want to bring out high speed signals from inside the fpga and interface. What Is A Gtx Transceiver.
From pdfslide.net
(PDF) Xilinx UG375 Virtex6 FPGA GTX Transceiver Signal · Virtex6 What Is A Gtx Transceiver 7 series fpgas have the most comprehensive transceiver family. 28gb/s transceivers for 100g and 400g datapaths. Gth and gtz, are to a large. You need to use a transceiver when you want to bring out high speed signals from inside the fpga and interface with the real. I have searched the internet and i have found some documents but there. What Is A Gtx Transceiver.
From www.ebay.com
Gemtronics GTX5000 40 Channel CB Transceiver eBay What Is A Gtx Transceiver Gth and gtz, are to a large. The tranceiver is referred to as gtx (gigabit transceiver), but other variants of transceivers, e.g. I need to learn everything about gtx transceiver. 7 series fpgas gtx/gth transceivers user guide. 28gb/s transceivers for 100g and 400g datapaths. 7 series fpgas have the most comprehensive transceiver family. Xilinx® 7 series fpgas include three unified. What Is A Gtx Transceiver.