Determine The Equivalent Resistance Of The Network Shown In Figure . When we want to find the resistance across points a and b then resistance r 1 and r 2 are connected in series and resistances r 3 and r 4 are also connected in series. (a) to find the equivalent resistance, first find the equivalent resistance of the parallel connection of \(r_2\) and \(r_3\). A common error is to determine the equivalent resistance that the source drives. Then use this result to find the equivalent resistance. It is also called norton's resistance. What if we want to connect various resistors together in “both” parallel and series combinations within the same circuit to produce more complex resistive networks, how do we. \(r_n\) = the equivalent resistance of the network as seen from the two terminals a and b. It can be observed from the given circuit that in the first small loop, two resistors of resistance 1 ω each are connected in series. Remember, everything is determined from the vantage. Determine the equivalent resistance for a series connection of five resistors shown in fig. The single resistor on the right side of. Equivalent resistance simplifies a complex electrical network to a single resistor that has the same.
from askfilo.com
Equivalent resistance simplifies a complex electrical network to a single resistor that has the same. When we want to find the resistance across points a and b then resistance r 1 and r 2 are connected in series and resistances r 3 and r 4 are also connected in series. Determine the equivalent resistance for a series connection of five resistors shown in fig. The single resistor on the right side of. A common error is to determine the equivalent resistance that the source drives. Remember, everything is determined from the vantage. (a) to find the equivalent resistance, first find the equivalent resistance of the parallel connection of \(r_2\) and \(r_3\). What if we want to connect various resistors together in “both” parallel and series combinations within the same circuit to produce more complex resistive networks, how do we. It can be observed from the given circuit that in the first small loop, two resistors of resistance 1 ω each are connected in series. Then use this result to find the equivalent resistance.
12. Find the equivalent resistance of the networks shown in figure, betwe..
Determine The Equivalent Resistance Of The Network Shown In Figure Then use this result to find the equivalent resistance. A common error is to determine the equivalent resistance that the source drives. It can be observed from the given circuit that in the first small loop, two resistors of resistance 1 ω each are connected in series. Then use this result to find the equivalent resistance. (a) to find the equivalent resistance, first find the equivalent resistance of the parallel connection of \(r_2\) and \(r_3\). What if we want to connect various resistors together in “both” parallel and series combinations within the same circuit to produce more complex resistive networks, how do we. The single resistor on the right side of. Remember, everything is determined from the vantage. When we want to find the resistance across points a and b then resistance r 1 and r 2 are connected in series and resistances r 3 and r 4 are also connected in series. Equivalent resistance simplifies a complex electrical network to a single resistor that has the same. It is also called norton's resistance. \(r_n\) = the equivalent resistance of the network as seen from the two terminals a and b. Determine the equivalent resistance for a series connection of five resistors shown in fig.
From www.chegg.com
Solved Question 1 a) Find the equivalent resistance between Determine The Equivalent Resistance Of The Network Shown In Figure It can be observed from the given circuit that in the first small loop, two resistors of resistance 1 ω each are connected in series. The single resistor on the right side of. When we want to find the resistance across points a and b then resistance r 1 and r 2 are connected in series and resistances r 3. Determine The Equivalent Resistance Of The Network Shown In Figure.
From www.doubtnut.com
Find the equivalent resistance of the network shown in figure between Determine The Equivalent Resistance Of The Network Shown In Figure The single resistor on the right side of. \(r_n\) = the equivalent resistance of the network as seen from the two terminals a and b. A common error is to determine the equivalent resistance that the source drives. Remember, everything is determined from the vantage. When we want to find the resistance across points a and b then resistance r. Determine The Equivalent Resistance Of The Network Shown In Figure.
From www.numerade.com
SOLVED determine the equivalent resistance of each of the networks Determine The Equivalent Resistance Of The Network Shown In Figure Then use this result to find the equivalent resistance. Equivalent resistance simplifies a complex electrical network to a single resistor that has the same. Remember, everything is determined from the vantage. A common error is to determine the equivalent resistance that the source drives. (a) to find the equivalent resistance, first find the equivalent resistance of the parallel connection of. Determine The Equivalent Resistance Of The Network Shown In Figure.
From kunduz.com
[ANSWERED] Find the equivalent resistance of the networks shown in Kunduz Determine The Equivalent Resistance Of The Network Shown In Figure \(r_n\) = the equivalent resistance of the network as seen from the two terminals a and b. What if we want to connect various resistors together in “both” parallel and series combinations within the same circuit to produce more complex resistive networks, how do we. A common error is to determine the equivalent resistance that the source drives. When we. Determine The Equivalent Resistance Of The Network Shown In Figure.
From askfilo.com
12. Calculate the equivalent resistance of the networks shown in Fig. 9.4.. Determine The Equivalent Resistance Of The Network Shown In Figure Determine the equivalent resistance for a series connection of five resistors shown in fig. \(r_n\) = the equivalent resistance of the network as seen from the two terminals a and b. Remember, everything is determined from the vantage. Equivalent resistance simplifies a complex electrical network to a single resistor that has the same. It is also called norton's resistance. (a). Determine The Equivalent Resistance Of The Network Shown In Figure.
From www.doubtnut.com
Doubt Solutions Maths, Science, CBSE, NCERT, IIT JEE, NEET Determine The Equivalent Resistance Of The Network Shown In Figure A common error is to determine the equivalent resistance that the source drives. Equivalent resistance simplifies a complex electrical network to a single resistor that has the same. It is also called norton's resistance. \(r_n\) = the equivalent resistance of the network as seen from the two terminals a and b. It can be observed from the given circuit that. Determine The Equivalent Resistance Of The Network Shown In Figure.
From askfilo.com
12. Find the equivalent resistance of the networks shown in figure, betwe.. Determine The Equivalent Resistance Of The Network Shown In Figure The single resistor on the right side of. What if we want to connect various resistors together in “both” parallel and series combinations within the same circuit to produce more complex resistive networks, how do we. A common error is to determine the equivalent resistance that the source drives. Equivalent resistance simplifies a complex electrical network to a single resistor. Determine The Equivalent Resistance Of The Network Shown In Figure.
From www.doubtnut.com
Find the equivalent resistance of the networks shown in figure. be Determine The Equivalent Resistance Of The Network Shown In Figure A common error is to determine the equivalent resistance that the source drives. It can be observed from the given circuit that in the first small loop, two resistors of resistance 1 ω each are connected in series. Determine the equivalent resistance for a series connection of five resistors shown in fig. Remember, everything is determined from the vantage. Equivalent. Determine The Equivalent Resistance Of The Network Shown In Figure.
From www.doubtnut.com
The network of resistors. Find the equivalent resistance between point Determine The Equivalent Resistance Of The Network Shown In Figure When we want to find the resistance across points a and b then resistance r 1 and r 2 are connected in series and resistances r 3 and r 4 are also connected in series. Equivalent resistance simplifies a complex electrical network to a single resistor that has the same. It can be observed from the given circuit that in. Determine The Equivalent Resistance Of The Network Shown In Figure.
From www.doubtnut.com
Find the equivalent resistance of the network shown in figure 45E Determine The Equivalent Resistance Of The Network Shown In Figure A common error is to determine the equivalent resistance that the source drives. What if we want to connect various resistors together in “both” parallel and series combinations within the same circuit to produce more complex resistive networks, how do we. Determine the equivalent resistance for a series connection of five resistors shown in fig. (a) to find the equivalent. Determine The Equivalent Resistance Of The Network Shown In Figure.
From www.toppr.com
Find the equivalent resistance of the network shown in figure between Determine The Equivalent Resistance Of The Network Shown In Figure Then use this result to find the equivalent resistance. Determine the equivalent resistance for a series connection of five resistors shown in fig. A common error is to determine the equivalent resistance that the source drives. Equivalent resistance simplifies a complex electrical network to a single resistor that has the same. When we want to find the resistance across points. Determine The Equivalent Resistance Of The Network Shown In Figure.
From www.bartleby.com
Calculate the equivalent resistance between points P and Q of the Determine The Equivalent Resistance Of The Network Shown In Figure When we want to find the resistance across points a and b then resistance r 1 and r 2 are connected in series and resistances r 3 and r 4 are also connected in series. A common error is to determine the equivalent resistance that the source drives. Determine the equivalent resistance for a series connection of five resistors shown. Determine The Equivalent Resistance Of The Network Shown In Figure.
From askfilo.com
Find the equivalent resistance between A and B as shown in figure. Filo Determine The Equivalent Resistance Of The Network Shown In Figure (a) to find the equivalent resistance, first find the equivalent resistance of the parallel connection of \(r_2\) and \(r_3\). Then use this result to find the equivalent resistance. What if we want to connect various resistors together in “both” parallel and series combinations within the same circuit to produce more complex resistive networks, how do we. When we want to. Determine The Equivalent Resistance Of The Network Shown In Figure.
From www.doubtnut.com
Find the equivalent resistance of the circuit given in figure between Determine The Equivalent Resistance Of The Network Shown In Figure The single resistor on the right side of. Remember, everything is determined from the vantage. (a) to find the equivalent resistance, first find the equivalent resistance of the parallel connection of \(r_2\) and \(r_3\). Determine the equivalent resistance for a series connection of five resistors shown in fig. When we want to find the resistance across points a and b. Determine The Equivalent Resistance Of The Network Shown In Figure.
From www.numerade.com
SOLVED The infinite network of resistors shown in the figure extends Determine The Equivalent Resistance Of The Network Shown In Figure When we want to find the resistance across points a and b then resistance r 1 and r 2 are connected in series and resistances r 3 and r 4 are also connected in series. Then use this result to find the equivalent resistance. What if we want to connect various resistors together in “both” parallel and series combinations within. Determine The Equivalent Resistance Of The Network Shown In Figure.
From www.toppr.com
Find the equivalent resistance of the network shown in the figure Determine The Equivalent Resistance Of The Network Shown In Figure What if we want to connect various resistors together in “both” parallel and series combinations within the same circuit to produce more complex resistive networks, how do we. Remember, everything is determined from the vantage. Then use this result to find the equivalent resistance. Determine the equivalent resistance for a series connection of five resistors shown in fig. Equivalent resistance. Determine The Equivalent Resistance Of The Network Shown In Figure.
From www.numerade.com
SOLVED Determine the equivalent resistance of the network shown in figure Determine The Equivalent Resistance Of The Network Shown In Figure What if we want to connect various resistors together in “both” parallel and series combinations within the same circuit to produce more complex resistive networks, how do we. Then use this result to find the equivalent resistance. Determine the equivalent resistance for a series connection of five resistors shown in fig. (a) to find the equivalent resistance, first find the. Determine The Equivalent Resistance Of The Network Shown In Figure.
From askfilo.com
Find the equivalent resistance of the networks shown in the figure betwee.. Determine The Equivalent Resistance Of The Network Shown In Figure The single resistor on the right side of. When we want to find the resistance across points a and b then resistance r 1 and r 2 are connected in series and resistances r 3 and r 4 are also connected in series. It is also called norton's resistance. Determine the equivalent resistance for a series connection of five resistors. Determine The Equivalent Resistance Of The Network Shown In Figure.
From www.toppr.com
In the network shown in Fig.8.49, Calculate the equivalent resistance Determine The Equivalent Resistance Of The Network Shown In Figure (a) to find the equivalent resistance, first find the equivalent resistance of the parallel connection of \(r_2\) and \(r_3\). It can be observed from the given circuit that in the first small loop, two resistors of resistance 1 ω each are connected in series. What if we want to connect various resistors together in “both” parallel and series combinations within. Determine The Equivalent Resistance Of The Network Shown In Figure.
From fity.club
Equivalent Resistance Determine The Equivalent Resistance Of The Network Shown In Figure Determine the equivalent resistance for a series connection of five resistors shown in fig. \(r_n\) = the equivalent resistance of the network as seen from the two terminals a and b. (a) to find the equivalent resistance, first find the equivalent resistance of the parallel connection of \(r_2\) and \(r_3\). What if we want to connect various resistors together in. Determine The Equivalent Resistance Of The Network Shown In Figure.
From www.toppr.com
Find the equivalent resistance of the network shown in the figure Determine The Equivalent Resistance Of The Network Shown In Figure When we want to find the resistance across points a and b then resistance r 1 and r 2 are connected in series and resistances r 3 and r 4 are also connected in series. Then use this result to find the equivalent resistance. (a) to find the equivalent resistance, first find the equivalent resistance of the parallel connection of. Determine The Equivalent Resistance Of The Network Shown In Figure.
From www.toppr.com
Calculate the equivalent resistance points A and B shown in figure. the Determine The Equivalent Resistance Of The Network Shown In Figure Remember, everything is determined from the vantage. Equivalent resistance simplifies a complex electrical network to a single resistor that has the same. It can be observed from the given circuit that in the first small loop, two resistors of resistance 1 ω each are connected in series. \(r_n\) = the equivalent resistance of the network as seen from the two. Determine The Equivalent Resistance Of The Network Shown In Figure.
From byjus.com
Six resistance are connected together as shown in the figure. Calculate Determine The Equivalent Resistance Of The Network Shown In Figure It is also called norton's resistance. Equivalent resistance simplifies a complex electrical network to a single resistor that has the same. It can be observed from the given circuit that in the first small loop, two resistors of resistance 1 ω each are connected in series. Determine the equivalent resistance for a series connection of five resistors shown in fig.. Determine The Equivalent Resistance Of The Network Shown In Figure.
From askfilo.com
25. Find the equivalent resistance of the network shown in figure (32W21.. Determine The Equivalent Resistance Of The Network Shown In Figure Remember, everything is determined from the vantage. Equivalent resistance simplifies a complex electrical network to a single resistor that has the same. (a) to find the equivalent resistance, first find the equivalent resistance of the parallel connection of \(r_2\) and \(r_3\). The single resistor on the right side of. Then use this result to find the equivalent resistance. It is. Determine The Equivalent Resistance Of The Network Shown In Figure.
From www.doubtnut.com
Five resistors are connected as shown in figure. Find the equivalent Determine The Equivalent Resistance Of The Network Shown In Figure Remember, everything is determined from the vantage. Determine the equivalent resistance for a series connection of five resistors shown in fig. A common error is to determine the equivalent resistance that the source drives. Equivalent resistance simplifies a complex electrical network to a single resistor that has the same. What if we want to connect various resistors together in “both”. Determine The Equivalent Resistance Of The Network Shown In Figure.
From www.toppr.com
Find the equivalent resistance of the network shown in figure between Determine The Equivalent Resistance Of The Network Shown In Figure \(r_n\) = the equivalent resistance of the network as seen from the two terminals a and b. What if we want to connect various resistors together in “both” parallel and series combinations within the same circuit to produce more complex resistive networks, how do we. A common error is to determine the equivalent resistance that the source drives. It is. Determine The Equivalent Resistance Of The Network Shown In Figure.
From sooverviewpo.blogspot.com
Compute The Equivalent Resistance Of The Network In The Figure / I Determine The Equivalent Resistance Of The Network Shown In Figure It is also called norton's resistance. Then use this result to find the equivalent resistance. What if we want to connect various resistors together in “both” parallel and series combinations within the same circuit to produce more complex resistive networks, how do we. (a) to find the equivalent resistance, first find the equivalent resistance of the parallel connection of \(r_2\). Determine The Equivalent Resistance Of The Network Shown In Figure.
From www.doubtnut.com
Find the equivalent resistance between the terminals A and B in the Determine The Equivalent Resistance Of The Network Shown In Figure The single resistor on the right side of. A common error is to determine the equivalent resistance that the source drives. It is also called norton's resistance. Remember, everything is determined from the vantage. (a) to find the equivalent resistance, first find the equivalent resistance of the parallel connection of \(r_2\) and \(r_3\). Then use this result to find the. Determine The Equivalent Resistance Of The Network Shown In Figure.
From www.chegg.com
Solved Consider the resistor network shown in the figure Determine The Equivalent Resistance Of The Network Shown In Figure Determine the equivalent resistance for a series connection of five resistors shown in fig. The single resistor on the right side of. It is also called norton's resistance. When we want to find the resistance across points a and b then resistance r 1 and r 2 are connected in series and resistances r 3 and r 4 are also. Determine The Equivalent Resistance Of The Network Shown In Figure.
From www.toppr.com
30. Find the equivalent resistance of the network shown figure (32E7 Determine The Equivalent Resistance Of The Network Shown In Figure A common error is to determine the equivalent resistance that the source drives. \(r_n\) = the equivalent resistance of the network as seen from the two terminals a and b. Equivalent resistance simplifies a complex electrical network to a single resistor that has the same. (a) to find the equivalent resistance, first find the equivalent resistance of the parallel connection. Determine The Equivalent Resistance Of The Network Shown In Figure.
From askfilo.com
5. Find the equivalent resistance of the network shown in figure (32W21).. Determine The Equivalent Resistance Of The Network Shown In Figure When we want to find the resistance across points a and b then resistance r 1 and r 2 are connected in series and resistances r 3 and r 4 are also connected in series. Remember, everything is determined from the vantage. \(r_n\) = the equivalent resistance of the network as seen from the two terminals a and b. It. Determine The Equivalent Resistance Of The Network Shown In Figure.
From brainly.in
the equivalent resistance of the network shown in the figure the point Determine The Equivalent Resistance Of The Network Shown In Figure Determine the equivalent resistance for a series connection of five resistors shown in fig. Then use this result to find the equivalent resistance. What if we want to connect various resistors together in “both” parallel and series combinations within the same circuit to produce more complex resistive networks, how do we. A common error is to determine the equivalent resistance. Determine The Equivalent Resistance Of The Network Shown In Figure.
From www.toppr.com
Find the equivalent resistance between the points a and b of infinite Determine The Equivalent Resistance Of The Network Shown In Figure Equivalent resistance simplifies a complex electrical network to a single resistor that has the same. (a) to find the equivalent resistance, first find the equivalent resistance of the parallel connection of \(r_2\) and \(r_3\). Determine the equivalent resistance for a series connection of five resistors shown in fig. It can be observed from the given circuit that in the first. Determine The Equivalent Resistance Of The Network Shown In Figure.
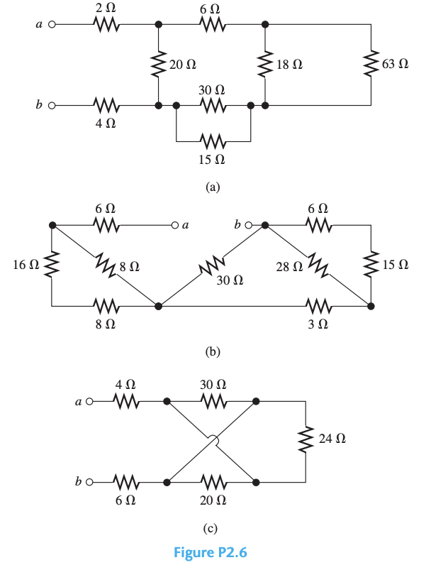
From www.chegg.com
Solved P2.6. Find the equivalent resistance between Determine The Equivalent Resistance Of The Network Shown In Figure \(r_n\) = the equivalent resistance of the network as seen from the two terminals a and b. A common error is to determine the equivalent resistance that the source drives. Equivalent resistance simplifies a complex electrical network to a single resistor that has the same. Remember, everything is determined from the vantage. Then use this result to find the equivalent. Determine The Equivalent Resistance Of The Network Shown In Figure.
From sooverviewpo.blogspot.com
Compute The Equivalent Resistance Of The Network In The Figure / I Determine The Equivalent Resistance Of The Network Shown In Figure It can be observed from the given circuit that in the first small loop, two resistors of resistance 1 ω each are connected in series. A common error is to determine the equivalent resistance that the source drives. It is also called norton's resistance. Determine the equivalent resistance for a series connection of five resistors shown in fig. Then use. Determine The Equivalent Resistance Of The Network Shown In Figure.