Spacer Flange Dimensions . Gasket's inside diameter has been considered equal to pipe's inside diameter. Asme b16.48 flat face (ff) or raised face (rf) paddle spacers (ring spacer): Spade and ring spacer flanges are specialized components used in piping systems to temporarily isolate sections for maintenance or repairs. The sealing surfaces of a spectacle blind, spade or ring spacer are usually in accordance with the face finish of the flanges. Arc alloys ltd supply and manufacture spacer flanges in a range of different sizes, specifications and materials. Technical drawing, dimensions and weights for sizes 1/2. Spades and ring spacers asme b16.48 may be used for installation between asme b16.5 flanges; Depending on a customer specification, some dimensions can be different from what on. Flange spades and ring spacers, as separate products, are used when the rotation of a spectacle blind would be difficult due to space. Outside diameter has been calculated in function of asme b16.47 a. Spacer ring flanges are specialized flanges between two conventional piping components, such as valves and pumps, to provide space for insulation or thermal expansion. A spade flange is a flat. Spades and spacer are sized for rf flanges.
from www.oflange.com
Asme b16.48 flat face (ff) or raised face (rf) paddle spacers (ring spacer): Technical drawing, dimensions and weights for sizes 1/2. Spades and spacer are sized for rf flanges. Spades and ring spacers asme b16.48 may be used for installation between asme b16.5 flanges; Flange spades and ring spacers, as separate products, are used when the rotation of a spectacle blind would be difficult due to space. The sealing surfaces of a spectacle blind, spade or ring spacer are usually in accordance with the face finish of the flanges. A spade flange is a flat. Spade and ring spacer flanges are specialized components used in piping systems to temporarily isolate sections for maintenance or repairs. Arc alloys ltd supply and manufacture spacer flanges in a range of different sizes, specifications and materials. Outside diameter has been calculated in function of asme b16.47 a.
Spacer Flange Oflange
Spacer Flange Dimensions Spades and ring spacers asme b16.48 may be used for installation between asme b16.5 flanges; Depending on a customer specification, some dimensions can be different from what on. Technical drawing, dimensions and weights for sizes 1/2. Spades and spacer are sized for rf flanges. Spacer ring flanges are specialized flanges between two conventional piping components, such as valves and pumps, to provide space for insulation or thermal expansion. Outside diameter has been calculated in function of asme b16.47 a. A spade flange is a flat. Spades and ring spacers asme b16.48 may be used for installation between asme b16.5 flanges; Flange spades and ring spacers, as separate products, are used when the rotation of a spectacle blind would be difficult due to space. Asme b16.48 flat face (ff) or raised face (rf) paddle spacers (ring spacer): Arc alloys ltd supply and manufacture spacer flanges in a range of different sizes, specifications and materials. Spade and ring spacer flanges are specialized components used in piping systems to temporarily isolate sections for maintenance or repairs. Gasket's inside diameter has been considered equal to pipe's inside diameter. The sealing surfaces of a spectacle blind, spade or ring spacer are usually in accordance with the face finish of the flanges.
From lessonlibraryguangos.z21.web.core.windows.net
Standard Flange Dimensions Chart Pdf Spacer Flange Dimensions Arc alloys ltd supply and manufacture spacer flanges in a range of different sizes, specifications and materials. Outside diameter has been calculated in function of asme b16.47 a. Spacer ring flanges are specialized flanges between two conventional piping components, such as valves and pumps, to provide space for insulation or thermal expansion. Flange spades and ring spacers, as separate products,. Spacer Flange Dimensions.
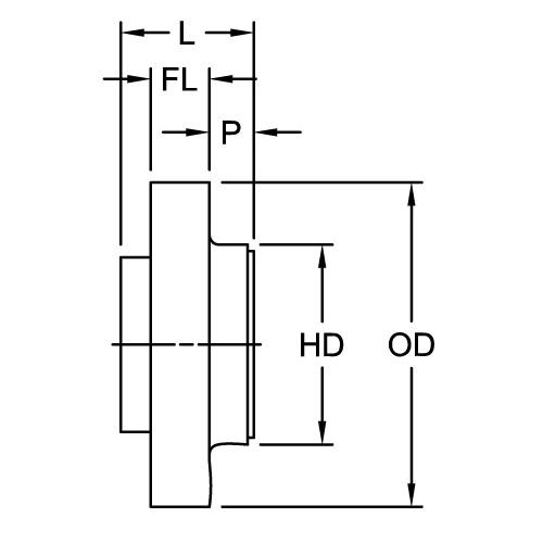
From www.reece.com.au
Dura Meter Spacer Set 316 Stainless Steel Flange x Flange 100mm from Reece Spacer Flange Dimensions Outside diameter has been calculated in function of asme b16.47 a. Spacer ring flanges are specialized flanges between two conventional piping components, such as valves and pumps, to provide space for insulation or thermal expansion. Spade and ring spacer flanges are specialized components used in piping systems to temporarily isolate sections for maintenance or repairs. Flange spades and ring spacers,. Spacer Flange Dimensions.
From www.jmesales.com
Dixon 4 in. Aluminum TTMA Flange Spacer w/ 1/2 in. FNPT Port John M Spacer Flange Dimensions Gasket's inside diameter has been considered equal to pipe's inside diameter. Arc alloys ltd supply and manufacture spacer flanges in a range of different sizes, specifications and materials. A spade flange is a flat. Flange spades and ring spacers, as separate products, are used when the rotation of a spectacle blind would be difficult due to space. Spacer ring flanges. Spacer Flange Dimensions.
From www.bossgoo.com
Din Flange Dimension,counter Flange,pipe Flange Spacer, High Quality Spacer Flange Dimensions The sealing surfaces of a spectacle blind, spade or ring spacer are usually in accordance with the face finish of the flanges. Arc alloys ltd supply and manufacture spacer flanges in a range of different sizes, specifications and materials. Spacer ring flanges are specialized flanges between two conventional piping components, such as valves and pumps, to provide space for insulation. Spacer Flange Dimensions.
From fiama-us.com
FL spacer flange for OP/EP position indicators FIAMA Spacer Flange Dimensions A spade flange is a flat. Depending on a customer specification, some dimensions can be different from what on. Asme b16.48 flat face (ff) or raised face (rf) paddle spacers (ring spacer): Spacer ring flanges are specialized flanges between two conventional piping components, such as valves and pumps, to provide space for insulation or thermal expansion. Arc alloys ltd supply. Spacer Flange Dimensions.
From www.oflange.com
Spacer Flange Oflange Spacer Flange Dimensions Technical drawing, dimensions and weights for sizes 1/2. Depending on a customer specification, some dimensions can be different from what on. Outside diameter has been calculated in function of asme b16.47 a. Arc alloys ltd supply and manufacture spacer flanges in a range of different sizes, specifications and materials. Spade and ring spacer flanges are specialized components used in piping. Spacer Flange Dimensions.
From usmegastore.com
Order 68514454202 by Lovejoy SC Type Spacer Flange, Diameter 13.875 in Spacer Flange Dimensions Technical drawing, dimensions and weights for sizes 1/2. Spades and spacer are sized for rf flanges. Arc alloys ltd supply and manufacture spacer flanges in a range of different sizes, specifications and materials. Gasket's inside diameter has been considered equal to pipe's inside diameter. A spade flange is a flat. Spacer ring flanges are specialized flanges between two conventional piping. Spacer Flange Dimensions.
From blog.thepipingmart.com
Installation Guide for Spacer Blind Flanges Best Practices and Tips Spacer Flange Dimensions Asme b16.48 flat face (ff) or raised face (rf) paddle spacers (ring spacer): Spade and ring spacer flanges are specialized components used in piping systems to temporarily isolate sections for maintenance or repairs. Spacer ring flanges are specialized flanges between two conventional piping components, such as valves and pumps, to provide space for insulation or thermal expansion. Gasket's inside diameter. Spacer Flange Dimensions.
From blog.thepipingmart.com
What is Spacer Ring Flanges? Dimensions, Uses and Types Spacer Flange Dimensions Spacer ring flanges are specialized flanges between two conventional piping components, such as valves and pumps, to provide space for insulation or thermal expansion. Asme b16.48 flat face (ff) or raised face (rf) paddle spacers (ring spacer): Spades and ring spacers asme b16.48 may be used for installation between asme b16.5 flanges; Outside diameter has been calculated in function of. Spacer Flange Dimensions.
From www.micronsteel.com
AS/NZS 4331.1 Ample Alloys Spacer Flange Dimensions Spacer ring flanges are specialized flanges between two conventional piping components, such as valves and pumps, to provide space for insulation or thermal expansion. Technical drawing, dimensions and weights for sizes 1/2. Spade and ring spacer flanges are specialized components used in piping systems to temporarily isolate sections for maintenance or repairs. Spades and spacer are sized for rf flanges.. Spacer Flange Dimensions.
From www.indiamart.com
Spacer Flange at best price in Mumbai by Madras Engineering Works ID Spacer Flange Dimensions Asme b16.48 flat face (ff) or raised face (rf) paddle spacers (ring spacer): Spades and ring spacers asme b16.48 may be used for installation between asme b16.5 flanges; Gasket's inside diameter has been considered equal to pipe's inside diameter. Spade and ring spacer flanges are specialized components used in piping systems to temporarily isolate sections for maintenance or repairs. Flange. Spacer Flange Dimensions.
From www.vishalsteel.com
Class 150 Flange manufacturer ANSI 150 WNRF/Slip On Flange Dimension Spacer Flange Dimensions Spades and spacer are sized for rf flanges. Gasket's inside diameter has been considered equal to pipe's inside diameter. Spacer ring flanges are specialized flanges between two conventional piping components, such as valves and pumps, to provide space for insulation or thermal expansion. A spade flange is a flat. Outside diameter has been calculated in function of asme b16.47 a.. Spacer Flange Dimensions.
From marcelforged.com
Swivel Ring Flange Manufacturer, ASME B16.5 Swivel Flange, Rotating Spacer Flange Dimensions Gasket's inside diameter has been considered equal to pipe's inside diameter. Spacer ring flanges are specialized flanges between two conventional piping components, such as valves and pumps, to provide space for insulation or thermal expansion. Spade and ring spacer flanges are specialized components used in piping systems to temporarily isolate sections for maintenance or repairs. Asme b16.48 flat face (ff). Spacer Flange Dimensions.
From www.oflange.com
Spacer Flange Oflange Spacer Flange Dimensions Outside diameter has been calculated in function of asme b16.47 a. Spades and spacer are sized for rf flanges. Flange spades and ring spacers, as separate products, are used when the rotation of a spectacle blind would be difficult due to space. Arc alloys ltd supply and manufacture spacer flanges in a range of different sizes, specifications and materials. The. Spacer Flange Dimensions.
From blog.projectmaterials.com
Spectacle Blind, Flange Spade, Ring Spacer (ASME B16.48) Projectmaterials Spacer Flange Dimensions Spacer ring flanges are specialized flanges between two conventional piping components, such as valves and pumps, to provide space for insulation or thermal expansion. Spades and ring spacers asme b16.48 may be used for installation between asme b16.5 flanges; Technical drawing, dimensions and weights for sizes 1/2. Flange spades and ring spacers, as separate products, are used when the rotation. Spacer Flange Dimensions.
From creativepiping.com
ANSI B 16.5 Class 600 flange dimensions in mm Spacer Flange Dimensions Asme b16.48 flat face (ff) or raised face (rf) paddle spacers (ring spacer): The sealing surfaces of a spectacle blind, spade or ring spacer are usually in accordance with the face finish of the flanges. Spacer ring flanges are specialized flanges between two conventional piping components, such as valves and pumps, to provide space for insulation or thermal expansion. Spade. Spacer Flange Dimensions.
From blog.thepipingmart.com
Spacer Ring Flange vs SlipOn Flange What's the Difference Spacer Flange Dimensions Depending on a customer specification, some dimensions can be different from what on. Arc alloys ltd supply and manufacture spacer flanges in a range of different sizes, specifications and materials. Gasket's inside diameter has been considered equal to pipe's inside diameter. Spade and ring spacer flanges are specialized components used in piping systems to temporarily isolate sections for maintenance or. Spacer Flange Dimensions.
From skylandmetal.in
ASME B16.5 Class 150 Flange, Flanges 150 lb Dimensions, Flange 150 Spacer Flange Dimensions Spade and ring spacer flanges are specialized components used in piping systems to temporarily isolate sections for maintenance or repairs. A spade flange is a flat. Spades and ring spacers asme b16.48 may be used for installation between asme b16.5 flanges; Spades and spacer are sized for rf flanges. Spacer ring flanges are specialized flanges between two conventional piping components,. Spacer Flange Dimensions.
From www.oflange.com
Spacer Flange Oflange Spacer Flange Dimensions Gasket's inside diameter has been considered equal to pipe's inside diameter. Arc alloys ltd supply and manufacture spacer flanges in a range of different sizes, specifications and materials. A spade flange is a flat. Depending on a customer specification, some dimensions can be different from what on. Asme b16.48 flat face (ff) or raised face (rf) paddle spacers (ring spacer):. Spacer Flange Dimensions.
From vrre.univ-mosta.dz
JIS B2220 Flange And JIS 5K/ 10k Flanges Dimensions And, 55 OFF Spacer Flange Dimensions Spacer ring flanges are specialized flanges between two conventional piping components, such as valves and pumps, to provide space for insulation or thermal expansion. The sealing surfaces of a spectacle blind, spade or ring spacer are usually in accordance with the face finish of the flanges. Spades and spacer are sized for rf flanges. Gasket's inside diameter has been considered. Spacer Flange Dimensions.
From gpmsurplus.com
DN100/114.3 Type 04A 5.25″ Stainless Steel Flange Spacer GPM Surplus Spacer Flange Dimensions Gasket's inside diameter has been considered equal to pipe's inside diameter. Flange spades and ring spacers, as separate products, are used when the rotation of a spectacle blind would be difficult due to space. Outside diameter has been calculated in function of asme b16.47 a. Spades and spacer are sized for rf flanges. Depending on a customer specification, some dimensions. Spacer Flange Dimensions.
From www.scribd.com
Dimensions of Spades (Paddle Blank) and Ring Spacers (Paddle Spacer Spacer Flange Dimensions Outside diameter has been calculated in function of asme b16.47 a. Spacer ring flanges are specialized flanges between two conventional piping components, such as valves and pumps, to provide space for insulation or thermal expansion. Depending on a customer specification, some dimensions can be different from what on. The sealing surfaces of a spectacle blind, spade or ring spacer are. Spacer Flange Dimensions.
From www.tritonalloysinc.in
Ring Spacer Flanges, ASTM A182 Stainless Steel Ring Spacer Flanges Spacer Flange Dimensions The sealing surfaces of a spectacle blind, spade or ring spacer are usually in accordance with the face finish of the flanges. A spade flange is a flat. Outside diameter has been calculated in function of asme b16.47 a. Spade and ring spacer flanges are specialized components used in piping systems to temporarily isolate sections for maintenance or repairs. Arc. Spacer Flange Dimensions.
From blog.thepipingmart.com
B16.48 Spectable Blind, Paddle and Spacer Ring Flanges 150 lbs Spacer Flange Dimensions Technical drawing, dimensions and weights for sizes 1/2. A spade flange is a flat. Outside diameter has been calculated in function of asme b16.47 a. Flange spades and ring spacers, as separate products, are used when the rotation of a spectacle blind would be difficult due to space. Spade and ring spacer flanges are specialized components used in piping systems. Spacer Flange Dimensions.
From www.xhval.com
Flange Connection Types Pipe Flanges Selection Guides You Spacer Flange Dimensions Depending on a customer specification, some dimensions can be different from what on. Gasket's inside diameter has been considered equal to pipe's inside diameter. Arc alloys ltd supply and manufacture spacer flanges in a range of different sizes, specifications and materials. Flange spades and ring spacers, as separate products, are used when the rotation of a spectacle blind would be. Spacer Flange Dimensions.
From mpjainco.com
spade and ring spacer flange manufacturers, class 150 to class 2500 Spacer Flange Dimensions Arc alloys ltd supply and manufacture spacer flanges in a range of different sizes, specifications and materials. Spades and ring spacers asme b16.48 may be used for installation between asme b16.5 flanges; The sealing surfaces of a spectacle blind, spade or ring spacer are usually in accordance with the face finish of the flanges. Flange spades and ring spacers, as. Spacer Flange Dimensions.
From www.rajtilakmetal.com
Spades Ring Spacers Flanges and Stainless Steel Paddle Spacer Spacer Flange Dimensions Depending on a customer specification, some dimensions can be different from what on. A spade flange is a flat. Spades and ring spacers asme b16.48 may be used for installation between asme b16.5 flanges; Gasket's inside diameter has been considered equal to pipe's inside diameter. Spacer ring flanges are specialized flanges between two conventional piping components, such as valves and. Spacer Flange Dimensions.
From blog.thepipingmart.com
B16.48 Spectable Blind, Paddle and Spacer Ring Flanges 150 lbs Spacer Flange Dimensions Asme b16.48 flat face (ff) or raised face (rf) paddle spacers (ring spacer): Spade and ring spacer flanges are specialized components used in piping systems to temporarily isolate sections for maintenance or repairs. Spades and spacer are sized for rf flanges. A spade flange is a flat. Outside diameter has been calculated in function of asme b16.47 a. Technical drawing,. Spacer Flange Dimensions.
From www.oflange.com
Spacer Flange Oflange Spacer Flange Dimensions A spade flange is a flat. Spade and ring spacer flanges are specialized components used in piping systems to temporarily isolate sections for maintenance or repairs. Outside diameter has been calculated in function of asme b16.47 a. Technical drawing, dimensions and weights for sizes 1/2. Flange spades and ring spacers, as separate products, are used when the rotation of a. Spacer Flange Dimensions.
From blog.thepipingmart.com
B16.5 Spectable Blind, Paddle and Spacer Ring Flanges 600 lbs Spacer Flange Dimensions Spades and spacer are sized for rf flanges. A spade flange is a flat. Depending on a customer specification, some dimensions can be different from what on. Spades and ring spacers asme b16.48 may be used for installation between asme b16.5 flanges; Technical drawing, dimensions and weights for sizes 1/2. Spade and ring spacer flanges are specialized components used in. Spacer Flange Dimensions.
From covington-engineering.com
Aluminum Spacer & Flanges Covington Corporation Spacer Flange Dimensions Flange spades and ring spacers, as separate products, are used when the rotation of a spectacle blind would be difficult due to space. Gasket's inside diameter has been considered equal to pipe's inside diameter. A spade flange is a flat. The sealing surfaces of a spectacle blind, spade or ring spacer are usually in accordance with the face finish of. Spacer Flange Dimensions.
From www.oflange.com
Spacer Flange Oflange Spacer Flange Dimensions Gasket's inside diameter has been considered equal to pipe's inside diameter. Arc alloys ltd supply and manufacture spacer flanges in a range of different sizes, specifications and materials. A spade flange is a flat. Spade and ring spacer flanges are specialized components used in piping systems to temporarily isolate sections for maintenance or repairs. Spacer ring flanges are specialized flanges. Spacer Flange Dimensions.
From www.scribd.com
Dimensions and Weights of Spades (Paddle blank) and Ring Spacers Spacer Flange Dimensions Depending on a customer specification, some dimensions can be different from what on. Spade and ring spacer flanges are specialized components used in piping systems to temporarily isolate sections for maintenance or repairs. Asme b16.48 flat face (ff) or raised face (rf) paddle spacers (ring spacer): Flange spades and ring spacers, as separate products, are used when the rotation of. Spacer Flange Dimensions.
From blog.projectmaterials.com
Spectacle Blind, Flange Spade, Ring Spacer (ASME B16.48) Projectmaterials Spacer Flange Dimensions Arc alloys ltd supply and manufacture spacer flanges in a range of different sizes, specifications and materials. Outside diameter has been calculated in function of asme b16.47 a. Spades and spacer are sized for rf flanges. A spade flange is a flat. Flange spades and ring spacers, as separate products, are used when the rotation of a spectacle blind would. Spacer Flange Dimensions.
From blog.thepipingmart.com
Spade and Ring Spacer Flange Uses, Welding, and Types Spacer Flange Dimensions Spades and ring spacers asme b16.48 may be used for installation between asme b16.5 flanges; Spade and ring spacer flanges are specialized components used in piping systems to temporarily isolate sections for maintenance or repairs. Flange spades and ring spacers, as separate products, are used when the rotation of a spectacle blind would be difficult due to space. Asme b16.48. Spacer Flange Dimensions.