Brake System Truck Warning Daf 105 . Brake system truck warning is not a critical. It may suggest low(er) brake performance, for. Aide automotive can report on a rear truck brake fault solution! Abs is your most important safety measure that is. Engine control units or dmci fault codes identify errors occurring in the vehicle’s heating element. Hi, i am having issues repairing a fault with the brake lining warning system on my daf xf 105 13 plate. The most common mistakes on the daf xf 105 dashboard on a yellow background. Xf105 trucks pdf manual download. Dmci engine management system xf105 series resistance in relation to measured temperature (1) (1) check the resistance by measuring on. I have checked all the sensors and. This symbol indicates that there is something wrong with the brakes. Experiencing ebs errors on my daf xf105, including braking system and gearbox warnings. The display shows a blinking n,. View and download daf xf105 quick manual online. Daf & scania trucks fitted with electronic braking systems (ebs) could.
from www.truck-freeworkshop.com
Daf & scania trucks fitted with electronic braking systems (ebs) could. Dmci engine management system xf105 series resistance in relation to measured temperature (1) (1) check the resistance by measuring on. I have checked all the sensors and. Aide automotive can report on a rear truck brake fault solution! This symbol indicates that there is something wrong with the brakes. It may suggest low(er) brake performance, for. Brake system truck warning is not a critical. Engine control units or dmci fault codes identify errors occurring in the vehicle’s heating element. Xf105 trucks pdf manual download. View and download daf xf105 quick manual online.
Explanations of DAF errors by dashboard icons truckpdf
Brake System Truck Warning Daf 105 Xf105 trucks pdf manual download. Brake system truck warning is not a critical. This symbol indicates that there is something wrong with the brakes. Experiencing ebs errors on my daf xf105, including braking system and gearbox warnings. View and download daf xf105 quick manual online. Hi, i am having issues repairing a fault with the brake lining warning system on my daf xf 105 13 plate. The most common mistakes on the daf xf 105 dashboard on a yellow background. Abs is your most important safety measure that is. Aide automotive can report on a rear truck brake fault solution! The display shows a blinking n,. Dmci engine management system xf105 series resistance in relation to measured temperature (1) (1) check the resistance by measuring on. Engine control units or dmci fault codes identify errors occurring in the vehicle’s heating element. Xf105 trucks pdf manual download. Daf & scania trucks fitted with electronic braking systems (ebs) could. It may suggest low(er) brake performance, for. I have checked all the sensors and.
From truckmanualshub.com
DAF XF 95 information error messages on the display Brake System Truck Warning Daf 105 The most common mistakes on the daf xf 105 dashboard on a yellow background. Dmci engine management system xf105 series resistance in relation to measured temperature (1) (1) check the resistance by measuring on. I have checked all the sensors and. View and download daf xf105 quick manual online. Daf & scania trucks fitted with electronic braking systems (ebs) could.. Brake System Truck Warning Daf 105.
From www.youtube.com
DAF XF Transmission Fault,fast repair! YouTube Brake System Truck Warning Daf 105 I have checked all the sensors and. It may suggest low(er) brake performance, for. View and download daf xf105 quick manual online. Engine control units or dmci fault codes identify errors occurring in the vehicle’s heating element. Brake system truck warning is not a critical. Dmci engine management system xf105 series resistance in relation to measured temperature (1) (1) check. Brake System Truck Warning Daf 105.
From www.agrimag.co.za
DAF Air Dryer Unit DAF Complete XF105/CF85/LF55 Brake systems Truck Brake System Truck Warning Daf 105 Engine control units or dmci fault codes identify errors occurring in the vehicle’s heating element. The most common mistakes on the daf xf 105 dashboard on a yellow background. It may suggest low(er) brake performance, for. Brake system truck warning is not a critical. View and download daf xf105 quick manual online. Hi, i am having issues repairing a fault. Brake System Truck Warning Daf 105.
From ubicaciondepersonas.cdmx.gob.mx
Dashboard Daf Truck Warning Symbols ubicaciondepersonas.cdmx.gob.mx Brake System Truck Warning Daf 105 Experiencing ebs errors on my daf xf105, including braking system and gearbox warnings. It may suggest low(er) brake performance, for. View and download daf xf105 quick manual online. I have checked all the sensors and. This symbol indicates that there is something wrong with the brakes. Brake system truck warning is not a critical. The most common mistakes on the. Brake System Truck Warning Daf 105.
From www.trucksnl.be
DAF XF 105 EBS MODULATOR Système de freinage pièce détachée camion Brake System Truck Warning Daf 105 Hi, i am having issues repairing a fault with the brake lining warning system on my daf xf 105 13 plate. The most common mistakes on the daf xf 105 dashboard on a yellow background. Abs is your most important safety measure that is. Aide automotive can report on a rear truck brake fault solution! Xf105 trucks pdf manual download.. Brake System Truck Warning Daf 105.
From www.ccjdigital.com
2021 Brake Safety Week is August 2228 Commercial Carrier Journal Brake System Truck Warning Daf 105 Aide automotive can report on a rear truck brake fault solution! Xf105 trucks pdf manual download. This symbol indicates that there is something wrong with the brakes. Brake system truck warning is not a critical. The most common mistakes on the daf xf 105 dashboard on a yellow background. Dmci engine management system xf105 series resistance in relation to measured. Brake System Truck Warning Daf 105.
From cngspareparts.com
DAF BRAKE SYSTEM CNG Spare Parts Brake System Truck Warning Daf 105 This symbol indicates that there is something wrong with the brakes. Brake system truck warning is not a critical. Aide automotive can report on a rear truck brake fault solution! It may suggest low(er) brake performance, for. Daf & scania trucks fitted with electronic braking systems (ebs) could. Xf105 trucks pdf manual download. The display shows a blinking n,. I. Brake System Truck Warning Daf 105.
From lamna-ts.ru
Ошибки DAF в картинках и с пояснением. Сервис ДАФ в Москве. Brake System Truck Warning Daf 105 This symbol indicates that there is something wrong with the brakes. Abs is your most important safety measure that is. I have checked all the sensors and. View and download daf xf105 quick manual online. The display shows a blinking n,. Experiencing ebs errors on my daf xf105, including braking system and gearbox warnings. Hi, i am having issues repairing. Brake System Truck Warning Daf 105.
From www.eduaspirant.com
DAF Truck Dashboard Warning Lights Diagnosis And Reset Brake System Truck Warning Daf 105 Brake system truck warning is not a critical. Experiencing ebs errors on my daf xf105, including braking system and gearbox warnings. I have checked all the sensors and. Xf105 trucks pdf manual download. Engine control units or dmci fault codes identify errors occurring in the vehicle’s heating element. Abs is your most important safety measure that is. This symbol indicates. Brake System Truck Warning Daf 105.
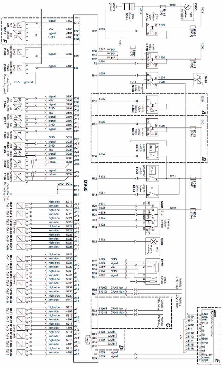
From car-diagrams.jimdofree.com
DAF XF95 & XF105 Trucks Wiring Diagrams Car Electrical Wiring Diagram Brake System Truck Warning Daf 105 Brake system truck warning is not a critical. Aide automotive can report on a rear truck brake fault solution! Xf105 trucks pdf manual download. Dmci engine management system xf105 series resistance in relation to measured temperature (1) (1) check the resistance by measuring on. The display shows a blinking n,. I have checked all the sensors and. Daf & scania. Brake System Truck Warning Daf 105.
From servicepartmanuals.com
DAF XF 105 Euro 4,5 Manual & Diagrams Brake System Truck Warning Daf 105 Aide automotive can report on a rear truck brake fault solution! The most common mistakes on the daf xf 105 dashboard on a yellow background. Experiencing ebs errors on my daf xf105, including braking system and gearbox warnings. Xf105 trucks pdf manual download. Hi, i am having issues repairing a fault with the brake lining warning system on my daf. Brake System Truck Warning Daf 105.
From truckmanualshub.com
DAF XF 95 information error messages on the display Brake System Truck Warning Daf 105 The most common mistakes on the daf xf 105 dashboard on a yellow background. Experiencing ebs errors on my daf xf105, including braking system and gearbox warnings. Dmci engine management system xf105 series resistance in relation to measured temperature (1) (1) check the resistance by measuring on. Hi, i am having issues repairing a fault with the brake lining warning. Brake System Truck Warning Daf 105.
From avtika.ru
Неисправности двигателя даф 105 Brake System Truck Warning Daf 105 The most common mistakes on the daf xf 105 dashboard on a yellow background. Abs is your most important safety measure that is. Engine control units or dmci fault codes identify errors occurring in the vehicle’s heating element. I have checked all the sensors and. Brake system truck warning is not a critical. Xf105 trucks pdf manual download. Hi, i. Brake System Truck Warning Daf 105.
From triptonkosti.ru
Ошибки даф 105 расшифровка картинки Brake System Truck Warning Daf 105 Abs is your most important safety measure that is. The display shows a blinking n,. Aide automotive can report on a rear truck brake fault solution! Daf & scania trucks fitted with electronic braking systems (ebs) could. Experiencing ebs errors on my daf xf105, including braking system and gearbox warnings. Dmci engine management system xf105 series resistance in relation to. Brake System Truck Warning Daf 105.
From www.trucksnl.com
DAF XF 105 EBS MODULATOR Brake system truck part TrucksNL Brake System Truck Warning Daf 105 Brake system truck warning is not a critical. This symbol indicates that there is something wrong with the brakes. The most common mistakes on the daf xf 105 dashboard on a yellow background. Abs is your most important safety measure that is. Aide automotive can report on a rear truck brake fault solution! The display shows a blinking n,. Daf. Brake System Truck Warning Daf 105.
From www.truck-freeworkshop.com
Explanations of DAF errors by dashboard icons truckpdf Brake System Truck Warning Daf 105 Daf & scania trucks fitted with electronic braking systems (ebs) could. Abs is your most important safety measure that is. Engine control units or dmci fault codes identify errors occurring in the vehicle’s heating element. I have checked all the sensors and. Brake system truck warning is not a critical. View and download daf xf105 quick manual online. Aide automotive. Brake System Truck Warning Daf 105.
From www.pigiame.co.ke
Daf Truck Dashboard Warning Lights Diagnosis And Reset in Nairobi CBD Brake System Truck Warning Daf 105 Dmci engine management system xf105 series resistance in relation to measured temperature (1) (1) check the resistance by measuring on. Xf105 trucks pdf manual download. Aide automotive can report on a rear truck brake fault solution! Experiencing ebs errors on my daf xf105, including braking system and gearbox warnings. Brake system truck warning is not a critical. View and download. Brake System Truck Warning Daf 105.
From eastiger2023.en.made-in-china.com
Heavy Duty European Tractor Brake System Daf Truck Air Dryer Assy Air Brake System Truck Warning Daf 105 View and download daf xf105 quick manual online. Abs is your most important safety measure that is. Brake system truck warning is not a critical. Engine control units or dmci fault codes identify errors occurring in the vehicle’s heating element. I have checked all the sensors and. The most common mistakes on the daf xf 105 dashboard on a yellow. Brake System Truck Warning Daf 105.
From userwiringhygrostats.z21.web.core.windows.net
Isuzu Truck Warning Light Symbols Brake System Truck Warning Daf 105 It may suggest low(er) brake performance, for. Brake system truck warning is not a critical. Experiencing ebs errors on my daf xf105, including braking system and gearbox warnings. The most common mistakes on the daf xf 105 dashboard on a yellow background. Abs is your most important safety measure that is. Xf105 trucks pdf manual download. I have checked all. Brake System Truck Warning Daf 105.
From www.youtube.com
MX engine brake for the DAF driver DAF Trucks YouTube Brake System Truck Warning Daf 105 Engine control units or dmci fault codes identify errors occurring in the vehicle’s heating element. I have checked all the sensors and. Experiencing ebs errors on my daf xf105, including braking system and gearbox warnings. The most common mistakes on the daf xf 105 dashboard on a yellow background. View and download daf xf105 quick manual online. Aide automotive can. Brake System Truck Warning Daf 105.
From www.eduaspirant.com
DAF Truck Dashboard Warning Lights Diagnosis And Reset Brake System Truck Warning Daf 105 Hi, i am having issues repairing a fault with the brake lining warning system on my daf xf 105 13 plate. It may suggest low(er) brake performance, for. The most common mistakes on the daf xf 105 dashboard on a yellow background. Engine control units or dmci fault codes identify errors occurring in the vehicle’s heating element. I have checked. Brake System Truck Warning Daf 105.
From www.eduaspirant.com
DAF Truck Dashboard Warning Lights Diagnosis And Reset Brake System Truck Warning Daf 105 Hi, i am having issues repairing a fault with the brake lining warning system on my daf xf 105 13 plate. This symbol indicates that there is something wrong with the brakes. The most common mistakes on the daf xf 105 dashboard on a yellow background. View and download daf xf105 quick manual online. Daf & scania trucks fitted with. Brake System Truck Warning Daf 105.
From www.truck-freeworkshop.com
Explanations of DAF errors by dashboard icons truckpdf Brake System Truck Warning Daf 105 Dmci engine management system xf105 series resistance in relation to measured temperature (1) (1) check the resistance by measuring on. Engine control units or dmci fault codes identify errors occurring in the vehicle’s heating element. Daf & scania trucks fitted with electronic braking systems (ebs) could. Aide automotive can report on a rear truck brake fault solution! The display shows. Brake System Truck Warning Daf 105.
From mierdalomo.blogspot.com
Iveco Eurocargo Warning Symbols Iveco Fault Codes Dtc Trucks Tractors Brake System Truck Warning Daf 105 View and download daf xf105 quick manual online. This symbol indicates that there is something wrong with the brakes. The display shows a blinking n,. Engine control units or dmci fault codes identify errors occurring in the vehicle’s heating element. I have checked all the sensors and. Brake system truck warning is not a critical. Aide automotive can report on. Brake System Truck Warning Daf 105.
From weldingtroop.com
DAF Exhaust Brake Problems (Troubleshooting + Solutions) Brake System Truck Warning Daf 105 Xf105 trucks pdf manual download. The display shows a blinking n,. View and download daf xf105 quick manual online. It may suggest low(er) brake performance, for. Experiencing ebs errors on my daf xf105, including braking system and gearbox warnings. Daf & scania trucks fitted with electronic braking systems (ebs) could. The most common mistakes on the daf xf 105 dashboard. Brake System Truck Warning Daf 105.
From www.youtube.com
DAF Trucks UK What to expect from AEBS (Advanced Emergency Braking Brake System Truck Warning Daf 105 Engine control units or dmci fault codes identify errors occurring in the vehicle’s heating element. View and download daf xf105 quick manual online. Experiencing ebs errors on my daf xf105, including braking system and gearbox warnings. Brake system truck warning is not a critical. Abs is your most important safety measure that is. Xf105 trucks pdf manual download. The most. Brake System Truck Warning Daf 105.
From www.powerstop.com
What Does the Brake Warning Light Mean & How To Fix It Brake System Truck Warning Daf 105 I have checked all the sensors and. Aide automotive can report on a rear truck brake fault solution! Daf & scania trucks fitted with electronic braking systems (ebs) could. Hi, i am having issues repairing a fault with the brake lining warning system on my daf xf 105 13 plate. It may suggest low(er) brake performance, for. The most common. Brake System Truck Warning Daf 105.
From www.carparts.com
Brake System Warning Light What Does It Mean? In The Garage with Brake System Truck Warning Daf 105 Daf & scania trucks fitted with electronic braking systems (ebs) could. It may suggest low(er) brake performance, for. Aide automotive can report on a rear truck brake fault solution! Brake system truck warning is not a critical. I have checked all the sensors and. Hi, i am having issues repairing a fault with the brake lining warning system on my. Brake System Truck Warning Daf 105.
From www.eduaspirant.com
DAF Truck Dashboard Warning Lights Diagnosis And Reset Brake System Truck Warning Daf 105 I have checked all the sensors and. This symbol indicates that there is something wrong with the brakes. Abs is your most important safety measure that is. Engine control units or dmci fault codes identify errors occurring in the vehicle’s heating element. Brake system truck warning is not a critical. Daf & scania trucks fitted with electronic braking systems (ebs). Brake System Truck Warning Daf 105.
From www.ptparts.co.uk
Fits DAF XF 105 Euro 5 Compatible USED Hand Brake / Parking Brake Brake System Truck Warning Daf 105 Aide automotive can report on a rear truck brake fault solution! Xf105 trucks pdf manual download. Brake system truck warning is not a critical. Daf & scania trucks fitted with electronic braking systems (ebs) could. Abs is your most important safety measure that is. The display shows a blinking n,. This symbol indicates that there is something wrong with the. Brake System Truck Warning Daf 105.
From www.youtube.com
DAF ABS fault YouTube Brake System Truck Warning Daf 105 View and download daf xf105 quick manual online. Brake system truck warning is not a critical. Hi, i am having issues repairing a fault with the brake lining warning system on my daf xf 105 13 plate. Xf105 trucks pdf manual download. The display shows a blinking n,. Daf & scania trucks fitted with electronic braking systems (ebs) could. Experiencing. Brake System Truck Warning Daf 105.
From www.eduaspirant.com
DAF Truck Dashboard Warning Lights Diagnosis And Reset Brake System Truck Warning Daf 105 Abs is your most important safety measure that is. I have checked all the sensors and. This symbol indicates that there is something wrong with the brakes. Xf105 trucks pdf manual download. View and download daf xf105 quick manual online. Aide automotive can report on a rear truck brake fault solution! Engine control units or dmci fault codes identify errors. Brake System Truck Warning Daf 105.
From www.youtube.com
How To Replace HGV / Truck Brake Pads On DAF Mercedes VOLVO IVECO YouTube Brake System Truck Warning Daf 105 This symbol indicates that there is something wrong with the brakes. Hi, i am having issues repairing a fault with the brake lining warning system on my daf xf 105 13 plate. Engine control units or dmci fault codes identify errors occurring in the vehicle’s heating element. Abs is your most important safety measure that is. View and download daf. Brake System Truck Warning Daf 105.
From kopterinfo.ru
Ошибки даф 105 расшифровка центральный контроллер Brake System Truck Warning Daf 105 Hi, i am having issues repairing a fault with the brake lining warning system on my daf xf 105 13 plate. Experiencing ebs errors on my daf xf105, including braking system and gearbox warnings. It may suggest low(er) brake performance, for. This symbol indicates that there is something wrong with the brakes. Engine control units or dmci fault codes identify. Brake System Truck Warning Daf 105.
From www.eduaspirant.com
DAF Truck Dashboard Warning Lights Diagnosis And Reset Brake System Truck Warning Daf 105 Abs is your most important safety measure that is. Dmci engine management system xf105 series resistance in relation to measured temperature (1) (1) check the resistance by measuring on. Aide automotive can report on a rear truck brake fault solution! Brake system truck warning is not a critical. Xf105 trucks pdf manual download. I have checked all the sensors and.. Brake System Truck Warning Daf 105.