Light Intensity Measurement Using Ldr . Then, following the equation proposed here: Learn how to connect and program an arduino with an ldr light sensor module to detect and measure light level. Circuit design light intensity measurement using ldr sensor and arduino created by ashikul hossain with tinkercad tinker gallery projects classrooms resources log in sign up looks. The project uses analogue and digital. Learn how to measure light intensity in lux using a microcontroller, an ldr and a photometer. The easiest way to measure light with an arduino is with an ldr. See circuit diagram, working explanation, software code and lcd display output. Measure light intensity using light dependent resistor (ldr), the light measurement (in lux. Learn how to use arduino with ldr sensor to detect darkness and light and measure ambient light intensity. See circuit diagram, code examples and tips for arduino ldr interfacing. See the wiring diagram, code examples, and tips for adjusting the sensitivity and. This basic light intensity meter circuit can be used in a wide range of electronic projects and experiments to calculate light intensities. The circuit is very simple and. Learn how to interface ldr with atmega8 microcontroller and use 10bit adc to measure light intensity. Ldr’s (light dependent resistors) have a low resistance in bright light and a high resistance in the darkness.
from iotprojects4u.blogspot.com
Learn how to use arduino with ldr sensor to detect darkness and light and measure ambient light intensity. Learn how to connect and program an arduino with an ldr light sensor module to detect and measure light level. The project uses analogue and digital. See circuit diagram, working explanation, software code and lcd display output. Ldr’s (light dependent resistors) have a low resistance in bright light and a high resistance in the darkness. Learn how to interface ldr with atmega8 microcontroller and use 10bit adc to measure light intensity. See the wiring diagram, code examples, and tips for adjusting the sensitivity and. See circuit diagram, code examples and tips for arduino ldr interfacing. The circuit is very simple and. The easiest way to measure light with an arduino is with an ldr.
Light Intensity Measurement using Arduino and LDR
Light Intensity Measurement Using Ldr Learn how to connect and program an arduino with an ldr light sensor module to detect and measure light level. Learn how to measure light intensity in lux using a microcontroller, an ldr and a photometer. Learn how to use arduino with ldr sensor to detect darkness and light and measure ambient light intensity. Then, following the equation proposed here: See circuit diagram, code examples and tips for arduino ldr interfacing. Measure light intensity using light dependent resistor (ldr), the light measurement (in lux. Learn how to connect and program an arduino with an ldr light sensor module to detect and measure light level. The project uses analogue and digital. See the wiring diagram, code examples, and tips for adjusting the sensitivity and. Learn how to interface ldr with atmega8 microcontroller and use 10bit adc to measure light intensity. The easiest way to measure light with an arduino is with an ldr. See circuit diagram, working explanation, software code and lcd display output. The circuit is very simple and. Circuit design light intensity measurement using ldr sensor and arduino created by ashikul hossain with tinkercad tinker gallery projects classrooms resources log in sign up looks. This basic light intensity meter circuit can be used in a wide range of electronic projects and experiments to calculate light intensities. Ldr’s (light dependent resistors) have a low resistance in bright light and a high resistance in the darkness.
From circuits4you.com
Arduino Light Intensity Meaurement Light Intensity Measurement Using Ldr The easiest way to measure light with an arduino is with an ldr. Ldr’s (light dependent resistors) have a low resistance in bright light and a high resistance in the darkness. See circuit diagram, code examples and tips for arduino ldr interfacing. Measure light intensity using light dependent resistor (ldr), the light measurement (in lux. Learn how to connect and. Light Intensity Measurement Using Ldr.
From fopthost.weebly.com
Measure light intensity using photodiode equation fopthost Light Intensity Measurement Using Ldr The circuit is very simple and. Learn how to measure light intensity in lux using a microcontroller, an ldr and a photometer. The project uses analogue and digital. Learn how to use arduino with ldr sensor to detect darkness and light and measure ambient light intensity. Circuit design light intensity measurement using ldr sensor and arduino created by ashikul hossain. Light Intensity Measurement Using Ldr.
From dramevinof.weebly.com
Lightintensitymeasurementusingldrandarduino Light Intensity Measurement Using Ldr The project uses analogue and digital. Circuit design light intensity measurement using ldr sensor and arduino created by ashikul hossain with tinkercad tinker gallery projects classrooms resources log in sign up looks. Learn how to use arduino with ldr sensor to detect darkness and light and measure ambient light intensity. Then, following the equation proposed here: Learn how to measure. Light Intensity Measurement Using Ldr.
From www.youtube.com
Light Intensity Measurement using LDR and AVR Microcontroller YouTube Light Intensity Measurement Using Ldr The easiest way to measure light with an arduino is with an ldr. Then, following the equation proposed here: Learn how to connect and program an arduino with an ldr light sensor module to detect and measure light level. See circuit diagram, code examples and tips for arduino ldr interfacing. Circuit design light intensity measurement using ldr sensor and arduino. Light Intensity Measurement Using Ldr.
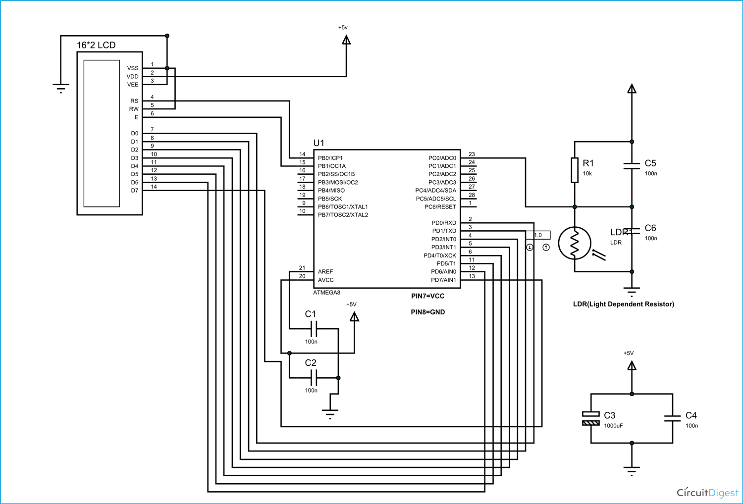
From www.youtube.com
AVR Microcontroller. Light Intensity Measurement. ADC & LDR YouTube Light Intensity Measurement Using Ldr Learn how to interface ldr with atmega8 microcontroller and use 10bit adc to measure light intensity. The circuit is very simple and. The project uses analogue and digital. Ldr’s (light dependent resistors) have a low resistance in bright light and a high resistance in the darkness. See circuit diagram, working explanation, software code and lcd display output. See the wiring. Light Intensity Measurement Using Ldr.
From atmega32-avr.com
Light Intensity Measurement using LDR and AVR Microcontroller Light Intensity Measurement Using Ldr Then, following the equation proposed here: The project uses analogue and digital. Learn how to use arduino with ldr sensor to detect darkness and light and measure ambient light intensity. The easiest way to measure light with an arduino is with an ldr. Circuit design light intensity measurement using ldr sensor and arduino created by ashikul hossain with tinkercad tinker. Light Intensity Measurement Using Ldr.
From www.youtube.com
Light intensity and distance Experiment to investigate the Light Intensity Measurement Using Ldr Learn how to interface ldr with atmega8 microcontroller and use 10bit adc to measure light intensity. The easiest way to measure light with an arduino is with an ldr. See circuit diagram, working explanation, software code and lcd display output. Then, following the equation proposed here: Learn how to connect and program an arduino with an ldr light sensor module. Light Intensity Measurement Using Ldr.
From emic.ir
AVRprjLightIntensityMeasurementusingLDRemic اِمیک آموزش Light Intensity Measurement Using Ldr The project uses analogue and digital. Learn how to measure light intensity in lux using a microcontroller, an ldr and a photometer. Ldr’s (light dependent resistors) have a low resistance in bright light and a high resistance in the darkness. Circuit design light intensity measurement using ldr sensor and arduino created by ashikul hossain with tinkercad tinker gallery projects classrooms. Light Intensity Measurement Using Ldr.
From eweekend.blogspot.com
Using LDR to display light level on 16X2 LCD [ARDUINO] Dash Electro Light Intensity Measurement Using Ldr Learn how to measure light intensity in lux using a microcontroller, an ldr and a photometer. The project uses analogue and digital. Ldr’s (light dependent resistors) have a low resistance in bright light and a high resistance in the darkness. This basic light intensity meter circuit can be used in a wide range of electronic projects and experiments to calculate. Light Intensity Measurement Using Ldr.
From www.circuitbasics.com
Pairing a LightDependent Resistor (LDR) with an Arduino Uno Circuit Light Intensity Measurement Using Ldr Learn how to interface ldr with atmega8 microcontroller and use 10bit adc to measure light intensity. See the wiring diagram, code examples, and tips for adjusting the sensitivity and. The easiest way to measure light with an arduino is with an ldr. The circuit is very simple and. See circuit diagram, working explanation, software code and lcd display output. Circuit. Light Intensity Measurement Using Ldr.
From www.circuits-diy.com
Light Intensity Meter using LDR Light Intensity Measurement Using Ldr Learn how to interface ldr with atmega8 microcontroller and use 10bit adc to measure light intensity. Circuit design light intensity measurement using ldr sensor and arduino created by ashikul hossain with tinkercad tinker gallery projects classrooms resources log in sign up looks. Then, following the equation proposed here: The project uses analogue and digital. Ldr’s (light dependent resistors) have a. Light Intensity Measurement Using Ldr.
From circuitdigest.com
Arduino Light Sensor Circuit using LDR Light Intensity Measurement Using Ldr Circuit design light intensity measurement using ldr sensor and arduino created by ashikul hossain with tinkercad tinker gallery projects classrooms resources log in sign up looks. This basic light intensity meter circuit can be used in a wide range of electronic projects and experiments to calculate light intensities. See circuit diagram, code examples and tips for arduino ldr interfacing. The. Light Intensity Measurement Using Ldr.
From www.instructables.com
LED Intensity Control Using LDR 5 Steps Instructables Light Intensity Measurement Using Ldr Learn how to connect and program an arduino with an ldr light sensor module to detect and measure light level. Ldr’s (light dependent resistors) have a low resistance in bright light and a high resistance in the darkness. Then, following the equation proposed here: See circuit diagram, working explanation, software code and lcd display output. This basic light intensity meter. Light Intensity Measurement Using Ldr.
From www.learnelectronicsindia.com
Light Intensity Measurement with LDR Sensor and ArduinoTinkerCAD Light Intensity Measurement Using Ldr Learn how to connect and program an arduino with an ldr light sensor module to detect and measure light level. Ldr’s (light dependent resistors) have a low resistance in bright light and a high resistance in the darkness. The easiest way to measure light with an arduino is with an ldr. The circuit is very simple and. Learn how to. Light Intensity Measurement Using Ldr.
From www.youtube.com
8. Light Intensity Measurement using LDR and Arduino YouTube Light Intensity Measurement Using Ldr Learn how to measure light intensity in lux using a microcontroller, an ldr and a photometer. See the wiring diagram, code examples, and tips for adjusting the sensitivity and. See circuit diagram, working explanation, software code and lcd display output. Learn how to connect and program an arduino with an ldr light sensor module to detect and measure light level.. Light Intensity Measurement Using Ldr.
From www.researchgate.net
(PDF) Light Dependent Resistor (LDR) Based Low Cost Light Intensity Light Intensity Measurement Using Ldr The project uses analogue and digital. Learn how to use arduino with ldr sensor to detect darkness and light and measure ambient light intensity. Learn how to connect and program an arduino with an ldr light sensor module to detect and measure light level. Learn how to interface ldr with atmega8 microcontroller and use 10bit adc to measure light intensity.. Light Intensity Measurement Using Ldr.
From iotprojects4u.blogspot.com
Light Intensity Measurement using Arduino and LDR Light Intensity Measurement Using Ldr See circuit diagram, code examples and tips for arduino ldr interfacing. Learn how to use arduino with ldr sensor to detect darkness and light and measure ambient light intensity. Ldr’s (light dependent resistors) have a low resistance in bright light and a high resistance in the darkness. See the wiring diagram, code examples, and tips for adjusting the sensitivity and.. Light Intensity Measurement Using Ldr.
From www.tpsearchtool.com
Light Sensor And Darkness Detector Circuit Using Ldr And Transistor Images Light Intensity Measurement Using Ldr See the wiring diagram, code examples, and tips for adjusting the sensitivity and. Learn how to interface ldr with atmega8 microcontroller and use 10bit adc to measure light intensity. The project uses analogue and digital. Then, following the equation proposed here: Measure light intensity using light dependent resistor (ldr), the light measurement (in lux. This basic light intensity meter circuit. Light Intensity Measurement Using Ldr.
From www.slideshare.net
To measure the intensity of light using LDR sensor by calibrating vol… Light Intensity Measurement Using Ldr Learn how to connect and program an arduino with an ldr light sensor module to detect and measure light level. Learn how to interface ldr with atmega8 microcontroller and use 10bit adc to measure light intensity. Learn how to measure light intensity in lux using a microcontroller, an ldr and a photometer. This basic light intensity meter circuit can be. Light Intensity Measurement Using Ldr.
From emic.ir
ArduinoprjLightIntensityMeasurementusingLDRemic اِمیک آموزش Light Intensity Measurement Using Ldr Circuit design light intensity measurement using ldr sensor and arduino created by ashikul hossain with tinkercad tinker gallery projects classrooms resources log in sign up looks. Ldr’s (light dependent resistors) have a low resistance in bright light and a high resistance in the darkness. See the wiring diagram, code examples, and tips for adjusting the sensitivity and. The circuit is. Light Intensity Measurement Using Ldr.
From gbu-presnenskij.ru
Light Intensity Meter Using LDR, 40 OFF Light Intensity Measurement Using Ldr The circuit is very simple and. See circuit diagram, working explanation, software code and lcd display output. See the wiring diagram, code examples, and tips for adjusting the sensitivity and. Circuit design light intensity measurement using ldr sensor and arduino created by ashikul hossain with tinkercad tinker gallery projects classrooms resources log in sign up looks. Ldr’s (light dependent resistors). Light Intensity Measurement Using Ldr.
From www.researchgate.net
Photoreactor setup for light intensity measurement. Download Light Intensity Measurement Using Ldr Ldr’s (light dependent resistors) have a low resistance in bright light and a high resistance in the darkness. Learn how to interface ldr with atmega8 microcontroller and use 10bit adc to measure light intensity. The easiest way to measure light with an arduino is with an ldr. Learn how to measure light intensity in lux using a microcontroller, an ldr. Light Intensity Measurement Using Ldr.
From www.circuitdiagram.co
ldr schematic diagram Circuit Diagram Light Intensity Measurement Using Ldr Learn how to measure light intensity in lux using a microcontroller, an ldr and a photometer. Learn how to interface ldr with atmega8 microcontroller and use 10bit adc to measure light intensity. Circuit design light intensity measurement using ldr sensor and arduino created by ashikul hossain with tinkercad tinker gallery projects classrooms resources log in sign up looks. This basic. Light Intensity Measurement Using Ldr.
From www.tpsearchtool.com
Light Intensity Measurement Using Ldr Sensor And Arduino On Tinkercad Light Intensity Measurement Using Ldr Learn how to measure light intensity in lux using a microcontroller, an ldr and a photometer. See circuit diagram, code examples and tips for arduino ldr interfacing. Learn how to connect and program an arduino with an ldr light sensor module to detect and measure light level. Measure light intensity using light dependent resistor (ldr), the light measurement (in lux.. Light Intensity Measurement Using Ldr.
From eweekend.blogspot.com
Using LDR to display light level on 16X2 LCD [ARDUINO] Dash Electro Light Intensity Measurement Using Ldr Learn how to measure light intensity in lux using a microcontroller, an ldr and a photometer. See circuit diagram, working explanation, software code and lcd display output. Learn how to connect and program an arduino with an ldr light sensor module to detect and measure light level. See circuit diagram, code examples and tips for arduino ldr interfacing. The easiest. Light Intensity Measurement Using Ldr.
From embedded-lab.com
Building a digital light meter with a calibrated LDR Embedded Lab Light Intensity Measurement Using Ldr Ldr’s (light dependent resistors) have a low resistance in bright light and a high resistance in the darkness. The easiest way to measure light with an arduino is with an ldr. Learn how to measure light intensity in lux using a microcontroller, an ldr and a photometer. Then, following the equation proposed here: See circuit diagram, working explanation, software code. Light Intensity Measurement Using Ldr.
From circuitdigest.com
Arduino Light Sensor Circuit using LDR Light Intensity Measurement Using Ldr See the wiring diagram, code examples, and tips for adjusting the sensitivity and. Measure light intensity using light dependent resistor (ldr), the light measurement (in lux. See circuit diagram, code examples and tips for arduino ldr interfacing. Learn how to measure light intensity in lux using a microcontroller, an ldr and a photometer. The project uses analogue and digital. Learn. Light Intensity Measurement Using Ldr.
From rishikreddy.com
Building an IoT Light Intensity Monitor using LDR and the Bolt WiFi Light Intensity Measurement Using Ldr Measure light intensity using light dependent resistor (ldr), the light measurement (in lux. See circuit diagram, working explanation, software code and lcd display output. Ldr’s (light dependent resistors) have a low resistance in bright light and a high resistance in the darkness. The project uses analogue and digital. Learn how to connect and program an arduino with an ldr light. Light Intensity Measurement Using Ldr.
From www.myxxgirl.com
A Simple Technique To Measure The Light Intensity Using Arduino And Ldr Light Intensity Measurement Using Ldr The easiest way to measure light with an arduino is with an ldr. Learn how to connect and program an arduino with an ldr light sensor module to detect and measure light level. See circuit diagram, working explanation, software code and lcd display output. Circuit design light intensity measurement using ldr sensor and arduino created by ashikul hossain with tinkercad. Light Intensity Measurement Using Ldr.
From gbu-presnenskij.ru
Light Intensity Meter Using LDR, 40 OFF Light Intensity Measurement Using Ldr Circuit design light intensity measurement using ldr sensor and arduino created by ashikul hossain with tinkercad tinker gallery projects classrooms resources log in sign up looks. The circuit is very simple and. The project uses analogue and digital. Learn how to interface ldr with atmega8 microcontroller and use 10bit adc to measure light intensity. The easiest way to measure light. Light Intensity Measurement Using Ldr.
From www.indiamart.com
Digital Measurement Of Light Intensity Using LDR, For Laboratory, Model Light Intensity Measurement Using Ldr Ldr’s (light dependent resistors) have a low resistance in bright light and a high resistance in the darkness. The project uses analogue and digital. The easiest way to measure light with an arduino is with an ldr. See circuit diagram, code examples and tips for arduino ldr interfacing. Measure light intensity using light dependent resistor (ldr), the light measurement (in. Light Intensity Measurement Using Ldr.
From in.pinterest.com
Light Intensity Measurement Using LDR (Light Dependent Resistor) Iot Light Intensity Measurement Using Ldr Learn how to connect and program an arduino with an ldr light sensor module to detect and measure light level. This basic light intensity meter circuit can be used in a wide range of electronic projects and experiments to calculate light intensities. Learn how to interface ldr with atmega8 microcontroller and use 10bit adc to measure light intensity. Then, following. Light Intensity Measurement Using Ldr.
From engineershub.co.in
Light Dependent Resistor Working Principle And Its Applications Light Intensity Measurement Using Ldr Measure light intensity using light dependent resistor (ldr), the light measurement (in lux. Learn how to measure light intensity in lux using a microcontroller, an ldr and a photometer. The project uses analogue and digital. The easiest way to measure light with an arduino is with an ldr. Circuit design light intensity measurement using ldr sensor and arduino created by. Light Intensity Measurement Using Ldr.
From www.electrosal.com
INTENSITY CONTROL OF STREET LIGHT USING LDR AND ARDUINO Electrosal Light Intensity Measurement Using Ldr Circuit design light intensity measurement using ldr sensor and arduino created by ashikul hossain with tinkercad tinker gallery projects classrooms resources log in sign up looks. Learn how to measure light intensity in lux using a microcontroller, an ldr and a photometer. Then, following the equation proposed here: Learn how to connect and program an arduino with an ldr light. Light Intensity Measurement Using Ldr.
From thecustomizewindows.com
Light Measurement With Arduino, LDR and LCD Light Intensity Measurement Using Ldr Measure light intensity using light dependent resistor (ldr), the light measurement (in lux. Ldr’s (light dependent resistors) have a low resistance in bright light and a high resistance in the darkness. Then, following the equation proposed here: This basic light intensity meter circuit can be used in a wide range of electronic projects and experiments to calculate light intensities. See. Light Intensity Measurement Using Ldr.