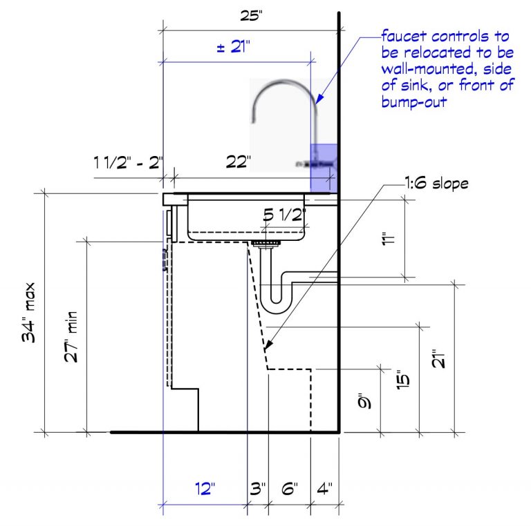
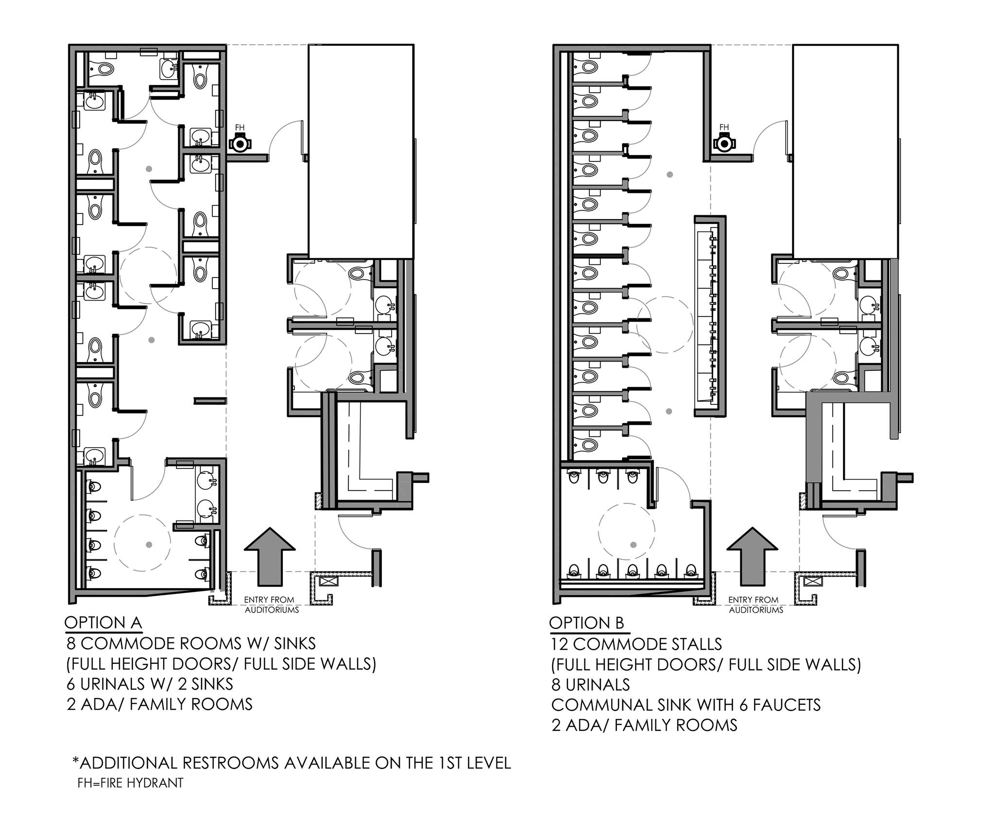
Ada Sink.height . Sinks required to be accessible by 4.1 shall comply with 4.24. Guidelines for lavatories and sinks under the americans with disabilities act (ada). Sinks shall be mounted with the counter or rim no higher than 34 in (865 mm) above the finish floor. The ada standards for accessible design—along with the title ii and title iii regulations—say what is required for a building or facility to be physically accessible to. In residential dwelling unit kitchens, sinks that are adjustable to variable heights, 29 inches (735 mm) minimum and 36 inches (915 mm) maximum, shall be permitted where rough. Ada accessible sinks surface must be 34 inches (864 mm) maximum above the finished floor or ground surface.
from gardencourte.com
The ada standards for accessible design—along with the title ii and title iii regulations—say what is required for a building or facility to be physically accessible to. Guidelines for lavatories and sinks under the americans with disabilities act (ada). In residential dwelling unit kitchens, sinks that are adjustable to variable heights, 29 inches (735 mm) minimum and 36 inches (915 mm) maximum, shall be permitted where rough. Ada accessible sinks surface must be 34 inches (864 mm) maximum above the finished floor or ground surface. Sinks shall be mounted with the counter or rim no higher than 34 in (865 mm) above the finish floor. Sinks required to be accessible by 4.1 shall comply with 4.24.
Guide to the ADA Accessibility Standards Garden
Ada Sink.height Guidelines for lavatories and sinks under the americans with disabilities act (ada). Sinks required to be accessible by 4.1 shall comply with 4.24. Ada accessible sinks surface must be 34 inches (864 mm) maximum above the finished floor or ground surface. Guidelines for lavatories and sinks under the americans with disabilities act (ada). In residential dwelling unit kitchens, sinks that are adjustable to variable heights, 29 inches (735 mm) minimum and 36 inches (915 mm) maximum, shall be permitted where rough. Sinks shall be mounted with the counter or rim no higher than 34 in (865 mm) above the finish floor. The ada standards for accessible design—along with the title ii and title iii regulations—say what is required for a building or facility to be physically accessible to.
From gardencourte.com
Guide to the ADA Accessibility Standards Garden Ada Sink.height Guidelines for lavatories and sinks under the americans with disabilities act (ada). Sinks required to be accessible by 4.1 shall comply with 4.24. In residential dwelling unit kitchens, sinks that are adjustable to variable heights, 29 inches (735 mm) minimum and 36 inches (915 mm) maximum, shall be permitted where rough. The ada standards for accessible design—along with the title. Ada Sink.height.
From bertena.com
Ada Bathroom Shelf Height Everything Bathroom Ada Sink.height Sinks shall be mounted with the counter or rim no higher than 34 in (865 mm) above the finish floor. The ada standards for accessible design—along with the title ii and title iii regulations—say what is required for a building or facility to be physically accessible to. In residential dwelling unit kitchens, sinks that are adjustable to variable heights, 29. Ada Sink.height.
From bertena.com
Ada Bathroom Shelf Height Everything Bathroom Ada Sink.height Sinks shall be mounted with the counter or rim no higher than 34 in (865 mm) above the finish floor. Guidelines for lavatories and sinks under the americans with disabilities act (ada). Sinks required to be accessible by 4.1 shall comply with 4.24. The ada standards for accessible design—along with the title ii and title iii regulations—say what is required. Ada Sink.height.
From phenergandm.com
Standard Height Of Kitchen Sink From Floor Flooring Tips Ada Sink.height In residential dwelling unit kitchens, sinks that are adjustable to variable heights, 29 inches (735 mm) minimum and 36 inches (915 mm) maximum, shall be permitted where rough. The ada standards for accessible design—along with the title ii and title iii regulations—say what is required for a building or facility to be physically accessible to. Sinks required to be accessible. Ada Sink.height.
From fyofddynp.blob.core.windows.net
Ada Sink Height California at Eva Pinkerton blog Ada Sink.height Ada accessible sinks surface must be 34 inches (864 mm) maximum above the finished floor or ground surface. Guidelines for lavatories and sinks under the americans with disabilities act (ada). Sinks required to be accessible by 4.1 shall comply with 4.24. In residential dwelling unit kitchens, sinks that are adjustable to variable heights, 29 inches (735 mm) minimum and 36. Ada Sink.height.
From myteglass.weebly.com
Ada bathroom layout myteglass Ada Sink.height Ada accessible sinks surface must be 34 inches (864 mm) maximum above the finished floor or ground surface. In residential dwelling unit kitchens, sinks that are adjustable to variable heights, 29 inches (735 mm) minimum and 36 inches (915 mm) maximum, shall be permitted where rough. Guidelines for lavatories and sinks under the americans with disabilities act (ada). The ada. Ada Sink.height.
From doggywally.pages.dev
15++ Residential ada kitchen sink requirements ideas in 2021 https Ada Sink.height Ada accessible sinks surface must be 34 inches (864 mm) maximum above the finished floor or ground surface. In residential dwelling unit kitchens, sinks that are adjustable to variable heights, 29 inches (735 mm) minimum and 36 inches (915 mm) maximum, shall be permitted where rough. Guidelines for lavatories and sinks under the americans with disabilities act (ada). Sinks required. Ada Sink.height.
From exojdadff.blob.core.windows.net
Ada Sink Mirror Height at Consuelo Morales blog Ada Sink.height The ada standards for accessible design—along with the title ii and title iii regulations—say what is required for a building or facility to be physically accessible to. In residential dwelling unit kitchens, sinks that are adjustable to variable heights, 29 inches (735 mm) minimum and 36 inches (915 mm) maximum, shall be permitted where rough. Sinks required to be accessible. Ada Sink.height.
From exocsoxbl.blob.core.windows.net
Ada Bathroom Countertop Height at Mitchell Petersen blog Ada Sink.height Sinks shall be mounted with the counter or rim no higher than 34 in (865 mm) above the finish floor. Ada accessible sinks surface must be 34 inches (864 mm) maximum above the finished floor or ground surface. Sinks required to be accessible by 4.1 shall comply with 4.24. The ada standards for accessible design—along with the title ii and. Ada Sink.height.
From mavink.com
Ada Wall Hung Sink Ada Sink.height Sinks shall be mounted with the counter or rim no higher than 34 in (865 mm) above the finish floor. Guidelines for lavatories and sinks under the americans with disabilities act (ada). Ada accessible sinks surface must be 34 inches (864 mm) maximum above the finished floor or ground surface. In residential dwelling unit kitchens, sinks that are adjustable to. Ada Sink.height.
From about-goods-furniture.blogspot.com
View Ada Sink Height PNG About Goods Furniture Ada Sink.height Guidelines for lavatories and sinks under the americans with disabilities act (ada). Sinks required to be accessible by 4.1 shall comply with 4.24. Sinks shall be mounted with the counter or rim no higher than 34 in (865 mm) above the finish floor. In residential dwelling unit kitchens, sinks that are adjustable to variable heights, 29 inches (735 mm) minimum. Ada Sink.height.
From ericferber.blogspot.com
View Ada Table Height Requirements UK Eric E. Ferber Ada Sink.height Sinks required to be accessible by 4.1 shall comply with 4.24. Guidelines for lavatories and sinks under the americans with disabilities act (ada). Ada accessible sinks surface must be 34 inches (864 mm) maximum above the finished floor or ground surface. Sinks shall be mounted with the counter or rim no higher than 34 in (865 mm) above the finish. Ada Sink.height.
From www.cintronbeveragegroup.com
Ada Upper Height Requirements Ada Sink.height The ada standards for accessible design—along with the title ii and title iii regulations—say what is required for a building or facility to be physically accessible to. Sinks shall be mounted with the counter or rim no higher than 34 in (865 mm) above the finish floor. Guidelines for lavatories and sinks under the americans with disabilities act (ada). Sinks. Ada Sink.height.
From exoymfrkd.blob.core.windows.net
Ada Sink Height Texas at Brittany Forest blog Ada Sink.height Guidelines for lavatories and sinks under the americans with disabilities act (ada). The ada standards for accessible design—along with the title ii and title iii regulations—say what is required for a building or facility to be physically accessible to. Sinks shall be mounted with the counter or rim no higher than 34 in (865 mm) above the finish floor. Ada. Ada Sink.height.
From exojdadff.blob.core.windows.net
Ada Sink Mirror Height at Consuelo Morales blog Ada Sink.height Ada accessible sinks surface must be 34 inches (864 mm) maximum above the finished floor or ground surface. In residential dwelling unit kitchens, sinks that are adjustable to variable heights, 29 inches (735 mm) minimum and 36 inches (915 mm) maximum, shall be permitted where rough. Guidelines for lavatories and sinks under the americans with disabilities act (ada). Sinks shall. Ada Sink.height.
From rispa.org
Ada Bathroom Mirror Height Rispa Ada Sink.height Guidelines for lavatories and sinks under the americans with disabilities act (ada). In residential dwelling unit kitchens, sinks that are adjustable to variable heights, 29 inches (735 mm) minimum and 36 inches (915 mm) maximum, shall be permitted where rough. Ada accessible sinks surface must be 34 inches (864 mm) maximum above the finished floor or ground surface. Sinks required. Ada Sink.height.
From semisonline.net
Ada Bathroom Sink Mounting Height Semis Online Ada Sink.height In residential dwelling unit kitchens, sinks that are adjustable to variable heights, 29 inches (735 mm) minimum and 36 inches (915 mm) maximum, shall be permitted where rough. Ada accessible sinks surface must be 34 inches (864 mm) maximum above the finished floor or ground surface. Sinks shall be mounted with the counter or rim no higher than 34 in. Ada Sink.height.
From thelawdictionary.org
ADA Bathroom Sink Height Requirements Ada Sink.height Guidelines for lavatories and sinks under the americans with disabilities act (ada). Sinks shall be mounted with the counter or rim no higher than 34 in (865 mm) above the finish floor. In residential dwelling unit kitchens, sinks that are adjustable to variable heights, 29 inches (735 mm) minimum and 36 inches (915 mm) maximum, shall be permitted where rough.. Ada Sink.height.
From bestonlinecollegesdegrees.com
Ada Kitchen Sink Height Requirements Besto Blog Ada Sink.height The ada standards for accessible design—along with the title ii and title iii regulations—say what is required for a building or facility to be physically accessible to. Sinks shall be mounted with the counter or rim no higher than 34 in (865 mm) above the finish floor. Sinks required to be accessible by 4.1 shall comply with 4.24. Guidelines for. Ada Sink.height.
From www.ocadu.ca
OCAD U Announces Adoption of Facility Accessibility Design Standards Ada Sink.height Sinks shall be mounted with the counter or rim no higher than 34 in (865 mm) above the finish floor. Ada accessible sinks surface must be 34 inches (864 mm) maximum above the finished floor or ground surface. The ada standards for accessible design—along with the title ii and title iii regulations—say what is required for a building or facility. Ada Sink.height.
From mavinewyork.com
ADA Bathroom Planning Guide Mavi New York Ada Sink.height The ada standards for accessible design—along with the title ii and title iii regulations—say what is required for a building or facility to be physically accessible to. Sinks shall be mounted with the counter or rim no higher than 34 in (865 mm) above the finish floor. In residential dwelling unit kitchens, sinks that are adjustable to variable heights, 29. Ada Sink.height.
From cabinet.matttroy.net
Ada Sink Requirements Matttroy Ada Sink.height The ada standards for accessible design—along with the title ii and title iii regulations—say what is required for a building or facility to be physically accessible to. Sinks required to be accessible by 4.1 shall comply with 4.24. Guidelines for lavatories and sinks under the americans with disabilities act (ada). In residential dwelling unit kitchens, sinks that are adjustable to. Ada Sink.height.
From yosoyunachicastardoll.blogspot.com
Ada Bathroom Vanity Height ADA bathroom counter depth Google Search Ada Sink.height In residential dwelling unit kitchens, sinks that are adjustable to variable heights, 29 inches (735 mm) minimum and 36 inches (915 mm) maximum, shall be permitted where rough. Sinks shall be mounted with the counter or rim no higher than 34 in (865 mm) above the finish floor. Sinks required to be accessible by 4.1 shall comply with 4.24. Guidelines. Ada Sink.height.
From www.artcomcrea.com
Bathroom Sink Height Ada Ada Sink.height Guidelines for lavatories and sinks under the americans with disabilities act (ada). Ada accessible sinks surface must be 34 inches (864 mm) maximum above the finished floor or ground surface. Sinks required to be accessible by 4.1 shall comply with 4.24. The ada standards for accessible design—along with the title ii and title iii regulations—say what is required for a. Ada Sink.height.
From inspectionsada.com
ADA Inspections Nationwide, LLC — ADA Compliancy Ada Sink.height In residential dwelling unit kitchens, sinks that are adjustable to variable heights, 29 inches (735 mm) minimum and 36 inches (915 mm) maximum, shall be permitted where rough. The ada standards for accessible design—along with the title ii and title iii regulations—say what is required for a building or facility to be physically accessible to. Sinks shall be mounted with. Ada Sink.height.
From www.houseofform.com
7 Important ADA Restroom Requirements For Your Commercial Space Ada Sink.height In residential dwelling unit kitchens, sinks that are adjustable to variable heights, 29 inches (735 mm) minimum and 36 inches (915 mm) maximum, shall be permitted where rough. Ada accessible sinks surface must be 34 inches (864 mm) maximum above the finished floor or ground surface. Guidelines for lavatories and sinks under the americans with disabilities act (ada). Sinks shall. Ada Sink.height.
From www.pinterest.com
26 best diagrams ADA images on Pinterest Bathrooms, Litter box and Ada Sink.height In residential dwelling unit kitchens, sinks that are adjustable to variable heights, 29 inches (735 mm) minimum and 36 inches (915 mm) maximum, shall be permitted where rough. The ada standards for accessible design—along with the title ii and title iii regulations—say what is required for a building or facility to be physically accessible to. Sinks shall be mounted with. Ada Sink.height.
From www.steppingthruaccessibility.com
The Kitchen Sink or everything you ever wanted to know about faucets Ada Sink.height Guidelines for lavatories and sinks under the americans with disabilities act (ada). In residential dwelling unit kitchens, sinks that are adjustable to variable heights, 29 inches (735 mm) minimum and 36 inches (915 mm) maximum, shall be permitted where rough. The ada standards for accessible design—along with the title ii and title iii regulations—say what is required for a building. Ada Sink.height.
From laforceinc.com
ADA Compliant Bathroom Sinks and Restroom Accessories LaForce, LLC Ada Sink.height Guidelines for lavatories and sinks under the americans with disabilities act (ada). Sinks shall be mounted with the counter or rim no higher than 34 in (865 mm) above the finish floor. The ada standards for accessible design—along with the title ii and title iii regulations—say what is required for a building or facility to be physically accessible to. Ada. Ada Sink.height.
From bathroomremodel2.netlify.app
16++ Ada sink info bathroomremodel2 Ada Sink.height Sinks shall be mounted with the counter or rim no higher than 34 in (865 mm) above the finish floor. Guidelines for lavatories and sinks under the americans with disabilities act (ada). Ada accessible sinks surface must be 34 inches (864 mm) maximum above the finished floor or ground surface. In residential dwelling unit kitchens, sinks that are adjustable to. Ada Sink.height.
From cabinet.matttroy.net
Ada Kitchen Sink Requirements Matttroy Ada Sink.height The ada standards for accessible design—along with the title ii and title iii regulations—say what is required for a building or facility to be physically accessible to. Sinks shall be mounted with the counter or rim no higher than 34 in (865 mm) above the finish floor. Guidelines for lavatories and sinks under the americans with disabilities act (ada). In. Ada Sink.height.
From cabinetfuniture.github.io
This Are What Is Ada Height For A Countertop Popular Now Best Ada Sink.height Sinks shall be mounted with the counter or rim no higher than 34 in (865 mm) above the finish floor. Guidelines for lavatories and sinks under the americans with disabilities act (ada). In residential dwelling unit kitchens, sinks that are adjustable to variable heights, 29 inches (735 mm) minimum and 36 inches (915 mm) maximum, shall be permitted where rough.. Ada Sink.height.
From modernizemodest1712.blogspot.com
38 Ada Sink Height Diagram Diagram For You Ada Sink.height The ada standards for accessible design—along with the title ii and title iii regulations—say what is required for a building or facility to be physically accessible to. Sinks required to be accessible by 4.1 shall comply with 4.24. In residential dwelling unit kitchens, sinks that are adjustable to variable heights, 29 inches (735 mm) minimum and 36 inches (915 mm). Ada Sink.height.
From thebathroom.cloud
Ada Compliant Bathroom Sink Height thebathroom.cloud Ada Sink.height In residential dwelling unit kitchens, sinks that are adjustable to variable heights, 29 inches (735 mm) minimum and 36 inches (915 mm) maximum, shall be permitted where rough. The ada standards for accessible design—along with the title ii and title iii regulations—say what is required for a building or facility to be physically accessible to. Guidelines for lavatories and sinks. Ada Sink.height.
From sueamelyna.blogspot.com
39 ada sink height diagram Wiring Online Diagram Ada Sink.height The ada standards for accessible design—along with the title ii and title iii regulations—say what is required for a building or facility to be physically accessible to. Sinks required to be accessible by 4.1 shall comply with 4.24. Ada accessible sinks surface must be 34 inches (864 mm) maximum above the finished floor or ground surface. Guidelines for lavatories and. Ada Sink.height.