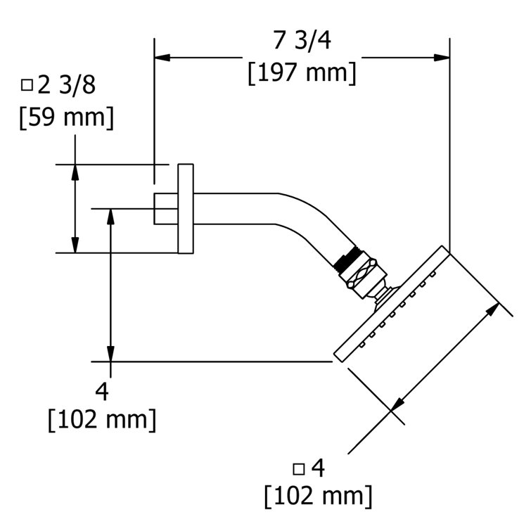
Fixed Shower Head Dimensions . A fixed shower head is the most common type of shower head, and they’re usually a wall mount showerhead. Shower sizes vary considerably based on the floor plan, but comfortable minimal showers are commonly 42” x 36” (107 cm x 91 cm) with the flexibility to incorporate a (12”. A fixed shower head is mounted directly to the shower wall or ceiling. Fixed shower heads are wall mounted or attached to the shower faucet arm with a pivot mechanism. A fixed shower head (or wall mount shower head) is one of the most common types of shower heads, and what most people have in. You can mount some fixed shower heads on an arm or bar so you can adjust the height. Fixed shower heads are easy to use, and they’re also affordable. They are usually smaller in size and the simple yet functional design makes them.
from www.dimensions.com
A fixed shower head is mounted directly to the shower wall or ceiling. Shower sizes vary considerably based on the floor plan, but comfortable minimal showers are commonly 42” x 36” (107 cm x 91 cm) with the flexibility to incorporate a (12”. Fixed shower heads are wall mounted or attached to the shower faucet arm with a pivot mechanism. A fixed shower head (or wall mount shower head) is one of the most common types of shower heads, and what most people have in. You can mount some fixed shower heads on an arm or bar so you can adjust the height. A fixed shower head is the most common type of shower head, and they’re usually a wall mount showerhead. Fixed shower heads are easy to use, and they’re also affordable. They are usually smaller in size and the simple yet functional design makes them.
Shower Heads Dimensions & Drawings
Fixed Shower Head Dimensions Shower sizes vary considerably based on the floor plan, but comfortable minimal showers are commonly 42” x 36” (107 cm x 91 cm) with the flexibility to incorporate a (12”. A fixed shower head (or wall mount shower head) is one of the most common types of shower heads, and what most people have in. A fixed shower head is mounted directly to the shower wall or ceiling. Fixed shower heads are wall mounted or attached to the shower faucet arm with a pivot mechanism. They are usually smaller in size and the simple yet functional design makes them. A fixed shower head is the most common type of shower head, and they’re usually a wall mount showerhead. You can mount some fixed shower heads on an arm or bar so you can adjust the height. Fixed shower heads are easy to use, and they’re also affordable. Shower sizes vary considerably based on the floor plan, but comfortable minimal showers are commonly 42” x 36” (107 cm x 91 cm) with the flexibility to incorporate a (12”.
From www.toptensunit.com
The 10 Best Fixed Shower Heads (Reviewed & Compared in 2022) Fixed Shower Head Dimensions Fixed shower heads are easy to use, and they’re also affordable. A fixed shower head (or wall mount shower head) is one of the most common types of shower heads, and what most people have in. A fixed shower head is the most common type of shower head, and they’re usually a wall mount showerhead. Fixed shower heads are wall. Fixed Shower Head Dimensions.
From www.finestbathroom.com
What Is The Standard Shower Head Height? Finest Bathroom Fixed Shower Head Dimensions A fixed shower head is the most common type of shower head, and they’re usually a wall mount showerhead. A fixed shower head (or wall mount shower head) is one of the most common types of shower heads, and what most people have in. Fixed shower heads are easy to use, and they’re also affordable. Fixed shower heads are wall. Fixed Shower Head Dimensions.
From www.flobali.gr
Oki Bossini Modern Fixed Shower System Kit with Round Shower Head Ø20 Fixed Shower Head Dimensions A fixed shower head is the most common type of shower head, and they’re usually a wall mount showerhead. Shower sizes vary considerably based on the floor plan, but comfortable minimal showers are commonly 42” x 36” (107 cm x 91 cm) with the flexibility to incorporate a (12”. Fixed shower heads are easy to use, and they’re also affordable.. Fixed Shower Head Dimensions.
From www.plumbingsupply.com
The ultimate adjustable shower heads fits the whole family Fixed Shower Head Dimensions A fixed shower head is mounted directly to the shower wall or ceiling. They are usually smaller in size and the simple yet functional design makes them. Fixed shower heads are wall mounted or attached to the shower faucet arm with a pivot mechanism. Shower sizes vary considerably based on the floor plan, but comfortable minimal showers are commonly 42”. Fixed Shower Head Dimensions.
From www.kallista.com
Standard Shower Head Height for Remodel or Build Kallista Fixed Shower Head Dimensions A fixed shower head is the most common type of shower head, and they’re usually a wall mount showerhead. They are usually smaller in size and the simple yet functional design makes them. A fixed shower head (or wall mount shower head) is one of the most common types of shower heads, and what most people have in. Shower sizes. Fixed Shower Head Dimensions.
From www.houzz.co.uk
Shower head size and bathroom size Houzz UK Fixed Shower Head Dimensions A fixed shower head is mounted directly to the shower wall or ceiling. Fixed shower heads are wall mounted or attached to the shower faucet arm with a pivot mechanism. They are usually smaller in size and the simple yet functional design makes them. You can mount some fixed shower heads on an arm or bar so you can adjust. Fixed Shower Head Dimensions.
From designingidea.com
Shower Head Height (Standard Measurements) Designing Idea Fixed Shower Head Dimensions They are usually smaller in size and the simple yet functional design makes them. You can mount some fixed shower heads on an arm or bar so you can adjust the height. A fixed shower head (or wall mount shower head) is one of the most common types of shower heads, and what most people have in. A fixed shower. Fixed Shower Head Dimensions.
From www.dimensions.com
Shower Heads Dimensions & Drawings Fixed Shower Head Dimensions Shower sizes vary considerably based on the floor plan, but comfortable minimal showers are commonly 42” x 36” (107 cm x 91 cm) with the flexibility to incorporate a (12”. A fixed shower head (or wall mount shower head) is one of the most common types of shower heads, and what most people have in. A fixed shower head is. Fixed Shower Head Dimensions.
From www.pinterest.com
Image result for standard mounting height for shower head Shower Fixed Shower Head Dimensions Fixed shower heads are easy to use, and they’re also affordable. They are usually smaller in size and the simple yet functional design makes them. A fixed shower head (or wall mount shower head) is one of the most common types of shower heads, and what most people have in. You can mount some fixed shower heads on an arm. Fixed Shower Head Dimensions.
From www.morningtobed.com
What Is The Standard Shower Head Height? Guide with Picture M2B Fixed Shower Head Dimensions A fixed shower head is mounted directly to the shower wall or ceiling. Shower sizes vary considerably based on the floor plan, but comfortable minimal showers are commonly 42” x 36” (107 cm x 91 cm) with the flexibility to incorporate a (12”. A fixed shower head (or wall mount shower head) is one of the most common types of. Fixed Shower Head Dimensions.
From www.glassgenius.com
Walk in Shower Dimensions Walk in Shower Size Glass Genius Fixed Shower Head Dimensions They are usually smaller in size and the simple yet functional design makes them. Shower sizes vary considerably based on the floor plan, but comfortable minimal showers are commonly 42” x 36” (107 cm x 91 cm) with the flexibility to incorporate a (12”. A fixed shower head is the most common type of shower head, and they’re usually a. Fixed Shower Head Dimensions.
From victoriaplum.com
Clarity Fixed Shower Head Fixed Shower Head Dimensions Fixed shower heads are easy to use, and they’re also affordable. A fixed shower head is mounted directly to the shower wall or ceiling. They are usually smaller in size and the simple yet functional design makes them. A fixed shower head is the most common type of shower head, and they’re usually a wall mount showerhead. Shower sizes vary. Fixed Shower Head Dimensions.
From www.pinterest.ca
shower faucet height standard height for shower head image Fixed Shower Head Dimensions They are usually smaller in size and the simple yet functional design makes them. You can mount some fixed shower heads on an arm or bar so you can adjust the height. A fixed shower head is mounted directly to the shower wall or ceiling. A fixed shower head is the most common type of shower head, and they’re usually. Fixed Shower Head Dimensions.
From williamsoftere.blogspot.com
How To Install Shower Column Williams Oftere Fixed Shower Head Dimensions Fixed shower heads are wall mounted or attached to the shower faucet arm with a pivot mechanism. They are usually smaller in size and the simple yet functional design makes them. Shower sizes vary considerably based on the floor plan, but comfortable minimal showers are commonly 42” x 36” (107 cm x 91 cm) with the flexibility to incorporate a. Fixed Shower Head Dimensions.
From engineeringdiscoveries.com
How To plumb Shower Installation? Engineering Discoveries Fixed Shower Head Dimensions A fixed shower head (or wall mount shower head) is one of the most common types of shower heads, and what most people have in. They are usually smaller in size and the simple yet functional design makes them. Fixed shower heads are easy to use, and they’re also affordable. A fixed shower head is mounted directly to the shower. Fixed Shower Head Dimensions.
From designingidea.com
Shower Head Height (Standard Measurements) Designing Idea Fixed Shower Head Dimensions Fixed shower heads are wall mounted or attached to the shower faucet arm with a pivot mechanism. A fixed shower head is the most common type of shower head, and they’re usually a wall mount showerhead. Shower sizes vary considerably based on the floor plan, but comfortable minimal showers are commonly 42” x 36” (107 cm x 91 cm) with. Fixed Shower Head Dimensions.
From www.pinterest.ca
Standard Shower Dimensions Size For Bathroom Shower dimensions Fixed Shower Head Dimensions A fixed shower head is the most common type of shower head, and they’re usually a wall mount showerhead. Fixed shower heads are wall mounted or attached to the shower faucet arm with a pivot mechanism. Shower sizes vary considerably based on the floor plan, but comfortable minimal showers are commonly 42” x 36” (107 cm x 91 cm) with. Fixed Shower Head Dimensions.
From victoriaplum.com
Clarity Fixed Shower Head Fixed Shower Head Dimensions A fixed shower head is mounted directly to the shower wall or ceiling. They are usually smaller in size and the simple yet functional design makes them. Fixed shower heads are wall mounted or attached to the shower faucet arm with a pivot mechanism. A fixed shower head is the most common type of shower head, and they’re usually a. Fixed Shower Head Dimensions.
From www.toto.co.id
Fitting, Fixed Shower Head, Fixed Shower Head Ceiling Mount, TX491MMC Fixed Shower Head Dimensions A fixed shower head is mounted directly to the shower wall or ceiling. A fixed shower head is the most common type of shower head, and they’re usually a wall mount showerhead. Fixed shower heads are easy to use, and they’re also affordable. Shower sizes vary considerably based on the floor plan, but comfortable minimal showers are commonly 42” x. Fixed Shower Head Dimensions.
From www.victorianplumbing.co.uk
Bristan Single Function Fixed Shower Head Victorian Plumbing.co.uk Fixed Shower Head Dimensions You can mount some fixed shower heads on an arm or bar so you can adjust the height. A fixed shower head is the most common type of shower head, and they’re usually a wall mount showerhead. Fixed shower heads are easy to use, and they’re also affordable. A fixed shower head is mounted directly to the shower wall or. Fixed Shower Head Dimensions.
From www.heatandplumb.com
Orbit Elliot Shower ORBIT002 Outlet Brushed Brass Fixed Shower Head Dimensions Shower sizes vary considerably based on the floor plan, but comfortable minimal showers are commonly 42” x 36” (107 cm x 91 cm) with the flexibility to incorporate a (12”. A fixed shower head (or wall mount shower head) is one of the most common types of shower heads, and what most people have in. They are usually smaller in. Fixed Shower Head Dimensions.
From www.kallista.com
Standard Shower Head Height for Remodel or Build Kallista Fixed Shower Head Dimensions Fixed shower heads are easy to use, and they’re also affordable. Fixed shower heads are wall mounted or attached to the shower faucet arm with a pivot mechanism. You can mount some fixed shower heads on an arm or bar so you can adjust the height. A fixed shower head is the most common type of shower head, and they’re. Fixed Shower Head Dimensions.
From www.dimensions.com
Shower Heads Dimensions & Drawings Fixed Shower Head Dimensions You can mount some fixed shower heads on an arm or bar so you can adjust the height. Fixed shower heads are easy to use, and they’re also affordable. Shower sizes vary considerably based on the floor plan, but comfortable minimal showers are commonly 42” x 36” (107 cm x 91 cm) with the flexibility to incorporate a (12”. They. Fixed Shower Head Dimensions.
From www.divapor.com
Heritage STA05 Traditional Deluxe Fixed Shower Head Vintage Gold Fixed Shower Head Dimensions A fixed shower head is the most common type of shower head, and they’re usually a wall mount showerhead. A fixed shower head (or wall mount shower head) is one of the most common types of shower heads, and what most people have in. Shower sizes vary considerably based on the floor plan, but comfortable minimal showers are commonly 42”. Fixed Shower Head Dimensions.
From shellysavonlea.net
Ceiling Rain Shower Height Shelly Lighting Fixed Shower Head Dimensions You can mount some fixed shower heads on an arm or bar so you can adjust the height. Shower sizes vary considerably based on the floor plan, but comfortable minimal showers are commonly 42” x 36” (107 cm x 91 cm) with the flexibility to incorporate a (12”. Fixed shower heads are easy to use, and they’re also affordable. A. Fixed Shower Head Dimensions.
From www.wayfair.com
Riobel Rain Fixed Shower Head Wayfair Fixed Shower Head Dimensions Fixed shower heads are wall mounted or attached to the shower faucet arm with a pivot mechanism. You can mount some fixed shower heads on an arm or bar so you can adjust the height. They are usually smaller in size and the simple yet functional design makes them. Shower sizes vary considerably based on the floor plan, but comfortable. Fixed Shower Head Dimensions.
From www.renovatorstore.com.au
Overhead Rain Shower Head 260mm Circular Large Chrome renovatorstore Fixed Shower Head Dimensions Shower sizes vary considerably based on the floor plan, but comfortable minimal showers are commonly 42” x 36” (107 cm x 91 cm) with the flexibility to incorporate a (12”. A fixed shower head is mounted directly to the shower wall or ceiling. They are usually smaller in size and the simple yet functional design makes them. A fixed shower. Fixed Shower Head Dimensions.
From www.tapwarehouse.com
Margot Concealed Shower Valve, Fixed Shower Head & Handset Tap Warehouse Fixed Shower Head Dimensions A fixed shower head is mounted directly to the shower wall or ceiling. They are usually smaller in size and the simple yet functional design makes them. Fixed shower heads are easy to use, and they’re also affordable. A fixed shower head is the most common type of shower head, and they’re usually a wall mount showerhead. You can mount. Fixed Shower Head Dimensions.
From renovatorstore.com.au
Bathroom Square Shower Handle Tap with Rail Fixed Shower Head Dimensions They are usually smaller in size and the simple yet functional design makes them. Fixed shower heads are wall mounted or attached to the shower faucet arm with a pivot mechanism. Shower sizes vary considerably based on the floor plan, but comfortable minimal showers are commonly 42” x 36” (107 cm x 91 cm) with the flexibility to incorporate a. Fixed Shower Head Dimensions.
From designingidea.com
Shower Head Height (Standard Measurements) Designing Idea Fixed Shower Head Dimensions Fixed shower heads are wall mounted or attached to the shower faucet arm with a pivot mechanism. Shower sizes vary considerably based on the floor plan, but comfortable minimal showers are commonly 42” x 36” (107 cm x 91 cm) with the flexibility to incorporate a (12”. They are usually smaller in size and the simple yet functional design makes. Fixed Shower Head Dimensions.
From www.wayfair.co.uk
Old London 30cm Round Fixed Shower Head Wayfair.co.uk Fixed Shower Head Dimensions A fixed shower head (or wall mount shower head) is one of the most common types of shower heads, and what most people have in. You can mount some fixed shower heads on an arm or bar so you can adjust the height. They are usually smaller in size and the simple yet functional design makes them. Fixed shower heads. Fixed Shower Head Dimensions.
From www.pinterest.com
Placement for shower head Shower niche, Bathroom remodel shower Fixed Shower Head Dimensions Fixed shower heads are easy to use, and they’re also affordable. You can mount some fixed shower heads on an arm or bar so you can adjust the height. A fixed shower head (or wall mount shower head) is one of the most common types of shower heads, and what most people have in. A fixed shower head is mounted. Fixed Shower Head Dimensions.
From www.emag.ro
Shower Head High Pressure Rain Type Fixed Shower Head 5 Settings with Fixed Shower Head Dimensions They are usually smaller in size and the simple yet functional design makes them. A fixed shower head (or wall mount shower head) is one of the most common types of shower heads, and what most people have in. Shower sizes vary considerably based on the floor plan, but comfortable minimal showers are commonly 42” x 36” (107 cm x. Fixed Shower Head Dimensions.
From www.tapwarehouse.com
Gabrielle Concealed Thermostatic Push Button Shower Valve, Fixed Shower Fixed Shower Head Dimensions A fixed shower head is the most common type of shower head, and they’re usually a wall mount showerhead. Shower sizes vary considerably based on the floor plan, but comfortable minimal showers are commonly 42” x 36” (107 cm x 91 cm) with the flexibility to incorporate a (12”. They are usually smaller in size and the simple yet functional. Fixed Shower Head Dimensions.
From www.byretech.com
Circular Single Mode Fixed Shower Head Byretech Ltd Fixed Shower Head Dimensions Fixed shower heads are easy to use, and they’re also affordable. Fixed shower heads are wall mounted or attached to the shower faucet arm with a pivot mechanism. A fixed shower head (or wall mount shower head) is one of the most common types of shower heads, and what most people have in. A fixed shower head is mounted directly. Fixed Shower Head Dimensions.