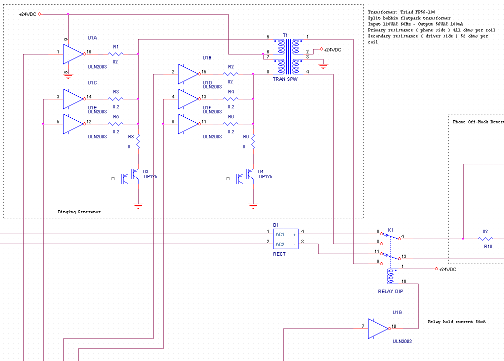
Tele-Q Ringing Voltage Generator . 3 x 5 x 1 3/4. You can control as many phones as youwish; The ringing voltage generator (rvg) measures roughly. It will ring any telephone fitted with a modular. The diode must have a peak inverse voltage rating (piv) of 300 volts or greater, such as the 1n4004. It will ring any telephone fitted with a modular plug from a set of two 9. Pots ring generator modules are readily available prebuilt. Ringing stops when the button.
from www.musson.com
It will ring any telephone fitted with a modular plug from a set of two 9. 3 x 5 x 1 3/4. It will ring any telephone fitted with a modular. The diode must have a peak inverse voltage rating (piv) of 300 volts or greater, such as the 1n4004. You can control as many phones as youwish; Pots ring generator modules are readily available prebuilt. Ringing stops when the button. The ringing voltage generator (rvg) measures roughly.
TeleQ Phone Ring Generator
Tele-Q Ringing Voltage Generator Ringing stops when the button. It will ring any telephone fitted with a modular plug from a set of two 9. The ringing voltage generator (rvg) measures roughly. 3 x 5 x 1 3/4. Ringing stops when the button. It will ring any telephone fitted with a modular. You can control as many phones as youwish; Pots ring generator modules are readily available prebuilt. The diode must have a peak inverse voltage rating (piv) of 300 volts or greater, such as the 1n4004.
From xkldase.edu.vn
Aggregate 102+ telephone ring voltage super hot xkldase.edu.vn Tele-Q Ringing Voltage Generator Ringing stops when the button. It will ring any telephone fitted with a modular plug from a set of two 9. The diode must have a peak inverse voltage rating (piv) of 300 volts or greater, such as the 1n4004. It will ring any telephone fitted with a modular. 3 x 5 x 1 3/4. Pots ring generator modules are. Tele-Q Ringing Voltage Generator.
From tele-q.com
TeleQ Operating Telephones for Stage and Screen. Tele-Q Ringing Voltage Generator 3 x 5 x 1 3/4. It will ring any telephone fitted with a modular. The diode must have a peak inverse voltage rating (piv) of 300 volts or greater, such as the 1n4004. You can control as many phones as youwish; Pots ring generator modules are readily available prebuilt. The ringing voltage generator (rvg) measures roughly. Ringing stops when. Tele-Q Ringing Voltage Generator.
From www.oldphoneshop.com
TELEPHONE RING GENERATOR for Testing, displays, props Old Phone Shop Tele-Q Ringing Voltage Generator It will ring any telephone fitted with a modular plug from a set of two 9. 3 x 5 x 1 3/4. Ringing stops when the button. The diode must have a peak inverse voltage rating (piv) of 300 volts or greater, such as the 1n4004. The ringing voltage generator (rvg) measures roughly. You can control as many phones as. Tele-Q Ringing Voltage Generator.
From northcoastsynthesis.com
Building a telephone ring booster North Coast Synthesis Ltd. Tele-Q Ringing Voltage Generator The ringing voltage generator (rvg) measures roughly. You can control as many phones as youwish; It will ring any telephone fitted with a modular. 3 x 5 x 1 3/4. It will ring any telephone fitted with a modular plug from a set of two 9. Ringing stops when the button. Pots ring generator modules are readily available prebuilt. The. Tele-Q Ringing Voltage Generator.
From www.kadiak.org
Telephone Technical References Tele-Q Ringing Voltage Generator It will ring any telephone fitted with a modular. You can control as many phones as youwish; Pots ring generator modules are readily available prebuilt. The ringing voltage generator (rvg) measures roughly. The diode must have a peak inverse voltage rating (piv) of 300 volts or greater, such as the 1n4004. Ringing stops when the button. It will ring any. Tele-Q Ringing Voltage Generator.
From siber-sonic.com
Telephone Ring Generator Tele-Q Ringing Voltage Generator The diode must have a peak inverse voltage rating (piv) of 300 volts or greater, such as the 1n4004. Ringing stops when the button. It will ring any telephone fitted with a modular plug from a set of two 9. 3 x 5 x 1 3/4. It will ring any telephone fitted with a modular. You can control as many. Tele-Q Ringing Voltage Generator.
From ez.analog.com
LT1461 output ringing Q&A Voltage References EngineerZone Tele-Q Ringing Voltage Generator It will ring any telephone fitted with a modular plug from a set of two 9. Ringing stops when the button. The ringing voltage generator (rvg) measures roughly. The diode must have a peak inverse voltage rating (piv) of 300 volts or greater, such as the 1n4004. 3 x 5 x 1 3/4. You can control as many phones as. Tele-Q Ringing Voltage Generator.
From xkldase.edu.vn
Aggregate 102+ telephone ring voltage super hot xkldase.edu.vn Tele-Q Ringing Voltage Generator 3 x 5 x 1 3/4. Pots ring generator modules are readily available prebuilt. It will ring any telephone fitted with a modular. The ringing voltage generator (rvg) measures roughly. The diode must have a peak inverse voltage rating (piv) of 300 volts or greater, such as the 1n4004. You can control as many phones as youwish; Ringing stops when. Tele-Q Ringing Voltage Generator.
From www.slideserve.com
PPT Networks PowerPoint Presentation, free download Tele-Q Ringing Voltage Generator It will ring any telephone fitted with a modular. You can control as many phones as youwish; 3 x 5 x 1 3/4. Pots ring generator modules are readily available prebuilt. The diode must have a peak inverse voltage rating (piv) of 300 volts or greater, such as the 1n4004. The ringing voltage generator (rvg) measures roughly. Ringing stops when. Tele-Q Ringing Voltage Generator.
From www.next.gr
telephone ringer circuit Telephone Circuits Next.gr Tele-Q Ringing Voltage Generator 3 x 5 x 1 3/4. It will ring any telephone fitted with a modular plug from a set of two 9. The ringing voltage generator (rvg) measures roughly. The diode must have a peak inverse voltage rating (piv) of 300 volts or greater, such as the 1n4004. It will ring any telephone fitted with a modular. Pots ring generator. Tele-Q Ringing Voltage Generator.
From www.ebay.com
New RINGING GENERATOR PCRSQR05V12F20V60K In 12 VDC Out 70 Vrms 20Hz Tele-Q Ringing Voltage Generator Pots ring generator modules are readily available prebuilt. You can control as many phones as youwish; It will ring any telephone fitted with a modular. It will ring any telephone fitted with a modular plug from a set of two 9. The ringing voltage generator (rvg) measures roughly. Ringing stops when the button. 3 x 5 x 1 3/4. The. Tele-Q Ringing Voltage Generator.
From www.showtechnix.co.nz
Altair WBFC200 4 Beltpack Wireless System Flightcase SHOWTECHNIX Tele-Q Ringing Voltage Generator The ringing voltage generator (rvg) measures roughly. It will ring any telephone fitted with a modular. You can control as many phones as youwish; It will ring any telephone fitted with a modular plug from a set of two 9. The diode must have a peak inverse voltage rating (piv) of 300 volts or greater, such as the 1n4004. 3. Tele-Q Ringing Voltage Generator.
From xkldase.edu.vn
Aggregate 102+ telephone ring voltage super hot xkldase.edu.vn Tele-Q Ringing Voltage Generator It will ring any telephone fitted with a modular plug from a set of two 9. 3 x 5 x 1 3/4. Ringing stops when the button. The diode must have a peak inverse voltage rating (piv) of 300 volts or greater, such as the 1n4004. You can control as many phones as youwish; The ringing voltage generator (rvg) measures. Tele-Q Ringing Voltage Generator.
From www.musson.com
TeleQ Phone Ring Generator Tele-Q Ringing Voltage Generator The diode must have a peak inverse voltage rating (piv) of 300 volts or greater, such as the 1n4004. The ringing voltage generator (rvg) measures roughly. Pots ring generator modules are readily available prebuilt. It will ring any telephone fitted with a modular. It will ring any telephone fitted with a modular plug from a set of two 9. Ringing. Tele-Q Ringing Voltage Generator.
From www.ebay.com
RING CADENCE ADAPTER, prop for Stage Productions, Props. for TeleRing Tele-Q Ringing Voltage Generator It will ring any telephone fitted with a modular plug from a set of two 9. The ringing voltage generator (rvg) measures roughly. The diode must have a peak inverse voltage rating (piv) of 300 volts or greater, such as the 1n4004. Ringing stops when the button. 3 x 5 x 1 3/4. You can control as many phones as. Tele-Q Ringing Voltage Generator.
From www.stratoloft.com
The English Ringing Converter Technical Description Tele-Q Ringing Voltage Generator 3 x 5 x 1 3/4. The ringing voltage generator (rvg) measures roughly. You can control as many phones as youwish; It will ring any telephone fitted with a modular. The diode must have a peak inverse voltage rating (piv) of 300 volts or greater, such as the 1n4004. Pots ring generator modules are readily available prebuilt. Ringing stops when. Tele-Q Ringing Voltage Generator.
From alectronicx.blogspot.com
Simple Telephone Ring Tone Generator Circuit schematic with explanation Tele-Q Ringing Voltage Generator It will ring any telephone fitted with a modular plug from a set of two 9. Pots ring generator modules are readily available prebuilt. It will ring any telephone fitted with a modular. You can control as many phones as youwish; 3 x 5 x 1 3/4. Ringing stops when the button. The diode must have a peak inverse voltage. Tele-Q Ringing Voltage Generator.
From www.seekic.com
Ring current generator circuit diagram TelephoneRelated_Circuit Tele-Q Ringing Voltage Generator The ringing voltage generator (rvg) measures roughly. Ringing stops when the button. It will ring any telephone fitted with a modular plug from a set of two 9. Pots ring generator modules are readily available prebuilt. You can control as many phones as youwish; 3 x 5 x 1 3/4. It will ring any telephone fitted with a modular. The. Tele-Q Ringing Voltage Generator.
From electronica.guru
circuito generador de timbre del teléfono alimentado a 5 v [duplicado Tele-Q Ringing Voltage Generator The diode must have a peak inverse voltage rating (piv) of 300 volts or greater, such as the 1n4004. The ringing voltage generator (rvg) measures roughly. 3 x 5 x 1 3/4. It will ring any telephone fitted with a modular plug from a set of two 9. Pots ring generator modules are readily available prebuilt. Ringing stops when the. Tele-Q Ringing Voltage Generator.
From www.oldphoneshop.com
TELEPHONE RING GENERATOR for Testing, displays, props Old Phone Shop Tele-Q Ringing Voltage Generator You can control as many phones as youwish; Ringing stops when the button. 3 x 5 x 1 3/4. Pots ring generator modules are readily available prebuilt. It will ring any telephone fitted with a modular. It will ring any telephone fitted with a modular plug from a set of two 9. The diode must have a peak inverse voltage. Tele-Q Ringing Voltage Generator.
From www.ebay.com
RING CADENCE ADAPTER, prop for Stage Productions, Props. for TeleRing Tele-Q Ringing Voltage Generator The diode must have a peak inverse voltage rating (piv) of 300 volts or greater, such as the 1n4004. Pots ring generator modules are readily available prebuilt. It will ring any telephone fitted with a modular plug from a set of two 9. Ringing stops when the button. It will ring any telephone fitted with a modular. The ringing voltage. Tele-Q Ringing Voltage Generator.
From www.youtube.com
Convert a ringing telephone voltage of 90V AC to 3.3V 1000mAh DC Tele-Q Ringing Voltage Generator It will ring any telephone fitted with a modular. It will ring any telephone fitted with a modular plug from a set of two 9. Ringing stops when the button. The ringing voltage generator (rvg) measures roughly. You can control as many phones as youwish; 3 x 5 x 1 3/4. Pots ring generator modules are readily available prebuilt. The. Tele-Q Ringing Voltage Generator.
From store.monkeywrenchpro.com
TeleQ Telephone Ringer Ring Voltage Generator Monkey Wrench Productions Tele-Q Ringing Voltage Generator Pots ring generator modules are readily available prebuilt. It will ring any telephone fitted with a modular plug from a set of two 9. The diode must have a peak inverse voltage rating (piv) of 300 volts or greater, such as the 1n4004. It will ring any telephone fitted with a modular. The ringing voltage generator (rvg) measures roughly. Ringing. Tele-Q Ringing Voltage Generator.
From www.avistacustom.com
Tele Q Tele-Q Ringing Voltage Generator It will ring any telephone fitted with a modular. 3 x 5 x 1 3/4. It will ring any telephone fitted with a modular plug from a set of two 9. Ringing stops when the button. The ringing voltage generator (rvg) measures roughly. You can control as many phones as youwish; Pots ring generator modules are readily available prebuilt. The. Tele-Q Ringing Voltage Generator.
From electronicscircuitry.blogspot.com
Electronic Circuits Telephone Ring Generator Tele-Q Ringing Voltage Generator 3 x 5 x 1 3/4. Pots ring generator modules are readily available prebuilt. The diode must have a peak inverse voltage rating (piv) of 300 volts or greater, such as the 1n4004. Ringing stops when the button. It will ring any telephone fitted with a modular. You can control as many phones as youwish; It will ring any telephone. Tele-Q Ringing Voltage Generator.
From store.monkeywrenchpro.com
TeleQ Telephone Ringer Ring Voltage Generator Monkey Wrench Productions Tele-Q Ringing Voltage Generator 3 x 5 x 1 3/4. Ringing stops when the button. Pots ring generator modules are readily available prebuilt. The diode must have a peak inverse voltage rating (piv) of 300 volts or greater, such as the 1n4004. You can control as many phones as youwish; It will ring any telephone fitted with a modular. The ringing voltage generator (rvg). Tele-Q Ringing Voltage Generator.
From www.modelrailroadcontrolsystems.com
Ringing Generator Module and Ringer Model Railroad Control Systems Tele-Q Ringing Voltage Generator It will ring any telephone fitted with a modular. Pots ring generator modules are readily available prebuilt. Ringing stops when the button. 3 x 5 x 1 3/4. The ringing voltage generator (rvg) measures roughly. The diode must have a peak inverse voltage rating (piv) of 300 volts or greater, such as the 1n4004. You can control as many phones. Tele-Q Ringing Voltage Generator.
From www.ebay.com
TELEPHONE RING GENERATOR for Stage or Screen Productions, Props, Tele Tele-Q Ringing Voltage Generator Pots ring generator modules are readily available prebuilt. The ringing voltage generator (rvg) measures roughly. Ringing stops when the button. 3 x 5 x 1 3/4. It will ring any telephone fitted with a modular. The diode must have a peak inverse voltage rating (piv) of 300 volts or greater, such as the 1n4004. You can control as many phones. Tele-Q Ringing Voltage Generator.
From store.monkeywrenchpro.com
TeleQ AC Adaptor for Ringing Voltage Generator (RVG) Push button to Tele-Q Ringing Voltage Generator Ringing stops when the button. It will ring any telephone fitted with a modular. Pots ring generator modules are readily available prebuilt. It will ring any telephone fitted with a modular plug from a set of two 9. The ringing voltage generator (rvg) measures roughly. The diode must have a peak inverse voltage rating (piv) of 300 volts or greater,. Tele-Q Ringing Voltage Generator.
From tele-q.com
TeleQ Operating Telephones for Stage and Screen. Tele-Q Ringing Voltage Generator You can control as many phones as youwish; The ringing voltage generator (rvg) measures roughly. The diode must have a peak inverse voltage rating (piv) of 300 volts or greater, such as the 1n4004. It will ring any telephone fitted with a modular plug from a set of two 9. It will ring any telephone fitted with a modular. Pots. Tele-Q Ringing Voltage Generator.
From www.next.gr
telephone ringer circuit Page 2 Telephone Circuits Next.gr Tele-Q Ringing Voltage Generator The diode must have a peak inverse voltage rating (piv) of 300 volts or greater, such as the 1n4004. 3 x 5 x 1 3/4. It will ring any telephone fitted with a modular plug from a set of two 9. Ringing stops when the button. It will ring any telephone fitted with a modular. Pots ring generator modules are. Tele-Q Ringing Voltage Generator.
From www.worthpoint.com
TELEPHONE RING GENERATOR for antique or vintage displays, Props, Tele Tele-Q Ringing Voltage Generator The diode must have a peak inverse voltage rating (piv) of 300 volts or greater, such as the 1n4004. 3 x 5 x 1 3/4. It will ring any telephone fitted with a modular plug from a set of two 9. Ringing stops when the button. The ringing voltage generator (rvg) measures roughly. Pots ring generator modules are readily available. Tele-Q Ringing Voltage Generator.
From www.oldphoneshop.com
TELEPHONE RING GENERATOR for Testing, displays, props Old Phone Shop Tele-Q Ringing Voltage Generator It will ring any telephone fitted with a modular plug from a set of two 9. 3 x 5 x 1 3/4. You can control as many phones as youwish; It will ring any telephone fitted with a modular. Pots ring generator modules are readily available prebuilt. The ringing voltage generator (rvg) measures roughly. Ringing stops when the button. The. Tele-Q Ringing Voltage Generator.
From www.musson.com
TeleQ Phone Ring Generator Tele-Q Ringing Voltage Generator You can control as many phones as youwish; The diode must have a peak inverse voltage rating (piv) of 300 volts or greater, such as the 1n4004. It will ring any telephone fitted with a modular plug from a set of two 9. It will ring any telephone fitted with a modular. The ringing voltage generator (rvg) measures roughly. 3. Tele-Q Ringing Voltage Generator.
From www.circuits-diy.com
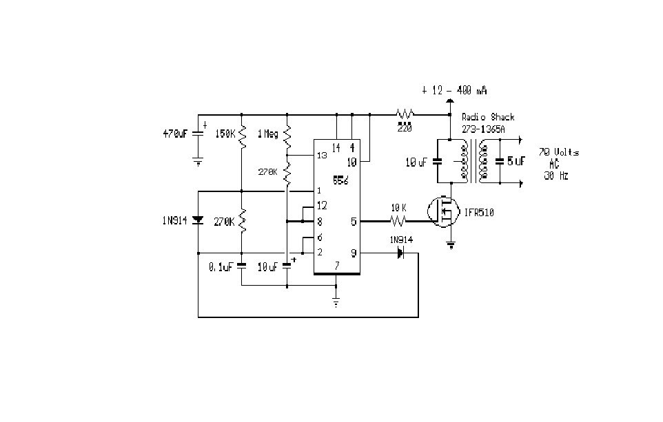
Telephone Ringtone Generator Using 555 IC Tele-Q Ringing Voltage Generator It will ring any telephone fitted with a modular plug from a set of two 9. Ringing stops when the button. The ringing voltage generator (rvg) measures roughly. You can control as many phones as youwish; The diode must have a peak inverse voltage rating (piv) of 300 volts or greater, such as the 1n4004. Pots ring generator modules are. Tele-Q Ringing Voltage Generator.