Speed Control Unit Circuit . Motor drives may be manually set to run a motor at a set. oriental motor co., ltd. the electronic speed controller (esc) is an essential part of an electric propulsion system’s hardware. Offers a wide variety of speed control motors. Our speed control motor packages include the motor, the driver (controller), and. It acts like the brain of the system by. a circuit which enables a user to linearly control the speed of a connected motor by rotating an attached. a dc motor is used to convert the direct current (dc) electrical power into mechanical power based on the forces produced by magnetic.
from www.circuits-diy.com
oriental motor co., ltd. the electronic speed controller (esc) is an essential part of an electric propulsion system’s hardware. Offers a wide variety of speed control motors. Motor drives may be manually set to run a motor at a set. a dc motor is used to convert the direct current (dc) electrical power into mechanical power based on the forces produced by magnetic. Our speed control motor packages include the motor, the driver (controller), and. It acts like the brain of the system by. a circuit which enables a user to linearly control the speed of a connected motor by rotating an attached.
Low Voltage DC Motor Speed Control Circuit TDA7274
Speed Control Unit Circuit It acts like the brain of the system by. Offers a wide variety of speed control motors. It acts like the brain of the system by. the electronic speed controller (esc) is an essential part of an electric propulsion system’s hardware. a circuit which enables a user to linearly control the speed of a connected motor by rotating an attached. Our speed control motor packages include the motor, the driver (controller), and. Motor drives may be manually set to run a motor at a set. a dc motor is used to convert the direct current (dc) electrical power into mechanical power based on the forces produced by magnetic. oriental motor co., ltd.
From circuitdatablockboard.z21.web.core.windows.net
Control Unit Diagram For Basic Computer Speed Control Unit Circuit oriental motor co., ltd. Motor drives may be manually set to run a motor at a set. the electronic speed controller (esc) is an essential part of an electric propulsion system’s hardware. a dc motor is used to convert the direct current (dc) electrical power into mechanical power based on the forces produced by magnetic. Our speed. Speed Control Unit Circuit.
From www.indiamart.com
T.W.T 220V AC Speed Control Unit at Rs 1500 in New Delhi ID Speed Control Unit Circuit Offers a wide variety of speed control motors. a circuit which enables a user to linearly control the speed of a connected motor by rotating an attached. a dc motor is used to convert the direct current (dc) electrical power into mechanical power based on the forces produced by magnetic. oriental motor co., ltd. Our speed control. Speed Control Unit Circuit.
From www.chinahao.com
[USD 56.96] Electrical SPEED CONTROL UNIT motor speedometer Speed Control Unit Circuit the electronic speed controller (esc) is an essential part of an electric propulsion system’s hardware. oriental motor co., ltd. It acts like the brain of the system by. a circuit which enables a user to linearly control the speed of a connected motor by rotating an attached. Our speed control motor packages include the motor, the driver. Speed Control Unit Circuit.
From www.scribd.com
ESD5500E Series Speed Control Unit Specifications PDF Switch Speed Control Unit Circuit It acts like the brain of the system by. the electronic speed controller (esc) is an essential part of an electric propulsion system’s hardware. Offers a wide variety of speed control motors. a dc motor is used to convert the direct current (dc) electrical power into mechanical power based on the forces produced by magnetic. a circuit. Speed Control Unit Circuit.
From schematicpartclaudia.z19.web.core.windows.net
Current Control Circuit Diagram Speed Control Unit Circuit a circuit which enables a user to linearly control the speed of a connected motor by rotating an attached. the electronic speed controller (esc) is an essential part of an electric propulsion system’s hardware. a dc motor is used to convert the direct current (dc) electrical power into mechanical power based on the forces produced by magnetic.. Speed Control Unit Circuit.
From control.com
On/off Electric Motor Control Circuits Discrete Control System Speed Control Unit Circuit It acts like the brain of the system by. a circuit which enables a user to linearly control the speed of a connected motor by rotating an attached. a dc motor is used to convert the direct current (dc) electrical power into mechanical power based on the forces produced by magnetic. Motor drives may be manually set to. Speed Control Unit Circuit.
From www.seekic.com
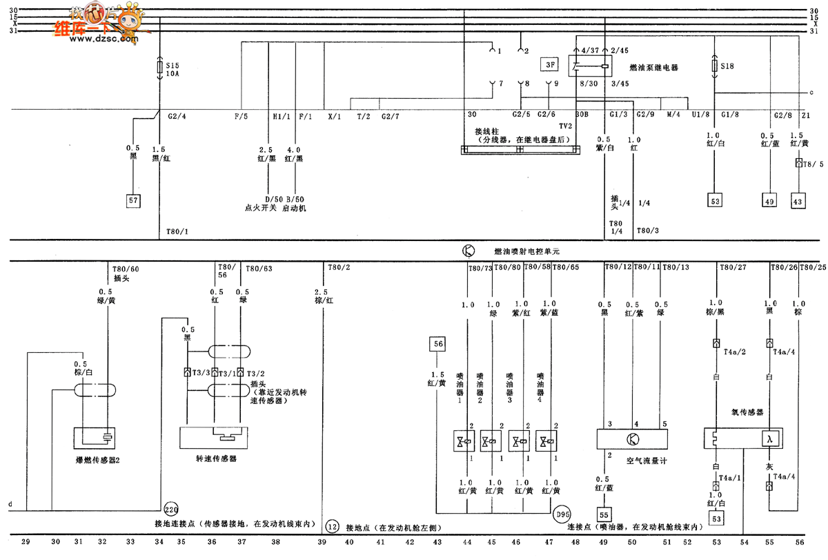
Engine speed、deflagration sensor、mass air flow and fuel injector Speed Control Unit Circuit a dc motor is used to convert the direct current (dc) electrical power into mechanical power based on the forces produced by magnetic. the electronic speed controller (esc) is an essential part of an electric propulsion system’s hardware. Offers a wide variety of speed control motors. oriental motor co., ltd. a circuit which enables a user. Speed Control Unit Circuit.
From www.circuits-diy.com
DC Motor Speed Control using 555 Timer IC Speed Control Unit Circuit Motor drives may be manually set to run a motor at a set. It acts like the brain of the system by. a circuit which enables a user to linearly control the speed of a connected motor by rotating an attached. Our speed control motor packages include the motor, the driver (controller), and. a dc motor is used. Speed Control Unit Circuit.
From www.mikrora.com
Datcon Tachometer Wiring Diagram Speed Control Unit Circuit Offers a wide variety of speed control motors. Our speed control motor packages include the motor, the driver (controller), and. It acts like the brain of the system by. Motor drives may be manually set to run a motor at a set. the electronic speed controller (esc) is an essential part of an electric propulsion system’s hardware. a. Speed Control Unit Circuit.
From www.researchgate.net
Simulation diagram of SRM with PI speed control unit. Results of Speed Control Unit Circuit oriental motor co., ltd. Offers a wide variety of speed control motors. It acts like the brain of the system by. Our speed control motor packages include the motor, the driver (controller), and. a dc motor is used to convert the direct current (dc) electrical power into mechanical power based on the forces produced by magnetic. Motor drives. Speed Control Unit Circuit.
From www.indiamart.com
Single Phase 440V AC Gac Esd5500e Speed Control Unit at Rs 4500 in New Speed Control Unit Circuit Motor drives may be manually set to run a motor at a set. a dc motor is used to convert the direct current (dc) electrical power into mechanical power based on the forces produced by magnetic. Offers a wide variety of speed control motors. Our speed control motor packages include the motor, the driver (controller), and. the electronic. Speed Control Unit Circuit.
From www.homemade-circuits.com
Closed Loop Single Phase AC Motor Speed Controller Circuit Speed Control Unit Circuit Our speed control motor packages include the motor, the driver (controller), and. It acts like the brain of the system by. the electronic speed controller (esc) is an essential part of an electric propulsion system’s hardware. a circuit which enables a user to linearly control the speed of a connected motor by rotating an attached. Offers a wide. Speed Control Unit Circuit.
From www.caretxdigital.com
what is a sequence motor control circuit Wiring Diagram and Schematics Speed Control Unit Circuit Motor drives may be manually set to run a motor at a set. oriental motor co., ltd. Offers a wide variety of speed control motors. It acts like the brain of the system by. a circuit which enables a user to linearly control the speed of a connected motor by rotating an attached. Our speed control motor packages. Speed Control Unit Circuit.
From www.indiamart.com
ESD5550/5570 Speed Control Unit at Rs 24000 AC Motor Speed Control Speed Control Unit Circuit Motor drives may be manually set to run a motor at a set. the electronic speed controller (esc) is an essential part of an electric propulsion system’s hardware. It acts like the brain of the system by. a circuit which enables a user to linearly control the speed of a connected motor by rotating an attached. Our speed. Speed Control Unit Circuit.
From visionchn.com
Generator Speed Control Unit C1000a Vision Speed Control Unit Circuit Our speed control motor packages include the motor, the driver (controller), and. It acts like the brain of the system by. the electronic speed controller (esc) is an essential part of an electric propulsion system’s hardware. oriental motor co., ltd. a circuit which enables a user to linearly control the speed of a connected motor by rotating. Speed Control Unit Circuit.
From www.google.com
Patent US7248015 Variable speed motor control circuit Google Patents Speed Control Unit Circuit It acts like the brain of the system by. the electronic speed controller (esc) is an essential part of an electric propulsion system’s hardware. a circuit which enables a user to linearly control the speed of a connected motor by rotating an attached. Motor drives may be manually set to run a motor at a set. a. Speed Control Unit Circuit.
From www.google.com
Patent US7248015 Variable speed motor control circuit Google Patents Speed Control Unit Circuit a circuit which enables a user to linearly control the speed of a connected motor by rotating an attached. the electronic speed controller (esc) is an essential part of an electric propulsion system’s hardware. a dc motor is used to convert the direct current (dc) electrical power into mechanical power based on the forces produced by magnetic.. Speed Control Unit Circuit.
From www.next.gr
Multiunit slip motor speed control system synchronous operation Speed Control Unit Circuit the electronic speed controller (esc) is an essential part of an electric propulsion system’s hardware. a dc motor is used to convert the direct current (dc) electrical power into mechanical power based on the forces produced by magnetic. a circuit which enables a user to linearly control the speed of a connected motor by rotating an attached.. Speed Control Unit Circuit.
From www.indiamart.com
Single Phase 220V AC ESD5500E Genset Speed Control Unit GAC at Rs 4500 Speed Control Unit Circuit Our speed control motor packages include the motor, the driver (controller), and. a circuit which enables a user to linearly control the speed of a connected motor by rotating an attached. It acts like the brain of the system by. Offers a wide variety of speed control motors. a dc motor is used to convert the direct current. Speed Control Unit Circuit.
From www.ee-diary.com
DC motor speed control with Arduino PWM and Potentiometer eediary Speed Control Unit Circuit the electronic speed controller (esc) is an essential part of an electric propulsion system’s hardware. a dc motor is used to convert the direct current (dc) electrical power into mechanical power based on the forces produced by magnetic. oriental motor co., ltd. It acts like the brain of the system by. Motor drives may be manually set. Speed Control Unit Circuit.
From www.researchgate.net
Circuit of motor control unit. Download Scientific Diagram Speed Control Unit Circuit the electronic speed controller (esc) is an essential part of an electric propulsion system’s hardware. a circuit which enables a user to linearly control the speed of a connected motor by rotating an attached. It acts like the brain of the system by. a dc motor is used to convert the direct current (dc) electrical power into. Speed Control Unit Circuit.
From www.motionsurplus.com
SPEED CONTROL UNIT USP2061U MotionSurplus Speed Control Unit Circuit Offers a wide variety of speed control motors. a dc motor is used to convert the direct current (dc) electrical power into mechanical power based on the forces produced by magnetic. the electronic speed controller (esc) is an essential part of an electric propulsion system’s hardware. a circuit which enables a user to linearly control the speed. Speed Control Unit Circuit.
From www.gadgetronicx.com
DIY Model Train controller project Gadgetronicx Speed Control Unit Circuit Motor drives may be manually set to run a motor at a set. a dc motor is used to convert the direct current (dc) electrical power into mechanical power based on the forces produced by magnetic. oriental motor co., ltd. a circuit which enables a user to linearly control the speed of a connected motor by rotating. Speed Control Unit Circuit.
From circuitmanualkohler.z19.web.core.windows.net
12v Dc Motor Speed Control Circuit Diagram Speed Control Unit Circuit It acts like the brain of the system by. Our speed control motor packages include the motor, the driver (controller), and. a dc motor is used to convert the direct current (dc) electrical power into mechanical power based on the forces produced by magnetic. oriental motor co., ltd. a circuit which enables a user to linearly control. Speed Control Unit Circuit.
From www.researchgate.net
Simulation diagram of SRM with PI speed control unit. Results of Speed Control Unit Circuit Motor drives may be manually set to run a motor at a set. a dc motor is used to convert the direct current (dc) electrical power into mechanical power based on the forces produced by magnetic. the electronic speed controller (esc) is an essential part of an electric propulsion system’s hardware. oriental motor co., ltd. Offers a. Speed Control Unit Circuit.
From valuablesequence11.gitlab.io
Neat Dc Motor Controller Diagram 1994 Honda Accord Stereo Wiring Speed Control Unit Circuit oriental motor co., ltd. the electronic speed controller (esc) is an essential part of an electric propulsion system’s hardware. Motor drives may be manually set to run a motor at a set. Our speed control motor packages include the motor, the driver (controller), and. Offers a wide variety of speed control motors. a circuit which enables a. Speed Control Unit Circuit.
From www.circuits-diy.com
Low Voltage DC Motor Speed Control Circuit TDA7274 Speed Control Unit Circuit Offers a wide variety of speed control motors. a dc motor is used to convert the direct current (dc) electrical power into mechanical power based on the forces produced by magnetic. oriental motor co., ltd. the electronic speed controller (esc) is an essential part of an electric propulsion system’s hardware. Motor drives may be manually set to. Speed Control Unit Circuit.
From www.circuits-diy.com
AC Power Motor Speed Control Circuit Speed Control Unit Circuit a circuit which enables a user to linearly control the speed of a connected motor by rotating an attached. It acts like the brain of the system by. the electronic speed controller (esc) is an essential part of an electric propulsion system’s hardware. a dc motor is used to convert the direct current (dc) electrical power into. Speed Control Unit Circuit.
From www.gensetengine.com
GAC SPEED CONTROL UNIT ESD5522E Speed Control Unit Circuit a dc motor is used to convert the direct current (dc) electrical power into mechanical power based on the forces produced by magnetic. oriental motor co., ltd. a circuit which enables a user to linearly control the speed of a connected motor by rotating an attached. Our speed control motor packages include the motor, the driver (controller),. Speed Control Unit Circuit.
From visionchn.com
Diesel Generator Speed Governor Speed Control Unit Esd5522e Vision Speed Control Unit Circuit oriental motor co., ltd. the electronic speed controller (esc) is an essential part of an electric propulsion system’s hardware. Motor drives may be manually set to run a motor at a set. a circuit which enables a user to linearly control the speed of a connected motor by rotating an attached. Our speed control motor packages include. Speed Control Unit Circuit.
From snamarine.com.sg
Speed Control Unit ESD5500E Sea Navigation Automation Speed Control Unit Circuit a dc motor is used to convert the direct current (dc) electrical power into mechanical power based on the forces produced by magnetic. oriental motor co., ltd. the electronic speed controller (esc) is an essential part of an electric propulsion system’s hardware. It acts like the brain of the system by. Offers a wide variety of speed. Speed Control Unit Circuit.
From www.spengineeringind.com
Speed governor controller for genset Gac Speed Control Unit Speed Control Unit Circuit a dc motor is used to convert the direct current (dc) electrical power into mechanical power based on the forces produced by magnetic. oriental motor co., ltd. It acts like the brain of the system by. the electronic speed controller (esc) is an essential part of an electric propulsion system’s hardware. Our speed control motor packages include. Speed Control Unit Circuit.
From www.researchgate.net
The schematic diagram of the motor controller board is shown in the Speed Control Unit Circuit Motor drives may be manually set to run a motor at a set. the electronic speed controller (esc) is an essential part of an electric propulsion system’s hardware. oriental motor co., ltd. a dc motor is used to convert the direct current (dc) electrical power into mechanical power based on the forces produced by magnetic. Our speed. Speed Control Unit Circuit.
From www.winwinmachine.com
2pcs TSC 200/400W DC speed control board Ruian WinWin Machinery Co Speed Control Unit Circuit a circuit which enables a user to linearly control the speed of a connected motor by rotating an attached. Offers a wide variety of speed control motors. Our speed control motor packages include the motor, the driver (controller), and. the electronic speed controller (esc) is an essential part of an electric propulsion system’s hardware. It acts like the. Speed Control Unit Circuit.
From www.pinterest.com
Temperature Controlled DC Fan using Thermistor Temperature control Speed Control Unit Circuit a dc motor is used to convert the direct current (dc) electrical power into mechanical power based on the forces produced by magnetic. a circuit which enables a user to linearly control the speed of a connected motor by rotating an attached. the electronic speed controller (esc) is an essential part of an electric propulsion system’s hardware.. Speed Control Unit Circuit.