Power Supply Crowbar Protection . It protects the load by shorting the output terminals of the power supply when a overvoltage is detected. Compare crowbars with clamps and other ovp devices, and see examples and references. A crowbar circuit is a simple electrical circuit that prevents damage to the circuits (load of the power supply) in the event of an overvoltage of the power supply. This document outlines how to approach the design of a protective device called crowbar. Universal crowbar design for protecting power supply circuits. A crowbar circuit monitors the input voltage and when it exceeds the limit it creates a short circuit across the power lines and blows up the fuse. Once the fuse is blown the power supply.
from www.youtube.com
Once the fuse is blown the power supply. A crowbar circuit is a simple electrical circuit that prevents damage to the circuits (load of the power supply) in the event of an overvoltage of the power supply. This document outlines how to approach the design of a protective device called crowbar. It protects the load by shorting the output terminals of the power supply when a overvoltage is detected. Compare crowbars with clamps and other ovp devices, and see examples and references. Universal crowbar design for protecting power supply circuits. A crowbar circuit monitors the input voltage and when it exceeds the limit it creates a short circuit across the power lines and blows up the fuse.
Crowbar circuit using scr, scr crowbar circuit, circuit for overload
Power Supply Crowbar Protection Once the fuse is blown the power supply. A crowbar circuit monitors the input voltage and when it exceeds the limit it creates a short circuit across the power lines and blows up the fuse. Once the fuse is blown the power supply. Compare crowbars with clamps and other ovp devices, and see examples and references. This document outlines how to approach the design of a protective device called crowbar. It protects the load by shorting the output terminals of the power supply when a overvoltage is detected. A crowbar circuit is a simple electrical circuit that prevents damage to the circuits (load of the power supply) in the event of an overvoltage of the power supply. Universal crowbar design for protecting power supply circuits.
From www.wellpcb.com
Overvoltage Protection Circuit Meaning, Types, and DIY Projects Explained Power Supply Crowbar Protection Universal crowbar design for protecting power supply circuits. A crowbar circuit is a simple electrical circuit that prevents damage to the circuits (load of the power supply) in the event of an overvoltage of the power supply. Compare crowbars with clamps and other ovp devices, and see examples and references. Once the fuse is blown the power supply. This document. Power Supply Crowbar Protection.
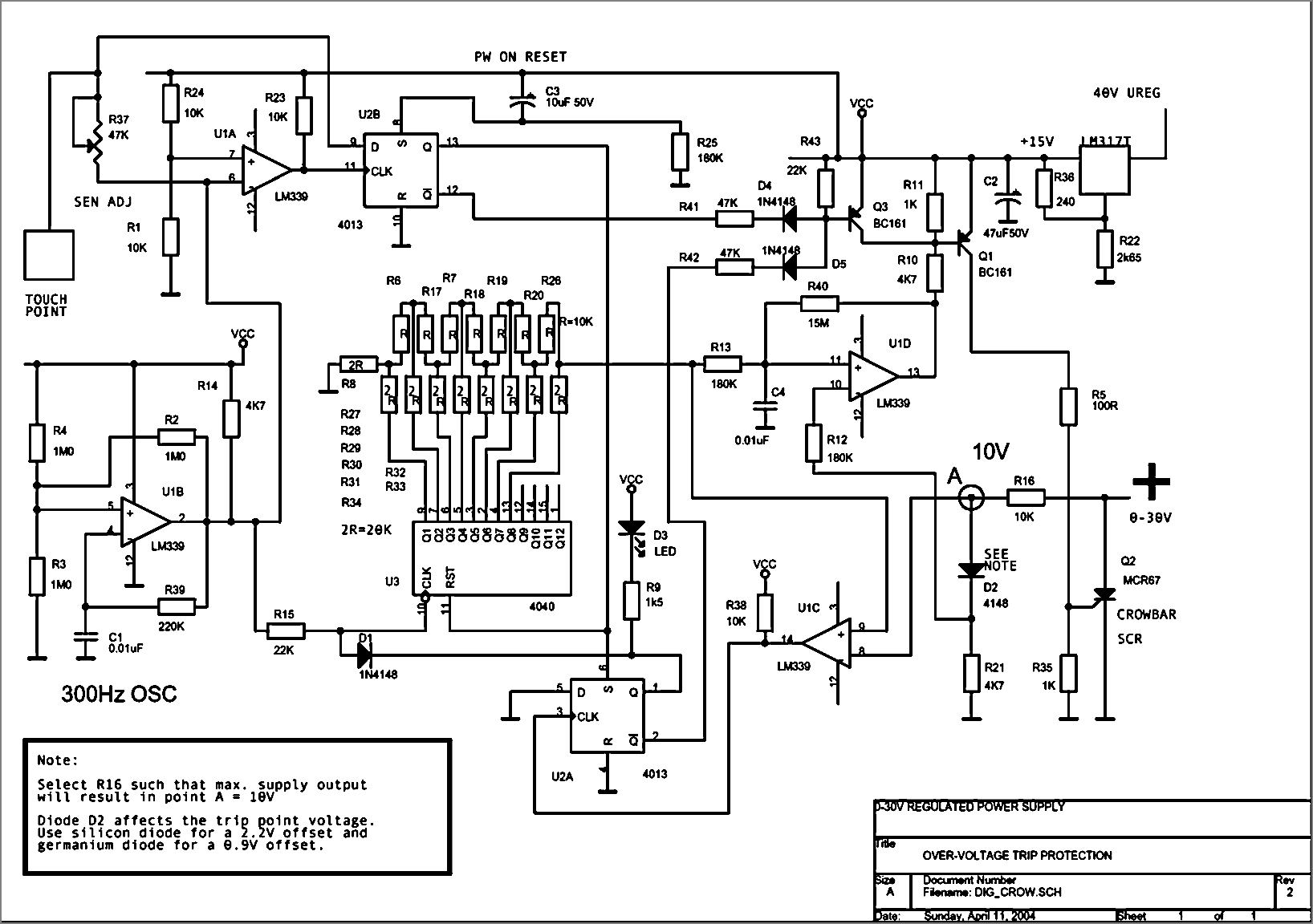
From circuit-diagramz.com
Crowbar Over Voltage Protection Circuit Diagram Power Supply Crowbar Protection It protects the load by shorting the output terminals of the power supply when a overvoltage is detected. Compare crowbars with clamps and other ovp devices, and see examples and references. This document outlines how to approach the design of a protective device called crowbar. Universal crowbar design for protecting power supply circuits. A crowbar circuit monitors the input voltage. Power Supply Crowbar Protection.
From www.researchgate.net
Schematic of Anode Power Supply (20 KV, 22 Amp) with Ignitron Crowbar Power Supply Crowbar Protection Compare crowbars with clamps and other ovp devices, and see examples and references. A crowbar circuit is a simple electrical circuit that prevents damage to the circuits (load of the power supply) in the event of an overvoltage of the power supply. Universal crowbar design for protecting power supply circuits. A crowbar circuit monitors the input voltage and when it. Power Supply Crowbar Protection.
From www.circuits-diy.com
Crowbar Overvoltage Protection Circuit Power Supply Crowbar Protection Compare crowbars with clamps and other ovp devices, and see examples and references. A crowbar circuit monitors the input voltage and when it exceeds the limit it creates a short circuit across the power lines and blows up the fuse. It protects the load by shorting the output terminals of the power supply when a overvoltage is detected. Once the. Power Supply Crowbar Protection.
From www.researchgate.net
Crowbar protection circuit for DFIGbased WEC systems. (b) Crowbar Power Supply Crowbar Protection It protects the load by shorting the output terminals of the power supply when a overvoltage is detected. A crowbar circuit monitors the input voltage and when it exceeds the limit it creates a short circuit across the power lines and blows up the fuse. A crowbar circuit is a simple electrical circuit that prevents damage to the circuits (load. Power Supply Crowbar Protection.
From www.youtube.com
Innovative Hybrid Crowbar Protection for AC Power Lines Littelfuse Power Supply Crowbar Protection A crowbar circuit monitors the input voltage and when it exceeds the limit it creates a short circuit across the power lines and blows up the fuse. Once the fuse is blown the power supply. It protects the load by shorting the output terminals of the power supply when a overvoltage is detected. A crowbar circuit is a simple electrical. Power Supply Crowbar Protection.
From www.homemade-circuits.com
Simple Crowbar Circuits for Overvoltage Protection Homemade Circuit Power Supply Crowbar Protection Universal crowbar design for protecting power supply circuits. Once the fuse is blown the power supply. A crowbar circuit is a simple electrical circuit that prevents damage to the circuits (load of the power supply) in the event of an overvoltage of the power supply. It protects the load by shorting the output terminals of the power supply when a. Power Supply Crowbar Protection.
From www.alibaba.com
Module Surge Protector Intelligent Spd Dc Power Supply Protector T1 12 Power Supply Crowbar Protection This document outlines how to approach the design of a protective device called crowbar. A crowbar circuit is a simple electrical circuit that prevents damage to the circuits (load of the power supply) in the event of an overvoltage of the power supply. It protects the load by shorting the output terminals of the power supply when a overvoltage is. Power Supply Crowbar Protection.
From www.chatteris.biz
Crowbar Overvoltage Circuit to Protect Transceiver My Blog Power Supply Crowbar Protection Compare crowbars with clamps and other ovp devices, and see examples and references. This document outlines how to approach the design of a protective device called crowbar. Once the fuse is blown the power supply. A crowbar circuit is a simple electrical circuit that prevents damage to the circuits (load of the power supply) in the event of an overvoltage. Power Supply Crowbar Protection.
From www.radio-workshop.co.uk
G4NSJ Power Supplies 13.8 Volt crowbar Radio Power Supply Crowbar Protection Universal crowbar design for protecting power supply circuits. It protects the load by shorting the output terminals of the power supply when a overvoltage is detected. A crowbar circuit monitors the input voltage and when it exceeds the limit it creates a short circuit across the power lines and blows up the fuse. Compare crowbars with clamps and other ovp. Power Supply Crowbar Protection.
From www.electronics-lab.com
Crowbar Circuit Using TRIAC and TL431 Precision Programmable Reference Power Supply Crowbar Protection This document outlines how to approach the design of a protective device called crowbar. Universal crowbar design for protecting power supply circuits. Once the fuse is blown the power supply. Compare crowbars with clamps and other ovp devices, and see examples and references. A crowbar circuit monitors the input voltage and when it exceeds the limit it creates a short. Power Supply Crowbar Protection.
From www.scribd.com
SCR Thyristor Crowbar Overvoltage Protection Circuit Electronics Power Supply Crowbar Protection A crowbar circuit monitors the input voltage and when it exceeds the limit it creates a short circuit across the power lines and blows up the fuse. A crowbar circuit is a simple electrical circuit that prevents damage to the circuits (load of the power supply) in the event of an overvoltage of the power supply. Compare crowbars with clamps. Power Supply Crowbar Protection.
From electronics.stackexchange.com
simulation How to design over voltage protection Crowbar Circuit Power Supply Crowbar Protection A crowbar circuit monitors the input voltage and when it exceeds the limit it creates a short circuit across the power lines and blows up the fuse. This document outlines how to approach the design of a protective device called crowbar. Universal crowbar design for protecting power supply circuits. Once the fuse is blown the power supply. Compare crowbars with. Power Supply Crowbar Protection.
From www.indiamart.com
230v Over Voltage Crowbar Protection Using Scr, For Laboratory, Model Power Supply Crowbar Protection A crowbar circuit is a simple electrical circuit that prevents damage to the circuits (load of the power supply) in the event of an overvoltage of the power supply. This document outlines how to approach the design of a protective device called crowbar. Once the fuse is blown the power supply. Compare crowbars with clamps and other ovp devices, and. Power Supply Crowbar Protection.
From www.chatteris.biz
Crowbar Overvoltage Circuit to Protect Transceiver My Blog Power Supply Crowbar Protection This document outlines how to approach the design of a protective device called crowbar. It protects the load by shorting the output terminals of the power supply when a overvoltage is detected. Universal crowbar design for protecting power supply circuits. A crowbar circuit monitors the input voltage and when it exceeds the limit it creates a short circuit across the. Power Supply Crowbar Protection.
From sosteneslekule.blogspot.com
CBISCUIT Power Crowbar Protection Circuit for 5V Regulator LEKULE Power Supply Crowbar Protection A crowbar circuit is a simple electrical circuit that prevents damage to the circuits (load of the power supply) in the event of an overvoltage of the power supply. It protects the load by shorting the output terminals of the power supply when a overvoltage is detected. Universal crowbar design for protecting power supply circuits. A crowbar circuit monitors the. Power Supply Crowbar Protection.
From www.seekic.com
OVERVOLTAGE_PROTECTION_CIRCUIT_SCR_CROWBAR Protection_Circuit Power Supply Crowbar Protection Once the fuse is blown the power supply. Compare crowbars with clamps and other ovp devices, and see examples and references. This document outlines how to approach the design of a protective device called crowbar. A crowbar circuit monitors the input voltage and when it exceeds the limit it creates a short circuit across the power lines and blows up. Power Supply Crowbar Protection.
From www.circuitbasics.com
Complete Guide to Electronic Protection Circuits Circuit Basics Power Supply Crowbar Protection Compare crowbars with clamps and other ovp devices, and see examples and references. This document outlines how to approach the design of a protective device called crowbar. A crowbar circuit is a simple electrical circuit that prevents damage to the circuits (load of the power supply) in the event of an overvoltage of the power supply. A crowbar circuit monitors. Power Supply Crowbar Protection.
From www.awarc.org
Power Supply Protection Albury Wodonga Amateur Radio Club Power Supply Crowbar Protection Universal crowbar design for protecting power supply circuits. It protects the load by shorting the output terminals of the power supply when a overvoltage is detected. A crowbar circuit monitors the input voltage and when it exceeds the limit it creates a short circuit across the power lines and blows up the fuse. Compare crowbars with clamps and other ovp. Power Supply Crowbar Protection.
From www.edaboard.com
[SOLVED] Diagram of an active crowbar circuit for overvoltage protection Power Supply Crowbar Protection It protects the load by shorting the output terminals of the power supply when a overvoltage is detected. Once the fuse is blown the power supply. Compare crowbars with clamps and other ovp devices, and see examples and references. This document outlines how to approach the design of a protective device called crowbar. A crowbar circuit is a simple electrical. Power Supply Crowbar Protection.
From circuitdigest.com
Crowbar Circuit Diagram Design & Working Power Supply Crowbar Protection A crowbar circuit monitors the input voltage and when it exceeds the limit it creates a short circuit across the power lines and blows up the fuse. Compare crowbars with clamps and other ovp devices, and see examples and references. It protects the load by shorting the output terminals of the power supply when a overvoltage is detected. A crowbar. Power Supply Crowbar Protection.
From circuitsstream.blogspot.com
Simple Crowbar Circuit Diagram Electronic Circuit Diagrams & Schematics Power Supply Crowbar Protection It protects the load by shorting the output terminals of the power supply when a overvoltage is detected. Once the fuse is blown the power supply. A crowbar circuit is a simple electrical circuit that prevents damage to the circuits (load of the power supply) in the event of an overvoltage of the power supply. Universal crowbar design for protecting. Power Supply Crowbar Protection.
From www.chunglim.plus.com
Circuit description Power Supply Crowbar Protection Once the fuse is blown the power supply. A crowbar circuit monitors the input voltage and when it exceeds the limit it creates a short circuit across the power lines and blows up the fuse. This document outlines how to approach the design of a protective device called crowbar. It protects the load by shorting the output terminals of the. Power Supply Crowbar Protection.
From www.youtube.com
Crowbar circuit using scr, scr crowbar circuit, circuit for overload Power Supply Crowbar Protection Universal crowbar design for protecting power supply circuits. Once the fuse is blown the power supply. A crowbar circuit monitors the input voltage and when it exceeds the limit it creates a short circuit across the power lines and blows up the fuse. A crowbar circuit is a simple electrical circuit that prevents damage to the circuits (load of the. Power Supply Crowbar Protection.
From www.trainelectronics.com
Crowbar Power Supply Crowbar Protection Universal crowbar design for protecting power supply circuits. This document outlines how to approach the design of a protective device called crowbar. Once the fuse is blown the power supply. Compare crowbars with clamps and other ovp devices, and see examples and references. A crowbar circuit monitors the input voltage and when it exceeds the limit it creates a short. Power Supply Crowbar Protection.
From www.circuits-diy.com
Crowbar Overvoltage Protection Circuit Power Supply Crowbar Protection Compare crowbars with clamps and other ovp devices, and see examples and references. Universal crowbar design for protecting power supply circuits. It protects the load by shorting the output terminals of the power supply when a overvoltage is detected. This document outlines how to approach the design of a protective device called crowbar. A crowbar circuit is a simple electrical. Power Supply Crowbar Protection.
From www.circuitbasics.com
Complete Guide to Electronic Protection Circuits Circuit Basics Power Supply Crowbar Protection A crowbar circuit is a simple electrical circuit that prevents damage to the circuits (load of the power supply) in the event of an overvoltage of the power supply. This document outlines how to approach the design of a protective device called crowbar. A crowbar circuit monitors the input voltage and when it exceeds the limit it creates a short. Power Supply Crowbar Protection.
From info.littelfuse.com
How to Design Crowbar Protection in High Power Applications Power Supply Crowbar Protection Once the fuse is blown the power supply. Universal crowbar design for protecting power supply circuits. It protects the load by shorting the output terminals of the power supply when a overvoltage is detected. A crowbar circuit monitors the input voltage and when it exceeds the limit it creates a short circuit across the power lines and blows up the. Power Supply Crowbar Protection.
From www.awarc.org
Power Supply Protection Albury Wodonga Amateur Radio Club Power Supply Crowbar Protection It protects the load by shorting the output terminals of the power supply when a overvoltage is detected. Universal crowbar design for protecting power supply circuits. A crowbar circuit monitors the input voltage and when it exceeds the limit it creates a short circuit across the power lines and blows up the fuse. Once the fuse is blown the power. Power Supply Crowbar Protection.
From www.constantpower.com.mt
Crowbar protection Constant Power Solutions UPS Malta Power Supply Crowbar Protection A crowbar circuit is a simple electrical circuit that prevents damage to the circuits (load of the power supply) in the event of an overvoltage of the power supply. This document outlines how to approach the design of a protective device called crowbar. Once the fuse is blown the power supply. It protects the load by shorting the output terminals. Power Supply Crowbar Protection.
From www.sunpower-uk.com
What is Crowbar Protection? Sunpower UK Power Supply Crowbar Protection It protects the load by shorting the output terminals of the power supply when a overvoltage is detected. This document outlines how to approach the design of a protective device called crowbar. A crowbar circuit monitors the input voltage and when it exceeds the limit it creates a short circuit across the power lines and blows up the fuse. A. Power Supply Crowbar Protection.
From www.radio-workshop.co.uk
G4NSJ Power Supplies 13.8 Volt crowbar Radio Power Supply Crowbar Protection A crowbar circuit monitors the input voltage and when it exceeds the limit it creates a short circuit across the power lines and blows up the fuse. Universal crowbar design for protecting power supply circuits. This document outlines how to approach the design of a protective device called crowbar. Once the fuse is blown the power supply. It protects the. Power Supply Crowbar Protection.
From www.reddit.com
Building PCAT DCDC power supply, overvoltage protection? (updated Power Supply Crowbar Protection A crowbar circuit monitors the input voltage and when it exceeds the limit it creates a short circuit across the power lines and blows up the fuse. Universal crowbar design for protecting power supply circuits. This document outlines how to approach the design of a protective device called crowbar. It protects the load by shorting the output terminals of the. Power Supply Crowbar Protection.
From www.allaboutcircuits.com
CBISCUIT Power Crowbar Protection Circuit for 5V Regulator Power Supply Crowbar Protection Once the fuse is blown the power supply. Compare crowbars with clamps and other ovp devices, and see examples and references. This document outlines how to approach the design of a protective device called crowbar. A crowbar circuit is a simple electrical circuit that prevents damage to the circuits (load of the power supply) in the event of an overvoltage. Power Supply Crowbar Protection.
From www.circuitdiagram.co
Dc Surge Protection Circuit Circuit Diagram Power Supply Crowbar Protection Compare crowbars with clamps and other ovp devices, and see examples and references. Universal crowbar design for protecting power supply circuits. It protects the load by shorting the output terminals of the power supply when a overvoltage is detected. A crowbar circuit is a simple electrical circuit that prevents damage to the circuits (load of the power supply) in the. Power Supply Crowbar Protection.