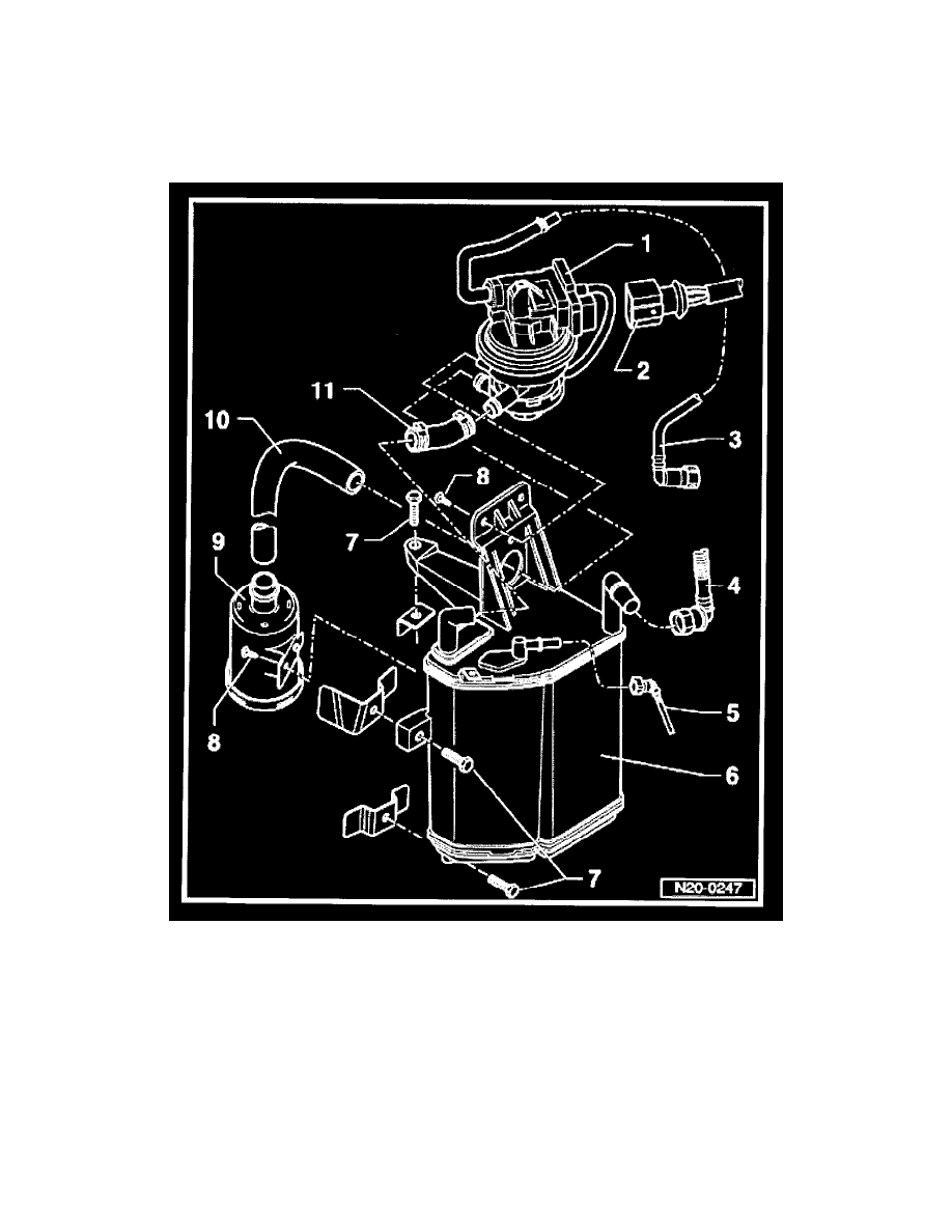
Vw Beetle Evap Canister Location . I will be sure to restore that, too. The yellow rectangle in pic [ec 01] shows you the location of the evap canister. I will research the one for the engine compartment, and where it is located. Under the wheel housing liner in the right rear wheel housing. Finding leaks from other sources is more complex and will need to use the techniques shown in the. Dealer diagnosed and quoted $900.00 to change the evap canister and n80 valve. I searched the location of the n80 valve. I have a '73 beetle, and. • if i can't remove the evap cc due to its location above the muffler i'll need to: Plug lines #10, #16, and #18 or leave #18 connected, plug #10, and breather on line 16 and. • on the evaporative emission (evap) canister. • checking, refer to vehicle diagnosis, testing and. Here is the location of the evap purge regulator valve (n80), marked a.
from www.vwvortex.com
I will be sure to restore that, too. I will research the one for the engine compartment, and where it is located. I searched the location of the n80 valve. Finding leaks from other sources is more complex and will need to use the techniques shown in the. • if i can't remove the evap cc due to its location above the muffler i'll need to: Dealer diagnosed and quoted $900.00 to change the evap canister and n80 valve. I have a '73 beetle, and. Plug lines #10, #16, and #18 or leave #18 connected, plug #10, and breather on line 16 and. Here is the location of the evap purge regulator valve (n80), marked a. Under the wheel housing liner in the right rear wheel housing.
Anyone have experience with evap canister replacement? VW Vortex
Vw Beetle Evap Canister Location I will research the one for the engine compartment, and where it is located. Here is the location of the evap purge regulator valve (n80), marked a. The yellow rectangle in pic [ec 01] shows you the location of the evap canister. I searched the location of the n80 valve. I will research the one for the engine compartment, and where it is located. I will be sure to restore that, too. Dealer diagnosed and quoted $900.00 to change the evap canister and n80 valve. I have a '73 beetle, and. Under the wheel housing liner in the right rear wheel housing. Plug lines #10, #16, and #18 or leave #18 connected, plug #10, and breather on line 16 and. Finding leaks from other sources is more complex and will need to use the techniques shown in the. • if i can't remove the evap cc due to its location above the muffler i'll need to: • checking, refer to vehicle diagnosis, testing and. • on the evaporative emission (evap) canister.
From automotivetechinfo.com
Leak Detectives Volkswagen EVAP Automotive Tech Info Vw Beetle Evap Canister Location • if i can't remove the evap cc due to its location above the muffler i'll need to: • checking, refer to vehicle diagnosis, testing and. I have a '73 beetle, and. I will be sure to restore that, too. Under the wheel housing liner in the right rear wheel housing. Here is the location of the evap purge regulator. Vw Beetle Evap Canister Location.
From www.newbeetle.org
Evaporative Canister DIY VW Beetle Forum Vw Beetle Evap Canister Location I have a '73 beetle, and. I will research the one for the engine compartment, and where it is located. • if i can't remove the evap cc due to its location above the muffler i'll need to: I searched the location of the n80 valve. • checking, refer to vehicle diagnosis, testing and. The yellow rectangle in pic [ec. Vw Beetle Evap Canister Location.
From www.ebay.com
2003 2010 Volkswagen Beetle Evap Gas Vapor Canister Charcoal OEM eBay Vw Beetle Evap Canister Location I will research the one for the engine compartment, and where it is located. Under the wheel housing liner in the right rear wheel housing. Finding leaks from other sources is more complex and will need to use the techniques shown in the. The yellow rectangle in pic [ec 01] shows you the location of the evap canister. I searched. Vw Beetle Evap Canister Location.
From www.youtube.com
How To Install Replace Evaporative Emission Canister Purge Valve VW Vw Beetle Evap Canister Location Here is the location of the evap purge regulator valve (n80), marked a. Dealer diagnosed and quoted $900.00 to change the evap canister and n80 valve. • on the evaporative emission (evap) canister. The yellow rectangle in pic [ec 01] shows you the location of the evap canister. I will be sure to restore that, too. Finding leaks from other. Vw Beetle Evap Canister Location.
From www.yourmechanic.com
How to Replace an Evaporative Emission Control Canister YourMechanic Vw Beetle Evap Canister Location • on the evaporative emission (evap) canister. • checking, refer to vehicle diagnosis, testing and. I will be sure to restore that, too. Here is the location of the evap purge regulator valve (n80), marked a. The yellow rectangle in pic [ec 01] shows you the location of the evap canister. • if i can't remove the evap cc due. Vw Beetle Evap Canister Location.
From www.ebay.com
13 14 15 16 17 18 19 Volkswagen Beetle Vapor Canister Fuel evap Vw Beetle Evap Canister Location I will research the one for the engine compartment, and where it is located. Under the wheel housing liner in the right rear wheel housing. • on the evaporative emission (evap) canister. Here is the location of the evap purge regulator valve (n80), marked a. • checking, refer to vehicle diagnosis, testing and. • if i can't remove the evap. Vw Beetle Evap Canister Location.
From www.aliexpress.com
OEM EVAP Purge Valve Vapar,Canister Purge Solenoid Valve 0280142431 Vw Beetle Evap Canister Location • if i can't remove the evap cc due to its location above the muffler i'll need to: • checking, refer to vehicle diagnosis, testing and. Dealer diagnosed and quoted $900.00 to change the evap canister and n80 valve. Under the wheel housing liner in the right rear wheel housing. I have a '73 beetle, and. The yellow rectangle in. Vw Beetle Evap Canister Location.
From schematicsparerib.z14.web.core.windows.net
How To Test The Evap Purge Valve Vw Beetle Evap Canister Location • if i can't remove the evap cc due to its location above the muffler i'll need to: Finding leaks from other sources is more complex and will need to use the techniques shown in the. I will be sure to restore that, too. Under the wheel housing liner in the right rear wheel housing. I will research the one. Vw Beetle Evap Canister Location.
From www.amazon.ca
BlueStars 06E906517A 0280142431 EVAP Vapor Canister Purge Valve Vw Beetle Evap Canister Location Here is the location of the evap purge regulator valve (n80), marked a. • checking, refer to vehicle diagnosis, testing and. • on the evaporative emission (evap) canister. I have a '73 beetle, and. I will research the one for the engine compartment, and where it is located. I searched the location of the n80 valve. Dealer diagnosed and quoted. Vw Beetle Evap Canister Location.
From carparts4sale.com
Leak Detection Pump Charcoal Canister EVAP 9805 VW Beetle 1C0 201 Vw Beetle Evap Canister Location I searched the location of the n80 valve. Finding leaks from other sources is more complex and will need to use the techniques shown in the. • on the evaporative emission (evap) canister. I will research the one for the engine compartment, and where it is located. Under the wheel housing liner in the right rear wheel housing. Plug lines. Vw Beetle Evap Canister Location.
From automotivetechinfo.com
Leak Detectives Volkswagen EVAP Automotive Tech Info Vw Beetle Evap Canister Location Under the wheel housing liner in the right rear wheel housing. The yellow rectangle in pic [ec 01] shows you the location of the evap canister. • on the evaporative emission (evap) canister. Dealer diagnosed and quoted $900.00 to change the evap canister and n80 valve. I have a '73 beetle, and. Plug lines #10, #16, and #18 or leave. Vw Beetle Evap Canister Location.
From www.youtube.com
07 vw jetta Evap purge solenoid (canister control valve) YouTube Vw Beetle Evap Canister Location Finding leaks from other sources is more complex and will need to use the techniques shown in the. I have a '73 beetle, and. Here is the location of the evap purge regulator valve (n80), marked a. I will be sure to restore that, too. • if i can't remove the evap cc due to its location above the muffler. Vw Beetle Evap Canister Location.
From carparts4sale.com
Leak Detection Pump Charcoal Canister EVAP 9805 VW Beetle 1C0 201 801 Vw Beetle Evap Canister Location Dealer diagnosed and quoted $900.00 to change the evap canister and n80 valve. The yellow rectangle in pic [ec 01] shows you the location of the evap canister. Here is the location of the evap purge regulator valve (n80), marked a. • checking, refer to vehicle diagnosis, testing and. I have a '73 beetle, and. Plug lines #10, #16, and. Vw Beetle Evap Canister Location.
From www.newbeetle.org
Evaporative Canister DIY VW Beetle Forum Vw Beetle Evap Canister Location I will research the one for the engine compartment, and where it is located. I will be sure to restore that, too. Under the wheel housing liner in the right rear wheel housing. The yellow rectangle in pic [ec 01] shows you the location of the evap canister. Dealer diagnosed and quoted $900.00 to change the evap canister and n80. Vw Beetle Evap Canister Location.
From www.ebay.com
2003 2010 Volkswagen Beetle Evap Gas Vapor Canister Charcoal OEM eBay Vw Beetle Evap Canister Location The yellow rectangle in pic [ec 01] shows you the location of the evap canister. Here is the location of the evap purge regulator valve (n80), marked a. • if i can't remove the evap cc due to its location above the muffler i'll need to: • on the evaporative emission (evap) canister. I will be sure to restore that,. Vw Beetle Evap Canister Location.
From workshop-manuals.com
Volkswagen New Beetle Convertible Canister Purge Control Valve Location Vw Beetle Evap Canister Location • on the evaporative emission (evap) canister. I searched the location of the n80 valve. Plug lines #10, #16, and #18 or leave #18 connected, plug #10, and breather on line 16 and. I will research the one for the engine compartment, and where it is located. The yellow rectangle in pic [ec 01] shows you the location of the. Vw Beetle Evap Canister Location.
From www.newbeetle.org
Evaporative Canister DIY VW Beetle Forum Vw Beetle Evap Canister Location I will be sure to restore that, too. • if i can't remove the evap cc due to its location above the muffler i'll need to: Finding leaks from other sources is more complex and will need to use the techniques shown in the. I will research the one for the engine compartment, and where it is located. Here is. Vw Beetle Evap Canister Location.
From carparts4sale.com
Leak Detection Pump Charcoal Canister EVAP 9805 VW Beetle 1C0 201 801 Vw Beetle Evap Canister Location I searched the location of the n80 valve. I will research the one for the engine compartment, and where it is located. Dealer diagnosed and quoted $900.00 to change the evap canister and n80 valve. I have a '73 beetle, and. • if i can't remove the evap cc due to its location above the muffler i'll need to: •. Vw Beetle Evap Canister Location.
From www.newbeetle.org
Help with part / EVAP canister replacement VW Beetle Forum Vw Beetle Evap Canister Location Here is the location of the evap purge regulator valve (n80), marked a. Dealer diagnosed and quoted $900.00 to change the evap canister and n80 valve. I will research the one for the engine compartment, and where it is located. I have a '73 beetle, and. • on the evaporative emission (evap) canister. Under the wheel housing liner in the. Vw Beetle Evap Canister Location.
From www.newbeetle.org
Evaporative Canister DIY VW Beetle Forum Vw Beetle Evap Canister Location I will research the one for the engine compartment, and where it is located. • checking, refer to vehicle diagnosis, testing and. Plug lines #10, #16, and #18 or leave #18 connected, plug #10, and breather on line 16 and. Here is the location of the evap purge regulator valve (n80), marked a. Under the wheel housing liner in the. Vw Beetle Evap Canister Location.
From carparts4sale.com
Leak Detection Pump Charcoal Canister EVAP 9805 VW Beetle 1C0 201 Vw Beetle Evap Canister Location Finding leaks from other sources is more complex and will need to use the techniques shown in the. I will research the one for the engine compartment, and where it is located. The yellow rectangle in pic [ec 01] shows you the location of the evap canister. I have a '73 beetle, and. I searched the location of the n80. Vw Beetle Evap Canister Location.
From www.amazon.com
Genuine Volkswagen Beetle Evap (charcoal) Canister 1C0201 Vw Beetle Evap Canister Location • if i can't remove the evap cc due to its location above the muffler i'll need to: • checking, refer to vehicle diagnosis, testing and. Here is the location of the evap purge regulator valve (n80), marked a. Under the wheel housing liner in the right rear wheel housing. I searched the location of the n80 valve. • on. Vw Beetle Evap Canister Location.
From workshop-manuals.com
Volkswagen Service and Repair Manuals > New Beetle L42.0L Vw Beetle Evap Canister Location Dealer diagnosed and quoted $900.00 to change the evap canister and n80 valve. I have a '73 beetle, and. I searched the location of the n80 valve. I will research the one for the engine compartment, and where it is located. • if i can't remove the evap cc due to its location above the muffler i'll need to: Finding. Vw Beetle Evap Canister Location.
From carparts4sale.com
Leak Detection Pump Charcoal Canister EVAP 0510 VW Beetle 1C0 201 Vw Beetle Evap Canister Location • checking, refer to vehicle diagnosis, testing and. I will research the one for the engine compartment, and where it is located. Here is the location of the evap purge regulator valve (n80), marked a. Dealer diagnosed and quoted $900.00 to change the evap canister and n80 valve. • if i can't remove the evap cc due to its location. Vw Beetle Evap Canister Location.
From workshop-manuals.com
Volkswagen Service and Repair Manuals > Beetle L42.0L (AEG Vw Beetle Evap Canister Location Here is the location of the evap purge regulator valve (n80), marked a. • on the evaporative emission (evap) canister. I will be sure to restore that, too. Dealer diagnosed and quoted $900.00 to change the evap canister and n80 valve. Under the wheel housing liner in the right rear wheel housing. I will research the one for the engine. Vw Beetle Evap Canister Location.
From carparts4sale.com
Leak Detection Pump Charcoal Canister EVAP 9805 VW Beetle 1C0 201 Vw Beetle Evap Canister Location Finding leaks from other sources is more complex and will need to use the techniques shown in the. • if i can't remove the evap cc due to its location above the muffler i'll need to: Under the wheel housing liner in the right rear wheel housing. • on the evaporative emission (evap) canister. I will research the one for. Vw Beetle Evap Canister Location.
From www.ebay.com
2003 2010 Volkswagen Beetle Evap Gas Vapor Canister Charcoal OEM eBay Vw Beetle Evap Canister Location Finding leaks from other sources is more complex and will need to use the techniques shown in the. • checking, refer to vehicle diagnosis, testing and. Here is the location of the evap purge regulator valve (n80), marked a. I have a '73 beetle, and. I will research the one for the engine compartment, and where it is located. Plug. Vw Beetle Evap Canister Location.
From parts.vw.com
1998 volkswagen Beetle Tube. Breather. Evaporative Emissions System Vw Beetle Evap Canister Location Plug lines #10, #16, and #18 or leave #18 connected, plug #10, and breather on line 16 and. • checking, refer to vehicle diagnosis, testing and. Finding leaks from other sources is more complex and will need to use the techniques shown in the. Under the wheel housing liner in the right rear wheel housing. Here is the location of. Vw Beetle Evap Canister Location.
From www.newbeetle.org
Code P2187 VW Beetle Forum Vw Beetle Evap Canister Location Here is the location of the evap purge regulator valve (n80), marked a. Under the wheel housing liner in the right rear wheel housing. I searched the location of the n80 valve. Finding leaks from other sources is more complex and will need to use the techniques shown in the. • if i can't remove the evap cc due to. Vw Beetle Evap Canister Location.
From carparts4sale.com
Leak Detection Pump Charcoal Canister EVAP 9805 VW Beetle 1C0 201 Vw Beetle Evap Canister Location I have a '73 beetle, and. Dealer diagnosed and quoted $900.00 to change the evap canister and n80 valve. Here is the location of the evap purge regulator valve (n80), marked a. Under the wheel housing liner in the right rear wheel housing. Finding leaks from other sources is more complex and will need to use the techniques shown in. Vw Beetle Evap Canister Location.
From www.vwvortex.com
Anyone have experience with evap canister replacement? VW Vortex Vw Beetle Evap Canister Location • on the evaporative emission (evap) canister. • checking, refer to vehicle diagnosis, testing and. Dealer diagnosed and quoted $900.00 to change the evap canister and n80 valve. Plug lines #10, #16, and #18 or leave #18 connected, plug #10, and breather on line 16 and. Here is the location of the evap purge regulator valve (n80), marked a. The. Vw Beetle Evap Canister Location.
From www.vwvortex.com
Anyone have experience with evap canister replacement? VW Vortex Vw Beetle Evap Canister Location The yellow rectangle in pic [ec 01] shows you the location of the evap canister. I will research the one for the engine compartment, and where it is located. • checking, refer to vehicle diagnosis, testing and. Under the wheel housing liner in the right rear wheel housing. Plug lines #10, #16, and #18 or leave #18 connected, plug #10,. Vw Beetle Evap Canister Location.
From www.cargurus.com
Volkswagen Beetle Questions vacuum lines won't go back CarGurus Vw Beetle Evap Canister Location • on the evaporative emission (evap) canister. I will research the one for the engine compartment, and where it is located. I will be sure to restore that, too. • if i can't remove the evap cc due to its location above the muffler i'll need to: • checking, refer to vehicle diagnosis, testing and. The yellow rectangle in pic. Vw Beetle Evap Canister Location.
From carparts4sale.com
Leak Detection Pump Charcoal Canister EVAP 9805 VW Beetle 1C0 201 801 Vw Beetle Evap Canister Location Plug lines #10, #16, and #18 or leave #18 connected, plug #10, and breather on line 16 and. I have a '73 beetle, and. Here is the location of the evap purge regulator valve (n80), marked a. I searched the location of the n80 valve. Finding leaks from other sources is more complex and will need to use the techniques. Vw Beetle Evap Canister Location.
From parts.vw.com
7D0201801E Vapor Canister Genuine Volkswagen Part Vw Beetle Evap Canister Location • if i can't remove the evap cc due to its location above the muffler i'll need to: The yellow rectangle in pic [ec 01] shows you the location of the evap canister. I have a '73 beetle, and. I will be sure to restore that, too. Finding leaks from other sources is more complex and will need to use. Vw Beetle Evap Canister Location.