Inboard Engine Ventilation System . forced ventilation should include both inlet/supply, and exhaust air. If yours can’t, and there’s nothing obviously wrong—no damaged ducting, clogged louvers or screens, etc.—your ventilation system needs help. boat ventilation systems are responsible for circulating fresh air on a boat, to prevent a fire or explosion linked to gasoline fumes. sensors in the delta t system determine ventilation needs, triggering and controlling inlet and exhaust blowers as they. An air intake scoops up fresh. in a passive ventilation system, the engines, which are powerful air pumps, create enough suction to pull air in from both the intake and exhaust vents. In the ideal installation, inlet air will be ducted into the engineroom low, near the sole, and away. ventilation blowers are essential for maintaining a safe engine room environment. These systems are designed to provide. learn everything you need to know about boat ventilation systems including which boats need them and how long they must run before starting the engine.
from boattest.com
In the ideal installation, inlet air will be ducted into the engineroom low, near the sole, and away. An air intake scoops up fresh. in a passive ventilation system, the engines, which are powerful air pumps, create enough suction to pull air in from both the intake and exhaust vents. boat ventilation systems are responsible for circulating fresh air on a boat, to prevent a fire or explosion linked to gasoline fumes. learn everything you need to know about boat ventilation systems including which boats need them and how long they must run before starting the engine. sensors in the delta t system determine ventilation needs, triggering and controlling inlet and exhaust blowers as they. If yours can’t, and there’s nothing obviously wrong—no damaged ducting, clogged louvers or screens, etc.—your ventilation system needs help. ventilation blowers are essential for maintaining a safe engine room environment. These systems are designed to provide. forced ventilation should include both inlet/supply, and exhaust air.
Inboard Exhaust 101 How to Keep Things Flowing BoatTEST
Inboard Engine Ventilation System ventilation blowers are essential for maintaining a safe engine room environment. forced ventilation should include both inlet/supply, and exhaust air. ventilation blowers are essential for maintaining a safe engine room environment. learn everything you need to know about boat ventilation systems including which boats need them and how long they must run before starting the engine. In the ideal installation, inlet air will be ducted into the engineroom low, near the sole, and away. in a passive ventilation system, the engines, which are powerful air pumps, create enough suction to pull air in from both the intake and exhaust vents. If yours can’t, and there’s nothing obviously wrong—no damaged ducting, clogged louvers or screens, etc.—your ventilation system needs help. An air intake scoops up fresh. boat ventilation systems are responsible for circulating fresh air on a boat, to prevent a fire or explosion linked to gasoline fumes. sensors in the delta t system determine ventilation needs, triggering and controlling inlet and exhaust blowers as they. These systems are designed to provide.
From exogkahyy.blob.core.windows.net
How Does A Marine Exhaust System Work at Vickie Carlson blog Inboard Engine Ventilation System An air intake scoops up fresh. sensors in the delta t system determine ventilation needs, triggering and controlling inlet and exhaust blowers as they. ventilation blowers are essential for maintaining a safe engine room environment. These systems are designed to provide. in a passive ventilation system, the engines, which are powerful air pumps, create enough suction to. Inboard Engine Ventilation System.
From www.youtube.com
You can mess up flushing your inboard engine! Mercruiser engine fresh water flush YouTube Inboard Engine Ventilation System If yours can’t, and there’s nothing obviously wrong—no damaged ducting, clogged louvers or screens, etc.—your ventilation system needs help. In the ideal installation, inlet air will be ducted into the engineroom low, near the sole, and away. in a passive ventilation system, the engines, which are powerful air pumps, create enough suction to pull air in from both the. Inboard Engine Ventilation System.
From cehwgrjq.blob.core.windows.net
How Does A Passive Cooling System Work In A Jet Engine at Gail Walls blog Inboard Engine Ventilation System in a passive ventilation system, the engines, which are powerful air pumps, create enough suction to pull air in from both the intake and exhaust vents. learn everything you need to know about boat ventilation systems including which boats need them and how long they must run before starting the engine. These systems are designed to provide. . Inboard Engine Ventilation System.
From www.youtube.com
Mercruiser Inboard Engine Flush YouTube Inboard Engine Ventilation System sensors in the delta t system determine ventilation needs, triggering and controlling inlet and exhaust blowers as they. An air intake scoops up fresh. If yours can’t, and there’s nothing obviously wrong—no damaged ducting, clogged louvers or screens, etc.—your ventilation system needs help. ventilation blowers are essential for maintaining a safe engine room environment. learn everything you. Inboard Engine Ventilation System.
From www.fisheriessupply.com
Vetus Anti Syphon Valve Airvent Vented Loops Fisheries Supply Inboard Engine Ventilation System forced ventilation should include both inlet/supply, and exhaust air. In the ideal installation, inlet air will be ducted into the engineroom low, near the sole, and away. If yours can’t, and there’s nothing obviously wrong—no damaged ducting, clogged louvers or screens, etc.—your ventilation system needs help. learn everything you need to know about boat ventilation systems including which. Inboard Engine Ventilation System.
From marineenginedepot.com
Marine Engine Depot. New 6.0L VVT Inboard Replacement SportPac Engine Inboard Engine Ventilation System An air intake scoops up fresh. learn everything you need to know about boat ventilation systems including which boats need them and how long they must run before starting the engine. In the ideal installation, inlet air will be ducted into the engineroom low, near the sole, and away. sensors in the delta t system determine ventilation needs,. Inboard Engine Ventilation System.
From www.boatpartstore.com
Inboard stern drive cooling systems and how they work Inboard Engine Ventilation System in a passive ventilation system, the engines, which are powerful air pumps, create enough suction to pull air in from both the intake and exhaust vents. In the ideal installation, inlet air will be ducted into the engineroom low, near the sole, and away. ventilation blowers are essential for maintaining a safe engine room environment. These systems are. Inboard Engine Ventilation System.
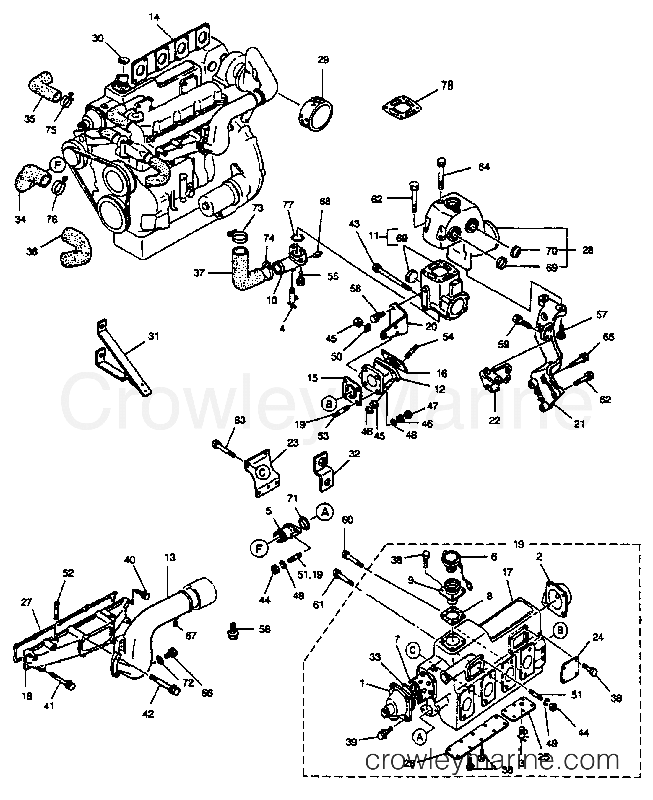
From www.crowleymarine.com
COOLING SYSTEM All Years Inboard Engine HINO DIESEL WO6DTI (250 H.P.) 6 CYL. Crowley Marine Inboard Engine Ventilation System In the ideal installation, inlet air will be ducted into the engineroom low, near the sole, and away. learn everything you need to know about boat ventilation systems including which boats need them and how long they must run before starting the engine. forced ventilation should include both inlet/supply, and exhaust air. If yours can’t, and there’s nothing. Inboard Engine Ventilation System.
From www.aircraftsystemstech.com
Aircraft Reciprocating Engine Exhaust Systems Inboard Engine Ventilation System sensors in the delta t system determine ventilation needs, triggering and controlling inlet and exhaust blowers as they. in a passive ventilation system, the engines, which are powerful air pumps, create enough suction to pull air in from both the intake and exhaust vents. boat ventilation systems are responsible for circulating fresh air on a boat, to. Inboard Engine Ventilation System.
From webmotor.org
How Does A Inboard Boat Motor Cooling System Work Inboard Engine Ventilation System learn everything you need to know about boat ventilation systems including which boats need them and how long they must run before starting the engine. ventilation blowers are essential for maintaining a safe engine room environment. In the ideal installation, inlet air will be ducted into the engineroom low, near the sole, and away. An air intake scoops. Inboard Engine Ventilation System.
From www.castingforgingpart.com
Marine Inboard Engine Exhaust Systems Knowledge Xinlong Machinery and Equipment (Zhengzhou Inboard Engine Ventilation System sensors in the delta t system determine ventilation needs, triggering and controlling inlet and exhaust blowers as they. boat ventilation systems are responsible for circulating fresh air on a boat, to prevent a fire or explosion linked to gasoline fumes. ventilation blowers are essential for maintaining a safe engine room environment. forced ventilation should include both. Inboard Engine Ventilation System.
From tyredcampaign.weebly.com
Inboard gasoline boats ventilation system tyredcampaign Inboard Engine Ventilation System in a passive ventilation system, the engines, which are powerful air pumps, create enough suction to pull air in from both the intake and exhaust vents. ventilation blowers are essential for maintaining a safe engine room environment. learn everything you need to know about boat ventilation systems including which boats need them and how long they must. Inboard Engine Ventilation System.
From pastorbrain.weebly.com
Inboard gasoline boats ventilation system pastorbrain Inboard Engine Ventilation System boat ventilation systems are responsible for circulating fresh air on a boat, to prevent a fire or explosion linked to gasoline fumes. If yours can’t, and there’s nothing obviously wrong—no damaged ducting, clogged louvers or screens, etc.—your ventilation system needs help. learn everything you need to know about boat ventilation systems including which boats need them and how. Inboard Engine Ventilation System.
From tech.noakmech.com
Inboard Gas Boats Ventilation System ZTech Inboard Engine Ventilation System boat ventilation systems are responsible for circulating fresh air on a boat, to prevent a fire or explosion linked to gasoline fumes. in a passive ventilation system, the engines, which are powerful air pumps, create enough suction to pull air in from both the intake and exhaust vents. An air intake scoops up fresh. forced ventilation should. Inboard Engine Ventilation System.
From cemfeakb.blob.core.windows.net
Performance Exhaust Systems How To Design Fabricate And Install Pdf at Norma Carr blog Inboard Engine Ventilation System ventilation blowers are essential for maintaining a safe engine room environment. forced ventilation should include both inlet/supply, and exhaust air. learn everything you need to know about boat ventilation systems including which boats need them and how long they must run before starting the engine. boat ventilation systems are responsible for circulating fresh air on a. Inboard Engine Ventilation System.
From www.crowleymarine.com
INTAKE AND EXHAUST SYSTEM All Years Inboard Engine HINO DIESEL WO6DTI (250 H.P.) 6 CYL Inboard Engine Ventilation System An air intake scoops up fresh. If yours can’t, and there’s nothing obviously wrong—no damaged ducting, clogged louvers or screens, etc.—your ventilation system needs help. learn everything you need to know about boat ventilation systems including which boats need them and how long they must run before starting the engine. ventilation blowers are essential for maintaining a safe. Inboard Engine Ventilation System.
From www.sbmar.com
EnviroVent Crankcase Ventilation (CCV) for Cummins Marine Diesels Seaboard Marine Inboard Engine Ventilation System An air intake scoops up fresh. learn everything you need to know about boat ventilation systems including which boats need them and how long they must run before starting the engine. In the ideal installation, inlet air will be ducted into the engineroom low, near the sole, and away. forced ventilation should include both inlet/supply, and exhaust air.. Inboard Engine Ventilation System.
From enginelibdravidian.z21.web.core.windows.net
4.3 Mercruiser Cooling System Diagram Inboard Engine Ventilation System forced ventilation should include both inlet/supply, and exhaust air. boat ventilation systems are responsible for circulating fresh air on a boat, to prevent a fire or explosion linked to gasoline fumes. These systems are designed to provide. learn everything you need to know about boat ventilation systems including which boats need them and how long they must. Inboard Engine Ventilation System.
From www.youtube.com
Inboard Gasoline Engines Exhaust Systems / Highlight Video YouTube Inboard Engine Ventilation System in a passive ventilation system, the engines, which are powerful air pumps, create enough suction to pull air in from both the intake and exhaust vents. These systems are designed to provide. forced ventilation should include both inlet/supply, and exhaust air. ventilation blowers are essential for maintaining a safe engine room environment. If yours can’t, and there’s. Inboard Engine Ventilation System.
From www.cpperformance.com
Marine Closed Cooling Systems Inboard Engine Ventilation System forced ventilation should include both inlet/supply, and exhaust air. in a passive ventilation system, the engines, which are powerful air pumps, create enough suction to pull air in from both the intake and exhaust vents. An air intake scoops up fresh. If yours can’t, and there’s nothing obviously wrong—no damaged ducting, clogged louvers or screens, etc.—your ventilation system. Inboard Engine Ventilation System.
From www.boatpartstore.com
Inboard stern drive cooling systems and how they work Inboard Engine Ventilation System boat ventilation systems are responsible for circulating fresh air on a boat, to prevent a fire or explosion linked to gasoline fumes. in a passive ventilation system, the engines, which are powerful air pumps, create enough suction to pull air in from both the intake and exhaust vents. An air intake scoops up fresh. In the ideal installation,. Inboard Engine Ventilation System.
From boattest.com
Inboard Exhaust 101 How to Keep Things Flowing BoatTEST Inboard Engine Ventilation System An air intake scoops up fresh. In the ideal installation, inlet air will be ducted into the engineroom low, near the sole, and away. in a passive ventilation system, the engines, which are powerful air pumps, create enough suction to pull air in from both the intake and exhaust vents. boat ventilation systems are responsible for circulating fresh. Inboard Engine Ventilation System.
From exoglcral.blob.core.windows.net
Exhaust For Outboard Motor at Robert Harris blog Inboard Engine Ventilation System In the ideal installation, inlet air will be ducted into the engineroom low, near the sole, and away. These systems are designed to provide. boat ventilation systems are responsible for circulating fresh air on a boat, to prevent a fire or explosion linked to gasoline fumes. If yours can’t, and there’s nothing obviously wrong—no damaged ducting, clogged louvers or. Inboard Engine Ventilation System.
From dxomfjypb.blob.core.windows.net
Inboard Gasoline Boats Must Have What Type Of Ventilation System at Lucinda Santiago blog Inboard Engine Ventilation System in a passive ventilation system, the engines, which are powerful air pumps, create enough suction to pull air in from both the intake and exhaust vents. These systems are designed to provide. learn everything you need to know about boat ventilation systems including which boats need them and how long they must run before starting the engine. . Inboard Engine Ventilation System.
From sailingbetter.com
Inboard Gasoline Boats Built After July 31st, 1981 What Type of Ventilation System is Required Inboard Engine Ventilation System These systems are designed to provide. An air intake scoops up fresh. In the ideal installation, inlet air will be ducted into the engineroom low, near the sole, and away. in a passive ventilation system, the engines, which are powerful air pumps, create enough suction to pull air in from both the intake and exhaust vents. learn everything. Inboard Engine Ventilation System.
From www.mercurymarine.com
Mercury® Remanufacturing PlusSeries Inboards Mercury Marine Inboard Engine Ventilation System An air intake scoops up fresh. These systems are designed to provide. In the ideal installation, inlet air will be ducted into the engineroom low, near the sole, and away. learn everything you need to know about boat ventilation systems including which boats need them and how long they must run before starting the engine. sensors in the. Inboard Engine Ventilation System.
From webmotor.org
How Does A Inboard Boat Motor Cooling System Work Inboard Engine Ventilation System learn everything you need to know about boat ventilation systems including which boats need them and how long they must run before starting the engine. If yours can’t, and there’s nothing obviously wrong—no damaged ducting, clogged louvers or screens, etc.—your ventilation system needs help. An air intake scoops up fresh. forced ventilation should include both inlet/supply, and exhaust. Inboard Engine Ventilation System.
From www.nauticexpo.com
Inboard engine exhaust outlet TRC45PV VETUS Inboard Engine Ventilation System If yours can’t, and there’s nothing obviously wrong—no damaged ducting, clogged louvers or screens, etc.—your ventilation system needs help. boat ventilation systems are responsible for circulating fresh air on a boat, to prevent a fire or explosion linked to gasoline fumes. learn everything you need to know about boat ventilation systems including which boats need them and how. Inboard Engine Ventilation System.
From www.crowleymarine.com
INTAKE AND EXHAUST SYSTEM 1992 Inboard Engine 4.0LD [PORT] 34012B9ES Crowley Marine Inboard Engine Ventilation System in a passive ventilation system, the engines, which are powerful air pumps, create enough suction to pull air in from both the intake and exhaust vents. sensors in the delta t system determine ventilation needs, triggering and controlling inlet and exhaust blowers as they. These systems are designed to provide. forced ventilation should include both inlet/supply, and. Inboard Engine Ventilation System.
From deangelomarine.com
Caterpillar C32 Marine Engine Marine Exhaust Engineering & Design DeAngelo Marine Exhaust Inboard Engine Ventilation System These systems are designed to provide. learn everything you need to know about boat ventilation systems including which boats need them and how long they must run before starting the engine. boat ventilation systems are responsible for circulating fresh air on a boat, to prevent a fire or explosion linked to gasoline fumes. sensors in the delta. Inboard Engine Ventilation System.
From www.crowleymarine.com
INTAKE AND EXHAUST SYSTEM All Years Inboard Engine HINO DIESEL WO4CTA (150 H.P.) 4 CYL Inboard Engine Ventilation System boat ventilation systems are responsible for circulating fresh air on a boat, to prevent a fire or explosion linked to gasoline fumes. forced ventilation should include both inlet/supply, and exhaust air. These systems are designed to provide. In the ideal installation, inlet air will be ducted into the engineroom low, near the sole, and away. An air intake. Inboard Engine Ventilation System.
From tikloaplus.weebly.com
Inboard gasoline boats ventilation system tikloaplus Inboard Engine Ventilation System sensors in the delta t system determine ventilation needs, triggering and controlling inlet and exhaust blowers as they. If yours can’t, and there’s nothing obviously wrong—no damaged ducting, clogged louvers or screens, etc.—your ventilation system needs help. learn everything you need to know about boat ventilation systems including which boats need them and how long they must run. Inboard Engine Ventilation System.
From www.boat-ed.com
Jet Drives Inboard Engine Ventilation System in a passive ventilation system, the engines, which are powerful air pumps, create enough suction to pull air in from both the intake and exhaust vents. boat ventilation systems are responsible for circulating fresh air on a boat, to prevent a fire or explosion linked to gasoline fumes. An air intake scoops up fresh. If yours can’t, and. Inboard Engine Ventilation System.
From soleadvance.com
Exhaust pack accessories for Inboard Marine Engine Inboard Engine Ventilation System These systems are designed to provide. forced ventilation should include both inlet/supply, and exhaust air. In the ideal installation, inlet air will be ducted into the engineroom low, near the sole, and away. ventilation blowers are essential for maintaining a safe engine room environment. boat ventilation systems are responsible for circulating fresh air on a boat, to. Inboard Engine Ventilation System.
From www.youtube.com
5.7L Indmar MPI 325HP Complete INBOARD Marine Engine Package YouTube Inboard Engine Ventilation System These systems are designed to provide. In the ideal installation, inlet air will be ducted into the engineroom low, near the sole, and away. sensors in the delta t system determine ventilation needs, triggering and controlling inlet and exhaust blowers as they. in a passive ventilation system, the engines, which are powerful air pumps, create enough suction to. Inboard Engine Ventilation System.