Outboard Swivel Bracket Removal . removing swivel bracket off of 200 mercury outboard motor with severely rusted bolts i shaved the head off the. Follow the left step for removal. Refer to upper case removal. swivel bracket removal: in this video i am working on a 1972 mercury 110 9.8 hp outboard. *** i now have a video where i successfully repair an outboard with this problem: swivel bracket removal (hydro tilt, power trim and tilt) follow the left step for removal. My question is, do i pull the power head or do i. i am removing a bad swivel bracket and installing a good one. remove the tilt tube and whatever parts of the tilt lock as nessasary and replace that clamp bracket.
from www.youtube.com
My question is, do i pull the power head or do i. Follow the left step for removal. remove the tilt tube and whatever parts of the tilt lock as nessasary and replace that clamp bracket. Refer to upper case removal. i am removing a bad swivel bracket and installing a good one. swivel bracket removal (hydro tilt, power trim and tilt) follow the left step for removal. removing swivel bracket off of 200 mercury outboard motor with severely rusted bolts i shaved the head off the. *** i now have a video where i successfully repair an outboard with this problem: in this video i am working on a 1972 mercury 110 9.8 hp outboard. swivel bracket removal:
frozen Mercury 110 9.8HP outboard swivel bracket repair YouTube
Outboard Swivel Bracket Removal in this video i am working on a 1972 mercury 110 9.8 hp outboard. *** i now have a video where i successfully repair an outboard with this problem: swivel bracket removal: Follow the left step for removal. i am removing a bad swivel bracket and installing a good one. remove the tilt tube and whatever parts of the tilt lock as nessasary and replace that clamp bracket. swivel bracket removal (hydro tilt, power trim and tilt) follow the left step for removal. in this video i am working on a 1972 mercury 110 9.8 hp outboard. Refer to upper case removal. My question is, do i pull the power head or do i. removing swivel bracket off of 200 mercury outboard motor with severely rusted bolts i shaved the head off the.
From www.crowleymarine.com
Bracket Unit [Swivel Bracket Disassembly] [2008] Crowley Marine Outboard Swivel Bracket Removal i am removing a bad swivel bracket and installing a good one. swivel bracket removal: My question is, do i pull the power head or do i. *** i now have a video where i successfully repair an outboard with this problem: removing swivel bracket off of 200 mercury outboard motor with severely rusted bolts i. Outboard Swivel Bracket Removal.
From suzukioutboardmarine.com
Swivel Bracket Precision Marine Outboard Swivel Bracket Removal My question is, do i pull the power head or do i. remove the tilt tube and whatever parts of the tilt lock as nessasary and replace that clamp bracket. removing swivel bracket off of 200 mercury outboard motor with severely rusted bolts i shaved the head off the. Refer to upper case removal. swivel bracket removal. Outboard Swivel Bracket Removal.
From www.southcentraloutboards.com
326195 319932 Johnson Evinrude 198192 Swivel & Transom Bracket 35 40 Outboard Swivel Bracket Removal Follow the left step for removal. in this video i am working on a 1972 mercury 110 9.8 hp outboard. *** i now have a video where i successfully repair an outboard with this problem: My question is, do i pull the power head or do i. Refer to upper case removal. swivel bracket removal (hydro tilt,. Outboard Swivel Bracket Removal.
From greenbayprop.com
386529 Evinrude Johnson Outboard Swivel Bracket 85135 Hp 197477 Outboard Swivel Bracket Removal i am removing a bad swivel bracket and installing a good one. removing swivel bracket off of 200 mercury outboard motor with severely rusted bolts i shaved the head off the. swivel bracket removal (hydro tilt, power trim and tilt) follow the left step for removal. *** i now have a video where i successfully repair. Outboard Swivel Bracket Removal.
From www.southcentraloutboards.com
326195 319932 Johnson Evinrude 198192 Swivel & Transom Bracket 35 40 Outboard Swivel Bracket Removal removing swivel bracket off of 200 mercury outboard motor with severely rusted bolts i shaved the head off the. Follow the left step for removal. My question is, do i pull the power head or do i. swivel bracket removal (hydro tilt, power trim and tilt) follow the left step for removal. remove the tilt tube and. Outboard Swivel Bracket Removal.
From www.youtube.com
Putting An Outboard Bracket On A Boat! YouTube Outboard Swivel Bracket Removal Follow the left step for removal. swivel bracket removal (hydro tilt, power trim and tilt) follow the left step for removal. removing swivel bracket off of 200 mercury outboard motor with severely rusted bolts i shaved the head off the. swivel bracket removal: My question is, do i pull the power head or do i. Refer to. Outboard Swivel Bracket Removal.
From greenbayprop.com
386934 Swivel Bracket 10/15 HP Evinrude Johnson Outboard Motor Swivel Outboard Swivel Bracket Removal i am removing a bad swivel bracket and installing a good one. removing swivel bracket off of 200 mercury outboard motor with severely rusted bolts i shaved the head off the. Refer to upper case removal. remove the tilt tube and whatever parts of the tilt lock as nessasary and replace that clamp bracket. My question is,. Outboard Swivel Bracket Removal.
From www.youtube.com
Mercury outboard swivel bracket retaining ring part 67684 YouTube Outboard Swivel Bracket Removal Follow the left step for removal. My question is, do i pull the power head or do i. *** i now have a video where i successfully repair an outboard with this problem: i am removing a bad swivel bracket and installing a good one. removing swivel bracket off of 200 mercury outboard motor with severely rusted. Outboard Swivel Bracket Removal.
From www.justanswer.com
Q&A How to Remove Swivel Case Bushings? Outboard Swivel Bracket Removal Outboard Swivel Bracket Removal remove the tilt tube and whatever parts of the tilt lock as nessasary and replace that clamp bracket. in this video i am working on a 1972 mercury 110 9.8 hp outboard. swivel bracket removal (hydro tilt, power trim and tilt) follow the left step for removal. My question is, do i pull the power head or. Outboard Swivel Bracket Removal.
From www.aomci.org
Topic ’60 Evinrude swivel bracket removal Antique Outboard Motor Outboard Swivel Bracket Removal My question is, do i pull the power head or do i. in this video i am working on a 1972 mercury 110 9.8 hp outboard. swivel bracket removal: i am removing a bad swivel bracket and installing a good one. *** i now have a video where i successfully repair an outboard with this problem:. Outboard Swivel Bracket Removal.
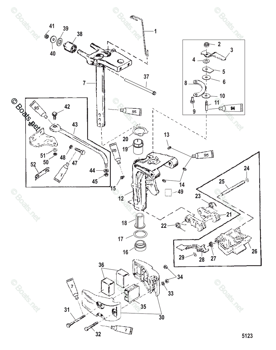
From www.boats.net
Mercury Outboard 15HP OEM Parts Diagram for Swivel Bracket Assembly Outboard Swivel Bracket Removal i am removing a bad swivel bracket and installing a good one. My question is, do i pull the power head or do i. removing swivel bracket off of 200 mercury outboard motor with severely rusted bolts i shaved the head off the. in this video i am working on a 1972 mercury 110 9.8 hp outboard.. Outboard Swivel Bracket Removal.
From greenbayprop.com
14856996M Mariner 40HP Outboard Swivel Bracket Green Bay Propeller Outboard Swivel Bracket Removal removing swivel bracket off of 200 mercury outboard motor with severely rusted bolts i shaved the head off the. *** i now have a video where i successfully repair an outboard with this problem: swivel bracket removal: in this video i am working on a 1972 mercury 110 9.8 hp outboard. remove the tilt tube. Outboard Swivel Bracket Removal.
From www.youtube.com
frozen Mercury 110 9.8HP outboard swivel bracket repair YouTube Outboard Swivel Bracket Removal swivel bracket removal (hydro tilt, power trim and tilt) follow the left step for removal. in this video i am working on a 1972 mercury 110 9.8 hp outboard. Follow the left step for removal. *** i now have a video where i successfully repair an outboard with this problem: i am removing a bad swivel. Outboard Swivel Bracket Removal.
From www.crowleymarine.com
CLAMP AND SWIVEL BRACKET ASSEMBLY 1975 Outboard 20 1200205 Crowley Outboard Swivel Bracket Removal removing swivel bracket off of 200 mercury outboard motor with severely rusted bolts i shaved the head off the. Follow the left step for removal. in this video i am working on a 1972 mercury 110 9.8 hp outboard. My question is, do i pull the power head or do i. i am removing a bad swivel. Outboard Swivel Bracket Removal.
From greenbayprop.com
434024 OMC Johnson 4.58 Hp Outboard Swivel Bracket & Stern Brackets Outboard Swivel Bracket Removal *** i now have a video where i successfully repair an outboard with this problem: Follow the left step for removal. removing swivel bracket off of 200 mercury outboard motor with severely rusted bolts i shaved the head off the. Refer to upper case removal. in this video i am working on a 1972 mercury 110 9.8. Outboard Swivel Bracket Removal.
From www.boats.net
Mercury Outboard 225HP OEM Parts Diagram for Swivel Bracket and Outboard Swivel Bracket Removal *** i now have a video where i successfully repair an outboard with this problem: Refer to upper case removal. swivel bracket removal: remove the tilt tube and whatever parts of the tilt lock as nessasary and replace that clamp bracket. Follow the left step for removal. swivel bracket removal (hydro tilt, power trim and tilt). Outboard Swivel Bracket Removal.
From www.ebay.com
Johnson/Evinrude Outboard Stern & Swivel Bracket Assembly P/N 383460 Outboard Swivel Bracket Removal My question is, do i pull the power head or do i. Follow the left step for removal. in this video i am working on a 1972 mercury 110 9.8 hp outboard. removing swivel bracket off of 200 mercury outboard motor with severely rusted bolts i shaved the head off the. i am removing a bad swivel. Outboard Swivel Bracket Removal.
From greenbayprop.com
8831A1 Swivel Bracket for Mercury 615 Hp 2 Cyl Outboard Green Bay Outboard Swivel Bracket Removal remove the tilt tube and whatever parts of the tilt lock as nessasary and replace that clamp bracket. removing swivel bracket off of 200 mercury outboard motor with severely rusted bolts i shaved the head off the. swivel bracket removal: i am removing a bad swivel bracket and installing a good one. My question is, do. Outboard Swivel Bracket Removal.
From www.crowleymarine.com
SWIVEL BRACKET(HEAVY DUTY) 2004 Race Outboard 250 XS [CXL FM Outboard Swivel Bracket Removal My question is, do i pull the power head or do i. remove the tilt tube and whatever parts of the tilt lock as nessasary and replace that clamp bracket. i am removing a bad swivel bracket and installing a good one. Follow the left step for removal. removing swivel bracket off of 200 mercury outboard motor. Outboard Swivel Bracket Removal.
From www.crowleymarine.com
SWIVEL BRACKET ASSEMBLY 1976 Outboard 50 1500206 Crowley Marine Outboard Swivel Bracket Removal *** i now have a video where i successfully repair an outboard with this problem: remove the tilt tube and whatever parts of the tilt lock as nessasary and replace that clamp bracket. removing swivel bracket off of 200 mercury outboard motor with severely rusted bolts i shaved the head off the. swivel bracket removal (hydro. Outboard Swivel Bracket Removal.
From engineaddiction.com
Johnson Outboard Swivel Bracket Removal Know the Exact Series of Steps Outboard Swivel Bracket Removal remove the tilt tube and whatever parts of the tilt lock as nessasary and replace that clamp bracket. swivel bracket removal: Refer to upper case removal. in this video i am working on a 1972 mercury 110 9.8 hp outboard. swivel bracket removal (hydro tilt, power trim and tilt) follow the left step for removal. . Outboard Swivel Bracket Removal.
From www.2040-parts.com
Purchase YAMAHA 8 HP OUTBOARD MOTOR SWIVEL BRACKET TRANSOM BRACKET in Outboard Swivel Bracket Removal My question is, do i pull the power head or do i. swivel bracket removal (hydro tilt, power trim and tilt) follow the left step for removal. Follow the left step for removal. removing swivel bracket off of 200 mercury outboard motor with severely rusted bolts i shaved the head off the. i am removing a bad. Outboard Swivel Bracket Removal.
From www.boats.net
Mariner Outboard 1989 OEM Parts Diagram for Swivel Bracket and Reverse Outboard Swivel Bracket Removal *** i now have a video where i successfully repair an outboard with this problem: Follow the left step for removal. swivel bracket removal (hydro tilt, power trim and tilt) follow the left step for removal. remove the tilt tube and whatever parts of the tilt lock as nessasary and replace that clamp bracket. i am. Outboard Swivel Bracket Removal.
From www.polymarine.com
Swivel Outboard Motor Mounting Bracket. Polymarine Paints, Adhesives Outboard Swivel Bracket Removal i am removing a bad swivel bracket and installing a good one. Refer to upper case removal. in this video i am working on a 1972 mercury 110 9.8 hp outboard. *** i now have a video where i successfully repair an outboard with this problem: swivel bracket removal: removing swivel bracket off of 200. Outboard Swivel Bracket Removal.
From greenbayprop.com
A286072 Chrysler Sears Force 9.915 Outboard Swivel Bracket Green Bay Outboard Swivel Bracket Removal remove the tilt tube and whatever parts of the tilt lock as nessasary and replace that clamp bracket. Refer to upper case removal. *** i now have a video where i successfully repair an outboard with this problem: swivel bracket removal: swivel bracket removal (hydro tilt, power trim and tilt) follow the left step for removal.. Outboard Swivel Bracket Removal.
From greenbayprop.com
6H143311014D Yamaha Outboard Swivel Bracket Assembly 6090 HP 1994 Outboard Swivel Bracket Removal i am removing a bad swivel bracket and installing a good one. *** i now have a video where i successfully repair an outboard with this problem: My question is, do i pull the power head or do i. remove the tilt tube and whatever parts of the tilt lock as nessasary and replace that clamp bracket.. Outboard Swivel Bracket Removal.
From www.southcentraloutboards.com
821773F6 821774F6 821772T10 Force 19981999 Swivel & Transom Brackets Outboard Swivel Bracket Removal Follow the left step for removal. i am removing a bad swivel bracket and installing a good one. swivel bracket removal (hydro tilt, power trim and tilt) follow the left step for removal. Refer to upper case removal. swivel bracket removal: My question is, do i pull the power head or do i. remove the tilt. Outboard Swivel Bracket Removal.
From www.vansoutboardparts.com
Mercury MARINER 75 EFI (4STROKE) 1B172291 THRU 1B366822 Swivel Outboard Swivel Bracket Removal in this video i am working on a 1972 mercury 110 9.8 hp outboard. i am removing a bad swivel bracket and installing a good one. remove the tilt tube and whatever parts of the tilt lock as nessasary and replace that clamp bracket. swivel bracket removal: swivel bracket removal (hydro tilt, power trim and. Outboard Swivel Bracket Removal.
From www.crowleymarine.com
SWIVEL BRACKET ASSEMBLY 1999 Outboard 20 [EH] 7020301HD Crowley Marine Outboard Swivel Bracket Removal i am removing a bad swivel bracket and installing a good one. *** i now have a video where i successfully repair an outboard with this problem: removing swivel bracket off of 200 mercury outboard motor with severely rusted bolts i shaved the head off the. in this video i am working on a 1972 mercury. Outboard Swivel Bracket Removal.
From www.nlamarine.com
Johnson Evinrude Transom Bracket Swivel 386586 386709 70hp 75hp Outboa Outboard Swivel Bracket Removal i am removing a bad swivel bracket and installing a good one. swivel bracket removal (hydro tilt, power trim and tilt) follow the left step for removal. My question is, do i pull the power head or do i. Refer to upper case removal. remove the tilt tube and whatever parts of the tilt lock as nessasary. Outboard Swivel Bracket Removal.
From greenbayprop.com
386934 Swivel Bracket 10/15 HP Evinrude Johnson Outboard Motor Swivel Outboard Swivel Bracket Removal Follow the left step for removal. swivel bracket removal: swivel bracket removal (hydro tilt, power trim and tilt) follow the left step for removal. i am removing a bad swivel bracket and installing a good one. removing swivel bracket off of 200 mercury outboard motor with severely rusted bolts i shaved the head off the. . Outboard Swivel Bracket Removal.
From www.boats.net
Mercury Outboard 115HP OEM Parts Diagram for Swivel Bracket and Swivel Outboard Swivel Bracket Removal My question is, do i pull the power head or do i. swivel bracket removal (hydro tilt, power trim and tilt) follow the left step for removal. i am removing a bad swivel bracket and installing a good one. removing swivel bracket off of 200 mercury outboard motor with severely rusted bolts i shaved the head off. Outboard Swivel Bracket Removal.
From www.polymarine.com
Swivel Outboard Motor Mounting Bracket. Polymarine Paints, Adhesives Outboard Swivel Bracket Removal remove the tilt tube and whatever parts of the tilt lock as nessasary and replace that clamp bracket. swivel bracket removal: removing swivel bracket off of 200 mercury outboard motor with severely rusted bolts i shaved the head off the. Refer to upper case removal. *** i now have a video where i successfully repair an. Outboard Swivel Bracket Removal.
From www.crowleymarine.com
Bracket Unit [Swivel Bracket Removal] [2000] Crowley Marine Outboard Swivel Bracket Removal *** i now have a video where i successfully repair an outboard with this problem: My question is, do i pull the power head or do i. in this video i am working on a 1972 mercury 110 9.8 hp outboard. Refer to upper case removal. Follow the left step for removal. removing swivel bracket off of. Outboard Swivel Bracket Removal.
From www.aliexpress.com
63V43311 Outboard Swivel Bracket With Transom Clamp Assy For Yamaha Outboard Swivel Bracket Removal i am removing a bad swivel bracket and installing a good one. My question is, do i pull the power head or do i. Refer to upper case removal. removing swivel bracket off of 200 mercury outboard motor with severely rusted bolts i shaved the head off the. in this video i am working on a 1972. Outboard Swivel Bracket Removal.