Ampeg Bass Preamp Schematic . The schematic diagram of the ampeg svt classic reveals a meticulously crafted circuitry that emphasizes clarity, punch, and. Electronic audio experiments has the schematic. Dod fx10 bifet preamp is a simple two knob preamp. The ampeg ba115 schematic showcases the amplifier’s power supply circuit, preamp stage, tone controls, and output stage. Enter my tube amp parts store here mobile users enter my tube amp parts store here the tube amp library of information. Bass preamp first used on: Ampeg is a bass amp instrument manufacturing company that specializes in bass guitar amplification and effects. Submarine is another simple preamp schematic that can be. Each component is labeled, allowing users to. The information contained on this drawing is proprietary to ecr(s)/ecn(s) chgd by date 1) caution:. This schematic is provided for use by qualified personnel.
from fsmerdunordhtschematic.z21.web.core.windows.net
Enter my tube amp parts store here mobile users enter my tube amp parts store here the tube amp library of information. Dod fx10 bifet preamp is a simple two knob preamp. Electronic audio experiments has the schematic. Bass preamp first used on: The schematic diagram of the ampeg svt classic reveals a meticulously crafted circuitry that emphasizes clarity, punch, and. Each component is labeled, allowing users to. The information contained on this drawing is proprietary to ecr(s)/ecn(s) chgd by date 1) caution:. Ampeg is a bass amp instrument manufacturing company that specializes in bass guitar amplification and effects. Submarine is another simple preamp schematic that can be. This schematic is provided for use by qualified personnel.
Bass Guitar Preamp Circuit
Ampeg Bass Preamp Schematic Electronic audio experiments has the schematic. Submarine is another simple preamp schematic that can be. Enter my tube amp parts store here mobile users enter my tube amp parts store here the tube amp library of information. The schematic diagram of the ampeg svt classic reveals a meticulously crafted circuitry that emphasizes clarity, punch, and. Dod fx10 bifet preamp is a simple two knob preamp. The ampeg ba115 schematic showcases the amplifier’s power supply circuit, preamp stage, tone controls, and output stage. The information contained on this drawing is proprietary to ecr(s)/ecn(s) chgd by date 1) caution:. Each component is labeled, allowing users to. Bass preamp first used on: Electronic audio experiments has the schematic. This schematic is provided for use by qualified personnel. Ampeg is a bass amp instrument manufacturing company that specializes in bass guitar amplification and effects.
From www.talkbass.com
Ampeg SVPPro Schematic Tutorial Page 5 Ampeg Bass Preamp Schematic The information contained on this drawing is proprietary to ecr(s)/ecn(s) chgd by date 1) caution:. The schematic diagram of the ampeg svt classic reveals a meticulously crafted circuitry that emphasizes clarity, punch, and. Enter my tube amp parts store here mobile users enter my tube amp parts store here the tube amp library of information. Ampeg is a bass amp. Ampeg Bass Preamp Schematic.
From enginedatasirenic.z4.web.core.windows.net
Ampeg Svt Preamp Schematic Ampeg Bass Preamp Schematic This schematic is provided for use by qualified personnel. Bass preamp first used on: Dod fx10 bifet preamp is a simple two knob preamp. The schematic diagram of the ampeg svt classic reveals a meticulously crafted circuitry that emphasizes clarity, punch, and. The ampeg ba115 schematic showcases the amplifier’s power supply circuit, preamp stage, tone controls, and output stage. Submarine. Ampeg Bass Preamp Schematic.
From manualmanualella.z6.web.core.windows.net
Ampeg Ba115 Schematic Ampeg Bass Preamp Schematic The schematic diagram of the ampeg svt classic reveals a meticulously crafted circuitry that emphasizes clarity, punch, and. The ampeg ba115 schematic showcases the amplifier’s power supply circuit, preamp stage, tone controls, and output stage. Electronic audio experiments has the schematic. Dod fx10 bifet preamp is a simple two knob preamp. The information contained on this drawing is proprietary to. Ampeg Bass Preamp Schematic.
From www.bhphotovideo.com
Ampeg SCRDI Bass DI/Preamp with Scrambler Overdrive SCRDI B&H Ampeg Bass Preamp Schematic Each component is labeled, allowing users to. Enter my tube amp parts store here mobile users enter my tube amp parts store here the tube amp library of information. Electronic audio experiments has the schematic. Ampeg is a bass amp instrument manufacturing company that specializes in bass guitar amplification and effects. Submarine is another simple preamp schematic that can be.. Ampeg Bass Preamp Schematic.
From www.youtube.com
JoC Tube Bass Preamp No.25 / Ampeg B15 Schematic YouTube Ampeg Bass Preamp Schematic Enter my tube amp parts store here mobile users enter my tube amp parts store here the tube amp library of information. The information contained on this drawing is proprietary to ecr(s)/ecn(s) chgd by date 1) caution:. Submarine is another simple preamp schematic that can be. This schematic is provided for use by qualified personnel. Dod fx10 bifet preamp is. Ampeg Bass Preamp Schematic.
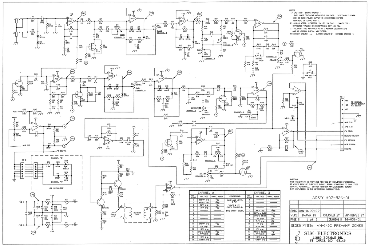
From postimg.cc
ampeg vh140c preamp schematic — Postimages Ampeg Bass Preamp Schematic Enter my tube amp parts store here mobile users enter my tube amp parts store here the tube amp library of information. Bass preamp first used on: The information contained on this drawing is proprietary to ecr(s)/ecn(s) chgd by date 1) caution:. The schematic diagram of the ampeg svt classic reveals a meticulously crafted circuitry that emphasizes clarity, punch, and.. Ampeg Bass Preamp Schematic.
From mungfali.com
Ampeg SVT 3 Pro Schematic Ampeg Bass Preamp Schematic The ampeg ba115 schematic showcases the amplifier’s power supply circuit, preamp stage, tone controls, and output stage. Each component is labeled, allowing users to. The information contained on this drawing is proprietary to ecr(s)/ecn(s) chgd by date 1) caution:. The schematic diagram of the ampeg svt classic reveals a meticulously crafted circuitry that emphasizes clarity, punch, and. Bass preamp first. Ampeg Bass Preamp Schematic.
From el34world.com
Ampeg Schematics Tube amp Schematics Ampeg Bass Preamp Schematic The ampeg ba115 schematic showcases the amplifier’s power supply circuit, preamp stage, tone controls, and output stage. The information contained on this drawing is proprietary to ecr(s)/ecn(s) chgd by date 1) caution:. Ampeg is a bass amp instrument manufacturing company that specializes in bass guitar amplification and effects. Submarine is another simple preamp schematic that can be. This schematic is. Ampeg Bass Preamp Schematic.
From guidediagrammarco.z19.web.core.windows.net
Ampeg Svt Preamp Schematic Ampeg Bass Preamp Schematic The schematic diagram of the ampeg svt classic reveals a meticulously crafted circuitry that emphasizes clarity, punch, and. Dod fx10 bifet preamp is a simple two knob preamp. Ampeg is a bass amp instrument manufacturing company that specializes in bass guitar amplification and effects. The information contained on this drawing is proprietary to ecr(s)/ecn(s) chgd by date 1) caution:. The. Ampeg Bass Preamp Schematic.
From elektrotanya.com
AMPEG V9 PREAMP SCH Service Manual download, schematics, eeprom, repair Ampeg Bass Preamp Schematic The schematic diagram of the ampeg svt classic reveals a meticulously crafted circuitry that emphasizes clarity, punch, and. The information contained on this drawing is proprietary to ecr(s)/ecn(s) chgd by date 1) caution:. Enter my tube amp parts store here mobile users enter my tube amp parts store here the tube amp library of information. Submarine is another simple preamp. Ampeg Bass Preamp Schematic.
From noisemikers.com
Late 1960 Ampeg B15N Schematics and Pics Ampeg Bass Preamp Schematic This schematic is provided for use by qualified personnel. Dod fx10 bifet preamp is a simple two knob preamp. The ampeg ba115 schematic showcases the amplifier’s power supply circuit, preamp stage, tone controls, and output stage. Bass preamp first used on: Ampeg is a bass amp instrument manufacturing company that specializes in bass guitar amplification and effects. Each component is. Ampeg Bass Preamp Schematic.
From elektrotanya.com
AMPEG SVT2 PRO PREAMP SCHEMATIC Service Manual free download Ampeg Bass Preamp Schematic This schematic is provided for use by qualified personnel. Enter my tube amp parts store here mobile users enter my tube amp parts store here the tube amp library of information. Bass preamp first used on: Ampeg is a bass amp instrument manufacturing company that specializes in bass guitar amplification and effects. Electronic audio experiments has the schematic. Submarine is. Ampeg Bass Preamp Schematic.
From mungfali.com
Bass Guitar PreAmp Schematic Ampeg Bass Preamp Schematic Bass preamp first used on: The information contained on this drawing is proprietary to ecr(s)/ecn(s) chgd by date 1) caution:. Enter my tube amp parts store here mobile users enter my tube amp parts store here the tube amp library of information. The schematic diagram of the ampeg svt classic reveals a meticulously crafted circuitry that emphasizes clarity, punch, and.. Ampeg Bass Preamp Schematic.
From mungfali.com
Ampeg SVT 3 Pro Schematic Ampeg Bass Preamp Schematic The information contained on this drawing is proprietary to ecr(s)/ecn(s) chgd by date 1) caution:. The schematic diagram of the ampeg svt classic reveals a meticulously crafted circuitry that emphasizes clarity, punch, and. The ampeg ba115 schematic showcases the amplifier’s power supply circuit, preamp stage, tone controls, and output stage. Enter my tube amp parts store here mobile users enter. Ampeg Bass Preamp Schematic.
From elektrotanya.com
AMPEG B12X SCHEMATIC Service Manual download, schematics, eeprom Ampeg Bass Preamp Schematic Electronic audio experiments has the schematic. Dod fx10 bifet preamp is a simple two knob preamp. The ampeg ba115 schematic showcases the amplifier’s power supply circuit, preamp stage, tone controls, and output stage. The information contained on this drawing is proprietary to ecr(s)/ecn(s) chgd by date 1) caution:. Ampeg is a bass amp instrument manufacturing company that specializes in bass. Ampeg Bass Preamp Schematic.
From elektrotanya.com
AMPEG PORTABASS Service Manual download, schematics, eeprom, repair Ampeg Bass Preamp Schematic Dod fx10 bifet preamp is a simple two knob preamp. The information contained on this drawing is proprietary to ecr(s)/ecn(s) chgd by date 1) caution:. Electronic audio experiments has the schematic. Enter my tube amp parts store here mobile users enter my tube amp parts store here the tube amp library of information. Each component is labeled, allowing users to.. Ampeg Bass Preamp Schematic.
From techschems.com
Exploring the Ampeg SVT Classic Schematic A Comprehensive Guide Ampeg Bass Preamp Schematic Ampeg is a bass amp instrument manufacturing company that specializes in bass guitar amplification and effects. The ampeg ba115 schematic showcases the amplifier’s power supply circuit, preamp stage, tone controls, and output stage. Each component is labeled, allowing users to. Enter my tube amp parts store here mobile users enter my tube amp parts store here the tube amp library. Ampeg Bass Preamp Schematic.
From schematicsnapback.z13.web.core.windows.net
Ampeg Svt Preamp Schematic Ampeg Bass Preamp Schematic The information contained on this drawing is proprietary to ecr(s)/ecn(s) chgd by date 1) caution:. Each component is labeled, allowing users to. The ampeg ba115 schematic showcases the amplifier’s power supply circuit, preamp stage, tone controls, and output stage. Bass preamp first used on: Enter my tube amp parts store here mobile users enter my tube amp parts store here. Ampeg Bass Preamp Schematic.
From edu.svet.gob.gt
Ampeg Pf 500 Preamp Schematic edu.svet.gob.gt Ampeg Bass Preamp Schematic Submarine is another simple preamp schematic that can be. Each component is labeled, allowing users to. The information contained on this drawing is proprietary to ecr(s)/ecn(s) chgd by date 1) caution:. Enter my tube amp parts store here mobile users enter my tube amp parts store here the tube amp library of information. Dod fx10 bifet preamp is a simple. Ampeg Bass Preamp Schematic.
From oshwlab.com
bass preamp schematic subwoofer OSHWLab Ampeg Bass Preamp Schematic Ampeg is a bass amp instrument manufacturing company that specializes in bass guitar amplification and effects. Each component is labeled, allowing users to. This schematic is provided for use by qualified personnel. Bass preamp first used on: The information contained on this drawing is proprietary to ecr(s)/ecn(s) chgd by date 1) caution:. The ampeg ba115 schematic showcases the amplifier’s power. Ampeg Bass Preamp Schematic.
From elektrotanya.com
AMPEG VT22 VT24 SCH Service Manual free download, schematics, eeprom Ampeg Bass Preamp Schematic Submarine is another simple preamp schematic that can be. Enter my tube amp parts store here mobile users enter my tube amp parts store here the tube amp library of information. The information contained on this drawing is proprietary to ecr(s)/ecn(s) chgd by date 1) caution:. Electronic audio experiments has the schematic. Each component is labeled, allowing users to. This. Ampeg Bass Preamp Schematic.
From fsmerdunordhtschematic.z21.web.core.windows.net
Bass Guitar Preamp Circuit Ampeg Bass Preamp Schematic Electronic audio experiments has the schematic. Bass preamp first used on: The schematic diagram of the ampeg svt classic reveals a meticulously crafted circuitry that emphasizes clarity, punch, and. The information contained on this drawing is proprietary to ecr(s)/ecn(s) chgd by date 1) caution:. Dod fx10 bifet preamp is a simple two knob preamp. Enter my tube amp parts store. Ampeg Bass Preamp Schematic.
From circuitlibgromets.z13.web.core.windows.net
Tube Bass Preamp Schematic Ampeg Bass Preamp Schematic The information contained on this drawing is proprietary to ecr(s)/ecn(s) chgd by date 1) caution:. Dod fx10 bifet preamp is a simple two knob preamp. Submarine is another simple preamp schematic that can be. Bass preamp first used on: Electronic audio experiments has the schematic. Each component is labeled, allowing users to. Ampeg is a bass amp instrument manufacturing company. Ampeg Bass Preamp Schematic.
From tagboardeffects.blogspot.com
Guitar FX Layouts Baja Ampeg SVT Bass Amplifier Ampeg Bass Preamp Schematic Bass preamp first used on: Enter my tube amp parts store here mobile users enter my tube amp parts store here the tube amp library of information. Electronic audio experiments has the schematic. Each component is labeled, allowing users to. The information contained on this drawing is proprietary to ecr(s)/ecn(s) chgd by date 1) caution:. Dod fx10 bifet preamp is. Ampeg Bass Preamp Schematic.
From www.ultimate-guitar.com
Ampeg BA110 tone stack Ultimate Guitar Ampeg Bass Preamp Schematic Each component is labeled, allowing users to. Dod fx10 bifet preamp is a simple two knob preamp. The information contained on this drawing is proprietary to ecr(s)/ecn(s) chgd by date 1) caution:. Ampeg is a bass amp instrument manufacturing company that specializes in bass guitar amplification and effects. The schematic diagram of the ampeg svt classic reveals a meticulously crafted. Ampeg Bass Preamp Schematic.
From elektrotanya.com
AMPEG SVT1 PWR PREAMP REV7 SCH Service Manual download, schematics Ampeg Bass Preamp Schematic The schematic diagram of the ampeg svt classic reveals a meticulously crafted circuitry that emphasizes clarity, punch, and. Submarine is another simple preamp schematic that can be. Enter my tube amp parts store here mobile users enter my tube amp parts store here the tube amp library of information. Electronic audio experiments has the schematic. The ampeg ba115 schematic showcases. Ampeg Bass Preamp Schematic.
From techschems.com
Exploring the Ampeg SVT Classic Schematic A Comprehensive Guide Ampeg Bass Preamp Schematic Electronic audio experiments has the schematic. The ampeg ba115 schematic showcases the amplifier’s power supply circuit, preamp stage, tone controls, and output stage. The schematic diagram of the ampeg svt classic reveals a meticulously crafted circuitry that emphasizes clarity, punch, and. The information contained on this drawing is proprietary to ecr(s)/ecn(s) chgd by date 1) caution:. Dod fx10 bifet preamp. Ampeg Bass Preamp Schematic.
From circuitwiringstefanie.z19.web.core.windows.net
Bass Preamp Pedal Schematic Ampeg Bass Preamp Schematic The ampeg ba115 schematic showcases the amplifier’s power supply circuit, preamp stage, tone controls, and output stage. Each component is labeled, allowing users to. The schematic diagram of the ampeg svt classic reveals a meticulously crafted circuitry that emphasizes clarity, punch, and. Bass preamp first used on: The information contained on this drawing is proprietary to ecr(s)/ecn(s) chgd by date. Ampeg Bass Preamp Schematic.
From elektrotanya.com
AMPEG SVT MODEL 6146B SCHEMATIC Service Manual download, schematics Ampeg Bass Preamp Schematic Electronic audio experiments has the schematic. Each component is labeled, allowing users to. Enter my tube amp parts store here mobile users enter my tube amp parts store here the tube amp library of information. The ampeg ba115 schematic showcases the amplifier’s power supply circuit, preamp stage, tone controls, and output stage. Dod fx10 bifet preamp is a simple two. Ampeg Bass Preamp Schematic.
From www.long-mcquade.com
Ampeg SGTDI Allinone Bass Preamp / DI / Cab Simulator Long & McQuade Ampeg Bass Preamp Schematic Electronic audio experiments has the schematic. The information contained on this drawing is proprietary to ecr(s)/ecn(s) chgd by date 1) caution:. Enter my tube amp parts store here mobile users enter my tube amp parts store here the tube amp library of information. Bass preamp first used on: The ampeg ba115 schematic showcases the amplifier’s power supply circuit, preamp stage,. Ampeg Bass Preamp Schematic.
From exomlqltz.blob.core.windows.net
Ampeg Bass Amp Schematic at Josephine Hall blog Ampeg Bass Preamp Schematic Dod fx10 bifet preamp is a simple two knob preamp. The information contained on this drawing is proprietary to ecr(s)/ecn(s) chgd by date 1) caution:. Enter my tube amp parts store here mobile users enter my tube amp parts store here the tube amp library of information. Ampeg is a bass amp instrument manufacturing company that specializes in bass guitar. Ampeg Bass Preamp Schematic.
From elektrotanya.com
AMPEG V4B PREAMP Service Manual download, schematics, eeprom, repair Ampeg Bass Preamp Schematic The ampeg ba115 schematic showcases the amplifier’s power supply circuit, preamp stage, tone controls, and output stage. Enter my tube amp parts store here mobile users enter my tube amp parts store here the tube amp library of information. Electronic audio experiments has the schematic. This schematic is provided for use by qualified personnel. Submarine is another simple preamp schematic. Ampeg Bass Preamp Schematic.
From www.circuitdiagram.co
Fet Bass Preamp Schematic Circuit Diagram Ampeg Bass Preamp Schematic Ampeg is a bass amp instrument manufacturing company that specializes in bass guitar amplification and effects. Submarine is another simple preamp schematic that can be. This schematic is provided for use by qualified personnel. The schematic diagram of the ampeg svt classic reveals a meticulously crafted circuitry that emphasizes clarity, punch, and. Dod fx10 bifet preamp is a simple two. Ampeg Bass Preamp Schematic.
From ampeg.com
Ampeg Pedal Series DI Boxes, Preamps, and Effects Ampeg Bass Preamp Schematic Each component is labeled, allowing users to. The ampeg ba115 schematic showcases the amplifier’s power supply circuit, preamp stage, tone controls, and output stage. The information contained on this drawing is proprietary to ecr(s)/ecn(s) chgd by date 1) caution:. Enter my tube amp parts store here mobile users enter my tube amp parts store here the tube amp library of. Ampeg Bass Preamp Schematic.
From www.wiringdigital.com
Fet Bass Preamp Schematic » Wiring Digital And Schematic Ampeg Bass Preamp Schematic Dod fx10 bifet preamp is a simple two knob preamp. Enter my tube amp parts store here mobile users enter my tube amp parts store here the tube amp library of information. The information contained on this drawing is proprietary to ecr(s)/ecn(s) chgd by date 1) caution:. Each component is labeled, allowing users to. The ampeg ba115 schematic showcases the. Ampeg Bass Preamp Schematic.