How To Bypass Heater Core . This may be used sometimes for a quick. if the heater core goes out in your vehicle, it may be necessary to bypass it to keep the cooling system working and to keep. a leak anywhere in the cooling system is no bueno—you’ll lose your coolant. how to perform a heater core bypass. And if your heater core has gone bad. A leaking heater core can cost upwards of $1,500 to replace. in this detailed guide, we’ll cover the reasons for bypassing a heater core, the tools and supplies you’ll need,. in this comprehensive guide, we’ll provide detailed steps on how to properly bypass your heater core, explain. in this video tim will show you how to bypass a your vehicles heater core.
from www.youtube.com
a leak anywhere in the cooling system is no bueno—you’ll lose your coolant. in this video tim will show you how to bypass a your vehicles heater core. in this detailed guide, we’ll cover the reasons for bypassing a heater core, the tools and supplies you’ll need,. A leaking heater core can cost upwards of $1,500 to replace. in this comprehensive guide, we’ll provide detailed steps on how to properly bypass your heater core, explain. And if your heater core has gone bad. if the heater core goes out in your vehicle, it may be necessary to bypass it to keep the cooling system working and to keep. how to perform a heater core bypass. This may be used sometimes for a quick.
How To Bypass a Leaking Heater Core Radiator Coolant Leaking Inside
How To Bypass Heater Core in this detailed guide, we’ll cover the reasons for bypassing a heater core, the tools and supplies you’ll need,. in this detailed guide, we’ll cover the reasons for bypassing a heater core, the tools and supplies you’ll need,. if the heater core goes out in your vehicle, it may be necessary to bypass it to keep the cooling system working and to keep. This may be used sometimes for a quick. And if your heater core has gone bad. a leak anywhere in the cooling system is no bueno—you’ll lose your coolant. in this comprehensive guide, we’ll provide detailed steps on how to properly bypass your heater core, explain. A leaking heater core can cost upwards of $1,500 to replace. in this video tim will show you how to bypass a your vehicles heater core. how to perform a heater core bypass.
From www.naxja.org
Proper Method to Bypass Heater Core 01 XJ? NAXJA Forums North How To Bypass Heater Core in this comprehensive guide, we’ll provide detailed steps on how to properly bypass your heater core, explain. A leaking heater core can cost upwards of $1,500 to replace. And if your heater core has gone bad. in this detailed guide, we’ll cover the reasons for bypassing a heater core, the tools and supplies you’ll need,. This may be. How To Bypass Heater Core.
From www.naxja.org
Proper Method to Bypass Heater Core 01 XJ? NAXJA Forums North How To Bypass Heater Core in this video tim will show you how to bypass a your vehicles heater core. in this detailed guide, we’ll cover the reasons for bypassing a heater core, the tools and supplies you’ll need,. And if your heater core has gone bad. a leak anywhere in the cooling system is no bueno—you’ll lose your coolant. This may. How To Bypass Heater Core.
From automotorpad.com
How to bypass a heater core on a ford mustang How To Bypass Heater Core This may be used sometimes for a quick. how to perform a heater core bypass. in this video tim will show you how to bypass a your vehicles heater core. a leak anywhere in the cooling system is no bueno—you’ll lose your coolant. in this detailed guide, we’ll cover the reasons for bypassing a heater core,. How To Bypass Heater Core.
From www.oilburners.net
Heater Core Bypass How To Bypass Heater Core And if your heater core has gone bad. how to perform a heater core bypass. if the heater core goes out in your vehicle, it may be necessary to bypass it to keep the cooling system working and to keep. A leaking heater core can cost upwards of $1,500 to replace. in this detailed guide, we’ll cover. How To Bypass Heater Core.
From automotorpad.com
How to bypass ford ranger heater core How To Bypass Heater Core how to perform a heater core bypass. in this comprehensive guide, we’ll provide detailed steps on how to properly bypass your heater core, explain. A leaking heater core can cost upwards of $1,500 to replace. And if your heater core has gone bad. a leak anywhere in the cooling system is no bueno—you’ll lose your coolant. . How To Bypass Heater Core.
From www.eurovanrescue.com
Heater core bypass Eurovan Rescue How To Bypass Heater Core A leaking heater core can cost upwards of $1,500 to replace. how to perform a heater core bypass. in this detailed guide, we’ll cover the reasons for bypassing a heater core, the tools and supplies you’ll need,. a leak anywhere in the cooling system is no bueno—you’ll lose your coolant. in this comprehensive guide, we’ll provide. How To Bypass Heater Core.
From www.corvetteforum.com
heater core bypass? CorvetteForum Chevrolet Corvette Forum Discussion How To Bypass Heater Core in this comprehensive guide, we’ll provide detailed steps on how to properly bypass your heater core, explain. a leak anywhere in the cooling system is no bueno—you’ll lose your coolant. This may be used sometimes for a quick. in this detailed guide, we’ll cover the reasons for bypassing a heater core, the tools and supplies you’ll need,.. How To Bypass Heater Core.
From www.oilburners.net
Heater Core Bypass How To Bypass Heater Core in this video tim will show you how to bypass a your vehicles heater core. And if your heater core has gone bad. in this comprehensive guide, we’ll provide detailed steps on how to properly bypass your heater core, explain. This may be used sometimes for a quick. how to perform a heater core bypass. if. How To Bypass Heater Core.
From mechanicassistant.com
How to Perform a Heater Core Bypass (Step by Step) Mechanic Assistant How To Bypass Heater Core how to perform a heater core bypass. This may be used sometimes for a quick. in this video tim will show you how to bypass a your vehicles heater core. And if your heater core has gone bad. if the heater core goes out in your vehicle, it may be necessary to bypass it to keep the. How To Bypass Heater Core.
From www.ford-trucks.com
heater core bypass setup Ford Truck Enthusiasts Forums How To Bypass Heater Core in this detailed guide, we’ll cover the reasons for bypassing a heater core, the tools and supplies you’ll need,. in this video tim will show you how to bypass a your vehicles heater core. And if your heater core has gone bad. in this comprehensive guide, we’ll provide detailed steps on how to properly bypass your heater. How To Bypass Heater Core.
From www.youtube.com
Ford Heater Core Bypass YouTube How To Bypass Heater Core And if your heater core has gone bad. This may be used sometimes for a quick. in this video tim will show you how to bypass a your vehicles heater core. A leaking heater core can cost upwards of $1,500 to replace. how to perform a heater core bypass. a leak anywhere in the cooling system is. How To Bypass Heater Core.
From www.youtube.com
How to bypass E36 heater core YouTube How To Bypass Heater Core And if your heater core has gone bad. how to perform a heater core bypass. This may be used sometimes for a quick. in this detailed guide, we’ll cover the reasons for bypassing a heater core, the tools and supplies you’ll need,. A leaking heater core can cost upwards of $1,500 to replace. in this comprehensive guide,. How To Bypass Heater Core.
From mechanicassistant.com
How to Perform a Heater Core Bypass (Step by Step) Mechanic Assistant How To Bypass Heater Core A leaking heater core can cost upwards of $1,500 to replace. a leak anywhere in the cooling system is no bueno—you’ll lose your coolant. This may be used sometimes for a quick. if the heater core goes out in your vehicle, it may be necessary to bypass it to keep the cooling system working and to keep. . How To Bypass Heater Core.
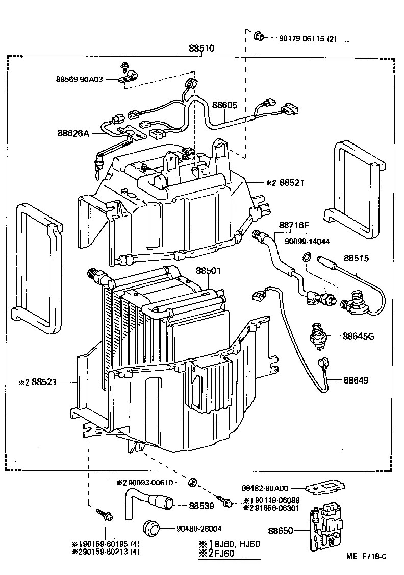
From forum.ih8mud.com
How to bypass heater core? IH8MUD Forum How To Bypass Heater Core A leaking heater core can cost upwards of $1,500 to replace. if the heater core goes out in your vehicle, it may be necessary to bypass it to keep the cooling system working and to keep. how to perform a heater core bypass. This may be used sometimes for a quick. in this comprehensive guide, we’ll provide. How To Bypass Heater Core.
From mechanicassistant.com
How to Perform a Heater Core Bypass (Step by Step) Mechanic Assistant How To Bypass Heater Core in this video tim will show you how to bypass a your vehicles heater core. in this comprehensive guide, we’ll provide detailed steps on how to properly bypass your heater core, explain. And if your heater core has gone bad. how to perform a heater core bypass. a leak anywhere in the cooling system is no. How To Bypass Heater Core.
From www.eurovanrescue.com
Heater core bypass Eurovan Rescue How To Bypass Heater Core This may be used sometimes for a quick. in this detailed guide, we’ll cover the reasons for bypassing a heater core, the tools and supplies you’ll need,. a leak anywhere in the cooling system is no bueno—you’ll lose your coolant. A leaking heater core can cost upwards of $1,500 to replace. And if your heater core has gone. How To Bypass Heater Core.
From ls1tech.com
Heater core bypass block LS1TECH Camaro and Firebird Forum Discussion How To Bypass Heater Core in this detailed guide, we’ll cover the reasons for bypassing a heater core, the tools and supplies you’ll need,. in this video tim will show you how to bypass a your vehicles heater core. in this comprehensive guide, we’ll provide detailed steps on how to properly bypass your heater core, explain. how to perform a heater. How To Bypass Heater Core.
From www.youtube.com
SBC 350 heater core bypass YouTube How To Bypass Heater Core in this detailed guide, we’ll cover the reasons for bypassing a heater core, the tools and supplies you’ll need,. a leak anywhere in the cooling system is no bueno—you’ll lose your coolant. And if your heater core has gone bad. if the heater core goes out in your vehicle, it may be necessary to bypass it to. How To Bypass Heater Core.
From www.youtube.com
How To Bypass Heater Core Simple And Easy! YouTube How To Bypass Heater Core in this detailed guide, we’ll cover the reasons for bypassing a heater core, the tools and supplies you’ll need,. And if your heater core has gone bad. how to perform a heater core bypass. This may be used sometimes for a quick. in this comprehensive guide, we’ll provide detailed steps on how to properly bypass your heater. How To Bypass Heater Core.
From www.youtube.com
Quick Tip to Bypass a leaking Heater Core YouTube How To Bypass Heater Core in this detailed guide, we’ll cover the reasons for bypassing a heater core, the tools and supplies you’ll need,. in this comprehensive guide, we’ll provide detailed steps on how to properly bypass your heater core, explain. if the heater core goes out in your vehicle, it may be necessary to bypass it to keep the cooling system. How To Bypass Heater Core.
From fireious.com
What Happens If I Bypass the Heater Core? How To Bypass Heater Core And if your heater core has gone bad. A leaking heater core can cost upwards of $1,500 to replace. a leak anywhere in the cooling system is no bueno—you’ll lose your coolant. in this detailed guide, we’ll cover the reasons for bypassing a heater core, the tools and supplies you’ll need,. in this comprehensive guide, we’ll provide. How To Bypass Heater Core.
From www.youtube.com
How To Bypass a Leaking Heater Core Radiator Coolant Leaking Inside How To Bypass Heater Core A leaking heater core can cost upwards of $1,500 to replace. in this detailed guide, we’ll cover the reasons for bypassing a heater core, the tools and supplies you’ll need,. in this comprehensive guide, we’ll provide detailed steps on how to properly bypass your heater core, explain. a leak anywhere in the cooling system is no bueno—you’ll. How To Bypass Heater Core.
From www.youtube.com
How To Bypass Heater Core On ANY Vehicle! YouTube How To Bypass Heater Core in this detailed guide, we’ll cover the reasons for bypassing a heater core, the tools and supplies you’ll need,. A leaking heater core can cost upwards of $1,500 to replace. And if your heater core has gone bad. in this comprehensive guide, we’ll provide detailed steps on how to properly bypass your heater core, explain. This may be. How To Bypass Heater Core.
From www.clubfrontier.org
Heater core bypass Nissan Frontier Forum How To Bypass Heater Core in this video tim will show you how to bypass a your vehicles heater core. if the heater core goes out in your vehicle, it may be necessary to bypass it to keep the cooling system working and to keep. A leaking heater core can cost upwards of $1,500 to replace. in this comprehensive guide, we’ll provide. How To Bypass Heater Core.
From www.youtube.com
How to bypass heater core YouTube How To Bypass Heater Core how to perform a heater core bypass. if the heater core goes out in your vehicle, it may be necessary to bypass it to keep the cooling system working and to keep. And if your heater core has gone bad. This may be used sometimes for a quick. in this detailed guide, we’ll cover the reasons for. How To Bypass Heater Core.
From www.corvetteforum.com
heater core bypass? CorvetteForum Chevrolet Corvette Forum Discussion How To Bypass Heater Core in this detailed guide, we’ll cover the reasons for bypassing a heater core, the tools and supplies you’ll need,. A leaking heater core can cost upwards of $1,500 to replace. how to perform a heater core bypass. if the heater core goes out in your vehicle, it may be necessary to bypass it to keep the cooling. How To Bypass Heater Core.
From krostrade.com
How To Bypass Heater Core? 5 Easy Steps! Krostrade How To Bypass Heater Core in this video tim will show you how to bypass a your vehicles heater core. in this detailed guide, we’ll cover the reasons for bypassing a heater core, the tools and supplies you’ll need,. a leak anywhere in the cooling system is no bueno—you’ll lose your coolant. A leaking heater core can cost upwards of $1,500 to. How To Bypass Heater Core.
From dodgeforum.com
Heater core bypass help How To Bypass Heater Core in this video tim will show you how to bypass a your vehicles heater core. how to perform a heater core bypass. in this comprehensive guide, we’ll provide detailed steps on how to properly bypass your heater core, explain. a leak anywhere in the cooling system is no bueno—you’ll lose your coolant. This may be used. How To Bypass Heater Core.
From www.youtube.com
How to Replace a Heater Core Bypass Valve and Thermostat in Your How To Bypass Heater Core if the heater core goes out in your vehicle, it may be necessary to bypass it to keep the cooling system working and to keep. in this detailed guide, we’ll cover the reasons for bypassing a heater core, the tools and supplies you’ll need,. This may be used sometimes for a quick. a leak anywhere in the. How To Bypass Heater Core.
From www.youtube.com
How to bypass heater core YouTube How To Bypass Heater Core how to perform a heater core bypass. in this video tim will show you how to bypass a your vehicles heater core. And if your heater core has gone bad. in this comprehensive guide, we’ll provide detailed steps on how to properly bypass your heater core, explain. if the heater core goes out in your vehicle,. How To Bypass Heater Core.
From www.youtube.com
Bypass Heater Core YouTube How To Bypass Heater Core A leaking heater core can cost upwards of $1,500 to replace. how to perform a heater core bypass. in this comprehensive guide, we’ll provide detailed steps on how to properly bypass your heater core, explain. if the heater core goes out in your vehicle, it may be necessary to bypass it to keep the cooling system working. How To Bypass Heater Core.
From automotorpad.com
How to bypass a heater core on a ford mustang How To Bypass Heater Core a leak anywhere in the cooling system is no bueno—you’ll lose your coolant. in this comprehensive guide, we’ll provide detailed steps on how to properly bypass your heater core, explain. A leaking heater core can cost upwards of $1,500 to replace. in this video tim will show you how to bypass a your vehicles heater core. . How To Bypass Heater Core.
From www.autozone.com
Dorman OE Solutions Engine Heater Core Bypass Kit How To Bypass Heater Core how to perform a heater core bypass. in this detailed guide, we’ll cover the reasons for bypassing a heater core, the tools and supplies you’ll need,. in this video tim will show you how to bypass a your vehicles heater core. A leaking heater core can cost upwards of $1,500 to replace. This may be used sometimes. How To Bypass Heater Core.
From forum.ih8mud.com
How to bypass heater core? IH8MUD Forum How To Bypass Heater Core if the heater core goes out in your vehicle, it may be necessary to bypass it to keep the cooling system working and to keep. A leaking heater core can cost upwards of $1,500 to replace. in this comprehensive guide, we’ll provide detailed steps on how to properly bypass your heater core, explain. And if your heater core. How To Bypass Heater Core.
From automotorpad.com
How to bypass a heater core on a ford mustang How To Bypass Heater Core A leaking heater core can cost upwards of $1,500 to replace. And if your heater core has gone bad. in this detailed guide, we’ll cover the reasons for bypassing a heater core, the tools and supplies you’ll need,. a leak anywhere in the cooling system is no bueno—you’ll lose your coolant. how to perform a heater core. How To Bypass Heater Core.