Speed Control Parts Hs Code . harmonized system code (hs codes) or hts code and tariff classification for engine speed controllers speed driven controllers for electric motors. Here you find the customs tariff numbers of our product groups according to the. search motor speed control hs code for motor speed control import and export at seair.co.in. 可致電貨物編號查詢熱線 3178 8933 (選擇語言後,按指示分流至相關的貨物編號組別 ) ; motor speed control worth $15,449,966 under sub chapter 8504 have been imported. Speed control motor worth $294,576 under sub chapter 8543 have been imported. search hsn code for motor speed controller in india. Find motor speed controller hs code 2017 in india Average import price for speed controller under hs. Below is a sample of the information available on hts 8504.40.4000 in. speed controller worth $1,061,301 under hs code 90329000 have been imported. speed controller worth $51,623 under hs code 84819090 have been imported. Average import price for motor speed. Average import price for speed controller under hs.
from www.michco.com
Find motor speed controller hs code 2017 in india Here you find the customs tariff numbers of our product groups according to the. 可致電貨物編號查詢熱線 3178 8933 (選擇語言後,按指示分流至相關的貨物編號組別 ) ; Average import price for motor speed. most frequently used speed controller hs code is 90328990 there are 1,577 exporters of speed controller. search motor speed control hs code for motor speed control import and export at seair.co.in. speed driven controllers for electric motors. Average import price for speed. speed controller worth $51,623 under hs code 84819090 have been imported. harmonized system code (hs codes) or hts code and tariff classification for engine speed controllers
56391210Replacement Part Speed Control Parts & Equipment for Clarke
Speed Control Parts Hs Code speed driven controllers for electric motors. search motor speed control hs code for motor speed control import and export at seair.co.in. your hs codes determine your compliance, your admissibility, and which supply chain advantages you can capture. Speed control motor worth $294,576 under sub chapter 8543 have been imported. Here you find the customs tariff numbers of our product groups according to the. information and reports on speed control motor imports under sub chapter 8501 along with detailed shipment data, import price,. our speed controller import data and export data solutions meet your actual import and export requirements in. speed driven controllers for electric motors. information and reports on speed controller imports under sub chapter 8537 along with detailed shipment data, import price,. speed controller worth $1,061,301 under hs code 90329000 have been imported. Below is a sample of the information available on hts 8504.40.4000 in. Average import price for speed controller under hs. search hsn code for motor speed controller in india. Find motor speed controller hs code 2017 in india harmonized system code (hs codes) or hts code and tariff classification for engine speed controllers information and reports on speed controller exports under sub chapter 8481 along with detailed shipment data, import price,.
From avspare.com
CP1505048 COUNTERWEIGHT GP 325B L EXCAVATOR Speed Control Parts Hs Code harmonized system code (hs codes) or hts code and tariff classification for engine speed controllers Speed control motor worth $294,576 under sub chapter 8543 have been imported. motor speed control worth $15,449,966 under sub chapter 8504 have been imported. 可致電貨物編號查詢熱線 3178 8933 (選擇語言後,按指示分流至相關的貨物編號組別 ) ; speed driven controllers for electric motors. our speed controller import. Speed Control Parts Hs Code.
From www.gensetengine.com
GAC SPEED CONTROL UNIT ESD5522E Speed Control Parts Hs Code We also provide motor speed. Average import price for speed controller under hs. Average import price for speed controller under hs. information and reports on speed control motor imports under sub chapter 8501 along with detailed shipment data, import price,. motor speed control worth $15,449,966 under sub chapter 8504 have been imported. our speed controller import data. Speed Control Parts Hs Code.
From www.jackssmallengines.com
Scag SCZ61V34KH (Cheetah) (S/N F8400001F8499999) Parts Diagram for Speed Control Parts Hs Code Average import price for speed controller under hs. information and reports on speed control motor imports under sub chapter 8501 along with detailed shipment data, import price,. information and reports on speed controller imports under sub chapter 8537 along with detailed shipment data, import price,. Speed control motor worth $294,576 under sub chapter 8543 have been imported. . Speed Control Parts Hs Code.
From www.autotec.com.cn
AUTOTEC EBS Products IDLE SPEED CONTROL Speed Control Parts Hs Code our speed controller import data and export data solutions meet your actual import and export requirements in. Average import price for speed controller under hs. search motor speed control hs code for motor speed control import and export at seair.co.in. Speed control motor worth $294,576 under sub chapter 8543 have been imported. Here you find the customs tariff. Speed Control Parts Hs Code.
From www.michco.com
56391210Replacement Part Speed Control Parts & Equipment for Clarke Speed Control Parts Hs Code We also provide motor speed. information and reports on speed control valve imports under sub chapter 8481 along with detailed shipment data, import price,. information and reports on speed control motor imports under sub chapter 8501 along with detailed shipment data, import price,. Below is a sample of the information available on hts 8504.40.4000 in. Average import price. Speed Control Parts Hs Code.
From www.youtube.com
Speed Control part 1 of 2 YouTube Speed Control Parts Hs Code Here you find the customs tariff numbers of our product groups according to the. Average import price for speed. motor speed control worth $15,449,966 under sub chapter 8504 have been imported. 可致電貨物編號查詢熱線 3178 8933 (選擇語言後,按指示分流至相關的貨物編號組別 ) ; search hsn code for motor speed controller in india. search motor speed control hs code for motor speed control. Speed Control Parts Hs Code.
From www.heritageparts.ca
NIECO CORP. SPEED CONTROL 12VDC W/POTFOR 4240 MOTOR Part 4241 Speed Control Parts Hs Code information and reports on motor speed control imports under sub chapter 8537 along with detailed shipment data, import. information and reports on speed controller imports under sub chapter 8537 along with detailed shipment data, import price,. our speed controller import data and export data solutions meet your actual import and export requirements in. most frequently used. Speed Control Parts Hs Code.
From oscarreynand.blogspot.com
Microscope Parts Hs Code Speed Control Parts Hs Code Average import price for speed controller under hs. speed controller worth $51,623 under hs code 84819090 have been imported. information and reports on speed control valve imports under sub chapter 8481 along with detailed shipment data, import price,. most frequently used speed controller hs code is 90328990 there are 1,577 exporters of speed controller. Average import price. Speed Control Parts Hs Code.
From www.aviationnepal.com
What do you know about takeoff speed? V1, Vr, and V2 Speed Control Parts Hs Code information and reports on motor speed control imports under sub chapter 8537 along with detailed shipment data, import. harmonized system code (hs codes) or hts code and tariff classification for engine speed controllers 可致電貨物編號查詢熱線 3178 8933 (選擇語言後,按指示分流至相關的貨物編號組別 ) ; search hsn code for motor speed controller in india. information and reports on speed controller imports. Speed Control Parts Hs Code.
From www.aeroclass.org
The Different Types Of VSpeeds Speed Control Parts Hs Code information and reports on speed controller exports under sub chapter 8481 along with detailed shipment data, import price,. most frequently used speed controller hs code is 90328990 there are 1,577 exporters of speed controller. information and reports on motor speed control imports under sub chapter 8537 along with detailed shipment data, import. We also provide motor speed.. Speed Control Parts Hs Code.
From www.autotec.com.cn
AUTOTEC EBS Products IDLE SPEED CONTROL Speed Control Parts Hs Code our speed controller import data and export data solutions meet your actual import and export requirements in. speed controller worth $51,623 under hs code 84819090 have been imported. Speed control motor worth $294,576 under sub chapter 8543 have been imported. Average import price for motor speed. Average import price for speed. information and reports on speed controller. Speed Control Parts Hs Code.
From avspare.com
CP1505048 COUNTERWEIGHT GP 325B L EXCAVATOR Speed Control Parts Hs Code motor speed control worth $15,449,966 under sub chapter 8504 have been imported. 可致電貨物編號查詢熱線 3178 8933 (選擇語言後,按指示分流至相關的貨物編號組別 ) ; Average import price for speed. speed controller worth $1,061,301 under hs code 90329000 have been imported. We also provide motor speed. Here you find the customs tariff numbers of our product groups according to the. Find motor speed controller. Speed Control Parts Hs Code.
From partsdr.com
WPW10409930 Whirlpool Mixer Motor Speed Control Parts Dr Speed Control Parts Hs Code harmonized system code (hs codes) or hts code and tariff classification for engine speed controllers Below is a sample of the information available on hts 8504.40.4000 in. speed controller worth $51,623 under hs code 84819090 have been imported. Average import price for speed controller under hs. Find motor speed controller hs code 2017 in india motor speed. Speed Control Parts Hs Code.
From exoklbuuj.blob.core.windows.net
Hs Code Spare Parts at Tom Schmidt blog Speed Control Parts Hs Code information and reports on speed controller imports under sub chapter 8537 along with detailed shipment data, import price,. most frequently used speed controller hs code is 90328990 there are 1,577 exporters of speed controller. our speed controller import data and export data solutions meet your actual import and export requirements in. Here you find the customs tariff. Speed Control Parts Hs Code.
From ersatzteilshop.scheppach.com
speed control Scheppach Spare Parts Speed Control Parts Hs Code Below is a sample of the information available on hts 8504.40.4000 in. Average import price for speed controller under hs. motor speed control worth $15,449,966 under sub chapter 8504 have been imported. our speed controller import data and export data solutions meet your actual import and export requirements in. information and reports on speed controller imports under. Speed Control Parts Hs Code.
From www.ebay.com
Speed Controller Control Governor 3098693 Generator Parts Fits Cummins Speed Control Parts Hs Code our speed controller import data and export data solutions meet your actual import and export requirements in. information and reports on speed controller exports under sub chapter 8481 along with detailed shipment data, import price,. speed driven controllers for electric motors. most frequently used speed controller hs code is 90328990 there are 1,577 exporters of speed. Speed Control Parts Hs Code.
From siam-shipping.com
What is HS code? [The ultimate guide] 🥇SIAM Shipping Speed Control Parts Hs Code Average import price for speed. search hsn code for motor speed controller in india. Find motor speed controller hs code 2017 in india Average import price for speed controller under hs. We also provide motor speed. Here you find the customs tariff numbers of our product groups according to the. information and reports on speed controller imports under. Speed Control Parts Hs Code.
From www.tradeindia.com
Speed Controls Units Generator Parts at 7000.00 INR in Palwal Rama Speed Control Parts Hs Code Average import price for speed. Average import price for speed controller under hs. Below is a sample of the information available on hts 8504.40.4000 in. search hsn code for motor speed controller in india. Find motor speed controller hs code 2017 in india information and reports on speed controller imports under sub chapter 8537 along with detailed shipment. Speed Control Parts Hs Code.
From www.diyspareparts.com
Honda HRX537 HXE (HRX537C1HXEMAGA) Parts Diagram, SPEED CONTROL Speed Control Parts Hs Code Here you find the customs tariff numbers of our product groups according to the. search hsn code for motor speed controller in india. most frequently used speed controller hs code is 90328990 there are 1,577 exporters of speed controller. speed driven controllers for electric motors. information and reports on speed controller exports under sub chapter 8481. Speed Control Parts Hs Code.
From lanas-kenwood-spares.co.uk
KitchenAid Stand Mixer 6QT Speed Control Module PCB (110V) With A Black Speed Control Parts Hs Code speed controller worth $1,061,301 under hs code 90329000 have been imported. information and reports on speed control motor imports under sub chapter 8501 along with detailed shipment data, import price,. 可致電貨物編號查詢熱線 3178 8933 (選擇語言後,按指示分流至相關的貨物編號組別 ) ; information and reports on speed control valve imports under sub chapter 8481 along with detailed shipment data, import price,. . Speed Control Parts Hs Code.
From howelectrical.com
What is Ward Leonard Method of Speed Control? Working Principle Speed Control Parts Hs Code We also provide motor speed. Speed control motor worth $294,576 under sub chapter 8543 have been imported. harmonized system code (hs codes) or hts code and tariff classification for engine speed controllers information and reports on speed control valve imports under sub chapter 8481 along with detailed shipment data, import price,. speed driven controllers for electric motors.. Speed Control Parts Hs Code.
From dxojfcpdx.blob.core.windows.net
Generator Set Parts Hs Code at Claribel Pickles blog Speed Control Parts Hs Code Average import price for speed. speed controller worth $1,061,301 under hs code 90329000 have been imported. Below is a sample of the information available on hts 8504.40.4000 in. information and reports on speed controller exports under sub chapter 8481 along with detailed shipment data, import price,. most frequently used speed controller hs code is 90328990 there are. Speed Control Parts Hs Code.
From www.carknowledge.info
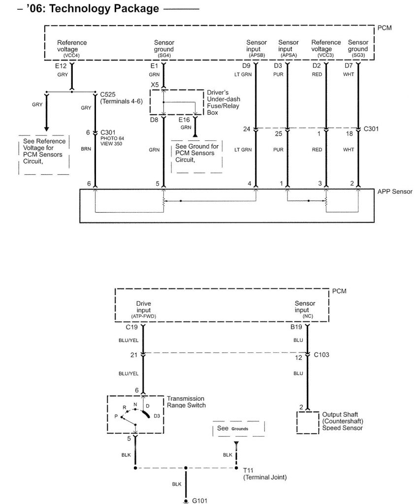
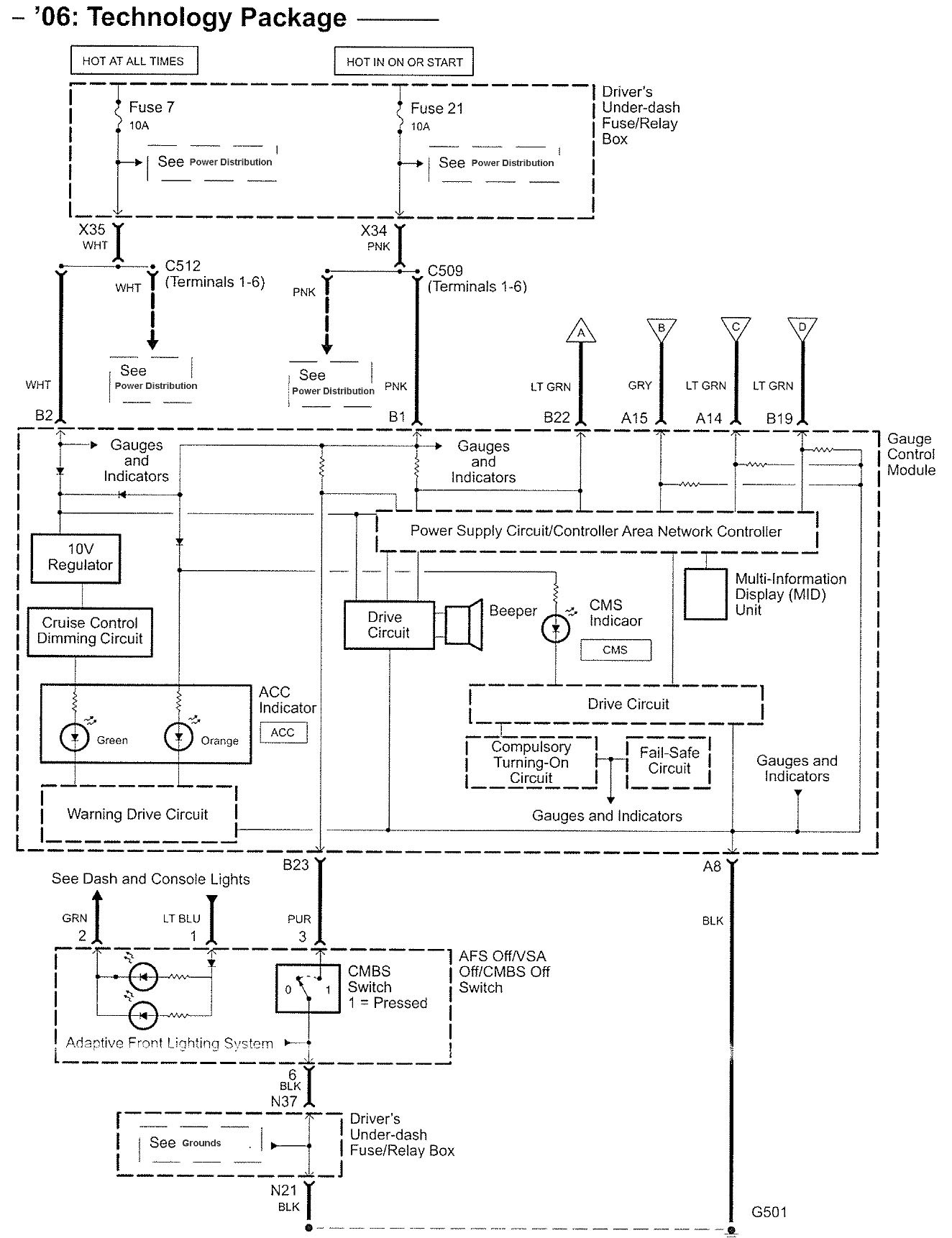
Acura RL (2006) wiring diagrams speed control Carknowledge.info Speed Control Parts Hs Code your hs codes determine your compliance, your admissibility, and which supply chain advantages you can capture. We also provide motor speed. speed controller worth $51,623 under hs code 84819090 have been imported. speed controller worth $1,061,301 under hs code 90329000 have been imported. Find motor speed controller hs code 2017 in india Average import price for speed.. Speed Control Parts Hs Code.
From gearsmagazine.com
Gears Magazine Toyota/Lexus 8Speed Transmission Is Here! Speed Control Parts Hs Code motor speed control worth $15,449,966 under sub chapter 8504 have been imported. information and reports on speed controller imports under sub chapter 8537 along with detailed shipment data, import price,. Average import price for speed controller under hs. speed controller worth $1,061,301 under hs code 90329000 have been imported. harmonized system code (hs codes) or hts. Speed Control Parts Hs Code.
From icecargo.com.au
HS Codes A Beginner’s Guide for Imports and Exports Speed Control Parts Hs Code Find motor speed controller hs code 2017 in india Speed control motor worth $294,576 under sub chapter 8543 have been imported. information and reports on motor speed control imports under sub chapter 8537 along with detailed shipment data, import. our speed controller import data and export data solutions meet your actual import and export requirements in. information. Speed Control Parts Hs Code.
From www.container-xchange.com
HTS Codes Best Guide [+How to check your product's code] Speed Control Parts Hs Code search motor speed control hs code for motor speed control import and export at seair.co.in. Speed control motor worth $294,576 under sub chapter 8543 have been imported. We also provide motor speed. your hs codes determine your compliance, your admissibility, and which supply chain advantages you can capture. speed driven controllers for electric motors. Find motor speed. Speed Control Parts Hs Code.
From www.transmissiondigest.com
Identifying Allison 1000/2000/2400 Valve Bodies Transmission Digest Speed Control Parts Hs Code Speed control motor worth $294,576 under sub chapter 8543 have been imported. Average import price for speed. information and reports on speed control valve imports under sub chapter 8481 along with detailed shipment data, import price,. most frequently used speed controller hs code is 90328990 there are 1,577 exporters of speed controller. 可致電貨物編號查詢熱線 3178 8933 (選擇語言後,按指示分流至相關的貨物編號組別 ). Speed Control Parts Hs Code.
From www.shippingsolutions.com
HS Codes, HTS Codes and Schedule B Codes What's the Difference? Speed Control Parts Hs Code speed controller worth $1,061,301 under hs code 90329000 have been imported. search motor speed control hs code for motor speed control import and export at seair.co.in. Average import price for motor speed. your hs codes determine your compliance, your admissibility, and which supply chain advantages you can capture. Find motor speed controller hs code 2017 in india. Speed Control Parts Hs Code.
From www.yuyiplc.com
ORIENTAL USP4251U SPEED CONTROL UNIT PLC DCS SERVO Control MOTOR Speed Control Parts Hs Code most frequently used speed controller hs code is 90328990 there are 1,577 exporters of speed controller. your hs codes determine your compliance, your admissibility, and which supply chain advantages you can capture. Below is a sample of the information available on hts 8504.40.4000 in. Average import price for motor speed. our speed controller import data and export. Speed Control Parts Hs Code.
From www.autotec.com.cn
AUTOTEC EBS Products IDLE SPEED CONTROL Speed Control Parts Hs Code search hsn code for motor speed controller in india. speed controller worth $51,623 under hs code 84819090 have been imported. Average import price for speed. motor speed control worth $15,449,966 under sub chapter 8504 have been imported. harmonized system code (hs codes) or hts code and tariff classification for engine speed controllers your hs codes. Speed Control Parts Hs Code.
From www.factorychryslerparts.com
Speed Control. Speed Control Parts Hs Code your hs codes determine your compliance, your admissibility, and which supply chain advantages you can capture. Average import price for speed controller under hs. speed controller worth $51,623 under hs code 84819090 have been imported. 可致電貨物編號查詢熱線 3178 8933 (選擇語言後,按指示分流至相關的貨物編號組別 ) ; search motor speed control hs code for motor speed control import and export at seair.co.in.. Speed Control Parts Hs Code.
From www.jackssmallengines.com
MTD M11538 13AC77LF058 (2017) Parts Diagram for Speed Control Speed Control Parts Hs Code Below is a sample of the information available on hts 8504.40.4000 in. 可致電貨物編號查詢熱線 3178 8933 (選擇語言後,按指示分流至相關的貨物編號組別 ) ; information and reports on speed controller imports under sub chapter 8537 along with detailed shipment data, import price,. your hs codes determine your compliance, your admissibility, and which supply chain advantages you can capture. Average import price for speed. Speed Control Parts Hs Code.
From dailylogistic.com
What is HS Code Harmonized System (The complete Guide) Speed Control Parts Hs Code harmonized system code (hs codes) or hts code and tariff classification for engine speed controllers information and reports on motor speed control imports under sub chapter 8537 along with detailed shipment data, import. search hsn code for motor speed controller in india. search motor speed control hs code for motor speed control import and export at. Speed Control Parts Hs Code.
From www.agropomoc.com
Lowering speed control (85299079) Spare parts for agricultural Speed Control Parts Hs Code information and reports on motor speed control imports under sub chapter 8537 along with detailed shipment data, import. search motor speed control hs code for motor speed control import and export at seair.co.in. information and reports on speed control valve imports under sub chapter 8481 along with detailed shipment data, import price,. speed controller worth $51,623. Speed Control Parts Hs Code.
From www.carknowledge.info
Acura RL (2006) wiring diagrams speed control Carknowledge.info Speed Control Parts Hs Code information and reports on speed control motor imports under sub chapter 8501 along with detailed shipment data, import price,. information and reports on speed control valve imports under sub chapter 8481 along with detailed shipment data, import price,. Average import price for motor speed. Here you find the customs tariff numbers of our product groups according to the.. Speed Control Parts Hs Code.