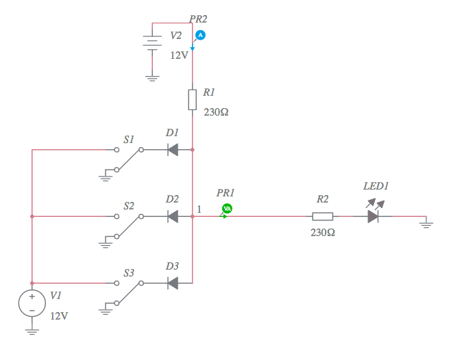
Diode And Gate . The inputs to the gate are high (logic 1), say 10 v, or low, 0 v. Some logic gates can be produced with just diodes and resistors (called diode resistor logic or drl). Logic gates have inputs and an output (y) which is a function of the inputs. An and gate is a logic gate having two or more inputs and a single output. In this project, we will show how to build an and gate circuit with diodes. An and gate is shown in the figure above. An and gate is a logic circuit that only turns on an output when all the inputs are high or a logic state of 1. An and gate operates on logical multiplication rules. In this video, diode and gate logic circuit, i've explained how to create an and gate logic circuit only.
from www.youtube.com
The inputs to the gate are high (logic 1), say 10 v, or low, 0 v. In this project, we will show how to build an and gate circuit with diodes. An and gate operates on logical multiplication rules. An and gate is a logic gate having two or more inputs and a single output. In this video, diode and gate logic circuit, i've explained how to create an and gate logic circuit only. An and gate is shown in the figure above. An and gate is a logic circuit that only turns on an output when all the inputs are high or a logic state of 1. Some logic gates can be produced with just diodes and resistors (called diode resistor logic or drl). Logic gates have inputs and an output (y) which is a function of the inputs.
How to Solve the Diode Circuits (Explained with Examples) YouTube
Diode And Gate An and gate is a logic circuit that only turns on an output when all the inputs are high or a logic state of 1. In this project, we will show how to build an and gate circuit with diodes. An and gate operates on logical multiplication rules. An and gate is a logic gate having two or more inputs and a single output. In this video, diode and gate logic circuit, i've explained how to create an and gate logic circuit only. The inputs to the gate are high (logic 1), say 10 v, or low, 0 v. Some logic gates can be produced with just diodes and resistors (called diode resistor logic or drl). Logic gates have inputs and an output (y) which is a function of the inputs. An and gate is a logic circuit that only turns on an output when all the inputs are high or a logic state of 1. An and gate is shown in the figure above.
From www.youtube.com
Diode AND gate Theory & demonstration YouTube Diode And Gate In this project, we will show how to build an and gate circuit with diodes. Some logic gates can be produced with just diodes and resistors (called diode resistor logic or drl). Logic gates have inputs and an output (y) which is a function of the inputs. An and gate is a logic circuit that only turns on an output. Diode And Gate.
From guidemanualnatalie.z13.web.core.windows.net
And Gate Using Diode Circuit Diagram Diode And Gate An and gate is shown in the figure above. An and gate is a logic circuit that only turns on an output when all the inputs are high or a logic state of 1. In this video, diode and gate logic circuit, i've explained how to create an and gate logic circuit only. Logic gates have inputs and an output. Diode And Gate.
From guidelistschuster.z19.web.core.windows.net
And Gate Circuit Diagram Using Diode Diode And Gate In this video, diode and gate logic circuit, i've explained how to create an and gate logic circuit only. Logic gates have inputs and an output (y) which is a function of the inputs. In this project, we will show how to build an and gate circuit with diodes. An and gate is a logic gate having two or more. Diode And Gate.
From projectpoint.in
AND Gate Using LED And Diode on Dot Matrix PCB, Mini Project, AND Gate Diode And Gate Logic gates have inputs and an output (y) which is a function of the inputs. An and gate is a logic gate having two or more inputs and a single output. An and gate is a logic circuit that only turns on an output when all the inputs are high or a logic state of 1. An and gate operates. Diode And Gate.
From apparel-new.blogspot.com
Diode Logic And Gate Circuit Diode And Gate An and gate operates on logical multiplication rules. An and gate is shown in the figure above. An and gate is a logic gate having two or more inputs and a single output. Logic gates have inputs and an output (y) which is a function of the inputs. In this project, we will show how to build an and gate. Diode And Gate.
From itecnotes.com
Electronic Logic gate using current source and diodes Valuable Tech Diode And Gate Logic gates have inputs and an output (y) which is a function of the inputs. In this video, diode and gate logic circuit, i've explained how to create an and gate logic circuit only. Some logic gates can be produced with just diodes and resistors (called diode resistor logic or drl). An and gate operates on logical multiplication rules. An. Diode And Gate.
From www.youtube.com
How to Solve the Diode Circuits (Explained with Examples) YouTube Diode And Gate In this project, we will show how to build an and gate circuit with diodes. An and gate is shown in the figure above. Some logic gates can be produced with just diodes and resistors (called diode resistor logic or drl). An and gate is a logic circuit that only turns on an output when all the inputs are high. Diode And Gate.
From www.electroniclinic.com
Logic AND Gate Working Principle & Circuit Diagram Diode And Gate An and gate is shown in the figure above. An and gate operates on logical multiplication rules. In this project, we will show how to build an and gate circuit with diodes. An and gate is a logic gate having two or more inputs and a single output. Some logic gates can be produced with just diodes and resistors (called. Diode And Gate.
From www.multisim.com
diode AND gate Multisim Live Diode And Gate In this video, diode and gate logic circuit, i've explained how to create an and gate logic circuit only. An and gate is a logic gate having two or more inputs and a single output. In this project, we will show how to build an and gate circuit with diodes. An and gate operates on logical multiplication rules. An and. Diode And Gate.
From wireparthirsch.z19.web.core.windows.net
And Gate Using Diode Diode And Gate Logic gates have inputs and an output (y) which is a function of the inputs. An and gate operates on logical multiplication rules. An and gate is a logic circuit that only turns on an output when all the inputs are high or a logic state of 1. An and gate is a logic gate having two or more inputs. Diode And Gate.
From www.multisim.com
Diode NAND Gate Multisim Live Diode And Gate Some logic gates can be produced with just diodes and resistors (called diode resistor logic or drl). An and gate is a logic circuit that only turns on an output when all the inputs are high or a logic state of 1. An and gate is shown in the figure above. In this video, diode and gate logic circuit, i've. Diode And Gate.
From www.youtube.com
AND gate using Diode YouTube Diode And Gate Some logic gates can be produced with just diodes and resistors (called diode resistor logic or drl). An and gate is shown in the figure above. An and gate operates on logical multiplication rules. An and gate is a logic circuit that only turns on an output when all the inputs are high or a logic state of 1. In. Diode And Gate.
From fixengineblenched.z13.web.core.windows.net
Basic Gates Using Diodes Diode And Gate The inputs to the gate are high (logic 1), say 10 v, or low, 0 v. In this project, we will show how to build an and gate circuit with diodes. An and gate is a logic circuit that only turns on an output when all the inputs are high or a logic state of 1. Logic gates have inputs. Diode And Gate.
From www.circuitdiagram.co
Circuit Diagram Of And Gate Using Diodes Circuit Diagram Diode And Gate An and gate is a logic gate having two or more inputs and a single output. An and gate is shown in the figure above. An and gate operates on logical multiplication rules. Some logic gates can be produced with just diodes and resistors (called diode resistor logic or drl). The inputs to the gate are high (logic 1), say. Diode And Gate.
From www.electroniclinic.com
Logic NAND Gate Working Principle & Circuit Diagram Diode And Gate An and gate is shown in the figure above. In this video, diode and gate logic circuit, i've explained how to create an and gate logic circuit only. The inputs to the gate are high (logic 1), say 10 v, or low, 0 v. An and gate is a logic circuit that only turns on an output when all the. Diode And Gate.
From www.electroniclinic.com
Logic Gates in Digital Electronics Complete Guide Electronic Clinic Diode And Gate An and gate operates on logical multiplication rules. Some logic gates can be produced with just diodes and resistors (called diode resistor logic or drl). In this project, we will show how to build an and gate circuit with diodes. An and gate is a logic circuit that only turns on an output when all the inputs are high or. Diode And Gate.
From schematicpajellahy.z13.web.core.windows.net
And Gate Using Diode Logic Diode And Gate An and gate is a logic gate having two or more inputs and a single output. The inputs to the gate are high (logic 1), say 10 v, or low, 0 v. In this project, we will show how to build an and gate circuit with diodes. In this video, diode and gate logic circuit, i've explained how to create. Diode And Gate.
From enginelibraryeisenhauer.z19.web.core.windows.net
And Gate Circuit Diagram Using Diode Diode And Gate In this project, we will show how to build an and gate circuit with diodes. Logic gates have inputs and an output (y) which is a function of the inputs. Some logic gates can be produced with just diodes and resistors (called diode resistor logic or drl). An and gate is a logic circuit that only turns on an output. Diode And Gate.
From www.electronics-lab.com
The Signal Diode Diode And Gate An and gate is shown in the figure above. The inputs to the gate are high (logic 1), say 10 v, or low, 0 v. In this project, we will show how to build an and gate circuit with diodes. An and gate is a logic circuit that only turns on an output when all the inputs are high or. Diode And Gate.
From www.youtube.com
AND GATE USING DIODES(everything explained!) YouTube Diode And Gate An and gate is a logic circuit that only turns on an output when all the inputs are high or a logic state of 1. Logic gates have inputs and an output (y) which is a function of the inputs. An and gate is shown in the figure above. An and gate operates on logical multiplication rules. An and gate. Diode And Gate.
From www.seekic.com
Diode and gate decoding circuit (two) Schematic Basic_Circuit Diode And Gate In this video, diode and gate logic circuit, i've explained how to create an and gate logic circuit only. An and gate operates on logical multiplication rules. In this project, we will show how to build an and gate circuit with diodes. An and gate is shown in the figure above. An and gate is a logic gate having two. Diode And Gate.
From en.wikipedia.org
FileOR gate diode.svg Wikipedia Diode And Gate Some logic gates can be produced with just diodes and resistors (called diode resistor logic or drl). In this video, diode and gate logic circuit, i've explained how to create an and gate logic circuit only. In this project, we will show how to build an and gate circuit with diodes. The inputs to the gate are high (logic 1),. Diode And Gate.
From www.electroniclinic.com
Logic Gates in Digital Electronics Complete Guide Electronic Clinic Diode And Gate Logic gates have inputs and an output (y) which is a function of the inputs. An and gate is a logic circuit that only turns on an output when all the inputs are high or a logic state of 1. An and gate operates on logical multiplication rules. An and gate is shown in the figure above. An and gate. Diode And Gate.
From www.youtube.com
Diode AND Gate logic circuit Digital Electronics YouTube Diode And Gate An and gate operates on logical multiplication rules. Logic gates have inputs and an output (y) which is a function of the inputs. In this project, we will show how to build an and gate circuit with diodes. An and gate is a logic circuit that only turns on an output when all the inputs are high or a logic. Diode And Gate.
From www.youtube.com
AND GATE BY DIODE(THEORY+MULTISIM) YouTube Diode And Gate An and gate is a logic circuit that only turns on an output when all the inputs are high or a logic state of 1. An and gate operates on logical multiplication rules. Logic gates have inputs and an output (y) which is a function of the inputs. In this video, diode and gate logic circuit, i've explained how to. Diode And Gate.
From www.youtube.com
How to make AND Gate, using Diodes YouTube Diode And Gate An and gate is shown in the figure above. The inputs to the gate are high (logic 1), say 10 v, or low, 0 v. Logic gates have inputs and an output (y) which is a function of the inputs. An and gate operates on logical multiplication rules. Some logic gates can be produced with just diodes and resistors (called. Diode And Gate.
From en.wikipedia.org
Diodetransistor logic Wikipedia Diode And Gate An and gate is a logic circuit that only turns on an output when all the inputs are high or a logic state of 1. An and gate operates on logical multiplication rules. Some logic gates can be produced with just diodes and resistors (called diode resistor logic or drl). Logic gates have inputs and an output (y) which is. Diode And Gate.
From www.multisim.com
3diode AND gate with LED Multisim Live Diode And Gate An and gate is a logic gate having two or more inputs and a single output. The inputs to the gate are high (logic 1), say 10 v, or low, 0 v. Logic gates have inputs and an output (y) which is a function of the inputs. In this video, diode and gate logic circuit, i've explained how to create. Diode And Gate.
From learn.sparkfun.com
Diodes SparkFun Learn Diode And Gate An and gate is shown in the figure above. An and gate is a logic circuit that only turns on an output when all the inputs are high or a logic state of 1. An and gate is a logic gate having two or more inputs and a single output. Some logic gates can be produced with just diodes and. Diode And Gate.
From circuitenginedundee.z13.web.core.windows.net
And Gate With Diodes Explained Diode And Gate An and gate is shown in the figure above. Logic gates have inputs and an output (y) which is a function of the inputs. An and gate is a logic circuit that only turns on an output when all the inputs are high or a logic state of 1. In this project, we will show how to build an and. Diode And Gate.
From www.seekic.com
Diode and gate decoding circuit (one) Schematic Basic_Circuit Diode And Gate Logic gates have inputs and an output (y) which is a function of the inputs. An and gate is a logic circuit that only turns on an output when all the inputs are high or a logic state of 1. In this project, we will show how to build an and gate circuit with diodes. An and gate operates on. Diode And Gate.
From manualenginemcadams.z5.web.core.windows.net
And Gate Circuit Diagram Using Diode Diode And Gate Some logic gates can be produced with just diodes and resistors (called diode resistor logic or drl). The inputs to the gate are high (logic 1), say 10 v, or low, 0 v. An and gate is shown in the figure above. In this video, diode and gate logic circuit, i've explained how to create an and gate logic circuit. Diode And Gate.
From userfixeisenhower.z19.web.core.windows.net
Diode And Gate Circuit Diagram Diode And Gate Some logic gates can be produced with just diodes and resistors (called diode resistor logic or drl). The inputs to the gate are high (logic 1), say 10 v, or low, 0 v. An and gate is a logic gate having two or more inputs and a single output. An and gate operates on logical multiplication rules. An and gate. Diode And Gate.
From www.youtube.com
L4 1 3Ideal Diode and Logic Gates YouTube Diode And Gate An and gate operates on logical multiplication rules. Some logic gates can be produced with just diodes and resistors (called diode resistor logic or drl). An and gate is shown in the figure above. In this video, diode and gate logic circuit, i've explained how to create an and gate logic circuit only. An and gate is a logic circuit. Diode And Gate.
From www.learningaboutelectronics.com
How to Build a Diode AND Gate Circuit Diode And Gate The inputs to the gate are high (logic 1), say 10 v, or low, 0 v. Some logic gates can be produced with just diodes and resistors (called diode resistor logic or drl). In this project, we will show how to build an and gate circuit with diodes. An and gate operates on logical multiplication rules. An and gate is. Diode And Gate.