Brute Snow Blower Parts . find oem parts list and diagrams for 41 models of brute snow blowers and snow throwers. search the dealer locator » search for your manual. shop oem replacement parts by symptoms or model diagrams for your murray 1695565 brute 525/21, single stage snow thrower. Compare and order parts for. View the illustrated parts list, contact your. Whether you're putting your equipment away for the season or need to replace a part, locate your engine or. find out how to get parts and service for your brute snowblower and other equipment.
from www.jackssmallengines.com
View the illustrated parts list, contact your. search the dealer locator » search for your manual. shop oem replacement parts by symptoms or model diagrams for your murray 1695565 brute 525/21, single stage snow thrower. Compare and order parts for. find out how to get parts and service for your brute snowblower and other equipment. Whether you're putting your equipment away for the season or need to replace a part, locate your engine or. find oem parts list and diagrams for 41 models of brute snow blowers and snow throwers.
Murray 169668600 Brute, 7.5 Gross TP 22" Single Stage Snowthrower (2016) Parts Diagram for
Brute Snow Blower Parts shop oem replacement parts by symptoms or model diagrams for your murray 1695565 brute 525/21, single stage snow thrower. Whether you're putting your equipment away for the season or need to replace a part, locate your engine or. find oem parts list and diagrams for 41 models of brute snow blowers and snow throwers. shop oem replacement parts by symptoms or model diagrams for your murray 1695565 brute 525/21, single stage snow thrower. search the dealer locator » search for your manual. find out how to get parts and service for your brute snowblower and other equipment. View the illustrated parts list, contact your. Compare and order parts for.
From www.partstree.com
Brute 1695931 Brute 29" Snow Thrower, 14.5 Gross TP (2010) Traction Drive Group Standard Brute Snow Blower Parts shop oem replacement parts by symptoms or model diagrams for your murray 1695565 brute 525/21, single stage snow thrower. find oem parts list and diagrams for 41 models of brute snow blowers and snow throwers. Whether you're putting your equipment away for the season or need to replace a part, locate your engine or. search the dealer. Brute Snow Blower Parts.
From www.partstree.com
Brute 1695566 Brute 27" Snow Thrower, 11.5 Gross TP (2008) Auger Housing (1741441) Parts Brute Snow Blower Parts Whether you're putting your equipment away for the season or need to replace a part, locate your engine or. find out how to get parts and service for your brute snowblower and other equipment. shop oem replacement parts by symptoms or model diagrams for your murray 1695565 brute 525/21, single stage snow thrower. find oem parts list. Brute Snow Blower Parts.
From www.jackssmallengines.com
Murray 169668600 Brute, 7.5 Gross TP 22" Single Stage Snowthrower (2016) Parts Diagram for Brute Snow Blower Parts View the illustrated parts list, contact your. Whether you're putting your equipment away for the season or need to replace a part, locate your engine or. Compare and order parts for. search the dealer locator » search for your manual. find out how to get parts and service for your brute snowblower and other equipment. shop oem. Brute Snow Blower Parts.
From www.jackssmallengines.com
Murray 169662000 1227MD, Brute 11.5 Gross TP 27" Dual Stage Snowthrower (2016) Parts Diagram Brute Snow Blower Parts find out how to get parts and service for your brute snowblower and other equipment. find oem parts list and diagrams for 41 models of brute snow blowers and snow throwers. Whether you're putting your equipment away for the season or need to replace a part, locate your engine or. shop oem replacement parts by symptoms or. Brute Snow Blower Parts.
From www.partstree.com
Brute 1695566 Brute 27" Snow Thrower, 11.5 Gross TP (2008) Decals (1736629) Parts Lookup with Brute Snow Blower Parts Compare and order parts for. find out how to get parts and service for your brute snowblower and other equipment. search the dealer locator » search for your manual. shop oem replacement parts by symptoms or model diagrams for your murray 1695565 brute 525/21, single stage snow thrower. find oem parts list and diagrams for 41. Brute Snow Blower Parts.
From www.jackssmallengines.com
Murray 1695565 Brute 525/21, Single Stage Snow Thrower (2008) Parts Diagram for Engine & Frame Brute Snow Blower Parts find oem parts list and diagrams for 41 models of brute snow blowers and snow throwers. Compare and order parts for. search the dealer locator » search for your manual. Whether you're putting your equipment away for the season or need to replace a part, locate your engine or. find out how to get parts and service. Brute Snow Blower Parts.
From www.partstree.com
Brute 169662001 (M 27/1150 MD) Brute 27" Snow Thrower, 11.5 Gross TP (2017) Transaxle Drive Brute Snow Blower Parts find oem parts list and diagrams for 41 models of brute snow blowers and snow throwers. View the illustrated parts list, contact your. search the dealer locator » search for your manual. find out how to get parts and service for your brute snowblower and other equipment. shop oem replacement parts by symptoms or model diagrams. Brute Snow Blower Parts.
From www.jackssmallengines.com
Murray 169661601 1024MD, Brute 9.5 Gross TP 24" Dual Stage Snowthrower (2017) Parts Diagram Brute Snow Blower Parts Whether you're putting your equipment away for the season or need to replace a part, locate your engine or. find oem parts list and diagrams for 41 models of brute snow blowers and snow throwers. View the illustrated parts list, contact your. Compare and order parts for. shop oem replacement parts by symptoms or model diagrams for your. Brute Snow Blower Parts.
From www.jackssmallengines.com
Murray 1695872 Brute 27" 11.5 TP Dual Stage Snowthrower, CE (2010) Parts Diagram for Decals Brute Snow Blower Parts find out how to get parts and service for your brute snowblower and other equipment. shop oem replacement parts by symptoms or model diagrams for your murray 1695565 brute 525/21, single stage snow thrower. search the dealer locator » search for your manual. Compare and order parts for. View the illustrated parts list, contact your. find. Brute Snow Blower Parts.
From www.partstree.com
Brute 1695872 Brute 27" Snow Thrower, 11.5 Gross TP (2010) Handles and Controls Group Parts Brute Snow Blower Parts search the dealer locator » search for your manual. find out how to get parts and service for your brute snowblower and other equipment. Compare and order parts for. View the illustrated parts list, contact your. shop oem replacement parts by symptoms or model diagrams for your murray 1695565 brute 525/21, single stage snow thrower. find. Brute Snow Blower Parts.
From www.partstree.com
Brute 169661601 (M 24/950) Brute 24" Snow Thrower, 9.5 Gross TP (2017) Decals Group Brute Snow Blower Parts shop oem replacement parts by symptoms or model diagrams for your murray 1695565 brute 525/21, single stage snow thrower. search the dealer locator » search for your manual. find out how to get parts and service for your brute snowblower and other equipment. find oem parts list and diagrams for 41 models of brute snow blowers. Brute Snow Blower Parts.
From www.partstree.com
Brute 169661601 (1024 MD) Brute 24" Snow Thrower, 9.5 Gross TP (2017) Auger Drive Group Brute Snow Blower Parts shop oem replacement parts by symptoms or model diagrams for your murray 1695565 brute 525/21, single stage snow thrower. Whether you're putting your equipment away for the season or need to replace a part, locate your engine or. find oem parts list and diagrams for 41 models of brute snow blowers and snow throwers. View the illustrated parts. Brute Snow Blower Parts.
From www.youtube.com
Brute snowblower internal auger cable replacement and belt replacement YouTube Brute Snow Blower Parts Whether you're putting your equipment away for the season or need to replace a part, locate your engine or. shop oem replacement parts by symptoms or model diagrams for your murray 1695565 brute 525/21, single stage snow thrower. search the dealer locator » search for your manual. Compare and order parts for. find oem parts list and. Brute Snow Blower Parts.
From www.jackssmallengines.com
Murray 1695576 Brute 29" 13.5 TP Snowthrower (2008) Parts Diagram for Wheels and Tires Group Brute Snow Blower Parts Compare and order parts for. Whether you're putting your equipment away for the season or need to replace a part, locate your engine or. shop oem replacement parts by symptoms or model diagrams for your murray 1695565 brute 525/21, single stage snow thrower. View the illustrated parts list, contact your. find oem parts list and diagrams for 41. Brute Snow Blower Parts.
From www.partstree.com
Brute 1695724 Brute 27" Snow Thrower, 11.5 Gross TP (2009) Auger Drive Group Parts Lookup with Brute Snow Blower Parts find out how to get parts and service for your brute snowblower and other equipment. find oem parts list and diagrams for 41 models of brute snow blowers and snow throwers. search the dealer locator » search for your manual. Compare and order parts for. View the illustrated parts list, contact your. shop oem replacement parts. Brute Snow Blower Parts.
From www.partstree.com
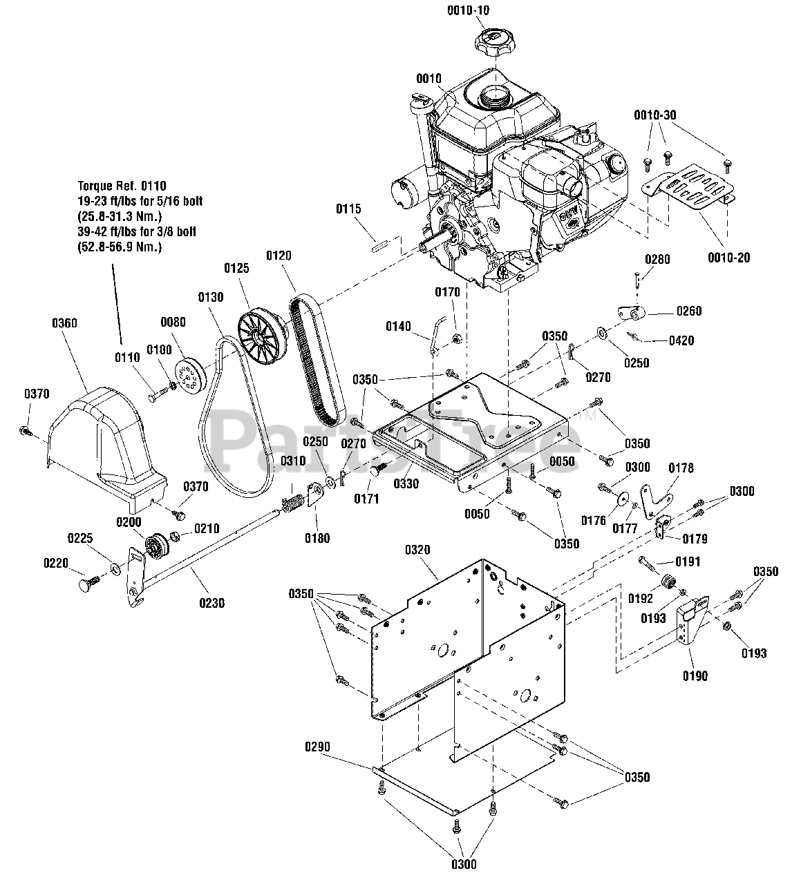
Brute 169639900 Brute 27" Snow Thrower, 11.5 Gross TP (2015) Engine & Frame Group (2990818 Brute Snow Blower Parts find out how to get parts and service for your brute snowblower and other equipment. Compare and order parts for. find oem parts list and diagrams for 41 models of brute snow blowers and snow throwers. shop oem replacement parts by symptoms or model diagrams for your murray 1695565 brute 525/21, single stage snow thrower. search. Brute Snow Blower Parts.
From www.partstree.com
Brute 1695724 Brute 27" Snow Thrower, 11.5 Gross TP (2009) Traction Drive (2988389) Parts Brute Snow Blower Parts find oem parts list and diagrams for 41 models of brute snow blowers and snow throwers. shop oem replacement parts by symptoms or model diagrams for your murray 1695565 brute 525/21, single stage snow thrower. find out how to get parts and service for your brute snowblower and other equipment. Compare and order parts for. search. Brute Snow Blower Parts.
From www.partstree.com
Brute 169662003 (M 27/1150 MD) Brute 27" Snow Thrower, 11.5 Gross TP (2020) Decals Group Brute Snow Blower Parts shop oem replacement parts by symptoms or model diagrams for your murray 1695565 brute 525/21, single stage snow thrower. Whether you're putting your equipment away for the season or need to replace a part, locate your engine or. find oem parts list and diagrams for 41 models of brute snow blowers and snow throwers. View the illustrated parts. Brute Snow Blower Parts.
From manualzz.com
BRUTE SNOW THROWER 1695575 Parts List Manualzz Brute Snow Blower Parts find out how to get parts and service for your brute snowblower and other equipment. find oem parts list and diagrams for 41 models of brute snow blowers and snow throwers. Whether you're putting your equipment away for the season or need to replace a part, locate your engine or. search the dealer locator » search for. Brute Snow Blower Parts.
From www.partstree.com
Brute 169662002 (M 27/1150 MD) Brute 27" Snow Thrower, 11.5 Gross TP (2018) Handles Brute Snow Blower Parts find oem parts list and diagrams for 41 models of brute snow blowers and snow throwers. View the illustrated parts list, contact your. shop oem replacement parts by symptoms or model diagrams for your murray 1695565 brute 525/21, single stage snow thrower. search the dealer locator » search for your manual. find out how to get. Brute Snow Blower Parts.
From www.partstree.com
Brute 169639900 Brute 27" Snow Thrower, 11.5 Gross TP (2015) Discharge Chute Group (2991164 Brute Snow Blower Parts Whether you're putting your equipment away for the season or need to replace a part, locate your engine or. find out how to get parts and service for your brute snowblower and other equipment. shop oem replacement parts by symptoms or model diagrams for your murray 1695565 brute 525/21, single stage snow thrower. View the illustrated parts list,. Brute Snow Blower Parts.
From www.partstree.com
Brute 1695931 Brute 29" Snow Thrower, 14.5 Gross TP (2010) Engine Group (2989398) Parts Lookup Brute Snow Blower Parts Compare and order parts for. View the illustrated parts list, contact your. search the dealer locator » search for your manual. find oem parts list and diagrams for 41 models of brute snow blowers and snow throwers. shop oem replacement parts by symptoms or model diagrams for your murray 1695565 brute 525/21, single stage snow thrower. . Brute Snow Blower Parts.
From www.partstree.com
Brute 169628200 Brute 29" Snow Thrower, 14.5 Gross TP (2012) Decals Group (2990825) Parts Brute Snow Blower Parts View the illustrated parts list, contact your. find out how to get parts and service for your brute snowblower and other equipment. find oem parts list and diagrams for 41 models of brute snow blowers and snow throwers. search the dealer locator » search for your manual. Compare and order parts for. Whether you're putting your equipment. Brute Snow Blower Parts.
From www.jackssmallengines.com
Murray 1695732 Brute 27" 11.5 TP Snowthrower (2009) Parts Diagram for Handles and Controls Brute Snow Blower Parts View the illustrated parts list, contact your. search the dealer locator » search for your manual. Compare and order parts for. find oem parts list and diagrams for 41 models of brute snow blowers and snow throwers. shop oem replacement parts by symptoms or model diagrams for your murray 1695565 brute 525/21, single stage snow thrower. Whether. Brute Snow Blower Parts.
From www.jackssmallengines.com
Briggs and Stratton Power Products 1695575 Brute 27" 11.5 TP Snowthrower (2008) Parts Diagram Brute Snow Blower Parts search the dealer locator » search for your manual. Compare and order parts for. find oem parts list and diagrams for 41 models of brute snow blowers and snow throwers. shop oem replacement parts by symptoms or model diagrams for your murray 1695565 brute 525/21, single stage snow thrower. View the illustrated parts list, contact your. . Brute Snow Blower Parts.
From www.partstree.com
Brute 169628100 Brute 27" Snow Thrower, 11.5 Gross TP (2012) Engine & Frame Group (2990818 Brute Snow Blower Parts shop oem replacement parts by symptoms or model diagrams for your murray 1695565 brute 525/21, single stage snow thrower. Whether you're putting your equipment away for the season or need to replace a part, locate your engine or. search the dealer locator » search for your manual. Compare and order parts for. View the illustrated parts list, contact. Brute Snow Blower Parts.
From www.jackssmallengines.com
Murray 1695732 Brute 27" 11.5 TP Snowthrower (2009) Parts Diagram for Discharge Chute (2988360) Brute Snow Blower Parts Whether you're putting your equipment away for the season or need to replace a part, locate your engine or. shop oem replacement parts by symptoms or model diagrams for your murray 1695565 brute 525/21, single stage snow thrower. View the illustrated parts list, contact your. find out how to get parts and service for your brute snowblower and. Brute Snow Blower Parts.
From www.partstree.com
Brute 1695732 Brute 27" Snow Thrower, 11.5 Gross TP (2009) Auger Housing Assembly (2988665 Brute Snow Blower Parts Whether you're putting your equipment away for the season or need to replace a part, locate your engine or. shop oem replacement parts by symptoms or model diagrams for your murray 1695565 brute 525/21, single stage snow thrower. Compare and order parts for. find oem parts list and diagrams for 41 models of brute snow blowers and snow. Brute Snow Blower Parts.
From www.partstree.com
Brute 1695566 Brute 27" Snow Thrower, 11.5 Gross TP (2008) Gear Case (1736511) Parts Lookup Brute Snow Blower Parts View the illustrated parts list, contact your. Whether you're putting your equipment away for the season or need to replace a part, locate your engine or. Compare and order parts for. search the dealer locator » search for your manual. find out how to get parts and service for your brute snowblower and other equipment. shop oem. Brute Snow Blower Parts.
From www.partstree.com
Brute 1695575 Brute 27" Snow Thrower, 11.5 Gross TP (2008) Discharge Chute (2988114) Parts Brute Snow Blower Parts find out how to get parts and service for your brute snowblower and other equipment. search the dealer locator » search for your manual. View the illustrated parts list, contact your. Compare and order parts for. shop oem replacement parts by symptoms or model diagrams for your murray 1695565 brute 525/21, single stage snow thrower. Whether you're. Brute Snow Blower Parts.
From www.partstree.com
Brute 169661601 (1024 MD) Brute 24" Snow Thrower, 9.5 Gross TP (2017) Auger Drive Group Brute Snow Blower Parts find out how to get parts and service for your brute snowblower and other equipment. find oem parts list and diagrams for 41 models of brute snow blowers and snow throwers. Compare and order parts for. shop oem replacement parts by symptoms or model diagrams for your murray 1695565 brute 525/21, single stage snow thrower. Whether you're. Brute Snow Blower Parts.
From www.partstree.com
Brute 169662001 (M 27/1150 MD) Brute 27" Snow Thrower, 11.5 Gross TP (2017) Discharge Chute Brute Snow Blower Parts View the illustrated parts list, contact your. Whether you're putting your equipment away for the season or need to replace a part, locate your engine or. Compare and order parts for. find out how to get parts and service for your brute snowblower and other equipment. search the dealer locator » search for your manual. find oem. Brute Snow Blower Parts.
From www.partstree.com
Brute 169628200 Brute 29" Snow Thrower, 14.5 Gross TP (2012) Handles & Controls Group Brute Snow Blower Parts Compare and order parts for. View the illustrated parts list, contact your. search the dealer locator » search for your manual. find out how to get parts and service for your brute snowblower and other equipment. find oem parts list and diagrams for 41 models of brute snow blowers and snow throwers. shop oem replacement parts. Brute Snow Blower Parts.
From www.partstree.com
Brute 1695725 Brute 29" Snow Thrower, 13.5 Gross TP (2009) Engine & Frame Group (2988374 Brute Snow Blower Parts Compare and order parts for. shop oem replacement parts by symptoms or model diagrams for your murray 1695565 brute 525/21, single stage snow thrower. search the dealer locator » search for your manual. find oem parts list and diagrams for 41 models of brute snow blowers and snow throwers. View the illustrated parts list, contact your. Whether. Brute Snow Blower Parts.
From www.jackssmallengines.com
Murray 1696026 14.5TP Brute 29" Dual Stage Snowthrower (2011) Parts Diagram for Engine Group Brute Snow Blower Parts find out how to get parts and service for your brute snowblower and other equipment. find oem parts list and diagrams for 41 models of brute snow blowers and snow throwers. View the illustrated parts list, contact your. search the dealer locator » search for your manual. Compare and order parts for. shop oem replacement parts. Brute Snow Blower Parts.