Astra G Electric Windows Not Working . There are several reasons that your car’s windows might stop working. I found the fuse was blown, but when i replaced it the new fuse blew as soon as it touched the. Assuming you have a astra h, this is from the tricks/tips thread: If you have issues with your electric windows our guide to common electric window problems & solutions will help in figuring what exactly needs to. If you don’t hear or see any movement when you press the button, the problem is likely electrical rather. So my drivers side electric window doesn’t work fully. My wife's astra's rear electric windows stopped working a few weeks ago. This is most likely to be related to your ignition switch problem. If you press the button and hold, then release, it doesn’t go all the way up.
from www.youtube.com
If you press the button and hold, then release, it doesn’t go all the way up. If you don’t hear or see any movement when you press the button, the problem is likely electrical rather. I found the fuse was blown, but when i replaced it the new fuse blew as soon as it touched the. There are several reasons that your car’s windows might stop working. So my drivers side electric window doesn’t work fully. This is most likely to be related to your ignition switch problem. If you have issues with your electric windows our guide to common electric window problems & solutions will help in figuring what exactly needs to. Assuming you have a astra h, this is from the tricks/tips thread: My wife's astra's rear electric windows stopped working a few weeks ago.
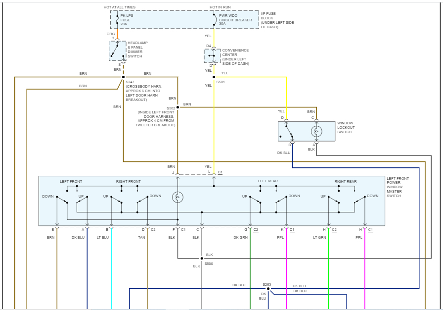
Power window not working/CIRCUITE DIAGRAM/TYPICAL safety power window
Astra G Electric Windows Not Working There are several reasons that your car’s windows might stop working. My wife's astra's rear electric windows stopped working a few weeks ago. If you press the button and hold, then release, it doesn’t go all the way up. Assuming you have a astra h, this is from the tricks/tips thread: I found the fuse was blown, but when i replaced it the new fuse blew as soon as it touched the. If you have issues with your electric windows our guide to common electric window problems & solutions will help in figuring what exactly needs to. So my drivers side electric window doesn’t work fully. If you don’t hear or see any movement when you press the button, the problem is likely electrical rather. There are several reasons that your car’s windows might stop working. This is most likely to be related to your ignition switch problem.
From manualdatakatherine.z13.web.core.windows.net
Vauxhall Astra Electric Window Wiring Diagram Astra G Electric Windows Not Working If you press the button and hold, then release, it doesn’t go all the way up. If you don’t hear or see any movement when you press the button, the problem is likely electrical rather. Assuming you have a astra h, this is from the tricks/tips thread: This is most likely to be related to your ignition switch problem. I. Astra G Electric Windows Not Working.
From www.volkswagenforum.co.uk
drivers side electric window not working UK Volkswagen Forum Astra G Electric Windows Not Working There are several reasons that your car’s windows might stop working. This is most likely to be related to your ignition switch problem. If you press the button and hold, then release, it doesn’t go all the way up. If you don’t hear or see any movement when you press the button, the problem is likely electrical rather. So my. Astra G Electric Windows Not Working.
From wiringdiagram.online
[DIAGRAM] Opel Astra G Ecu Wiring Diagram Astra G Electric Windows Not Working So my drivers side electric window doesn’t work fully. My wife's astra's rear electric windows stopped working a few weeks ago. If you press the button and hold, then release, it doesn’t go all the way up. If you don’t hear or see any movement when you press the button, the problem is likely electrical rather. There are several reasons. Astra G Electric Windows Not Working.
From giotbfxer.blob.core.windows.net
Audi Electric Windows Not Working at Ruby Dufour blog Astra G Electric Windows Not Working If you press the button and hold, then release, it doesn’t go all the way up. Assuming you have a astra h, this is from the tricks/tips thread: There are several reasons that your car’s windows might stop working. If you don’t hear or see any movement when you press the button, the problem is likely electrical rather. So my. Astra G Electric Windows Not Working.
From www.youtube.com
Electric Windows Not Working Troubleshooting YouTube Astra G Electric Windows Not Working If you don’t hear or see any movement when you press the button, the problem is likely electrical rather. There are several reasons that your car’s windows might stop working. I found the fuse was blown, but when i replaced it the new fuse blew as soon as it touched the. Assuming you have a astra h, this is from. Astra G Electric Windows Not Working.
From ajlautoelectrical.com.au
Power windows not working? Call AJL Auto Electrical, we'll fix it! Astra G Electric Windows Not Working Assuming you have a astra h, this is from the tricks/tips thread: If you have issues with your electric windows our guide to common electric window problems & solutions will help in figuring what exactly needs to. So my drivers side electric window doesn’t work fully. There are several reasons that your car’s windows might stop working. This is most. Astra G Electric Windows Not Working.
From www.2carpros.com
Passenger Side Electric Window Not Working Properly Astra G Electric Windows Not Working I found the fuse was blown, but when i replaced it the new fuse blew as soon as it touched the. There are several reasons that your car’s windows might stop working. If you don’t hear or see any movement when you press the button, the problem is likely electrical rather. So my drivers side electric window doesn’t work fully.. Astra G Electric Windows Not Working.
From www.2carpros.com
Electric Window Drivers Side Not Working the Electric Window on Astra G Electric Windows Not Working There are several reasons that your car’s windows might stop working. If you press the button and hold, then release, it doesn’t go all the way up. This is most likely to be related to your ignition switch problem. I found the fuse was blown, but when i replaced it the new fuse blew as soon as it touched the.. Astra G Electric Windows Not Working.
From www.2carpros.com
Driver's Side Electric Window Not Working Properly Astra G Electric Windows Not Working My wife's astra's rear electric windows stopped working a few weeks ago. So my drivers side electric window doesn’t work fully. There are several reasons that your car’s windows might stop working. If you press the button and hold, then release, it doesn’t go all the way up. This is most likely to be related to your ignition switch problem.. Astra G Electric Windows Not Working.
From wiringdiagram.2bitboer.com
Opel Astra G Wiring Diagrams Wiring Diagram Astra G Electric Windows Not Working My wife's astra's rear electric windows stopped working a few weeks ago. Assuming you have a astra h, this is from the tricks/tips thread: There are several reasons that your car’s windows might stop working. If you press the button and hold, then release, it doesn’t go all the way up. If you don’t hear or see any movement when. Astra G Electric Windows Not Working.
From www.youtube.com
power window not working easy step to solve power window problem Astra G Electric Windows Not Working If you press the button and hold, then release, it doesn’t go all the way up. I found the fuse was blown, but when i replaced it the new fuse blew as soon as it touched the. My wife's astra's rear electric windows stopped working a few weeks ago. So my drivers side electric window doesn’t work fully. Assuming you. Astra G Electric Windows Not Working.
From www.2carpros.com
Electric Windows Not Working? My Truck Has An Electrical Issue. I... Astra G Electric Windows Not Working So my drivers side electric window doesn’t work fully. Assuming you have a astra h, this is from the tricks/tips thread: If you don’t hear or see any movement when you press the button, the problem is likely electrical rather. If you have issues with your electric windows our guide to common electric window problems & solutions will help in. Astra G Electric Windows Not Working.
From www.briskoda.net
passenger's side electric windows not working with normal wires in both Astra G Electric Windows Not Working If you don’t hear or see any movement when you press the button, the problem is likely electrical rather. Assuming you have a astra h, this is from the tricks/tips thread: I found the fuse was blown, but when i replaced it the new fuse blew as soon as it touched the. If you press the button and hold, then. Astra G Electric Windows Not Working.
From www.youtube.com
How to replace windshield washer pump on Opel/Vauxhall Astra G 1996 Astra G Electric Windows Not Working There are several reasons that your car’s windows might stop working. If you have issues with your electric windows our guide to common electric window problems & solutions will help in figuring what exactly needs to. Assuming you have a astra h, this is from the tricks/tips thread: I found the fuse was blown, but when i replaced it the. Astra G Electric Windows Not Working.
From giozjcmyn.blob.core.windows.net
Windscreen Washer Not Working Astra at Kerr blog Astra G Electric Windows Not Working My wife's astra's rear electric windows stopped working a few weeks ago. I found the fuse was blown, but when i replaced it the new fuse blew as soon as it touched the. If you press the button and hold, then release, it doesn’t go all the way up. So my drivers side electric window doesn’t work fully. If you. Astra G Electric Windows Not Working.
From mvujefqschematic.z21.web.core.windows.net
Converting Manual Windows To Electric Astra G Electric Windows Not Working If you press the button and hold, then release, it doesn’t go all the way up. There are several reasons that your car’s windows might stop working. This is most likely to be related to your ignition switch problem. My wife's astra's rear electric windows stopped working a few weeks ago. I found the fuse was blown, but when i. Astra G Electric Windows Not Working.
From www.youtube.com
How to Diagnose a Failed Electric Window. Electric Window not working Astra G Electric Windows Not Working If you have issues with your electric windows our guide to common electric window problems & solutions will help in figuring what exactly needs to. If you press the button and hold, then release, it doesn’t go all the way up. This is most likely to be related to your ignition switch problem. So my drivers side electric window doesn’t. Astra G Electric Windows Not Working.
From automotiveglory.com
Volkswagen Electric Windows Not Working [Causes & Proven Solutions Astra G Electric Windows Not Working There are several reasons that your car’s windows might stop working. If you press the button and hold, then release, it doesn’t go all the way up. So my drivers side electric window doesn’t work fully. I found the fuse was blown, but when i replaced it the new fuse blew as soon as it touched the. If you don’t. Astra G Electric Windows Not Working.
From www.briskoda.net
passenger's side electric windows not working with normal wires in both Astra G Electric Windows Not Working Assuming you have a astra h, this is from the tricks/tips thread: I found the fuse was blown, but when i replaced it the new fuse blew as soon as it touched the. My wife's astra's rear electric windows stopped working a few weeks ago. If you have issues with your electric windows our guide to common electric window problems. Astra G Electric Windows Not Working.
From fusesdiagram.com
Fuse and relay box diagram Opel/Vauxhall Astra G Astra G Electric Windows Not Working Assuming you have a astra h, this is from the tricks/tips thread: My wife's astra's rear electric windows stopped working a few weeks ago. This is most likely to be related to your ignition switch problem. I found the fuse was blown, but when i replaced it the new fuse blew as soon as it touched the. If you press. Astra G Electric Windows Not Working.
From www.2carpros.com
Electric Windows Not Working? My Truck Has An Electrical Issue. I... Astra G Electric Windows Not Working Assuming you have a astra h, this is from the tricks/tips thread: There are several reasons that your car’s windows might stop working. This is most likely to be related to your ignition switch problem. If you press the button and hold, then release, it doesn’t go all the way up. If you don’t hear or see any movement when. Astra G Electric Windows Not Working.
From elektrotanya.com
OPEL ASTRA G WIRING SCHEMATIC Service Manual download, schematics Astra G Electric Windows Not Working There are several reasons that your car’s windows might stop working. So my drivers side electric window doesn’t work fully. If you don’t hear or see any movement when you press the button, the problem is likely electrical rather. My wife's astra's rear electric windows stopped working a few weeks ago. Assuming you have a astra h, this is from. Astra G Electric Windows Not Working.
From www.youtube.com
Power window not working/CIRCUITE DIAGRAM/TYPICAL safety power window Astra G Electric Windows Not Working If you don’t hear or see any movement when you press the button, the problem is likely electrical rather. This is most likely to be related to your ignition switch problem. I found the fuse was blown, but when i replaced it the new fuse blew as soon as it touched the. My wife's astra's rear electric windows stopped working. Astra G Electric Windows Not Working.
From playeur.com
Car electric window not working how to test it and fix power windows Astra G Electric Windows Not Working There are several reasons that your car’s windows might stop working. My wife's astra's rear electric windows stopped working a few weeks ago. Assuming you have a astra h, this is from the tricks/tips thread: If you don’t hear or see any movement when you press the button, the problem is likely electrical rather. If you press the button and. Astra G Electric Windows Not Working.
From www.youtube.com
Vauxhall Astra h 2009 windows not working ( mirrors stopped working Astra G Electric Windows Not Working If you press the button and hold, then release, it doesn’t go all the way up. So my drivers side electric window doesn’t work fully. If you don’t hear or see any movement when you press the button, the problem is likely electrical rather. My wife's astra's rear electric windows stopped working a few weeks ago. This is most likely. Astra G Electric Windows Not Working.
From studocs.ru
Opel Astra G предохранители и реле Astra G Electric Windows Not Working If you don’t hear or see any movement when you press the button, the problem is likely electrical rather. There are several reasons that your car’s windows might stop working. If you have issues with your electric windows our guide to common electric window problems & solutions will help in figuring what exactly needs to. I found the fuse was. Astra G Electric Windows Not Working.
From www.2carpros.com
Power Windows Do Not Work, Can I Get the Wiring Diagram? Astra G Electric Windows Not Working This is most likely to be related to your ignition switch problem. There are several reasons that your car’s windows might stop working. If you press the button and hold, then release, it doesn’t go all the way up. Assuming you have a astra h, this is from the tricks/tips thread: If you have issues with your electric windows our. Astra G Electric Windows Not Working.
From www.clubopel.com
Scheme electrice Astra G Astra G Electric Windows Not Working There are several reasons that your car’s windows might stop working. So my drivers side electric window doesn’t work fully. I found the fuse was blown, but when i replaced it the new fuse blew as soon as it touched the. If you don’t hear or see any movement when you press the button, the problem is likely electrical rather.. Astra G Electric Windows Not Working.
From www.aliexpress.com
Nevosa93350571ElectricPowerWindowControlSwitchForOpelAstraG Astra G Electric Windows Not Working If you press the button and hold, then release, it doesn’t go all the way up. If you don’t hear or see any movement when you press the button, the problem is likely electrical rather. Assuming you have a astra h, this is from the tricks/tips thread: So my drivers side electric window doesn’t work fully. If you have issues. Astra G Electric Windows Not Working.
From giotbfxer.blob.core.windows.net
Audi Electric Windows Not Working at Ruby Dufour blog Astra G Electric Windows Not Working Assuming you have a astra h, this is from the tricks/tips thread: If you don’t hear or see any movement when you press the button, the problem is likely electrical rather. If you press the button and hold, then release, it doesn’t go all the way up. So my drivers side electric window doesn’t work fully. If you have issues. Astra G Electric Windows Not Working.
From www.youtube.com
car power window not work properly how to fix slow up and down power Astra G Electric Windows Not Working If you have issues with your electric windows our guide to common electric window problems & solutions will help in figuring what exactly needs to. There are several reasons that your car’s windows might stop working. Assuming you have a astra h, this is from the tricks/tips thread: So my drivers side electric window doesn’t work fully. I found the. Astra G Electric Windows Not Working.
From guideportaleroli.z4.web.core.windows.net
Converting Manual Windows To Electric Astra G Electric Windows Not Working This is most likely to be related to your ignition switch problem. There are several reasons that your car’s windows might stop working. If you don’t hear or see any movement when you press the button, the problem is likely electrical rather. If you have issues with your electric windows our guide to common electric window problems & solutions will. Astra G Electric Windows Not Working.
From www.2carpros.com
Electric Windows Not Working? My Truck Has An Electrical Issue. I... Astra G Electric Windows Not Working Assuming you have a astra h, this is from the tricks/tips thread: So my drivers side electric window doesn’t work fully. If you don’t hear or see any movement when you press the button, the problem is likely electrical rather. If you press the button and hold, then release, it doesn’t go all the way up. I found the fuse. Astra G Electric Windows Not Working.
From wiringdiagram.2bitboer.com
Opel Astra G Ecu Wiring Diagram Wiring Diagram Astra G Electric Windows Not Working My wife's astra's rear electric windows stopped working a few weeks ago. Assuming you have a astra h, this is from the tricks/tips thread: This is most likely to be related to your ignition switch problem. If you have issues with your electric windows our guide to common electric window problems & solutions will help in figuring what exactly needs. Astra G Electric Windows Not Working.
From www.scribd.com
How To Repair Electric Windows Not Working PDF Switch Electrical Astra G Electric Windows Not Working There are several reasons that your car’s windows might stop working. My wife's astra's rear electric windows stopped working a few weeks ago. If you press the button and hold, then release, it doesn’t go all the way up. So my drivers side electric window doesn’t work fully. Assuming you have a astra h, this is from the tricks/tips thread:. Astra G Electric Windows Not Working.