Clock And Reset Circuit Of 8051 . In this project, i will show you how to design a simple digital clock circuit using 8051 and ds12c887 as well as ds1307 rtc modules. The reset circuitry is shown in the picture above. To create a reset circuit diagram for 8051 microcontroller, you'll need to understand how the device works and what components are needed to achieve a successful reset. Each machine cycle in the 8051 is 12 clock cycles, giving an effective cycle rate at 1 mhz (for a 12 mhz clock) to 3.33 mhz (for the. The reset control circuit is an important part of the reset circuit, as it allows the microcontroller to detect when a reset is required and control its own reset process. The rst pin on the 8051 (pin 9) is connected to a pushbutton and a capacitor (100 uf) in parallel. The crystal circuit in an 8051 microcontroller is a vital component that provides the clock signal necessary for the microcontroller. Learn how to reset an 8051 microcontroller, a common device for various applications, and why it is important for its. To draw the reset circuit of a 8051 microcontroller, engineers must first decide where the reset switch will be placed.
from guidediagramjerfalcons.z19.web.core.windows.net
The reset control circuit is an important part of the reset circuit, as it allows the microcontroller to detect when a reset is required and control its own reset process. The crystal circuit in an 8051 microcontroller is a vital component that provides the clock signal necessary for the microcontroller. To draw the reset circuit of a 8051 microcontroller, engineers must first decide where the reset switch will be placed. To create a reset circuit diagram for 8051 microcontroller, you'll need to understand how the device works and what components are needed to achieve a successful reset. Each machine cycle in the 8051 is 12 clock cycles, giving an effective cycle rate at 1 mhz (for a 12 mhz clock) to 3.33 mhz (for the. The reset circuitry is shown in the picture above. The rst pin on the 8051 (pin 9) is connected to a pushbutton and a capacitor (100 uf) in parallel. In this project, i will show you how to design a simple digital clock circuit using 8051 and ds12c887 as well as ds1307 rtc modules. Learn how to reset an 8051 microcontroller, a common device for various applications, and why it is important for its.
Clock And Reset Circuit Of 8051
Clock And Reset Circuit Of 8051 The reset control circuit is an important part of the reset circuit, as it allows the microcontroller to detect when a reset is required and control its own reset process. To create a reset circuit diagram for 8051 microcontroller, you'll need to understand how the device works and what components are needed to achieve a successful reset. Learn how to reset an 8051 microcontroller, a common device for various applications, and why it is important for its. In this project, i will show you how to design a simple digital clock circuit using 8051 and ds12c887 as well as ds1307 rtc modules. The crystal circuit in an 8051 microcontroller is a vital component that provides the clock signal necessary for the microcontroller. Each machine cycle in the 8051 is 12 clock cycles, giving an effective cycle rate at 1 mhz (for a 12 mhz clock) to 3.33 mhz (for the. The reset control circuit is an important part of the reset circuit, as it allows the microcontroller to detect when a reset is required and control its own reset process. To draw the reset circuit of a 8051 microcontroller, engineers must first decide where the reset switch will be placed. The reset circuitry is shown in the picture above. The rst pin on the 8051 (pin 9) is connected to a pushbutton and a capacitor (100 uf) in parallel.
From circuitenginescrump.z19.web.core.windows.net
Clock Circuit Of 8051 Clock And Reset Circuit Of 8051 To create a reset circuit diagram for 8051 microcontroller, you'll need to understand how the device works and what components are needed to achieve a successful reset. Each machine cycle in the 8051 is 12 clock cycles, giving an effective cycle rate at 1 mhz (for a 12 mhz clock) to 3.33 mhz (for the. The reset control circuit is. Clock And Reset Circuit Of 8051.
From www.circuitdiagram.co
Reset Circuit In 8051 Microcontroller Circuit Diagram Clock And Reset Circuit Of 8051 In this project, i will show you how to design a simple digital clock circuit using 8051 and ds12c887 as well as ds1307 rtc modules. Each machine cycle in the 8051 is 12 clock cycles, giving an effective cycle rate at 1 mhz (for a 12 mhz clock) to 3.33 mhz (for the. The rst pin on the 8051 (pin. Clock And Reset Circuit Of 8051.
From www.youtube.com
Crystal Oscillator, Reset Circuit and Memory Organization of 8051 Clock And Reset Circuit Of 8051 In this project, i will show you how to design a simple digital clock circuit using 8051 and ds12c887 as well as ds1307 rtc modules. Learn how to reset an 8051 microcontroller, a common device for various applications, and why it is important for its. To create a reset circuit diagram for 8051 microcontroller, you'll need to understand how the. Clock And Reset Circuit Of 8051.
From www.circuitdiagram.co
Simple Digital Clock Using 8051 Microcontroller At89c51 Circuit Diagram Clock And Reset Circuit Of 8051 The reset control circuit is an important part of the reset circuit, as it allows the microcontroller to detect when a reset is required and control its own reset process. In this project, i will show you how to design a simple digital clock circuit using 8051 and ds12c887 as well as ds1307 rtc modules. Learn how to reset an. Clock And Reset Circuit Of 8051.
From sielito64schematic.z4.web.core.windows.net
Clock Circuit Of 8051 Clock And Reset Circuit Of 8051 In this project, i will show you how to design a simple digital clock circuit using 8051 and ds12c887 as well as ds1307 rtc modules. Each machine cycle in the 8051 is 12 clock cycles, giving an effective cycle rate at 1 mhz (for a 12 mhz clock) to 3.33 mhz (for the. The reset circuitry is shown in the. Clock And Reset Circuit Of 8051.
From electronicsbasedprojects4u.blogspot.com
Electronics Based Projects 4 U LCD CLOCK USING 8051 (89s51 Clock And Reset Circuit Of 8051 In this project, i will show you how to design a simple digital clock circuit using 8051 and ds12c887 as well as ds1307 rtc modules. The reset circuitry is shown in the picture above. Learn how to reset an 8051 microcontroller, a common device for various applications, and why it is important for its. To create a reset circuit diagram. Clock And Reset Circuit Of 8051.
From circuitreset.com
Brief History of Intel 8051 Microcontroller Circuit Reset Clock And Reset Circuit Of 8051 To create a reset circuit diagram for 8051 microcontroller, you'll need to understand how the device works and what components are needed to achieve a successful reset. In this project, i will show you how to design a simple digital clock circuit using 8051 and ds12c887 as well as ds1307 rtc modules. The rst pin on the 8051 (pin 9). Clock And Reset Circuit Of 8051.
From www.electronicshub.org
Digital Clock Circuit using 8051 Microcontroller and DS12C887 Clock And Reset Circuit Of 8051 The reset circuitry is shown in the picture above. To draw the reset circuit of a 8051 microcontroller, engineers must first decide where the reset switch will be placed. To create a reset circuit diagram for 8051 microcontroller, you'll need to understand how the device works and what components are needed to achieve a successful reset. The reset control circuit. Clock And Reset Circuit Of 8051.
From www.circuitdiagram.co
Schematic Diagram Of Microcontroller 8051 Circuit Diagram Clock And Reset Circuit Of 8051 The reset circuitry is shown in the picture above. Each machine cycle in the 8051 is 12 clock cycles, giving an effective cycle rate at 1 mhz (for a 12 mhz clock) to 3.33 mhz (for the. Learn how to reset an 8051 microcontroller, a common device for various applications, and why it is important for its. The crystal circuit. Clock And Reset Circuit Of 8051.
From www.circuitdiagram.co
Draw Clock Circuit Of 8051 Microcontroller Circuit Diagram Clock And Reset Circuit Of 8051 The reset circuitry is shown in the picture above. Each machine cycle in the 8051 is 12 clock cycles, giving an effective cycle rate at 1 mhz (for a 12 mhz clock) to 3.33 mhz (for the. The reset control circuit is an important part of the reset circuit, as it allows the microcontroller to detect when a reset is. Clock And Reset Circuit Of 8051.
From www.circuitdiagram.co
Reset Circuit For 8051 Microcontroller Circuit Diagram Clock And Reset Circuit Of 8051 In this project, i will show you how to design a simple digital clock circuit using 8051 and ds12c887 as well as ds1307 rtc modules. The crystal circuit in an 8051 microcontroller is a vital component that provides the clock signal necessary for the microcontroller. Each machine cycle in the 8051 is 12 clock cycles, giving an effective cycle rate. Clock And Reset Circuit Of 8051.
From fixenginestockings.z21.web.core.windows.net
Clock And Reset Circuit Of 8051 Clock And Reset Circuit Of 8051 To create a reset circuit diagram for 8051 microcontroller, you'll need to understand how the device works and what components are needed to achieve a successful reset. Learn how to reset an 8051 microcontroller, a common device for various applications, and why it is important for its. The reset control circuit is an important part of the reset circuit, as. Clock And Reset Circuit Of 8051.
From microcontrollerslab.com
8051 Microcontroller Pinout, GPIO Pins, Architecture and Features Clock And Reset Circuit Of 8051 To create a reset circuit diagram for 8051 microcontroller, you'll need to understand how the device works and what components are needed to achieve a successful reset. The rst pin on the 8051 (pin 9) is connected to a pushbutton and a capacitor (100 uf) in parallel. To draw the reset circuit of a 8051 microcontroller, engineers must first decide. Clock And Reset Circuit Of 8051.
From www.slideserve.com
PPT The 8051 Microcontroller PowerPoint Presentation, free download Clock And Reset Circuit Of 8051 Learn how to reset an 8051 microcontroller, a common device for various applications, and why it is important for its. To draw the reset circuit of a 8051 microcontroller, engineers must first decide where the reset switch will be placed. The reset circuitry is shown in the picture above. To create a reset circuit diagram for 8051 microcontroller, you'll need. Clock And Reset Circuit Of 8051.
From www.youtube.com
8051 RESET CIRCUIT(Power On and Manual) YouTube Clock And Reset Circuit Of 8051 In this project, i will show you how to design a simple digital clock circuit using 8051 and ds12c887 as well as ds1307 rtc modules. To create a reset circuit diagram for 8051 microcontroller, you'll need to understand how the device works and what components are needed to achieve a successful reset. To draw the reset circuit of a 8051. Clock And Reset Circuit Of 8051.
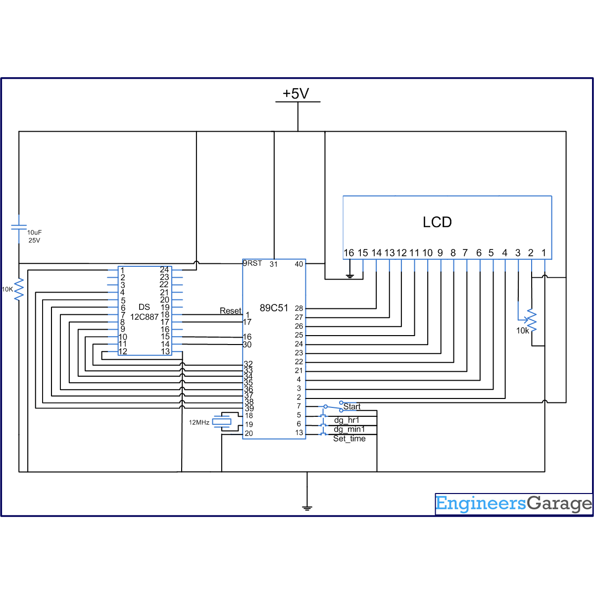
From www.engineersgarage.com
Digital clock using RTC DS12C887 and 8051 microcontroller (AT89C51 Clock And Reset Circuit Of 8051 To draw the reset circuit of a 8051 microcontroller, engineers must first decide where the reset switch will be placed. Learn how to reset an 8051 microcontroller, a common device for various applications, and why it is important for its. In this project, i will show you how to design a simple digital clock circuit using 8051 and ds12c887 as. Clock And Reset Circuit Of 8051.
From guidediagramjerfalcons.z19.web.core.windows.net
Clock And Reset Circuit Of 8051 Clock And Reset Circuit Of 8051 Learn how to reset an 8051 microcontroller, a common device for various applications, and why it is important for its. To create a reset circuit diagram for 8051 microcontroller, you'll need to understand how the device works and what components are needed to achieve a successful reset. Each machine cycle in the 8051 is 12 clock cycles, giving an effective. Clock And Reset Circuit Of 8051.
From www.youtube.com
Oscillator and clock circuit of 8051 YouTube Clock And Reset Circuit Of 8051 To draw the reset circuit of a 8051 microcontroller, engineers must first decide where the reset switch will be placed. To create a reset circuit diagram for 8051 microcontroller, you'll need to understand how the device works and what components are needed to achieve a successful reset. The reset control circuit is an important part of the reset circuit, as. Clock And Reset Circuit Of 8051.
From www.engineersgarage.com
Digital Clock with time set option using seven segment and 8051 Clock And Reset Circuit Of 8051 The reset circuitry is shown in the picture above. The reset control circuit is an important part of the reset circuit, as it allows the microcontroller to detect when a reset is required and control its own reset process. To create a reset circuit diagram for 8051 microcontroller, you'll need to understand how the device works and what components are. Clock And Reset Circuit Of 8051.
From www.circuitstoday.com
Build Real Time Clock using 8051 and DS1307 RTC Module Clock And Reset Circuit Of 8051 Each machine cycle in the 8051 is 12 clock cycles, giving an effective cycle rate at 1 mhz (for a 12 mhz clock) to 3.33 mhz (for the. The reset circuitry is shown in the picture above. The crystal circuit in an 8051 microcontroller is a vital component that provides the clock signal necessary for the microcontroller. The reset control. Clock And Reset Circuit Of 8051.
From www.youtube.com
Reset Circuit and Power on Reset circuit of 8051 Microcontroller YouTube Clock And Reset Circuit Of 8051 The reset control circuit is an important part of the reset circuit, as it allows the microcontroller to detect when a reset is required and control its own reset process. Learn how to reset an 8051 microcontroller, a common device for various applications, and why it is important for its. In this project, i will show you how to design. Clock And Reset Circuit Of 8051.
From www.youtube.com
Digital clock using 8051 microcontroller Part1 YouTube Clock And Reset Circuit Of 8051 The crystal circuit in an 8051 microcontroller is a vital component that provides the clock signal necessary for the microcontroller. The rst pin on the 8051 (pin 9) is connected to a pushbutton and a capacitor (100 uf) in parallel. In this project, i will show you how to design a simple digital clock circuit using 8051 and ds12c887 as. Clock And Reset Circuit Of 8051.
From fixenginestockings.z21.web.core.windows.net
Draw Reset Circuit Of 8051 Microcontroller Clock And Reset Circuit Of 8051 Each machine cycle in the 8051 is 12 clock cycles, giving an effective cycle rate at 1 mhz (for a 12 mhz clock) to 3.33 mhz (for the. To create a reset circuit diagram for 8051 microcontroller, you'll need to understand how the device works and what components are needed to achieve a successful reset. The crystal circuit in an. Clock And Reset Circuit Of 8051.
From www.circuitdiagram.co
Reset Circuit In 8051 Microcontroller Circuit Diagram Clock And Reset Circuit Of 8051 To draw the reset circuit of a 8051 microcontroller, engineers must first decide where the reset switch will be placed. The crystal circuit in an 8051 microcontroller is a vital component that provides the clock signal necessary for the microcontroller. Learn how to reset an 8051 microcontroller, a common device for various applications, and why it is important for its.. Clock And Reset Circuit Of 8051.
From enginelibnatalie.z21.web.core.windows.net
8051 Microcontroller Kit Circuit Diagram Clock And Reset Circuit Of 8051 To draw the reset circuit of a 8051 microcontroller, engineers must first decide where the reset switch will be placed. To create a reset circuit diagram for 8051 microcontroller, you'll need to understand how the device works and what components are needed to achieve a successful reset. Each machine cycle in the 8051 is 12 clock cycles, giving an effective. Clock And Reset Circuit Of 8051.
From circuitreset.com
Brief History of Intel 8051 Microcontroller Circuit Reset Clock And Reset Circuit Of 8051 The reset circuitry is shown in the picture above. In this project, i will show you how to design a simple digital clock circuit using 8051 and ds12c887 as well as ds1307 rtc modules. To create a reset circuit diagram for 8051 microcontroller, you'll need to understand how the device works and what components are needed to achieve a successful. Clock And Reset Circuit Of 8051.
From fixenginestockings.z21.web.core.windows.net
8051 Reset Circuit Diagram Clock And Reset Circuit Of 8051 The reset circuitry is shown in the picture above. To draw the reset circuit of a 8051 microcontroller, engineers must first decide where the reset switch will be placed. The rst pin on the 8051 (pin 9) is connected to a pushbutton and a capacitor (100 uf) in parallel. Each machine cycle in the 8051 is 12 clock cycles, giving. Clock And Reset Circuit Of 8051.
From wiringlibraryjames.z21.web.core.windows.net
8051 Digital Clock Circuit Diagram Clock And Reset Circuit Of 8051 The reset circuitry is shown in the picture above. The rst pin on the 8051 (pin 9) is connected to a pushbutton and a capacitor (100 uf) in parallel. The crystal circuit in an 8051 microcontroller is a vital component that provides the clock signal necessary for the microcontroller. Each machine cycle in the 8051 is 12 clock cycles, giving. Clock And Reset Circuit Of 8051.
From www.wiringhow.com
Reset Circuit In 8051 Microcontroller Wiring How Clock And Reset Circuit Of 8051 Learn how to reset an 8051 microcontroller, a common device for various applications, and why it is important for its. The crystal circuit in an 8051 microcontroller is a vital component that provides the clock signal necessary for the microcontroller. The reset circuitry is shown in the picture above. To create a reset circuit diagram for 8051 microcontroller, you'll need. Clock And Reset Circuit Of 8051.
From circuitdigest.com
Digital Clock using 8051 Microcontroller with RTC DS1307 Clock And Reset Circuit Of 8051 The reset control circuit is an important part of the reset circuit, as it allows the microcontroller to detect when a reset is required and control its own reset process. The crystal circuit in an 8051 microcontroller is a vital component that provides the clock signal necessary for the microcontroller. Each machine cycle in the 8051 is 12 clock cycles,. Clock And Reset Circuit Of 8051.
From www.circuitdiagram.co
Oscillator Circuit Of 8051 Microcontroller Circuit Diagram Clock And Reset Circuit Of 8051 The reset control circuit is an important part of the reset circuit, as it allows the microcontroller to detect when a reset is required and control its own reset process. To create a reset circuit diagram for 8051 microcontroller, you'll need to understand how the device works and what components are needed to achieve a successful reset. The rst pin. Clock And Reset Circuit Of 8051.
From www.youtube.com
8051 Circuit Explanation YouTube Clock And Reset Circuit Of 8051 Learn how to reset an 8051 microcontroller, a common device for various applications, and why it is important for its. Each machine cycle in the 8051 is 12 clock cycles, giving an effective cycle rate at 1 mhz (for a 12 mhz clock) to 3.33 mhz (for the. The reset control circuit is an important part of the reset circuit,. Clock And Reset Circuit Of 8051.
From fixenginestockings.z21.web.core.windows.net
Clock And Reset Circuit Of 8051 Clock And Reset Circuit Of 8051 The rst pin on the 8051 (pin 9) is connected to a pushbutton and a capacitor (100 uf) in parallel. To draw the reset circuit of a 8051 microcontroller, engineers must first decide where the reset switch will be placed. To create a reset circuit diagram for 8051 microcontroller, you'll need to understand how the device works and what components. Clock And Reset Circuit Of 8051.
From www.electronicshub.org
Digital Clock Circuit using 8051 Microcontroller and DS12C887 Clock And Reset Circuit Of 8051 The crystal circuit in an 8051 microcontroller is a vital component that provides the clock signal necessary for the microcontroller. In this project, i will show you how to design a simple digital clock circuit using 8051 and ds12c887 as well as ds1307 rtc modules. The rst pin on the 8051 (pin 9) is connected to a pushbutton and a. Clock And Reset Circuit Of 8051.
From 8051microcontrollerfamily.blogspot.com
Clock circuit of 8051 Microcontroller Family Clock And Reset Circuit Of 8051 Each machine cycle in the 8051 is 12 clock cycles, giving an effective cycle rate at 1 mhz (for a 12 mhz clock) to 3.33 mhz (for the. The reset circuitry is shown in the picture above. The reset control circuit is an important part of the reset circuit, as it allows the microcontroller to detect when a reset is. Clock And Reset Circuit Of 8051.