Lifting Flange . By eliminating the need to hire a welder to attach a lifting eye to the flange, the tool is. Flange alignment tools assist with leveling and positioning pipe flanges so they can fasten together to form a joint. 1” threaded acme rod for precise alignment. Petol™ flange lifting shackles are designed to securely attach to blind and weld neck flanges providing a safe and effective method of. By eliminating the need to. By eliminating the need to attach a lifting eye to the flange, the tool is both time. The titan flange lifter provides a safe and easy method of installing and removing blind flanges; The petol™ flange lifter provides a safe and easy method of installing and removing blind and weld neck flanges. Petol ™ flange lifting tools are the safest and most efficient way to lift or install blind flanges or weldneck flanges. Shop misumi flange lifters at misumi. Misumi offers free cad download, short lead times and competitive pricing. Quote and order online today! The flange lifter provides a safe and easy method of installing and removing blind and weld neck flanges.
from www.heliosequipment.ca
The petol™ flange lifter provides a safe and easy method of installing and removing blind and weld neck flanges. Petol™ flange lifting shackles are designed to securely attach to blind and weld neck flanges providing a safe and effective method of. 1” threaded acme rod for precise alignment. By eliminating the need to attach a lifting eye to the flange, the tool is both time. The flange lifter provides a safe and easy method of installing and removing blind and weld neck flanges. Flange alignment tools assist with leveling and positioning pipe flanges so they can fasten together to form a joint. Misumi offers free cad download, short lead times and competitive pricing. The titan flange lifter provides a safe and easy method of installing and removing blind flanges; By eliminating the need to hire a welder to attach a lifting eye to the flange, the tool is. Petol ™ flange lifting tools are the safest and most efficient way to lift or install blind flanges or weldneck flanges.
API 6A Type 6B/6BX Flanges Helios (Canada) Oil and Gas Equipment
Lifting Flange Quote and order online today! Flange alignment tools assist with leveling and positioning pipe flanges so they can fasten together to form a joint. By eliminating the need to attach a lifting eye to the flange, the tool is both time. Quote and order online today! The petol™ flange lifter provides a safe and easy method of installing and removing blind and weld neck flanges. The flange lifter provides a safe and easy method of installing and removing blind and weld neck flanges. By eliminating the need to hire a welder to attach a lifting eye to the flange, the tool is. The titan flange lifter provides a safe and easy method of installing and removing blind flanges; 1” threaded acme rod for precise alignment. Petol™ flange lifting shackles are designed to securely attach to blind and weld neck flanges providing a safe and effective method of. Petol ™ flange lifting tools are the safest and most efficient way to lift or install blind flanges or weldneck flanges. By eliminating the need to. Misumi offers free cad download, short lead times and competitive pricing. Shop misumi flange lifters at misumi.
From bodavalve.en.made-in-china.com
H12W6p DN80 Stainless Steel Lifting Flange Bottom Valve China Lifting Flange The titan flange lifter provides a safe and easy method of installing and removing blind flanges; By eliminating the need to attach a lifting eye to the flange, the tool is both time. Petol™ flange lifting shackles are designed to securely attach to blind and weld neck flanges providing a safe and effective method of. The petol™ flange lifter provides. Lifting Flange.
From gtbolt.en.made-in-china.com
Uns N08031 4676.0 D8 100 En1662 Ta 5 Lifting Flange Bolt China DIN Lifting Flange 1” threaded acme rod for precise alignment. Flange alignment tools assist with leveling and positioning pipe flanges so they can fasten together to form a joint. By eliminating the need to attach a lifting eye to the flange, the tool is both time. Quote and order online today! The titan flange lifter provides a safe and easy method of installing. Lifting Flange.
From www.scribd.com
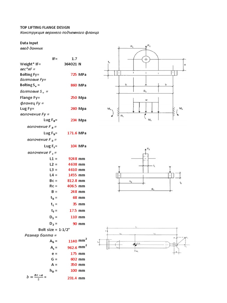
Top Lifting Flange Design PDF Solid Mechanics Elasticity (Physics) Lifting Flange By eliminating the need to hire a welder to attach a lifting eye to the flange, the tool is. Petol™ flange lifting shackles are designed to securely attach to blind and weld neck flanges providing a safe and effective method of. Shop misumi flange lifters at misumi. The petol™ flange lifter provides a safe and easy method of installing and. Lifting Flange.
From smptools.com
PETOL FLANGE LIFTER TOOLS SMP Tools Lifting Flange By eliminating the need to attach a lifting eye to the flange, the tool is both time. Misumi offers free cad download, short lead times and competitive pricing. By eliminating the need to. Flange alignment tools assist with leveling and positioning pipe flanges so they can fasten together to form a joint. Shop misumi flange lifters at misumi. By eliminating. Lifting Flange.
From seiken.com.sg
Lifting Flange Model (MF) Lifting Flange Quote and order online today! The titan flange lifter provides a safe and easy method of installing and removing blind flanges; Petol™ flange lifting shackles are designed to securely attach to blind and weld neck flanges providing a safe and effective method of. Shop misumi flange lifters at misumi. By eliminating the need to attach a lifting eye to the. Lifting Flange.
From www.youtube.com
Flange Lifter Blind Install YouTube Lifting Flange Petol ™ flange lifting tools are the safest and most efficient way to lift or install blind flanges or weldneck flanges. The flange lifter provides a safe and easy method of installing and removing blind and weld neck flanges. 1” threaded acme rod for precise alignment. Flange alignment tools assist with leveling and positioning pipe flanges so they can fasten. Lifting Flange.
From wwmwinc.com
Adjustable flange lifting tool Worldwide Machining & Welding, Inc. Lifting Flange Misumi offers free cad download, short lead times and competitive pricing. The titan flange lifter provides a safe and easy method of installing and removing blind flanges; By eliminating the need to attach a lifting eye to the flange, the tool is both time. The flange lifter provides a safe and easy method of installing and removing blind and weld. Lifting Flange.
From smptools.com
PETOL FLANGE LIFTER TOOLS SMP Tools Lifting Flange By eliminating the need to hire a welder to attach a lifting eye to the flange, the tool is. Misumi offers free cad download, short lead times and competitive pricing. Petol ™ flange lifting tools are the safest and most efficient way to lift or install blind flanges or weldneck flanges. 1” threaded acme rod for precise alignment. By eliminating. Lifting Flange.
From wwmwinc.com
Adjustable flange lifting tool Worldwide Machining & Welding, Inc. Lifting Flange The titan flange lifter provides a safe and easy method of installing and removing blind flanges; By eliminating the need to hire a welder to attach a lifting eye to the flange, the tool is. Quote and order online today! By eliminating the need to. 1” threaded acme rod for precise alignment. The petol™ flange lifter provides a safe and. Lifting Flange.
From wwmwinc.com
Adjustable flange lifting tool Worldwide Machining & Welding, Inc. Lifting Flange Quote and order online today! 1” threaded acme rod for precise alignment. By eliminating the need to. The petol™ flange lifter provides a safe and easy method of installing and removing blind and weld neck flanges. Petol™ flange lifting shackles are designed to securely attach to blind and weld neck flanges providing a safe and effective method of. Misumi offers. Lifting Flange.
From ccsctech.com
Lifting flange Lifting Flange Shop misumi flange lifters at misumi. Petol ™ flange lifting tools are the safest and most efficient way to lift or install blind flanges or weldneck flanges. The petol™ flange lifter provides a safe and easy method of installing and removing blind and weld neck flanges. Misumi offers free cad download, short lead times and competitive pricing. By eliminating the. Lifting Flange.
From ccsctech.com
Lifting flange Lifting Flange By eliminating the need to hire a welder to attach a lifting eye to the flange, the tool is. Petol™ flange lifting shackles are designed to securely attach to blind and weld neck flanges providing a safe and effective method of. The flange lifter provides a safe and easy method of installing and removing blind and weld neck flanges. 1”. Lifting Flange.
From wwmwinc.com
Adjustable flange lifting tool Worldwide Machining & Welding, Inc. Lifting Flange By eliminating the need to. The petol™ flange lifter provides a safe and easy method of installing and removing blind and weld neck flanges. The titan flange lifter provides a safe and easy method of installing and removing blind flanges; Petol™ flange lifting shackles are designed to securely attach to blind and weld neck flanges providing a safe and effective. Lifting Flange.
From trs-hire.com
FLANGE LIFTING HOOK MANUAL Total Rental Solutions Lifting Flange By eliminating the need to hire a welder to attach a lifting eye to the flange, the tool is. Flange alignment tools assist with leveling and positioning pipe flanges so they can fasten together to form a joint. By eliminating the need to attach a lifting eye to the flange, the tool is both time. The flange lifter provides a. Lifting Flange.
From www.feijih.com.tw
Lifting Flange, Lifting Index and Swing type Lifting Flange Misumi offers free cad download, short lead times and competitive pricing. Quote and order online today! 1” threaded acme rod for precise alignment. Petol ™ flange lifting tools are the safest and most efficient way to lift or install blind flanges or weldneck flanges. By eliminating the need to hire a welder to attach a lifting eye to the flange,. Lifting Flange.
From www.youtube.com
Flange Lifting Tool YouTube Lifting Flange By eliminating the need to hire a welder to attach a lifting eye to the flange, the tool is. Quote and order online today! The flange lifter provides a safe and easy method of installing and removing blind and weld neck flanges. Petol ™ flange lifting tools are the safest and most efficient way to lift or install blind flanges. Lifting Flange.
From ccsctech.com
Pipeline flange solution Lifting Flange Quote and order online today! 1” threaded acme rod for precise alignment. The petol™ flange lifter provides a safe and easy method of installing and removing blind and weld neck flanges. Petol™ flange lifting shackles are designed to securely attach to blind and weld neck flanges providing a safe and effective method of. Shop misumi flange lifters at misumi. By. Lifting Flange.
From wwmwinc.com
Adjustable flange lifting tool Worldwide Machining & Welding, Inc. Lifting Flange By eliminating the need to. Quote and order online today! Petol ™ flange lifting tools are the safest and most efficient way to lift or install blind flanges or weldneck flanges. The titan flange lifter provides a safe and easy method of installing and removing blind flanges; Misumi offers free cad download, short lead times and competitive pricing. Petol™ flange. Lifting Flange.
From smptools.com
PETOL FLANGE LIFTER TOOLS SMP Tools Lifting Flange The petol™ flange lifter provides a safe and easy method of installing and removing blind and weld neck flanges. Petol ™ flange lifting tools are the safest and most efficient way to lift or install blind flanges or weldneck flanges. By eliminating the need to attach a lifting eye to the flange, the tool is both time. By eliminating the. Lifting Flange.
From www.weldflange.com
Spacer ring flange with lifting lug China Hebei Haihao Flange Factory Lifting Flange 1” threaded acme rod for precise alignment. Misumi offers free cad download, short lead times and competitive pricing. The titan flange lifter provides a safe and easy method of installing and removing blind flanges; By eliminating the need to. Shop misumi flange lifters at misumi. Petol™ flange lifting shackles are designed to securely attach to blind and weld neck flanges. Lifting Flange.
From www.toolfetch.com
PetolTitan Blind Flange Lifting Device Bolt Size 3/4" 11/2 Lifting Flange By eliminating the need to hire a welder to attach a lifting eye to the flange, the tool is. Petol ™ flange lifting tools are the safest and most efficient way to lift or install blind flanges or weldneck flanges. By eliminating the need to attach a lifting eye to the flange, the tool is both time. Flange alignment tools. Lifting Flange.
From seiken.com.sg
Lifting Flange Model (MF) Lifting Flange The petol™ flange lifter provides a safe and easy method of installing and removing blind and weld neck flanges. Quote and order online today! Petol™ flange lifting shackles are designed to securely attach to blind and weld neck flanges providing a safe and effective method of. The titan flange lifter provides a safe and easy method of installing and removing. Lifting Flange.
From www.houlderltd.com
Flanged Jacket Lifting Tool Houlder Lifting Flange The titan flange lifter provides a safe and easy method of installing and removing blind flanges; Petol ™ flange lifting tools are the safest and most efficient way to lift or install blind flanges or weldneck flanges. By eliminating the need to hire a welder to attach a lifting eye to the flange, the tool is. The flange lifter provides. Lifting Flange.
From www.de.shop.fibro.com
Lifting flanges with bolt with safety ring Lifting Flange Shop misumi flange lifters at misumi. By eliminating the need to hire a welder to attach a lifting eye to the flange, the tool is. 1” threaded acme rod for precise alignment. By eliminating the need to attach a lifting eye to the flange, the tool is both time. The flange lifter provides a safe and easy method of installing. Lifting Flange.
From ritmindustry.com
Adjustable lifting beam / aluminum / wideflange RITM Industry Lifting Flange The flange lifter provides a safe and easy method of installing and removing blind and weld neck flanges. Petol ™ flange lifting tools are the safest and most efficient way to lift or install blind flanges or weldneck flanges. Misumi offers free cad download, short lead times and competitive pricing. Petol™ flange lifting shackles are designed to securely attach to. Lifting Flange.
From www.youtube.com
Tool durability check for blind flange lifting tool YouTube Lifting Flange Petol™ flange lifting shackles are designed to securely attach to blind and weld neck flanges providing a safe and effective method of. The titan flange lifter provides a safe and easy method of installing and removing blind flanges; 1” threaded acme rod for precise alignment. By eliminating the need to hire a welder to attach a lifting eye to the. Lifting Flange.
From wwmwinc.com
Adjustable flange lifting tool Worldwide Machining & Welding, Inc. Lifting Flange Flange alignment tools assist with leveling and positioning pipe flanges so they can fasten together to form a joint. Petol™ flange lifting shackles are designed to securely attach to blind and weld neck flanges providing a safe and effective method of. Misumi offers free cad download, short lead times and competitive pricing. The petol™ flange lifter provides a safe and. Lifting Flange.
From www.jmesales.com
PETOL™ FLS3 Flange Lifting Shackle, Fits 5/8" Min. Bolt Size Lifting Flange By eliminating the need to hire a welder to attach a lifting eye to the flange, the tool is. By eliminating the need to. 1” threaded acme rod for precise alignment. Quote and order online today! Flange alignment tools assist with leveling and positioning pipe flanges so they can fasten together to form a joint. Shop misumi flange lifters at. Lifting Flange.
From wwmwinc.com
Adjustable Lifting Tool WorldWide Machining & Welding Lifting Flange Flange alignment tools assist with leveling and positioning pipe flanges so they can fasten together to form a joint. The petol™ flange lifter provides a safe and easy method of installing and removing blind and weld neck flanges. Misumi offers free cad download, short lead times and competitive pricing. The titan flange lifter provides a safe and easy method of. Lifting Flange.
From www.toolfetch.com
PetolTitan Blind Flange Lifting Device Bolt Size 3/4" 11/2 Lifting Flange Misumi offers free cad download, short lead times and competitive pricing. By eliminating the need to. Shop misumi flange lifters at misumi. The petol™ flange lifter provides a safe and easy method of installing and removing blind and weld neck flanges. By eliminating the need to attach a lifting eye to the flange, the tool is both time. 1” threaded. Lifting Flange.
From www.de.shop.fibro.com
Lifting flanges with bolt with safety ring Lifting Flange Misumi offers free cad download, short lead times and competitive pricing. By eliminating the need to attach a lifting eye to the flange, the tool is both time. Shop misumi flange lifters at misumi. Flange alignment tools assist with leveling and positioning pipe flanges so they can fasten together to form a joint. 1” threaded acme rod for precise alignment.. Lifting Flange.
From wwmwinc.com
Adjustable flange lifting tool Worldwide Machining & Welding, Inc. Lifting Flange The petol™ flange lifter provides a safe and easy method of installing and removing blind and weld neck flanges. Quote and order online today! By eliminating the need to hire a welder to attach a lifting eye to the flange, the tool is. By eliminating the need to. Misumi offers free cad download, short lead times and competitive pricing. Petol. Lifting Flange.
From www.heliosequipment.ca
API 6A Type 6B/6BX Flanges Helios (Canada) Oil and Gas Equipment Lifting Flange 1” threaded acme rod for precise alignment. The titan flange lifter provides a safe and easy method of installing and removing blind flanges; The petol™ flange lifter provides a safe and easy method of installing and removing blind and weld neck flanges. By eliminating the need to hire a welder to attach a lifting eye to the flange, the tool. Lifting Flange.
From www.weldflange.com
Welded requirement for large size flange China Hebei Haihao Flange Lifting Flange By eliminating the need to. The petol™ flange lifter provides a safe and easy method of installing and removing blind and weld neck flanges. Quote and order online today! Petol™ flange lifting shackles are designed to securely attach to blind and weld neck flanges providing a safe and effective method of. The flange lifter provides a safe and easy method. Lifting Flange.
From www.de.shop.fibro.com
2133.15. Lifting flange with bolt with safety ring, with feather key Lifting Flange The titan flange lifter provides a safe and easy method of installing and removing blind flanges; Misumi offers free cad download, short lead times and competitive pricing. The petol™ flange lifter provides a safe and easy method of installing and removing blind and weld neck flanges. Quote and order online today! By eliminating the need to. The flange lifter provides. Lifting Flange.