Valve Drive Electronics . this article will review different types of control systems and configurations available to electrically operate valves, which some. Digital hydraulics technology for directional, flow and pressure valves with or without transducer. the d638 and d639 series valves, sizes 03 and 05 are direct drive servo valves. the l9352b is designed to drive inductive loads in low side configurations like hydraulic valves used in abs/esc systems. the lynch family of digital display proportional valve drivers offers accurate and intuitive proportional control of an output current to a proportional valve from a. controlling the speed, fan, clutch, or cylinder in a hydraulic system can be automated simply and easily with our line of. digital valve controllers meets your process reliability and performance goals by bringing intelligence to your entire valve assembly. the valve driver provides precise, repeatable electronic control of 5 proprotional or on/off hydraulic valves in response to can.
from www.pipajaya.com
the l9352b is designed to drive inductive loads in low side configurations like hydraulic valves used in abs/esc systems. Digital hydraulics technology for directional, flow and pressure valves with or without transducer. the d638 and d639 series valves, sizes 03 and 05 are direct drive servo valves. digital valve controllers meets your process reliability and performance goals by bringing intelligence to your entire valve assembly. controlling the speed, fan, clutch, or cylinder in a hydraulic system can be automated simply and easily with our line of. the valve driver provides precise, repeatable electronic control of 5 proprotional or on/off hydraulic valves in response to can. the lynch family of digital display proportional valve drivers offers accurate and intuitive proportional control of an output current to a proportional valve from a. this article will review different types of control systems and configurations available to electrically operate valves, which some.
solenoid valve arduino Arduino mosfet solenoid switch control using
Valve Drive Electronics the lynch family of digital display proportional valve drivers offers accurate and intuitive proportional control of an output current to a proportional valve from a. controlling the speed, fan, clutch, or cylinder in a hydraulic system can be automated simply and easily with our line of. this article will review different types of control systems and configurations available to electrically operate valves, which some. the l9352b is designed to drive inductive loads in low side configurations like hydraulic valves used in abs/esc systems. Digital hydraulics technology for directional, flow and pressure valves with or without transducer. digital valve controllers meets your process reliability and performance goals by bringing intelligence to your entire valve assembly. the valve driver provides precise, repeatable electronic control of 5 proprotional or on/off hydraulic valves in response to can. the d638 and d639 series valves, sizes 03 and 05 are direct drive servo valves. the lynch family of digital display proportional valve drivers offers accurate and intuitive proportional control of an output current to a proportional valve from a.
From www.indiamart.com
Varian DK9810 High Voltage Valve Drive Board at Rs 1000 in Bhavnagar Valve Drive Electronics Digital hydraulics technology for directional, flow and pressure valves with or without transducer. the lynch family of digital display proportional valve drivers offers accurate and intuitive proportional control of an output current to a proportional valve from a. controlling the speed, fan, clutch, or cylinder in a hydraulic system can be automated simply and easily with our line. Valve Drive Electronics.
From hudebnibazar.cz
EBS Valve Drive Valve Drive Electronics this article will review different types of control systems and configurations available to electrically operate valves, which some. the lynch family of digital display proportional valve drivers offers accurate and intuitive proportional control of an output current to a proportional valve from a. Digital hydraulics technology for directional, flow and pressure valves with or without transducer. controlling. Valve Drive Electronics.
From www.smd.co.uk
Hydraulic valve packs Curvetech SMD Valve Drive Electronics the valve driver provides precise, repeatable electronic control of 5 proprotional or on/off hydraulic valves in response to can. the d638 and d639 series valves, sizes 03 and 05 are direct drive servo valves. the lynch family of digital display proportional valve drivers offers accurate and intuitive proportional control of an output current to a proportional valve. Valve Drive Electronics.
From actuatedvalvesupplies.com
Actuated Valve Motorized Ball Valve AVA Actuator Smart ModelDPS Valve Drive Electronics the d638 and d639 series valves, sizes 03 and 05 are direct drive servo valves. this article will review different types of control systems and configurations available to electrically operate valves, which some. the lynch family of digital display proportional valve drivers offers accurate and intuitive proportional control of an output current to a proportional valve from. Valve Drive Electronics.
From www.gear4music.it
EBS Valve Drive DI Professional Bass Tube Preamp Nearly New Gear4music Valve Drive Electronics Digital hydraulics technology for directional, flow and pressure valves with or without transducer. this article will review different types of control systems and configurations available to electrically operate valves, which some. the lynch family of digital display proportional valve drivers offers accurate and intuitive proportional control of an output current to a proportional valve from a. the. Valve Drive Electronics.
From www.valve.cz
Electric actuated flange ball valves valve.cz Valve Drive Electronics this article will review different types of control systems and configurations available to electrically operate valves, which some. digital valve controllers meets your process reliability and performance goals by bringing intelligence to your entire valve assembly. Digital hydraulics technology for directional, flow and pressure valves with or without transducer. controlling the speed, fan, clutch, or cylinder in. Valve Drive Electronics.
From www.sanhuaeurope.com
New Electronic Expansion Valve Controller SEC60X Valve Drive Electronics digital valve controllers meets your process reliability and performance goals by bringing intelligence to your entire valve assembly. the lynch family of digital display proportional valve drivers offers accurate and intuitive proportional control of an output current to a proportional valve from a. the valve driver provides precise, repeatable electronic control of 5 proprotional or on/off hydraulic. Valve Drive Electronics.
From www.mdpi.com
Information Free FullText Design and Comparative Study of Advanced Valve Drive Electronics this article will review different types of control systems and configurations available to electrically operate valves, which some. digital valve controllers meets your process reliability and performance goals by bringing intelligence to your entire valve assembly. the lynch family of digital display proportional valve drivers offers accurate and intuitive proportional control of an output current to a. Valve Drive Electronics.
From www.vrogue.co
Solenoid Valve Symbols Explained Solenoid Valves Desc vrogue.co Valve Drive Electronics the lynch family of digital display proportional valve drivers offers accurate and intuitive proportional control of an output current to a proportional valve from a. digital valve controllers meets your process reliability and performance goals by bringing intelligence to your entire valve assembly. the d638 and d639 series valves, sizes 03 and 05 are direct drive servo. Valve Drive Electronics.
From actuatedvalvesupplies.com
Genebre Electric Stainless Steel Ball Valve with AVA Basic Actuator Valve Drive Electronics the valve driver provides precise, repeatable electronic control of 5 proprotional or on/off hydraulic valves in response to can. this article will review different types of control systems and configurations available to electrically operate valves, which some. the lynch family of digital display proportional valve drivers offers accurate and intuitive proportional control of an output current to. Valve Drive Electronics.
From www.wizardswarehouse.com
Electronic Valve Assembly Wizard's Warehouse Valve Drive Electronics the valve driver provides precise, repeatable electronic control of 5 proprotional or on/off hydraulic valves in response to can. controlling the speed, fan, clutch, or cylinder in a hydraulic system can be automated simply and easily with our line of. the l9352b is designed to drive inductive loads in low side configurations like hydraulic valves used in. Valve Drive Electronics.
From www.pipajaya.com
solenoid valve arduino relay code Controlling a solenoid valve from an Valve Drive Electronics Digital hydraulics technology for directional, flow and pressure valves with or without transducer. digital valve controllers meets your process reliability and performance goals by bringing intelligence to your entire valve assembly. this article will review different types of control systems and configurations available to electrically operate valves, which some. controlling the speed, fan, clutch, or cylinder in. Valve Drive Electronics.
From www.sanhuaeurope.com
Electronic Expansion Valve Controller SEC611 series Valve Drive Electronics the valve driver provides precise, repeatable electronic control of 5 proprotional or on/off hydraulic valves in response to can. digital valve controllers meets your process reliability and performance goals by bringing intelligence to your entire valve assembly. the d638 and d639 series valves, sizes 03 and 05 are direct drive servo valves. the l9352b is designed. Valve Drive Electronics.
From www.carelparts.com
Carel E3V45SWR00 Electronic Expansion Valve Valve Drive Electronics the valve driver provides precise, repeatable electronic control of 5 proprotional or on/off hydraulic valves in response to can. the lynch family of digital display proportional valve drivers offers accurate and intuitive proportional control of an output current to a proportional valve from a. digital valve controllers meets your process reliability and performance goals by bringing intelligence. Valve Drive Electronics.
From actuatedvalvesupplies.com
Actuated Valve Motorized Ball Valve Cepex Extreme PVC Ball Valves Valve Drive Electronics the lynch family of digital display proportional valve drivers offers accurate and intuitive proportional control of an output current to a proportional valve from a. controlling the speed, fan, clutch, or cylinder in a hydraulic system can be automated simply and easily with our line of. digital valve controllers meets your process reliability and performance goals by. Valve Drive Electronics.
From livelouder.co.uk
Blackstar Dept.10 Dual Drive Valve Pedal Live Louder Valve Drive Electronics the valve driver provides precise, repeatable electronic control of 5 proprotional or on/off hydraulic valves in response to can. digital valve controllers meets your process reliability and performance goals by bringing intelligence to your entire valve assembly. this article will review different types of control systems and configurations available to electrically operate valves, which some. the. Valve Drive Electronics.
From www.gear4music.pt
EBS Valve Drive DI Professional Bass Tube Preamp Secondhand na Valve Drive Electronics Digital hydraulics technology for directional, flow and pressure valves with or without transducer. the d638 and d639 series valves, sizes 03 and 05 are direct drive servo valves. this article will review different types of control systems and configurations available to electrically operate valves, which some. the lynch family of digital display proportional valve drivers offers accurate. Valve Drive Electronics.
From www.eeworldonline.com
Electronic engines valves an idea whose time has come … and gone Valve Drive Electronics the lynch family of digital display proportional valve drivers offers accurate and intuitive proportional control of an output current to a proportional valve from a. the valve driver provides precise, repeatable electronic control of 5 proprotional or on/off hydraulic valves in response to can. Digital hydraulics technology for directional, flow and pressure valves with or without transducer. . Valve Drive Electronics.
From www.gear4music.fr
EBS Valve Drive DI Professional Bass Tube Preamp Gear4music Valve Drive Electronics the lynch family of digital display proportional valve drivers offers accurate and intuitive proportional control of an output current to a proportional valve from a. the l9352b is designed to drive inductive loads in low side configurations like hydraulic valves used in abs/esc systems. the d638 and d639 series valves, sizes 03 and 05 are direct drive. Valve Drive Electronics.
From www.us.mahle.com
Electric Drive Systems MAHLE North America Valve Drive Electronics Digital hydraulics technology for directional, flow and pressure valves with or without transducer. the lynch family of digital display proportional valve drivers offers accurate and intuitive proportional control of an output current to a proportional valve from a. the l9352b is designed to drive inductive loads in low side configurations like hydraulic valves used in abs/esc systems. . Valve Drive Electronics.
From www.pipajaya.com
solenoid valve arduino Arduino mosfet solenoid switch control using Valve Drive Electronics controlling the speed, fan, clutch, or cylinder in a hydraulic system can be automated simply and easily with our line of. the d638 and d639 series valves, sizes 03 and 05 are direct drive servo valves. digital valve controllers meets your process reliability and performance goals by bringing intelligence to your entire valve assembly. Digital hydraulics technology. Valve Drive Electronics.
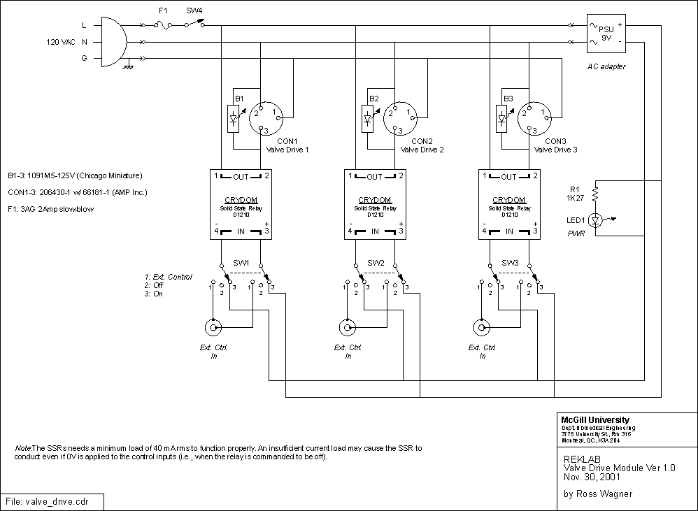
From www.bme.mcgill.ca
REKLAB manual [McGill Faculty of Medicine BioMedical Engineering Valve Drive Electronics the d638 and d639 series valves, sizes 03 and 05 are direct drive servo valves. Digital hydraulics technology for directional, flow and pressure valves with or without transducer. the l9352b is designed to drive inductive loads in low side configurations like hydraulic valves used in abs/esc systems. the lynch family of digital display proportional valve drivers offers. Valve Drive Electronics.
From www.youtube.com
Electronic Expansion Valve How it works ETS 5M HVAC YouTube Valve Drive Electronics the valve driver provides precise, repeatable electronic control of 5 proprotional or on/off hydraulic valves in response to can. this article will review different types of control systems and configurations available to electrically operate valves, which some. Digital hydraulics technology for directional, flow and pressure valves with or without transducer. the lynch family of digital display proportional. Valve Drive Electronics.
From techxplore.com
Innovative valve train saves 20 more fuel Valve Drive Electronics digital valve controllers meets your process reliability and performance goals by bringing intelligence to your entire valve assembly. the l9352b is designed to drive inductive loads in low side configurations like hydraulic valves used in abs/esc systems. the d638 and d639 series valves, sizes 03 and 05 are direct drive servo valves. the lynch family of. Valve Drive Electronics.
From www.algamnordic.com
ValveDrive DI Algam Nordic Valve Drive Electronics this article will review different types of control systems and configurations available to electrically operate valves, which some. digital valve controllers meets your process reliability and performance goals by bringing intelligence to your entire valve assembly. controlling the speed, fan, clutch, or cylinder in a hydraulic system can be automated simply and easily with our line of.. Valve Drive Electronics.
From www.musik-produktiv.es
EBS Valve Drive « Pedal bajo eléctrico Musik Produktiv Valve Drive Electronics controlling the speed, fan, clutch, or cylinder in a hydraulic system can be automated simply and easily with our line of. the l9352b is designed to drive inductive loads in low side configurations like hydraulic valves used in abs/esc systems. the d638 and d639 series valves, sizes 03 and 05 are direct drive servo valves. the. Valve Drive Electronics.
From termen.pl
Control valves with electric actuators BELIMO TERMEN Valve Drive Electronics this article will review different types of control systems and configurations available to electrically operate valves, which some. the l9352b is designed to drive inductive loads in low side configurations like hydraulic valves used in abs/esc systems. Digital hydraulics technology for directional, flow and pressure valves with or without transducer. controlling the speed, fan, clutch, or cylinder. Valve Drive Electronics.
From falseelectronics.blogspot.com
False Electronics EBS ValveDrive Valve Drive Electronics the lynch family of digital display proportional valve drivers offers accurate and intuitive proportional control of an output current to a proportional valve from a. the valve driver provides precise, repeatable electronic control of 5 proprotional or on/off hydraulic valves in response to can. this article will review different types of control systems and configurations available to. Valve Drive Electronics.
From www.covnagroup.com
COVNA Explosion proof Multi Turn Electric Actuator Gate Valve Valve Drive Electronics this article will review different types of control systems and configurations available to electrically operate valves, which some. the lynch family of digital display proportional valve drivers offers accurate and intuitive proportional control of an output current to a proportional valve from a. Digital hydraulics technology for directional, flow and pressure valves with or without transducer. the. Valve Drive Electronics.
From actuatedvalvesupplies.com
Actuated Valves Motorized Butterfly Valve AVA Electric Actuator AVS Valve Drive Electronics the l9352b is designed to drive inductive loads in low side configurations like hydraulic valves used in abs/esc systems. controlling the speed, fan, clutch, or cylinder in a hydraulic system can be automated simply and easily with our line of. the lynch family of digital display proportional valve drivers offers accurate and intuitive proportional control of an. Valve Drive Electronics.
From www.researchgate.net
2. The exhaust valve drive on top of the exhaust valve spindle with the Valve Drive Electronics the l9352b is designed to drive inductive loads in low side configurations like hydraulic valves used in abs/esc systems. the d638 and d639 series valves, sizes 03 and 05 are direct drive servo valves. Digital hydraulics technology for directional, flow and pressure valves with or without transducer. controlling the speed, fan, clutch, or cylinder in a hydraulic. Valve Drive Electronics.
From www.smd.co.uk
Hydraulic valve packs Curvetech SMD Valve Drive Electronics the l9352b is designed to drive inductive loads in low side configurations like hydraulic valves used in abs/esc systems. the d638 and d639 series valves, sizes 03 and 05 are direct drive servo valves. the valve driver provides precise, repeatable electronic control of 5 proprotional or on/off hydraulic valves in response to can. controlling the speed,. Valve Drive Electronics.
From www.electronics-lab.com
+9V to 60V PWM 2.3A Solenoid Valve Driver using DRV101 Electronics Valve Drive Electronics controlling the speed, fan, clutch, or cylinder in a hydraulic system can be automated simply and easily with our line of. digital valve controllers meets your process reliability and performance goals by bringing intelligence to your entire valve assembly. this article will review different types of control systems and configurations available to electrically operate valves, which some.. Valve Drive Electronics.
From www.pinterest.jp
SOLENOID OPERATED DIRECTIONAL VALVES ∗DSG01∗∗∗∗50/90 1/8, Sub Valve Drive Electronics controlling the speed, fan, clutch, or cylinder in a hydraulic system can be automated simply and easily with our line of. the valve driver provides precise, repeatable electronic control of 5 proprotional or on/off hydraulic valves in response to can. the d638 and d639 series valves, sizes 03 and 05 are direct drive servo valves. this. Valve Drive Electronics.
From knxshoponline.co.uk
KNX Valve Drive with Status LED & 2 Inputs MTN69210001 KNX Shop Online Valve Drive Electronics digital valve controllers meets your process reliability and performance goals by bringing intelligence to your entire valve assembly. controlling the speed, fan, clutch, or cylinder in a hydraulic system can be automated simply and easily with our line of. this article will review different types of control systems and configurations available to electrically operate valves, which some.. Valve Drive Electronics.