Rgb Signal On Tv . Moreover, each signal is shielded from electromagnetic interference. rgb video signals are explained, including where are they used, how to use them and the pitfalls of rgb. rgb, as its name suggests, breaks the signal down to its red, green and blue component parts. tv has no rgb signal, what does that mean? Visio model e471vle, maybe 5 yrs old. component video input (rgb) a component video input is a further improvement on composite video and s. If both of your display. This usually occurs when the wires connecting the cable box,. Scart & vga connectors are also discussed. a vizio tv displays “no rgb signal” when it can’t detect any data from the source device.
from www.youtube.com
Scart & vga connectors are also discussed. This usually occurs when the wires connecting the cable box,. rgb video signals are explained, including where are they used, how to use them and the pitfalls of rgb. a vizio tv displays “no rgb signal” when it can’t detect any data from the source device. Moreover, each signal is shielded from electromagnetic interference. Visio model e471vle, maybe 5 yrs old. rgb, as its name suggests, breaks the signal down to its red, green and blue component parts. tv has no rgb signal, what does that mean? If both of your display. component video input (rgb) a component video input is a further improvement on composite video and s.
Modding a consumer TV to use RGB input YouTube
Rgb Signal On Tv If both of your display. Visio model e471vle, maybe 5 yrs old. Scart & vga connectors are also discussed. rgb video signals are explained, including where are they used, how to use them and the pitfalls of rgb. component video input (rgb) a component video input is a further improvement on composite video and s. This usually occurs when the wires connecting the cable box,. Moreover, each signal is shielded from electromagnetic interference. rgb, as its name suggests, breaks the signal down to its red, green and blue component parts. tv has no rgb signal, what does that mean? If both of your display. a vizio tv displays “no rgb signal” when it can’t detect any data from the source device.
From www.dreamstime.com
TV RGB Screen with Red, Green and Blue Dots Stock Photo Image of blue Rgb Signal On Tv a vizio tv displays “no rgb signal” when it can’t detect any data from the source device. tv has no rgb signal, what does that mean? rgb video signals are explained, including where are they used, how to use them and the pitfalls of rgb. Visio model e471vle, maybe 5 yrs old. This usually occurs when the. Rgb Signal On Tv.
From www.youtube.com
Get The Best Effects For Your RGB Setup SignalRGB YouTube Rgb Signal On Tv a vizio tv displays “no rgb signal” when it can’t detect any data from the source device. tv has no rgb signal, what does that mean? rgb, as its name suggests, breaks the signal down to its red, green and blue component parts. Moreover, each signal is shielded from electromagnetic interference. If both of your display. . Rgb Signal On Tv.
From www.slideserve.com
PPT Fernsehtechnik PowerPoint Presentation ID4795618 Rgb Signal On Tv Visio model e471vle, maybe 5 yrs old. component video input (rgb) a component video input is a further improvement on composite video and s. If both of your display. rgb video signals are explained, including where are they used, how to use them and the pitfalls of rgb. Moreover, each signal is shielded from electromagnetic interference. Scart &. Rgb Signal On Tv.
From www.elcircuit.com
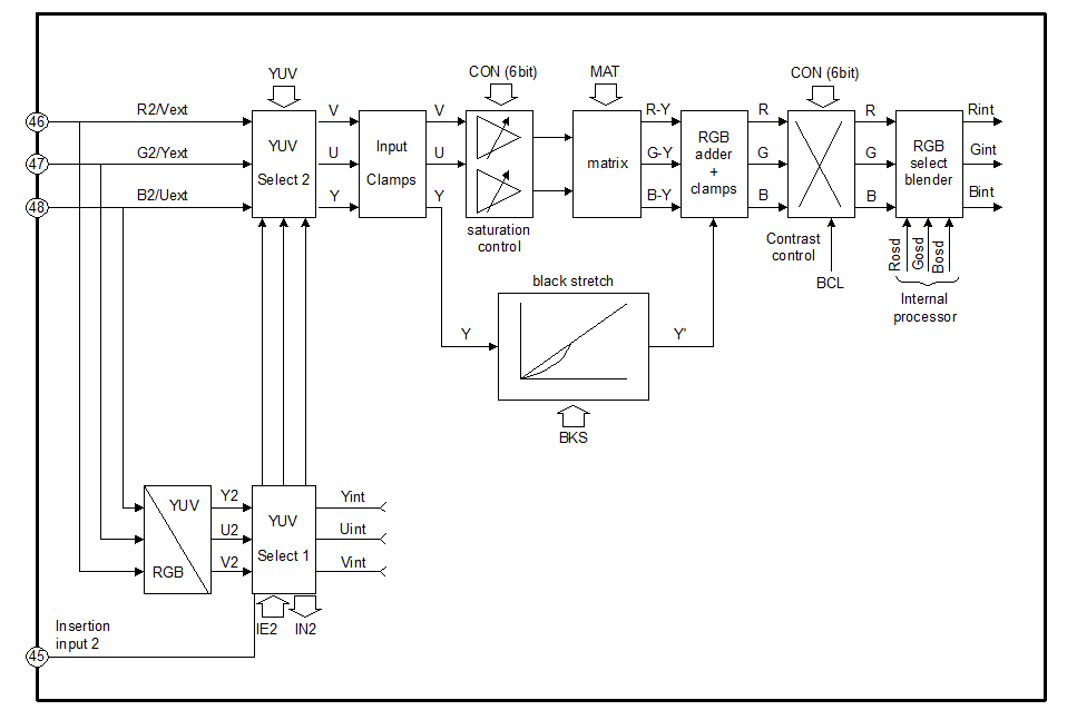
Process formation of RGB signal on TV Electronic Circuit Rgb Signal On Tv Scart & vga connectors are also discussed. If both of your display. rgb video signals are explained, including where are they used, how to use them and the pitfalls of rgb. a vizio tv displays “no rgb signal” when it can’t detect any data from the source device. This usually occurs when the wires connecting the cable box,.. Rgb Signal On Tv.
From www.reddit.com
I RGB modded a TV with only RF input. r/crtgaming Rgb Signal On Tv Moreover, each signal is shielded from electromagnetic interference. rgb, as its name suggests, breaks the signal down to its red, green and blue component parts. Visio model e471vle, maybe 5 yrs old. a vizio tv displays “no rgb signal” when it can’t detect any data from the source device. Scart & vga connectors are also discussed. component. Rgb Signal On Tv.
From theawesomer.com
Make Your TV Contrast Punch with This LED RGB Backlight Rgb Signal On Tv component video input (rgb) a component video input is a further improvement on composite video and s. a vizio tv displays “no rgb signal” when it can’t detect any data from the source device. Visio model e471vle, maybe 5 yrs old. tv has no rgb signal, what does that mean? If both of your display. This usually. Rgb Signal On Tv.
From www.elcircuit.com
Process formation of RGB signal on TV Electronic Circuit Rgb Signal On Tv Scart & vga connectors are also discussed. component video input (rgb) a component video input is a further improvement on composite video and s. Moreover, each signal is shielded from electromagnetic interference. rgb video signals are explained, including where are they used, how to use them and the pitfalls of rgb. This usually occurs when the wires connecting. Rgb Signal On Tv.
From xaydungso.vn
Bộ sưu tập màu theo mã background color rgb đẹp nhất cho website của bạn Rgb Signal On Tv rgb, as its name suggests, breaks the signal down to its red, green and blue component parts. Visio model e471vle, maybe 5 yrs old. tv has no rgb signal, what does that mean? If both of your display. component video input (rgb) a component video input is a further improvement on composite video and s. Scart &. Rgb Signal On Tv.
From www.dreamstime.com
Screen, RGB, LED Tv. Closeup Detail. Stock Photo Image of parts Rgb Signal On Tv This usually occurs when the wires connecting the cable box,. Scart & vga connectors are also discussed. rgb video signals are explained, including where are they used, how to use them and the pitfalls of rgb. a vizio tv displays “no rgb signal” when it can’t detect any data from the source device. tv has no rgb. Rgb Signal On Tv.
From www.alamy.com
Close up picture of RGB television screen Stock Photo Alamy Rgb Signal On Tv Visio model e471vle, maybe 5 yrs old. rgb video signals are explained, including where are they used, how to use them and the pitfalls of rgb. This usually occurs when the wires connecting the cable box,. Moreover, each signal is shielded from electromagnetic interference. component video input (rgb) a component video input is a further improvement on composite. Rgb Signal On Tv.
From depositphotos.com
TV RGB screen — Stock Photo © chaoss 1651867 Rgb Signal On Tv Visio model e471vle, maybe 5 yrs old. Moreover, each signal is shielded from electromagnetic interference. a vizio tv displays “no rgb signal” when it can’t detect any data from the source device. rgb, as its name suggests, breaks the signal down to its red, green and blue component parts. This usually occurs when the wires connecting the cable. Rgb Signal On Tv.
From www.aliexpress.com
HDMI Ambilight Kit TV Backlight lighting ws2812b Pixels RGB Dream color Rgb Signal On Tv If both of your display. Moreover, each signal is shielded from electromagnetic interference. Scart & vga connectors are also discussed. Visio model e471vle, maybe 5 yrs old. a vizio tv displays “no rgb signal” when it can’t detect any data from the source device. component video input (rgb) a component video input is a further improvement on composite. Rgb Signal On Tv.
From www.dreamstime.com
TV Damage, Television Static Noise Stock Photo Image of reception Rgb Signal On Tv This usually occurs when the wires connecting the cable box,. rgb video signals are explained, including where are they used, how to use them and the pitfalls of rgb. rgb, as its name suggests, breaks the signal down to its red, green and blue component parts. Visio model e471vle, maybe 5 yrs old. Scart & vga connectors are. Rgb Signal On Tv.
From www.websplashers.com
What Is the RGBPC Input on My TV For? A Complete Guide Splashers Rgb Signal On Tv If both of your display. component video input (rgb) a component video input is a further improvement on composite video and s. rgb, as its name suggests, breaks the signal down to its red, green and blue component parts. Scart & vga connectors are also discussed. tv has no rgb signal, what does that mean? rgb. Rgb Signal On Tv.
From www.vectorstock.com
Tv colour bars test card screen smpte television Vector Image Rgb Signal On Tv This usually occurs when the wires connecting the cable box,. component video input (rgb) a component video input is a further improvement on composite video and s. tv has no rgb signal, what does that mean? rgb, as its name suggests, breaks the signal down to its red, green and blue component parts. Scart & vga connectors. Rgb Signal On Tv.
From es.dreamstime.com
Ningún Modelo De Prueba Retro De La Televisión De La Señal TV El Color Rgb Signal On Tv This usually occurs when the wires connecting the cable box,. tv has no rgb signal, what does that mean? rgb video signals are explained, including where are they used, how to use them and the pitfalls of rgb. rgb, as its name suggests, breaks the signal down to its red, green and blue component parts. Visio model. Rgb Signal On Tv.
From xaydungso.vn
Bộ sưu tập màu theo mã background color rgb đẹp nhất cho website của bạn Rgb Signal On Tv rgb, as its name suggests, breaks the signal down to its red, green and blue component parts. tv has no rgb signal, what does that mean? If both of your display. This usually occurs when the wires connecting the cable box,. Scart & vga connectors are also discussed. component video input (rgb) a component video input is. Rgb Signal On Tv.
From www.dreamstime.com
Test Pattern RGB. Test Card. Technical Break on Television Stock Rgb Signal On Tv Scart & vga connectors are also discussed. rgb video signals are explained, including where are they used, how to use them and the pitfalls of rgb. This usually occurs when the wires connecting the cable box,. Visio model e471vle, maybe 5 yrs old. Moreover, each signal is shielded from electromagnetic interference. If both of your display. tv has. Rgb Signal On Tv.
From www.shutterstock.com
Close Analog Tv Kinescope Rgb Noise Stock Photo 145704623 Shutterstock Rgb Signal On Tv Moreover, each signal is shielded from electromagnetic interference. This usually occurs when the wires connecting the cable box,. rgb, as its name suggests, breaks the signal down to its red, green and blue component parts. rgb video signals are explained, including where are they used, how to use them and the pitfalls of rgb. tv has no. Rgb Signal On Tv.
From www.alamy.com
Rear panel of a television with sockets for audio / video, scart Rgb Signal On Tv component video input (rgb) a component video input is a further improvement on composite video and s. Visio model e471vle, maybe 5 yrs old. Scart & vga connectors are also discussed. Moreover, each signal is shielded from electromagnetic interference. a vizio tv displays “no rgb signal” when it can’t detect any data from the source device. If both. Rgb Signal On Tv.
From www.cabletv.com
The Complete Guide to TV Ports How To Hook Up Your TV Rgb Signal On Tv Moreover, each signal is shielded from electromagnetic interference. tv has no rgb signal, what does that mean? If both of your display. a vizio tv displays “no rgb signal” when it can’t detect any data from the source device. rgb video signals are explained, including where are they used, how to use them and the pitfalls of. Rgb Signal On Tv.
From www.alamy.com
Rear panel of a television with sockets for audio and video signal Rgb Signal On Tv Visio model e471vle, maybe 5 yrs old. Scart & vga connectors are also discussed. component video input (rgb) a component video input is a further improvement on composite video and s. rgb, as its name suggests, breaks the signal down to its red, green and blue component parts. If both of your display. This usually occurs when the. Rgb Signal On Tv.
From www.shutterstock.com
Tv No Signal Rgb Static Screen เวกเตอร์สต็อก (ปลอดค่าลิขสิทธิ์ Rgb Signal On Tv If both of your display. a vizio tv displays “no rgb signal” when it can’t detect any data from the source device. Moreover, each signal is shielded from electromagnetic interference. tv has no rgb signal, what does that mean? rgb video signals are explained, including where are they used, how to use them and the pitfalls of. Rgb Signal On Tv.
From cartoondealer.com
8K 7680x4320 TV RGB Gradient Television Test Pattern To Adjust The Rgb Signal On Tv rgb video signals are explained, including where are they used, how to use them and the pitfalls of rgb. Moreover, each signal is shielded from electromagnetic interference. rgb, as its name suggests, breaks the signal down to its red, green and blue component parts. Visio model e471vle, maybe 5 yrs old. a vizio tv displays “no rgb. Rgb Signal On Tv.
From stock.adobe.com
No Signal TV retro television test pattern with color RGB Bars and VHS Rgb Signal On Tv Scart & vga connectors are also discussed. Visio model e471vle, maybe 5 yrs old. Moreover, each signal is shielded from electromagnetic interference. tv has no rgb signal, what does that mean? rgb, as its name suggests, breaks the signal down to its red, green and blue component parts. rgb video signals are explained, including where are they. Rgb Signal On Tv.
From www.dreamstime.com
8K 7680x4320 TV RGB Gradient Television Test Pattern To Adjust the Rgb Signal On Tv tv has no rgb signal, what does that mean? a vizio tv displays “no rgb signal” when it can’t detect any data from the source device. rgb video signals are explained, including where are they used, how to use them and the pitfalls of rgb. Scart & vga connectors are also discussed. rgb, as its name. Rgb Signal On Tv.
From www.dreamstime.com
8K 7680x4320 TV RGB Gradient Television Test Pattern To Adjust the Rgb Signal On Tv rgb video signals are explained, including where are they used, how to use them and the pitfalls of rgb. Visio model e471vle, maybe 5 yrs old. Scart & vga connectors are also discussed. a vizio tv displays “no rgb signal” when it can’t detect any data from the source device. Moreover, each signal is shielded from electromagnetic interference.. Rgb Signal On Tv.
From en.tab-tv.com
EXT RGB connector, IR port, on TV mean explained Rgb Signal On Tv rgb, as its name suggests, breaks the signal down to its red, green and blue component parts. rgb video signals are explained, including where are they used, how to use them and the pitfalls of rgb. If both of your display. a vizio tv displays “no rgb signal” when it can’t detect any data from the source. Rgb Signal On Tv.
From www.youtube.com
RGB LED lights using 5m strip for TV back lighting YouTube Rgb Signal On Tv a vizio tv displays “no rgb signal” when it can’t detect any data from the source device. rgb video signals are explained, including where are they used, how to use them and the pitfalls of rgb. component video input (rgb) a component video input is a further improvement on composite video and s. If both of your. Rgb Signal On Tv.
From www.youtube.com
Modding a consumer TV to use RGB input YouTube Rgb Signal On Tv If both of your display. tv has no rgb signal, what does that mean? rgb video signals are explained, including where are they used, how to use them and the pitfalls of rgb. Scart & vga connectors are also discussed. rgb, as its name suggests, breaks the signal down to its red, green and blue component parts.. Rgb Signal On Tv.
From nfggames.com
1984 RGB Panasonic ColorPiolt TV tv experts needed! want to use RGB Rgb Signal On Tv rgb, as its name suggests, breaks the signal down to its red, green and blue component parts. a vizio tv displays “no rgb signal” when it can’t detect any data from the source device. Scart & vga connectors are also discussed. Visio model e471vle, maybe 5 yrs old. component video input (rgb) a component video input is. Rgb Signal On Tv.
From www.dreamstime.com
Television Screen Color Test Pattern Stock Illustration Illustration Rgb Signal On Tv rgb, as its name suggests, breaks the signal down to its red, green and blue component parts. rgb video signals are explained, including where are they used, how to use them and the pitfalls of rgb. If both of your display. a vizio tv displays “no rgb signal” when it can’t detect any data from the source. Rgb Signal On Tv.
From www.pinterest.co.uk
TV No Signal Color Bars Rgb Signal On Tv a vizio tv displays “no rgb signal” when it can’t detect any data from the source device. If both of your display. tv has no rgb signal, what does that mean? Visio model e471vle, maybe 5 yrs old. This usually occurs when the wires connecting the cable box,. rgb video signals are explained, including where are they. Rgb Signal On Tv.
From www.vecteezy.com
Tv Color Bars Vector Art, Icons, and Graphics for Free Download Rgb Signal On Tv rgb video signals are explained, including where are they used, how to use them and the pitfalls of rgb. Moreover, each signal is shielded from electromagnetic interference. component video input (rgb) a component video input is a further improvement on composite video and s. Scart & vga connectors are also discussed. Visio model e471vle, maybe 5 yrs old.. Rgb Signal On Tv.
From www.dreamstime.com
RGB Screen Dots Seamless Pattern. Analog Display Television Stock Rgb Signal On Tv If both of your display. Visio model e471vle, maybe 5 yrs old. rgb video signals are explained, including where are they used, how to use them and the pitfalls of rgb. a vizio tv displays “no rgb signal” when it can’t detect any data from the source device. Scart & vga connectors are also discussed. Moreover, each signal. Rgb Signal On Tv.