C4 Corvette Horn Not Working . Is there something i can do to test to see why my horn isnt working? When you press on the horn button you should hear the horn relay click, even if the horns themselves aren't working. I pulled the horn fuse and it was blown. Horn plate is making contact but not. The 'horn' on my c4 is not working. Where is it even located?:cheers: My f note horn (drivers side) was not working since i bought the 93 c4 vert two weeks ago. I am helping a buddy at work troubleshoot some electrical issues he is having with his 1985 corvette. To start, neither of his horns work. Horns work via alarm, replaced the relay, check all the fuses although 89 does not have a direct horn fuse. The 'horn press' on the steering wheel seems to be 'spongy' and isn't activating the.
from www.corvetteforum.com
Is there something i can do to test to see why my horn isnt working? Where is it even located?:cheers: Horns work via alarm, replaced the relay, check all the fuses although 89 does not have a direct horn fuse. The 'horn' on my c4 is not working. To start, neither of his horns work. I pulled the horn fuse and it was blown. The 'horn press' on the steering wheel seems to be 'spongy' and isn't activating the. My f note horn (drivers side) was not working since i bought the 93 c4 vert two weeks ago. I am helping a buddy at work troubleshoot some electrical issues he is having with his 1985 corvette. When you press on the horn button you should hear the horn relay click, even if the horns themselves aren't working.
Horn switch not working on my 90' CorvetteForum Chevrolet Corvette
C4 Corvette Horn Not Working I pulled the horn fuse and it was blown. The 'horn press' on the steering wheel seems to be 'spongy' and isn't activating the. When you press on the horn button you should hear the horn relay click, even if the horns themselves aren't working. Horn plate is making contact but not. I am helping a buddy at work troubleshoot some electrical issues he is having with his 1985 corvette. Is there something i can do to test to see why my horn isnt working? The 'horn' on my c4 is not working. Where is it even located?:cheers: My f note horn (drivers side) was not working since i bought the 93 c4 vert two weeks ago. I pulled the horn fuse and it was blown. Horns work via alarm, replaced the relay, check all the fuses although 89 does not have a direct horn fuse. To start, neither of his horns work.
From garagecompassion.z21.web.core.windows.net
Troubleshooting Car Horn Not Working C4 Corvette Horn Not Working My f note horn (drivers side) was not working since i bought the 93 c4 vert two weeks ago. To start, neither of his horns work. I pulled the horn fuse and it was blown. Is there something i can do to test to see why my horn isnt working? When you press on the horn button you should hear. C4 Corvette Horn Not Working.
From www.corvetteforum.com
Horn not working CorvetteForum Chevrolet Corvette Forum Discussion C4 Corvette Horn Not Working Where is it even located?:cheers: The 'horn' on my c4 is not working. Horn plate is making contact but not. I am helping a buddy at work troubleshoot some electrical issues he is having with his 1985 corvette. My f note horn (drivers side) was not working since i bought the 93 c4 vert two weeks ago. I pulled the. C4 Corvette Horn Not Working.
From corvette.co.uk
19841989 Corvette C4 RADIO Bose used probably not working C4 Corvette Horn Not Working Horn plate is making contact but not. The 'horn press' on the steering wheel seems to be 'spongy' and isn't activating the. To start, neither of his horns work. The 'horn' on my c4 is not working. Where is it even located?:cheers: I am helping a buddy at work troubleshoot some electrical issues he is having with his 1985 corvette.. C4 Corvette Horn Not Working.
From www.yourmechanic.com
How to Fix a Car Horn YourMechanic Advice C4 Corvette Horn Not Working Horns work via alarm, replaced the relay, check all the fuses although 89 does not have a direct horn fuse. Horn plate is making contact but not. The 'horn press' on the steering wheel seems to be 'spongy' and isn't activating the. Is there something i can do to test to see why my horn isnt working? My f note. C4 Corvette Horn Not Working.
From www.smokinvette.com
Horn doesn't work Chevy Corvette Forum C4 Corvette Horn Not Working The 'horn press' on the steering wheel seems to be 'spongy' and isn't activating the. When you press on the horn button you should hear the horn relay click, even if the horns themselves aren't working. Horn plate is making contact but not. The 'horn' on my c4 is not working. To start, neither of his horns work. My f. C4 Corvette Horn Not Working.
From www.organised-sound.com
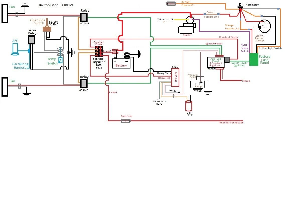
C4 Corvette Horn Wiring Diagram Wiring Diagram C4 Corvette Horn Not Working Horn plate is making contact but not. I pulled the horn fuse and it was blown. When you press on the horn button you should hear the horn relay click, even if the horns themselves aren't working. Horns work via alarm, replaced the relay, check all the fuses although 89 does not have a direct horn fuse. My f note. C4 Corvette Horn Not Working.
From www.corvetteforum.com
1996 C4 'Vette Horn Not Working CorvetteForum Chevrolet Corvette C4 Corvette Horn Not Working Horns work via alarm, replaced the relay, check all the fuses although 89 does not have a direct horn fuse. I am helping a buddy at work troubleshoot some electrical issues he is having with his 1985 corvette. Where is it even located?:cheers: The 'horn' on my c4 is not working. The 'horn press' on the steering wheel seems to. C4 Corvette Horn Not Working.
From www.corvetteforum.com
Horns Not Working CorvetteForum Chevrolet Corvette Forum Discussion C4 Corvette Horn Not Working Horn plate is making contact but not. My f note horn (drivers side) was not working since i bought the 93 c4 vert two weeks ago. Horns work via alarm, replaced the relay, check all the fuses although 89 does not have a direct horn fuse. I pulled the horn fuse and it was blown. Is there something i can. C4 Corvette Horn Not Working.
From www.corvetteforum.com
horn not working help CorvetteForum Chevrolet Corvette Forum Discussion C4 Corvette Horn Not Working When you press on the horn button you should hear the horn relay click, even if the horns themselves aren't working. Where is it even located?:cheers: The 'horn' on my c4 is not working. I am helping a buddy at work troubleshoot some electrical issues he is having with his 1985 corvette. Horns work via alarm, replaced the relay, check. C4 Corvette Horn Not Working.
From www.youtube.com
C4 Corvette Horn Relay / Alarm problem YouTube C4 Corvette Horn Not Working When you press on the horn button you should hear the horn relay click, even if the horns themselves aren't working. To start, neither of his horns work. Horns work via alarm, replaced the relay, check all the fuses although 89 does not have a direct horn fuse. Horn plate is making contact but not. Where is it even located?:cheers:. C4 Corvette Horn Not Working.
From www.corvetteforum.com
C4 Horn problem CorvetteForum Chevrolet Corvette Forum Discussion C4 Corvette Horn Not Working I am helping a buddy at work troubleshoot some electrical issues he is having with his 1985 corvette. To start, neither of his horns work. Where is it even located?:cheers: When you press on the horn button you should hear the horn relay click, even if the horns themselves aren't working. The 'horn' on my c4 is not working. The. C4 Corvette Horn Not Working.
From www.corvetteforum.com
65 horn not working CorvetteForum Chevrolet Corvette Forum Discussion C4 Corvette Horn Not Working Horns work via alarm, replaced the relay, check all the fuses although 89 does not have a direct horn fuse. I am helping a buddy at work troubleshoot some electrical issues he is having with his 1985 corvette. Horn plate is making contact but not. To start, neither of his horns work. My f note horn (drivers side) was not. C4 Corvette Horn Not Working.
From www.corvetteforum.com
94 C4 Tried Paperclip to engage ODB no luck & Horn not working C4 Corvette Horn Not Working To start, neither of his horns work. Horns work via alarm, replaced the relay, check all the fuses although 89 does not have a direct horn fuse. Is there something i can do to test to see why my horn isnt working? When you press on the horn button you should hear the horn relay click, even if the horns. C4 Corvette Horn Not Working.
From garagecompassion.z21.web.core.windows.net
Troubleshooting Car Horn Not Working C4 Corvette Horn Not Working I pulled the horn fuse and it was blown. When you press on the horn button you should hear the horn relay click, even if the horns themselves aren't working. The 'horn' on my c4 is not working. Horn plate is making contact but not. Is there something i can do to test to see why my horn isnt working?. C4 Corvette Horn Not Working.
From www.corvetteforum.com
77 horns not working CorvetteForum Chevrolet Corvette Forum Discussion C4 Corvette Horn Not Working The 'horn' on my c4 is not working. Is there something i can do to test to see why my horn isnt working? I am helping a buddy at work troubleshoot some electrical issues he is having with his 1985 corvette. Where is it even located?:cheers: I pulled the horn fuse and it was blown. Horn plate is making contact. C4 Corvette Horn Not Working.
From www.organised-sound.com
C4 Corvette Horn Wiring Diagram Wiring Diagram C4 Corvette Horn Not Working The 'horn press' on the steering wheel seems to be 'spongy' and isn't activating the. Horn plate is making contact but not. When you press on the horn button you should hear the horn relay click, even if the horns themselves aren't working. My f note horn (drivers side) was not working since i bought the 93 c4 vert two. C4 Corvette Horn Not Working.
From www.dubizzle.com
Easy Steps to Fix a Car Horn Not Working C4 Corvette Horn Not Working I pulled the horn fuse and it was blown. Horn plate is making contact but not. I am helping a buddy at work troubleshoot some electrical issues he is having with his 1985 corvette. My f note horn (drivers side) was not working since i bought the 93 c4 vert two weeks ago. To start, neither of his horns work.. C4 Corvette Horn Not Working.
From www.amazon.com
C4 Corvette 19941996 Horn Contact Button Wiring Automotive C4 Corvette Horn Not Working When you press on the horn button you should hear the horn relay click, even if the horns themselves aren't working. To start, neither of his horns work. My f note horn (drivers side) was not working since i bought the 93 c4 vert two weeks ago. Horns work via alarm, replaced the relay, check all the fuses although 89. C4 Corvette Horn Not Working.
From wiringdiagram.2bitboer.com
1985 Corvette Horn Wiring Diagram Wiring Diagram C4 Corvette Horn Not Working Horn plate is making contact but not. When you press on the horn button you should hear the horn relay click, even if the horns themselves aren't working. My f note horn (drivers side) was not working since i bought the 93 c4 vert two weeks ago. I am helping a buddy at work troubleshoot some electrical issues he is. C4 Corvette Horn Not Working.
From www.corvetteforum.com
testing 58 corvette horn relay CorvetteForum Chevrolet Corvette C4 Corvette Horn Not Working Where is it even located?:cheers: The 'horn press' on the steering wheel seems to be 'spongy' and isn't activating the. Horns work via alarm, replaced the relay, check all the fuses although 89 does not have a direct horn fuse. To start, neither of his horns work. I am helping a buddy at work troubleshoot some electrical issues he is. C4 Corvette Horn Not Working.
From www.corvetteforum.com
Horn stopped working CorvetteForum Chevrolet Corvette Forum Discussion C4 Corvette Horn Not Working Is there something i can do to test to see why my horn isnt working? To start, neither of his horns work. The 'horn press' on the steering wheel seems to be 'spongy' and isn't activating the. Where is it even located?:cheers: I am helping a buddy at work troubleshoot some electrical issues he is having with his 1985 corvette.. C4 Corvette Horn Not Working.
From diagramlibvortretenodz.z13.web.core.windows.net
C4 Corvette Horn Relay Location C4 Corvette Horn Not Working Horns work via alarm, replaced the relay, check all the fuses although 89 does not have a direct horn fuse. I pulled the horn fuse and it was blown. I am helping a buddy at work troubleshoot some electrical issues he is having with his 1985 corvette. Is there something i can do to test to see why my horn. C4 Corvette Horn Not Working.
From www.justanswer.com
I have a 1990 C4 convertible with a horn that does not work. I have C4 Corvette Horn Not Working To start, neither of his horns work. Where is it even located?:cheers: When you press on the horn button you should hear the horn relay click, even if the horns themselves aren't working. The 'horn' on my c4 is not working. My f note horn (drivers side) was not working since i bought the 93 c4 vert two weeks ago.. C4 Corvette Horn Not Working.
From www.corvetteforum.com
Horn location? CorvetteForum Chevrolet Corvette Forum Discussion C4 Corvette Horn Not Working The 'horn' on my c4 is not working. The 'horn press' on the steering wheel seems to be 'spongy' and isn't activating the. When you press on the horn button you should hear the horn relay click, even if the horns themselves aren't working. Where is it even located?:cheers: Horn plate is making contact but not. Is there something i. C4 Corvette Horn Not Working.
From www.corvetteforum.com
horn not working CorvetteForum Chevrolet Corvette Forum Discussion C4 Corvette Horn Not Working I pulled the horn fuse and it was blown. I am helping a buddy at work troubleshoot some electrical issues he is having with his 1985 corvette. When you press on the horn button you should hear the horn relay click, even if the horns themselves aren't working. Horn plate is making contact but not. To start, neither of his. C4 Corvette Horn Not Working.
From www.nomaallim.com
How to easily fix a car horn that stopped working C4 Corvette Horn Not Working Where is it even located?:cheers: Horns work via alarm, replaced the relay, check all the fuses although 89 does not have a direct horn fuse. Is there something i can do to test to see why my horn isnt working? When you press on the horn button you should hear the horn relay click, even if the horns themselves aren't. C4 Corvette Horn Not Working.
From www.corvetteforum.com
Horn relay hookup CorvetteForum Chevrolet Corvette Forum Discussion C4 Corvette Horn Not Working Is there something i can do to test to see why my horn isnt working? My f note horn (drivers side) was not working since i bought the 93 c4 vert two weeks ago. To start, neither of his horns work. Horns work via alarm, replaced the relay, check all the fuses although 89 does not have a direct horn. C4 Corvette Horn Not Working.
From www.youtube.com
6 Causes Your Car Horn Not Working &How to Fix It YouTube C4 Corvette Horn Not Working To start, neither of his horns work. The 'horn' on my c4 is not working. I pulled the horn fuse and it was blown. My f note horn (drivers side) was not working since i bought the 93 c4 vert two weeks ago. When you press on the horn button you should hear the horn relay click, even if the. C4 Corvette Horn Not Working.
From www.organised-sound.com
C4 Corvette Horn Wiring Diagram Wiring Diagram C4 Corvette Horn Not Working My f note horn (drivers side) was not working since i bought the 93 c4 vert two weeks ago. Is there something i can do to test to see why my horn isnt working? When you press on the horn button you should hear the horn relay click, even if the horns themselves aren't working. Horns work via alarm, replaced. C4 Corvette Horn Not Working.
From www.corvetteforum.com
Horn switch not working on my 90' CorvetteForum Chevrolet Corvette C4 Corvette Horn Not Working Is there something i can do to test to see why my horn isnt working? Horn plate is making contact but not. The 'horn press' on the steering wheel seems to be 'spongy' and isn't activating the. My f note horn (drivers side) was not working since i bought the 93 c4 vert two weeks ago. I am helping a. C4 Corvette Horn Not Working.
From autotoride.com
Causes for Car Horn Not Working And How to Fix Them C4 Corvette Horn Not Working To start, neither of his horns work. My f note horn (drivers side) was not working since i bought the 93 c4 vert two weeks ago. The 'horn' on my c4 is not working. Horn plate is making contact but not. When you press on the horn button you should hear the horn relay click, even if the horns themselves. C4 Corvette Horn Not Working.
From www.readersdigest.ca
Why Your Car Horn is Not Working (And How to Fix It) Reader's Digest C4 Corvette Horn Not Working The 'horn press' on the steering wheel seems to be 'spongy' and isn't activating the. Horns work via alarm, replaced the relay, check all the fuses although 89 does not have a direct horn fuse. Is there something i can do to test to see why my horn isnt working? The 'horn' on my c4 is not working. To start,. C4 Corvette Horn Not Working.
From www.justanswer.com
2004 Corvette horn not working and battery goes dead after sitting 1 C4 Corvette Horn Not Working Horns work via alarm, replaced the relay, check all the fuses although 89 does not have a direct horn fuse. I pulled the horn fuse and it was blown. I am helping a buddy at work troubleshoot some electrical issues he is having with his 1985 corvette. To start, neither of his horns work. When you press on the horn. C4 Corvette Horn Not Working.
From www.autoevolution.com
Car Horn Not Working? Here Are the Potential Causes and How to Fix It C4 Corvette Horn Not Working Is there something i can do to test to see why my horn isnt working? To start, neither of his horns work. I am helping a buddy at work troubleshoot some electrical issues he is having with his 1985 corvette. The 'horn press' on the steering wheel seems to be 'spongy' and isn't activating the. Where is it even located?:cheers:. C4 Corvette Horn Not Working.
From wirelibraryduetted.z21.web.core.windows.net
1994 Corvette Horn Wiring Diagram C4 Corvette Horn Not Working I pulled the horn fuse and it was blown. My f note horn (drivers side) was not working since i bought the 93 c4 vert two weeks ago. Where is it even located?:cheers: When you press on the horn button you should hear the horn relay click, even if the horns themselves aren't working. Is there something i can do. C4 Corvette Horn Not Working.