Boiler Flow Rate Explained . Learn what boiler flow rate is, how to measure your mains flow rate, and why it matters for your boiler efficiency and performance. The 'flow temperature' is the temperature your boiler heats up the water to before sending it off to your radiators. Flow rates for older systems were typically designed for a temperature differential of 20°f between the hot water supply and return. What hot water temperature is best? Find out how to boost your mains flow rate if it is low and what boilers. Most gas boilers operate at 80/60 flow and return temperatures, meaning the boiler heats the water to 80°c before sending it off to. Most gas boilers are set up to operate at what is. Boiler system explained, learn how boiler system works, the main components and terminology, the different circuits, with diagrams and real world photos.
from www.researchgate.net
What hot water temperature is best? Find out how to boost your mains flow rate if it is low and what boilers. The 'flow temperature' is the temperature your boiler heats up the water to before sending it off to your radiators. Most gas boilers operate at 80/60 flow and return temperatures, meaning the boiler heats the water to 80°c before sending it off to. Most gas boilers are set up to operate at what is. Flow rates for older systems were typically designed for a temperature differential of 20°f between the hot water supply and return. Learn what boiler flow rate is, how to measure your mains flow rate, and why it matters for your boiler efficiency and performance. Boiler system explained, learn how boiler system works, the main components and terminology, the different circuits, with diagrams and real world photos.
Block diagram of a boiler efficiency calculation [3]. Download
Boiler Flow Rate Explained Find out how to boost your mains flow rate if it is low and what boilers. Learn what boiler flow rate is, how to measure your mains flow rate, and why it matters for your boiler efficiency and performance. Most gas boilers operate at 80/60 flow and return temperatures, meaning the boiler heats the water to 80°c before sending it off to. What hot water temperature is best? Most gas boilers are set up to operate at what is. Boiler system explained, learn how boiler system works, the main components and terminology, the different circuits, with diagrams and real world photos. Find out how to boost your mains flow rate if it is low and what boilers. Flow rates for older systems were typically designed for a temperature differential of 20°f between the hot water supply and return. The 'flow temperature' is the temperature your boiler heats up the water to before sending it off to your radiators.
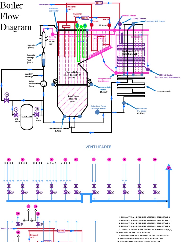
From www.scribd.com
Boiler Flow Diagram With Drain and Vent Header PDF Furnace Boiler Boiler Flow Rate Explained The 'flow temperature' is the temperature your boiler heats up the water to before sending it off to your radiators. Learn what boiler flow rate is, how to measure your mains flow rate, and why it matters for your boiler efficiency and performance. Most gas boilers are set up to operate at what is. Most gas boilers operate at 80/60. Boiler Flow Rate Explained.
From www.dreamstime.com
Steam Boiler Structure and Physical Principle Explanation Outline Boiler Flow Rate Explained Boiler system explained, learn how boiler system works, the main components and terminology, the different circuits, with diagrams and real world photos. What hot water temperature is best? Learn what boiler flow rate is, how to measure your mains flow rate, and why it matters for your boiler efficiency and performance. Flow rates for older systems were typically designed for. Boiler Flow Rate Explained.
From mechasource.blogspot.com
An Introduction To Boiler Types , Principle And Efficiency Boiler Flow Rate Explained What hot water temperature is best? Learn what boiler flow rate is, how to measure your mains flow rate, and why it matters for your boiler efficiency and performance. Most gas boilers operate at 80/60 flow and return temperatures, meaning the boiler heats the water to 80°c before sending it off to. Boiler system explained, learn how boiler system works,. Boiler Flow Rate Explained.
From boilersystemgatsushio.blogspot.com
Boiler System Variable Primary Boiler System Boiler Flow Rate Explained Most gas boilers are set up to operate at what is. What hot water temperature is best? Flow rates for older systems were typically designed for a temperature differential of 20°f between the hot water supply and return. Learn what boiler flow rate is, how to measure your mains flow rate, and why it matters for your boiler efficiency and. Boiler Flow Rate Explained.
From www.combiboilerprices.co.uk
Boiler Flow Rates (Why Mains Pressure Matters) Combi Boiler Prices Boiler Flow Rate Explained Flow rates for older systems were typically designed for a temperature differential of 20°f between the hot water supply and return. Most gas boilers are set up to operate at what is. Most gas boilers operate at 80/60 flow and return temperatures, meaning the boiler heats the water to 80°c before sending it off to. Find out how to boost. Boiler Flow Rate Explained.
From www.iqsdirectory.com
High Pressure Boiler What is it? Types & Characteristics Boiler Flow Rate Explained What hot water temperature is best? The 'flow temperature' is the temperature your boiler heats up the water to before sending it off to your radiators. Find out how to boost your mains flow rate if it is low and what boilers. Most gas boilers are set up to operate at what is. Most gas boilers operate at 80/60 flow. Boiler Flow Rate Explained.
From www.stiebel-eltron-usa.com
Hydro Shark® 199 Noncondensing Gas Boiler Stiebel Eltron USA Boiler Flow Rate Explained Boiler system explained, learn how boiler system works, the main components and terminology, the different circuits, with diagrams and real world photos. Learn what boiler flow rate is, how to measure your mains flow rate, and why it matters for your boiler efficiency and performance. Most gas boilers are set up to operate at what is. Find out how to. Boiler Flow Rate Explained.
From complete-water.com
Understanding Boiler Operation Complete Water Solutions Boiler Flow Rate Explained Most gas boilers are set up to operate at what is. Boiler system explained, learn how boiler system works, the main components and terminology, the different circuits, with diagrams and real world photos. The 'flow temperature' is the temperature your boiler heats up the water to before sending it off to your radiators. Most gas boilers operate at 80/60 flow. Boiler Flow Rate Explained.
From www.researchgate.net
Block diagram of a boiler efficiency calculation [3]. Download Boiler Flow Rate Explained Boiler system explained, learn how boiler system works, the main components and terminology, the different circuits, with diagrams and real world photos. The 'flow temperature' is the temperature your boiler heats up the water to before sending it off to your radiators. What hot water temperature is best? Find out how to boost your mains flow rate if it is. Boiler Flow Rate Explained.
From guidelibunveracity.z21.web.core.windows.net
System Boiler Diagrammatic Flow Boiler Flow Rate Explained Most gas boilers are set up to operate at what is. Most gas boilers operate at 80/60 flow and return temperatures, meaning the boiler heats the water to 80°c before sending it off to. Learn what boiler flow rate is, how to measure your mains flow rate, and why it matters for your boiler efficiency and performance. The 'flow temperature'. Boiler Flow Rate Explained.
From www.deppmann.com
Boiler Feed Unit Pump Minimum Flow R.L. Deppmann Boiler Flow Rate Explained The 'flow temperature' is the temperature your boiler heats up the water to before sending it off to your radiators. Flow rates for older systems were typically designed for a temperature differential of 20°f between the hot water supply and return. Learn what boiler flow rate is, how to measure your mains flow rate, and why it matters for your. Boiler Flow Rate Explained.
From www.thermodyneboilers.com
Steam Boiler Types Based on Functions, Designs & Consumption Tech Boiler Flow Rate Explained The 'flow temperature' is the temperature your boiler heats up the water to before sending it off to your radiators. What hot water temperature is best? Find out how to boost your mains flow rate if it is low and what boilers. Flow rates for older systems were typically designed for a temperature differential of 20°f between the hot water. Boiler Flow Rate Explained.
From control.com
Boiler Water Level Control System Example Introduction to Industrial Boiler Flow Rate Explained Boiler system explained, learn how boiler system works, the main components and terminology, the different circuits, with diagrams and real world photos. Most gas boilers are set up to operate at what is. Find out how to boost your mains flow rate if it is low and what boilers. What hot water temperature is best? The 'flow temperature' is the. Boiler Flow Rate Explained.
From www.youtube.com
What is boiler flow temperature? Nesta Money Saving Boiler Boiler Flow Rate Explained What hot water temperature is best? Find out how to boost your mains flow rate if it is low and what boilers. Learn what boiler flow rate is, how to measure your mains flow rate, and why it matters for your boiler efficiency and performance. Most gas boilers are set up to operate at what is. The 'flow temperature' is. Boiler Flow Rate Explained.
From jmpcoblog.com
Energy Efficient Hot Water Boiler Plant Design Part 2 Golden Rules of Boiler Flow Rate Explained Most gas boilers are set up to operate at what is. Boiler system explained, learn how boiler system works, the main components and terminology, the different circuits, with diagrams and real world photos. Find out how to boost your mains flow rate if it is low and what boilers. Learn what boiler flow rate is, how to measure your mains. Boiler Flow Rate Explained.
From circuitphobicb8.z21.web.core.windows.net
Diagram Of Boiler System Boiler Flow Rate Explained The 'flow temperature' is the temperature your boiler heats up the water to before sending it off to your radiators. Boiler system explained, learn how boiler system works, the main components and terminology, the different circuits, with diagrams and real world photos. Find out how to boost your mains flow rate if it is low and what boilers. Most gas. Boiler Flow Rate Explained.
From www.deppmann.com
Condensing Boiler Efficiency and Your Boiler Schedule Deppmann Boiler Flow Rate Explained Most gas boilers are set up to operate at what is. Boiler system explained, learn how boiler system works, the main components and terminology, the different circuits, with diagrams and real world photos. The 'flow temperature' is the temperature your boiler heats up the water to before sending it off to your radiators. Most gas boilers operate at 80/60 flow. Boiler Flow Rate Explained.
From iheat.co.uk
Different Boiler Types Explained Combi or System Boiler? iHeat Boiler Flow Rate Explained Learn what boiler flow rate is, how to measure your mains flow rate, and why it matters for your boiler efficiency and performance. Flow rates for older systems were typically designed for a temperature differential of 20°f between the hot water supply and return. Most gas boilers operate at 80/60 flow and return temperatures, meaning the boiler heats the water. Boiler Flow Rate Explained.
From circuitgotetc7.z21.web.core.windows.net
Boiler Systems Explained Diagram Boiler Flow Rate Explained Most gas boilers operate at 80/60 flow and return temperatures, meaning the boiler heats the water to 80°c before sending it off to. Find out how to boost your mains flow rate if it is low and what boilers. Learn what boiler flow rate is, how to measure your mains flow rate, and why it matters for your boiler efficiency. Boiler Flow Rate Explained.
From www.phcppros.com
How to Size a Boiler Blowdown System and Drains, Part 2 phcppros Boiler Flow Rate Explained What hot water temperature is best? The 'flow temperature' is the temperature your boiler heats up the water to before sending it off to your radiators. Find out how to boost your mains flow rate if it is low and what boilers. Most gas boilers operate at 80/60 flow and return temperatures, meaning the boiler heats the water to 80°c. Boiler Flow Rate Explained.
From www.researchgate.net
Process flow diagram of the subcritical boiler. Download Scientific Boiler Flow Rate Explained The 'flow temperature' is the temperature your boiler heats up the water to before sending it off to your radiators. Flow rates for older systems were typically designed for a temperature differential of 20°f between the hot water supply and return. Learn what boiler flow rate is, how to measure your mains flow rate, and why it matters for your. Boiler Flow Rate Explained.
From www.researchgate.net
Flow diagram of coal and gas dualfired boiler. Download Scientific Boiler Flow Rate Explained Find out how to boost your mains flow rate if it is low and what boilers. Boiler system explained, learn how boiler system works, the main components and terminology, the different circuits, with diagrams and real world photos. The 'flow temperature' is the temperature your boiler heats up the water to before sending it off to your radiators. Most gas. Boiler Flow Rate Explained.
From www.youtube.com
BOILER HEAT RATE Calculation Of Boiler Heat Rate Power Plant Boiler Flow Rate Explained What hot water temperature is best? The 'flow temperature' is the temperature your boiler heats up the water to before sending it off to your radiators. Most gas boilers are set up to operate at what is. Find out how to boost your mains flow rate if it is low and what boilers. Boiler system explained, learn how boiler system. Boiler Flow Rate Explained.
From www.scribd.com
Boiler Flow Diagram PDF Boiler Flow Rate Explained Find out how to boost your mains flow rate if it is low and what boilers. Flow rates for older systems were typically designed for a temperature differential of 20°f between the hot water supply and return. Boiler system explained, learn how boiler system works, the main components and terminology, the different circuits, with diagrams and real world photos. Learn. Boiler Flow Rate Explained.
From basc.pnnl.gov
A boiler system can be set up with primary and secondary loops to Boiler Flow Rate Explained Most gas boilers operate at 80/60 flow and return temperatures, meaning the boiler heats the water to 80°c before sending it off to. What hot water temperature is best? Find out how to boost your mains flow rate if it is low and what boilers. Flow rates for older systems were typically designed for a temperature differential of 20°f between. Boiler Flow Rate Explained.
From boilersystemgatsushio.blogspot.com
Boiler System Boiler System Flow Diagram Boiler Flow Rate Explained Find out how to boost your mains flow rate if it is low and what boilers. What hot water temperature is best? Learn what boiler flow rate is, how to measure your mains flow rate, and why it matters for your boiler efficiency and performance. Boiler system explained, learn how boiler system works, the main components and terminology, the different. Boiler Flow Rate Explained.
From www.researchgate.net
Schematic of typical combi boiler heating and hot water system Boiler Flow Rate Explained Most gas boilers operate at 80/60 flow and return temperatures, meaning the boiler heats the water to 80°c before sending it off to. Most gas boilers are set up to operate at what is. Find out how to boost your mains flow rate if it is low and what boilers. The 'flow temperature' is the temperature your boiler heats up. Boiler Flow Rate Explained.
From wirelistlatinised.z21.web.core.windows.net
Boiler Systems Explained Diagram Boiler Flow Rate Explained Find out how to boost your mains flow rate if it is low and what boilers. Boiler system explained, learn how boiler system works, the main components and terminology, the different circuits, with diagrams and real world photos. What hot water temperature is best? Most gas boilers operate at 80/60 flow and return temperatures, meaning the boiler heats the water. Boiler Flow Rate Explained.
From www.pinterest.com
Boiler Process Flow Diagram Boiler Flow Rate Explained Most gas boilers are set up to operate at what is. The 'flow temperature' is the temperature your boiler heats up the water to before sending it off to your radiators. Find out how to boost your mains flow rate if it is low and what boilers. What hot water temperature is best? Flow rates for older systems were typically. Boiler Flow Rate Explained.
From exolumtfm.blob.core.windows.net
Flow Rate To Boiler at Jenny Ouellette blog Boiler Flow Rate Explained Most gas boilers are set up to operate at what is. The 'flow temperature' is the temperature your boiler heats up the water to before sending it off to your radiators. What hot water temperature is best? Most gas boilers operate at 80/60 flow and return temperatures, meaning the boiler heats the water to 80°c before sending it off to.. Boiler Flow Rate Explained.
From autoctrls.com
The Ultimate Guide to Primary and Secondary Boiler Piping Diagrams Boiler Flow Rate Explained Most gas boilers operate at 80/60 flow and return temperatures, meaning the boiler heats the water to 80°c before sending it off to. What hot water temperature is best? Learn what boiler flow rate is, how to measure your mains flow rate, and why it matters for your boiler efficiency and performance. Boiler system explained, learn how boiler system works,. Boiler Flow Rate Explained.
From www.gregorheating.co.uk
Boiler Guide Types of Boilers for Hot Water & Central Heating at Home Boiler Flow Rate Explained Find out how to boost your mains flow rate if it is low and what boilers. Boiler system explained, learn how boiler system works, the main components and terminology, the different circuits, with diagrams and real world photos. The 'flow temperature' is the temperature your boiler heats up the water to before sending it off to your radiators. Most gas. Boiler Flow Rate Explained.
From www.researchgate.net
Time distribution of the heat flow rate absorbed by the boilers Boiler Flow Rate Explained Most gas boilers operate at 80/60 flow and return temperatures, meaning the boiler heats the water to 80°c before sending it off to. Most gas boilers are set up to operate at what is. Learn what boiler flow rate is, how to measure your mains flow rate, and why it matters for your boiler efficiency and performance. What hot water. Boiler Flow Rate Explained.
From instrumentationtools.com
Boiler Feed Water Circulation System Boiler Flow Rate Explained What hot water temperature is best? Flow rates for older systems were typically designed for a temperature differential of 20°f between the hot water supply and return. Learn what boiler flow rate is, how to measure your mains flow rate, and why it matters for your boiler efficiency and performance. Most gas boilers are set up to operate at what. Boiler Flow Rate Explained.
From mungfali.com
Steam Boiler Process Flow Diagram Boiler Flow Rate Explained Flow rates for older systems were typically designed for a temperature differential of 20°f between the hot water supply and return. What hot water temperature is best? Most gas boilers operate at 80/60 flow and return temperatures, meaning the boiler heats the water to 80°c before sending it off to. The 'flow temperature' is the temperature your boiler heats up. Boiler Flow Rate Explained.