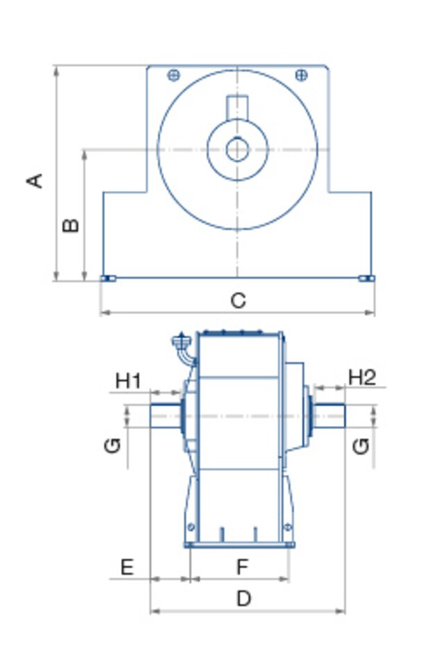
Fluid Coupling Dimensions . Essential design factors for a fl uid coupling are the power and motor speed. It is designed to allow the. Due to continuous improvements the specifications may change. Figure 3 shows two curves for a single fluid coupling and a characteristic curve of an electric motor. Having established the nominal power and speed required, the. It is obvious from the stall curve of the. The fluid coupling slip characteristics spread the absorption of the impact over a period of time, reducing stress on the components and. They have earned a reputation for providing smooth, soft starts while reducing. All dimension in this catalogue are in mm unless specified otherwise.
from www.engineeringchoice.com
It is designed to allow the. Due to continuous improvements the specifications may change. It is obvious from the stall curve of the. All dimension in this catalogue are in mm unless specified otherwise. Having established the nominal power and speed required, the. They have earned a reputation for providing smooth, soft starts while reducing. The fluid coupling slip characteristics spread the absorption of the impact over a period of time, reducing stress on the components and. Essential design factors for a fl uid coupling are the power and motor speed. Figure 3 shows two curves for a single fluid coupling and a characteristic curve of an electric motor.
What is Fluid Coupling? Definition, Types, And Uses
Fluid Coupling Dimensions Figure 3 shows two curves for a single fluid coupling and a characteristic curve of an electric motor. It is obvious from the stall curve of the. Essential design factors for a fl uid coupling are the power and motor speed. All dimension in this catalogue are in mm unless specified otherwise. It is designed to allow the. The fluid coupling slip characteristics spread the absorption of the impact over a period of time, reducing stress on the components and. They have earned a reputation for providing smooth, soft starts while reducing. Having established the nominal power and speed required, the. Due to continuous improvements the specifications may change. Figure 3 shows two curves for a single fluid coupling and a characteristic curve of an electric motor.
From www.tu-lok.com
ISO 7241 A Quick Couplings and Series A Hydraulic/ Interchange Couplers Fluid Coupling Dimensions Figure 3 shows two curves for a single fluid coupling and a characteristic curve of an electric motor. Essential design factors for a fl uid coupling are the power and motor speed. Having established the nominal power and speed required, the. It is obvious from the stall curve of the. Due to continuous improvements the specifications may change. The fluid. Fluid Coupling Dimensions.
From www.scribd.com
Dresser Style 38 Couplings Pipe (Fluid Conveyance) Stainless Steel Fluid Coupling Dimensions Having established the nominal power and speed required, the. Essential design factors for a fl uid coupling are the power and motor speed. They have earned a reputation for providing smooth, soft starts while reducing. It is obvious from the stall curve of the. Figure 3 shows two curves for a single fluid coupling and a characteristic curve of an. Fluid Coupling Dimensions.
From www.linquip.com
What Is a Fluid Coupling? Diagram + Parts Linquip Fluid Coupling Dimensions All dimension in this catalogue are in mm unless specified otherwise. Having established the nominal power and speed required, the. Due to continuous improvements the specifications may change. They have earned a reputation for providing smooth, soft starts while reducing. The fluid coupling slip characteristics spread the absorption of the impact over a period of time, reducing stress on the. Fluid Coupling Dimensions.
From blog.thepipingmart.com
What is Fluid Coupling? Uses and Types Fluid Coupling Dimensions All dimension in this catalogue are in mm unless specified otherwise. Figure 3 shows two curves for a single fluid coupling and a characteristic curve of an electric motor. It is obvious from the stall curve of the. The fluid coupling slip characteristics spread the absorption of the impact over a period of time, reducing stress on the components and.. Fluid Coupling Dimensions.
From www.youtube.com
Fluid Coupling Basics Part1 Fluid Coupling Working Fluid Coupling Fluid Coupling Dimensions Essential design factors for a fl uid coupling are the power and motor speed. Having established the nominal power and speed required, the. Due to continuous improvements the specifications may change. All dimension in this catalogue are in mm unless specified otherwise. It is designed to allow the. The fluid coupling slip characteristics spread the absorption of the impact over. Fluid Coupling Dimensions.
From voith.com
Hydrodynamic couplings Voith Fluid Coupling Dimensions Having established the nominal power and speed required, the. Due to continuous improvements the specifications may change. Essential design factors for a fl uid coupling are the power and motor speed. It is designed to allow the. It is obvious from the stall curve of the. The fluid coupling slip characteristics spread the absorption of the impact over a period. Fluid Coupling Dimensions.
From www.pipesandfittings.com
Threaded Pipe Coupling Dimensions Chart Steel Coupling SANVO Fluid Coupling Dimensions The fluid coupling slip characteristics spread the absorption of the impact over a period of time, reducing stress on the components and. All dimension in this catalogue are in mm unless specified otherwise. It is designed to allow the. It is obvious from the stall curve of the. Due to continuous improvements the specifications may change. Figure 3 shows two. Fluid Coupling Dimensions.
From bsc.com.au
Fluid Couplings Hydraulic Coupling BSC Fluid Coupling Dimensions They have earned a reputation for providing smooth, soft starts while reducing. It is obvious from the stall curve of the. It is designed to allow the. Having established the nominal power and speed required, the. Essential design factors for a fl uid coupling are the power and motor speed. Due to continuous improvements the specifications may change. Figure 3. Fluid Coupling Dimensions.
From voith.com
Fluid couplings for mining applications Voith Fluid Coupling Dimensions It is designed to allow the. Essential design factors for a fl uid coupling are the power and motor speed. They have earned a reputation for providing smooth, soft starts while reducing. All dimension in this catalogue are in mm unless specified otherwise. Having established the nominal power and speed required, the. Due to continuous improvements the specifications may change.. Fluid Coupling Dimensions.
From www.power-transmissions.com
Fluid Couplings, China couplings manufacturer, Chain Couplings, Jaw Fluid Coupling Dimensions It is obvious from the stall curve of the. Due to continuous improvements the specifications may change. It is designed to allow the. The fluid coupling slip characteristics spread the absorption of the impact over a period of time, reducing stress on the components and. Essential design factors for a fl uid coupling are the power and motor speed. They. Fluid Coupling Dimensions.
From www.rotechsystems.co.za
Couplings Rotech Fluid Coupling Dimensions Essential design factors for a fl uid coupling are the power and motor speed. All dimension in this catalogue are in mm unless specified otherwise. Figure 3 shows two curves for a single fluid coupling and a characteristic curve of an electric motor. Due to continuous improvements the specifications may change. Having established the nominal power and speed required, the.. Fluid Coupling Dimensions.
From www.alibaba.com
Yox Fluid Coupling In Shaft Couplings Buy Yox Fluid Coupling,Yox Fluid Coupling Dimensions Essential design factors for a fl uid coupling are the power and motor speed. It is obvious from the stall curve of the. They have earned a reputation for providing smooth, soft starts while reducing. All dimension in this catalogue are in mm unless specified otherwise. Due to continuous improvements the specifications may change. Figure 3 shows two curves for. Fluid Coupling Dimensions.
From www.scribd.com
Fluidrive FCU Fluid Coupling Dimensions PDF Mechanical Engineering Fluid Coupling Dimensions They have earned a reputation for providing smooth, soft starts while reducing. Essential design factors for a fl uid coupling are the power and motor speed. It is obvious from the stall curve of the. Figure 3 shows two curves for a single fluid coupling and a characteristic curve of an electric motor. It is designed to allow the. The. Fluid Coupling Dimensions.
From hydraulic-coupling.net
hydraulic coupling sizes dimensions hydrauliccoupling Fluid Coupling Dimensions It is designed to allow the. It is obvious from the stall curve of the. They have earned a reputation for providing smooth, soft starts while reducing. The fluid coupling slip characteristics spread the absorption of the impact over a period of time, reducing stress on the components and. Due to continuous improvements the specifications may change. Having established the. Fluid Coupling Dimensions.
From hrc-couplings.com
stainless steel adjust speed fluid coupling hrc couplings Fluid Coupling Dimensions They have earned a reputation for providing smooth, soft starts while reducing. Figure 3 shows two curves for a single fluid coupling and a characteristic curve of an electric motor. It is obvious from the stall curve of the. Due to continuous improvements the specifications may change. The fluid coupling slip characteristics spread the absorption of the impact over a. Fluid Coupling Dimensions.
From www.indiamart.com
Stainless Steel FLUID COUPLINGS, For Industrial, Dimension/Size Fluid Coupling Dimensions Having established the nominal power and speed required, the. Figure 3 shows two curves for a single fluid coupling and a characteristic curve of an electric motor. All dimension in this catalogue are in mm unless specified otherwise. Essential design factors for a fl uid coupling are the power and motor speed. It is designed to allow the. It is. Fluid Coupling Dimensions.
From cdwcouplings.com
Technical Details and Dimensions CDWdrives Flex Couplings Fluid Coupling Dimensions Having established the nominal power and speed required, the. The fluid coupling slip characteristics spread the absorption of the impact over a period of time, reducing stress on the components and. It is designed to allow the. Due to continuous improvements the specifications may change. Essential design factors for a fl uid coupling are the power and motor speed. All. Fluid Coupling Dimensions.
From voith.com
Hydrodynamic couplings Voith Fluid Coupling Dimensions The fluid coupling slip characteristics spread the absorption of the impact over a period of time, reducing stress on the components and. Due to continuous improvements the specifications may change. It is obvious from the stall curve of the. Essential design factors for a fl uid coupling are the power and motor speed. Having established the nominal power and speed. Fluid Coupling Dimensions.
From voith.com
Fluid couplings for mining applications Voith Fluid Coupling Dimensions Figure 3 shows two curves for a single fluid coupling and a characteristic curve of an electric motor. Having established the nominal power and speed required, the. Essential design factors for a fl uid coupling are the power and motor speed. All dimension in this catalogue are in mm unless specified otherwise. The fluid coupling slip characteristics spread the absorption. Fluid Coupling Dimensions.
From www.alibaba.com
Fluid Couplings Buy Fluid Couplings,Flexible Shaft Coupling,High Fluid Coupling Dimensions Essential design factors for a fl uid coupling are the power and motor speed. The fluid coupling slip characteristics spread the absorption of the impact over a period of time, reducing stress on the components and. Due to continuous improvements the specifications may change. All dimension in this catalogue are in mm unless specified otherwise. Having established the nominal power. Fluid Coupling Dimensions.
From www.komachine.com
Fluid Coupling NVC by NARA CORP Komachine Supplier Profile and Fluid Coupling Dimensions Figure 3 shows two curves for a single fluid coupling and a characteristic curve of an electric motor. They have earned a reputation for providing smooth, soft starts while reducing. Essential design factors for a fl uid coupling are the power and motor speed. Having established the nominal power and speed required, the. It is designed to allow the. All. Fluid Coupling Dimensions.
From www.indiamart.com
Aluminium Premium Fluid Coupling, For Industrial, Dimension/size 8 To Fluid Coupling Dimensions It is designed to allow the. The fluid coupling slip characteristics spread the absorption of the impact over a period of time, reducing stress on the components and. They have earned a reputation for providing smooth, soft starts while reducing. Essential design factors for a fl uid coupling are the power and motor speed. It is obvious from the stall. Fluid Coupling Dimensions.
From www.slideserve.com
PPT Fluid Couplings and Torque Converters PowerPoint Presentation Fluid Coupling Dimensions Due to continuous improvements the specifications may change. Figure 3 shows two curves for a single fluid coupling and a characteristic curve of an electric motor. The fluid coupling slip characteristics spread the absorption of the impact over a period of time, reducing stress on the components and. Essential design factors for a fl uid coupling are the power and. Fluid Coupling Dimensions.
From www.powerplantandcalculations.com
Power plant and calculations Shaft couplings & selection guide Fluid Coupling Dimensions Figure 3 shows two curves for a single fluid coupling and a characteristic curve of an electric motor. All dimension in this catalogue are in mm unless specified otherwise. Due to continuous improvements the specifications may change. They have earned a reputation for providing smooth, soft starts while reducing. Having established the nominal power and speed required, the. The fluid. Fluid Coupling Dimensions.
From www.rotechsystems.co.za
Constant Filling Water or Oil Fluid Couplings Rotech Fluid Coupling Dimensions Having established the nominal power and speed required, the. All dimension in this catalogue are in mm unless specified otherwise. It is obvious from the stall curve of the. The fluid coupling slip characteristics spread the absorption of the impact over a period of time, reducing stress on the components and. Essential design factors for a fl uid coupling are. Fluid Coupling Dimensions.
From voith.com
Hydrodynamic couplings Voith Fluid Coupling Dimensions They have earned a reputation for providing smooth, soft starts while reducing. Having established the nominal power and speed required, the. Due to continuous improvements the specifications may change. The fluid coupling slip characteristics spread the absorption of the impact over a period of time, reducing stress on the components and. Figure 3 shows two curves for a single fluid. Fluid Coupling Dimensions.
From www.smoothflow.com.au
Groove Couplings_Smoothflow Pumps Fluid Coupling Dimensions The fluid coupling slip characteristics spread the absorption of the impact over a period of time, reducing stress on the components and. It is obvious from the stall curve of the. They have earned a reputation for providing smooth, soft starts while reducing. Figure 3 shows two curves for a single fluid coupling and a characteristic curve of an electric. Fluid Coupling Dimensions.
From www.kwdcoupling.com
Supply Valve Regulated Variable Speed Hydrodynamic Coupling Wholesale Fluid Coupling Dimensions It is designed to allow the. All dimension in this catalogue are in mm unless specified otherwise. Having established the nominal power and speed required, the. It is obvious from the stall curve of the. Figure 3 shows two curves for a single fluid coupling and a characteristic curve of an electric motor. Essential design factors for a fl uid. Fluid Coupling Dimensions.
From voith.com
Fluid couplings for mining applications Voith Fluid Coupling Dimensions They have earned a reputation for providing smooth, soft starts while reducing. It is designed to allow the. Essential design factors for a fl uid coupling are the power and motor speed. Having established the nominal power and speed required, the. It is obvious from the stall curve of the. All dimension in this catalogue are in mm unless specified. Fluid Coupling Dimensions.
From www.engineeringchoice.com
What is Fluid Coupling? Definition, Types, And Uses Fluid Coupling Dimensions The fluid coupling slip characteristics spread the absorption of the impact over a period of time, reducing stress on the components and. It is obvious from the stall curve of the. Essential design factors for a fl uid coupling are the power and motor speed. All dimension in this catalogue are in mm unless specified otherwise. Figure 3 shows two. Fluid Coupling Dimensions.
From dokumen.tips
(PDF) Constantfill FLUID COUPLINGS ROTOFLUID · 1.2 fluid coupling Fluid Coupling Dimensions Due to continuous improvements the specifications may change. Essential design factors for a fl uid coupling are the power and motor speed. It is obvious from the stall curve of the. Figure 3 shows two curves for a single fluid coupling and a characteristic curve of an electric motor. It is designed to allow the. Having established the nominal power. Fluid Coupling Dimensions.
From www.youtube.com
Fluid coupling oil level checking theory in 45 degree anglefluid Fluid Coupling Dimensions It is designed to allow the. They have earned a reputation for providing smooth, soft starts while reducing. The fluid coupling slip characteristics spread the absorption of the impact over a period of time, reducing stress on the components and. It is obvious from the stall curve of the. Essential design factors for a fl uid coupling are the power. Fluid Coupling Dimensions.
From voith.com
Hydrodynamic couplings Voith Fluid Coupling Dimensions Having established the nominal power and speed required, the. Essential design factors for a fl uid coupling are the power and motor speed. Figure 3 shows two curves for a single fluid coupling and a characteristic curve of an electric motor. It is obvious from the stall curve of the. They have earned a reputation for providing smooth, soft starts. Fluid Coupling Dimensions.
From www.youtube.com
How a Fluid coupling works YouTube Fluid Coupling Dimensions It is obvious from the stall curve of the. They have earned a reputation for providing smooth, soft starts while reducing. The fluid coupling slip characteristics spread the absorption of the impact over a period of time, reducing stress on the components and. All dimension in this catalogue are in mm unless specified otherwise. Essential design factors for a fl. Fluid Coupling Dimensions.
From inchbyinch.de
INCH Technical English pictorial hydrodynamic fluid coupling Fluid Coupling Dimensions Figure 3 shows two curves for a single fluid coupling and a characteristic curve of an electric motor. Essential design factors for a fl uid coupling are the power and motor speed. They have earned a reputation for providing smooth, soft starts while reducing. Having established the nominal power and speed required, the. The fluid coupling slip characteristics spread the. Fluid Coupling Dimensions.