Suzuki Remote Control Box Diagram . view and download suzuki df70a setup manual online. this wiring diagram shows the connections for a remote control box and meter fuse harness for a dual engine system. Remote control box on the quadruple engine installation of dbw (drive. quadruple engine installation system structure and outline 1. It displays where various electrical. Df70a outboard motor pdf manual download. (2) insert the flat screw driver into the grommet (a). We have 3 suzuki df 140 outboard motor manuals available for free pdf download: — (1) remove the grommet (a) from the remote control box. manuals and user guides for suzuki df 140 outboard motor. — just purchased online a used na12s suzuki side mount control box with cables and main harness to use with a. for the procedure to connect the throttle control cable and clutch control cable to the remote control box, refer.
from ramin9cschematic.z13.web.core.windows.net
It displays where various electrical. Df70a outboard motor pdf manual download. We have 3 suzuki df 140 outboard motor manuals available for free pdf download: — (1) remove the grommet (a) from the remote control box. this wiring diagram shows the connections for a remote control box and meter fuse harness for a dual engine system. — just purchased online a used na12s suzuki side mount control box with cables and main harness to use with a. for the procedure to connect the throttle control cable and clutch control cable to the remote control box, refer. view and download suzuki df70a setup manual online. manuals and user guides for suzuki df 140 outboard motor. quadruple engine installation system structure and outline 1.
Suzuki Remote Control Box Setup Instruction
Suzuki Remote Control Box Diagram (2) insert the flat screw driver into the grommet (a). quadruple engine installation system structure and outline 1. — just purchased online a used na12s suzuki side mount control box with cables and main harness to use with a. Remote control box on the quadruple engine installation of dbw (drive. — (1) remove the grommet (a) from the remote control box. It displays where various electrical. view and download suzuki df70a setup manual online. for the procedure to connect the throttle control cable and clutch control cable to the remote control box, refer. Df70a outboard motor pdf manual download. manuals and user guides for suzuki df 140 outboard motor. (2) insert the flat screw driver into the grommet (a). We have 3 suzuki df 140 outboard motor manuals available for free pdf download: this wiring diagram shows the connections for a remote control box and meter fuse harness for a dual engine system.
From flavored.ph
Outboard Motors Suzuki OEM Marine Outboard Side Mount Remote Control Box Kit 6720093J50 Suzuki Remote Control Box Diagram quadruple engine installation system structure and outline 1. Remote control box on the quadruple engine installation of dbw (drive. (2) insert the flat screw driver into the grommet (a). this wiring diagram shows the connections for a remote control box and meter fuse harness for a dual engine system. We have 3 suzuki df 140 outboard motor manuals. Suzuki Remote Control Box Diagram.
From www.wiringdraw.com
Suzuki Outboard Control Wiring Diagram » Wiring Draw And Schematic Suzuki Remote Control Box Diagram for the procedure to connect the throttle control cable and clutch control cable to the remote control box, refer. quadruple engine installation system structure and outline 1. view and download suzuki df70a setup manual online. this wiring diagram shows the connections for a remote control box and meter fuse harness for a dual engine system. It. Suzuki Remote Control Box Diagram.
From wiringdiagram.2bitboer.com
Suzuki Outboard Control Wiring Diagram Wiring Diagram Suzuki Remote Control Box Diagram Remote control box on the quadruple engine installation of dbw (drive. manuals and user guides for suzuki df 140 outboard motor. quadruple engine installation system structure and outline 1. We have 3 suzuki df 140 outboard motor manuals available for free pdf download: for the procedure to connect the throttle control cable and clutch control cable to. Suzuki Remote Control Box Diagram.
From www.wiringdigital.com
Mercury Outboard Remote Control Box Diagram » Wiring Digital And Schematic Suzuki Remote Control Box Diagram Df70a outboard motor pdf manual download. It displays where various electrical. for the procedure to connect the throttle control cable and clutch control cable to the remote control box, refer. We have 3 suzuki df 140 outboard motor manuals available for free pdf download: (2) insert the flat screw driver into the grommet (a). this wiring diagram shows. Suzuki Remote Control Box Diagram.
From faceitsalon.com
Wiring Diagram For A Remote Control For A Suzuki 70 Four Stroke Outboard Pictures Suzuki Remote Control Box Diagram this wiring diagram shows the connections for a remote control box and meter fuse harness for a dual engine system. view and download suzuki df70a setup manual online. Df70a outboard motor pdf manual download. It displays where various electrical. for the procedure to connect the throttle control cable and clutch control cable to the remote control box,. Suzuki Remote Control Box Diagram.
From ramin9cschematic.z13.web.core.windows.net
Suzuki Remote Control Box Setup Instruction Suzuki Remote Control Box Diagram for the procedure to connect the throttle control cable and clutch control cable to the remote control box, refer. Remote control box on the quadruple engine installation of dbw (drive. (2) insert the flat screw driver into the grommet (a). Df70a outboard motor pdf manual download. — just purchased online a used na12s suzuki side mount control box. Suzuki Remote Control Box Diagram.
From schematiclambonehl.z4.web.core.windows.net
Suzuki Remote Control Box Setup Instruction Suzuki Remote Control Box Diagram quadruple engine installation system structure and outline 1. — (1) remove the grommet (a) from the remote control box. Df70a outboard motor pdf manual download. — just purchased online a used na12s suzuki side mount control box with cables and main harness to use with a. this wiring diagram shows the connections for a remote control. Suzuki Remote Control Box Diagram.
From www.thehulltruth.com
How to wire accessory power on Suzuki remote? The Hull Truth Boating and Fishing Forum Suzuki Remote Control Box Diagram Df70a outboard motor pdf manual download. manuals and user guides for suzuki df 140 outboard motor. We have 3 suzuki df 140 outboard motor manuals available for free pdf download: this wiring diagram shows the connections for a remote control box and meter fuse harness for a dual engine system. — just purchased online a used na12s. Suzuki Remote Control Box Diagram.
From circuitmkretelo.z13.web.core.windows.net
Suzuki Remote Control Box Setup Instruction Suzuki Remote Control Box Diagram (2) insert the flat screw driver into the grommet (a). view and download suzuki df70a setup manual online. We have 3 suzuki df 140 outboard motor manuals available for free pdf download: Df70a outboard motor pdf manual download. It displays where various electrical. Remote control box on the quadruple engine installation of dbw (drive. this wiring diagram shows. Suzuki Remote Control Box Diagram.
From www.crowleymarine.com
REMOTE CONTROL BOX 1983 TwoStroke Outboard 60 DT60 Crowley Marine Suzuki Remote Control Box Diagram (2) insert the flat screw driver into the grommet (a). — (1) remove the grommet (a) from the remote control box. Df70a outboard motor pdf manual download. We have 3 suzuki df 140 outboard motor manuals available for free pdf download: quadruple engine installation system structure and outline 1. — just purchased online a used na12s suzuki. Suzuki Remote Control Box Diagram.
From faceitsalon.com
Suzuki Outboard Remote Control Wiring Parts With Cable Images Suzuki Remote Control Box Diagram — (1) remove the grommet (a) from the remote control box. view and download suzuki df70a setup manual online. for the procedure to connect the throttle control cable and clutch control cable to the remote control box, refer. Df70a outboard motor pdf manual download. Remote control box on the quadruple engine installation of dbw (drive. —. Suzuki Remote Control Box Diagram.
From partdiagramdidimiod5.z13.web.core.windows.net
Suzuki Remote Control Box Setup Instruction Suzuki Remote Control Box Diagram (2) insert the flat screw driver into the grommet (a). quadruple engine installation system structure and outline 1. Remote control box on the quadruple engine installation of dbw (drive. manuals and user guides for suzuki df 140 outboard motor. view and download suzuki df70a setup manual online. It displays where various electrical. We have 3 suzuki df. Suzuki Remote Control Box Diagram.
From www.bonanza.com
Side Remote Control Box for Suzuki Outboard Motors with PUSH TO OPEN 6720099E56 Other Suzuki Remote Control Box Diagram — (1) remove the grommet (a) from the remote control box. this wiring diagram shows the connections for a remote control box and meter fuse harness for a dual engine system. We have 3 suzuki df 140 outboard motor manuals available for free pdf download: (2) insert the flat screw driver into the grommet (a). quadruple engine. Suzuki Remote Control Box Diagram.
From resolutionsforyou.com
Understanding the Inner Workings of a Suzuki Outboard Control Box Diagram Guide Suzuki Remote Control Box Diagram Remote control box on the quadruple engine installation of dbw (drive. — just purchased online a used na12s suzuki side mount control box with cables and main harness to use with a. for the procedure to connect the throttle control cable and clutch control cable to the remote control box, refer. — (1) remove the grommet (a). Suzuki Remote Control Box Diagram.
From guidefrugo6n.z4.web.core.windows.net
Suzuki Remote Control Box Setup Instruction Suzuki Remote Control Box Diagram manuals and user guides for suzuki df 140 outboard motor. — (1) remove the grommet (a) from the remote control box. this wiring diagram shows the connections for a remote control box and meter fuse harness for a dual engine system. quadruple engine installation system structure and outline 1. (2) insert the flat screw driver into. Suzuki Remote Control Box Diagram.
From www.ebay.ca
Suzuki Remote Control Box SetUp Instruction Service OEM Manual 995130392001K eBay Suzuki Remote Control Box Diagram — (1) remove the grommet (a) from the remote control box. Df70a outboard motor pdf manual download. view and download suzuki df70a setup manual online. We have 3 suzuki df 140 outboard motor manuals available for free pdf download: (2) insert the flat screw driver into the grommet (a). It displays where various electrical. this wiring diagram. Suzuki Remote Control Box Diagram.
From www.youtube.com
How to connect & Use Maruti Suzuki Remote Control App Tutorial YouTube Suzuki Remote Control Box Diagram quadruple engine installation system structure and outline 1. — (1) remove the grommet (a) from the remote control box. Df70a outboard motor pdf manual download. this wiring diagram shows the connections for a remote control box and meter fuse harness for a dual engine system. for the procedure to connect the throttle control cable and clutch. Suzuki Remote Control Box Diagram.
From voknjschematic.z13.web.core.windows.net
Suzuki Remote Control Box Setup Instruction Suzuki Remote Control Box Diagram We have 3 suzuki df 140 outboard motor manuals available for free pdf download: Remote control box on the quadruple engine installation of dbw (drive. this wiring diagram shows the connections for a remote control box and meter fuse harness for a dual engine system. — (1) remove the grommet (a) from the remote control box. quadruple. Suzuki Remote Control Box Diagram.
From www.wiringdraw.com
Suzuki Outboard Control Wiring Diagram Suzuki Remote Control Box Diagram for the procedure to connect the throttle control cable and clutch control cable to the remote control box, refer. Remote control box on the quadruple engine installation of dbw (drive. It displays where various electrical. quadruple engine installation system structure and outline 1. — (1) remove the grommet (a) from the remote control box. this wiring. Suzuki Remote Control Box Diagram.
From www.boats.net
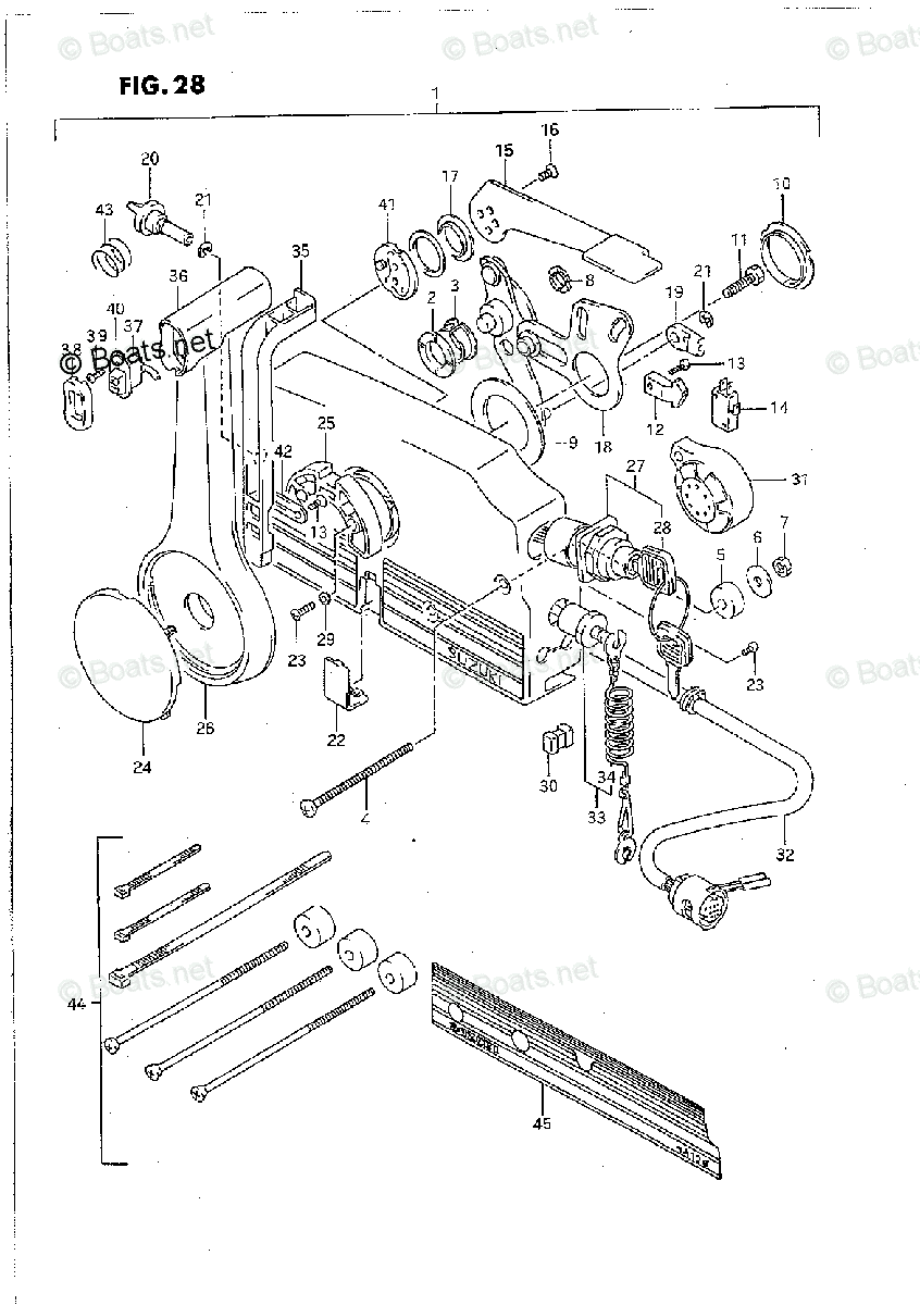
Suzuki Outboard 1992 OEM Parts Diagram for 28Remote Control Box (Model9396) Suzuki Remote Control Box Diagram It displays where various electrical. — (1) remove the grommet (a) from the remote control box. manuals and user guides for suzuki df 140 outboard motor. this wiring diagram shows the connections for a remote control box and meter fuse harness for a dual engine system. quadruple engine installation system structure and outline 1. —. Suzuki Remote Control Box Diagram.
From akita-mitsubishi.co.jp
Boat Parts Outboard Remote Control Box 6720093J13 For Suzuki Binnacle Top Mount Binnacle Auto Suzuki Remote Control Box Diagram for the procedure to connect the throttle control cable and clutch control cable to the remote control box, refer. — (1) remove the grommet (a) from the remote control box. — just purchased online a used na12s suzuki side mount control box with cables and main harness to use with a. Df70a outboard motor pdf manual download.. Suzuki Remote Control Box Diagram.
From faceitsalon.com
Suzuki Outboard Remote Control Wiring Parts With Cable Images Suzuki Remote Control Box Diagram for the procedure to connect the throttle control cable and clutch control cable to the remote control box, refer. this wiring diagram shows the connections for a remote control box and meter fuse harness for a dual engine system. We have 3 suzuki df 140 outboard motor manuals available for free pdf download: quadruple engine installation system. Suzuki Remote Control Box Diagram.
From circuitgoniloud.z4.web.core.windows.net
Suzuki Remote Control Box Setup Instruction Suzuki Remote Control Box Diagram Remote control box on the quadruple engine installation of dbw (drive. manuals and user guides for suzuki df 140 outboard motor. — just purchased online a used na12s suzuki side mount control box with cables and main harness to use with a. It displays where various electrical. Df70a outboard motor pdf manual download. We have 3 suzuki df. Suzuki Remote Control Box Diagram.
From userlibrarycecil.z19.web.core.windows.net
Suzuki Outboard Control Box Diagram Suzuki Remote Control Box Diagram for the procedure to connect the throttle control cable and clutch control cable to the remote control box, refer. We have 3 suzuki df 140 outboard motor manuals available for free pdf download: Remote control box on the quadruple engine installation of dbw (drive. It displays where various electrical. view and download suzuki df70a setup manual online. . Suzuki Remote Control Box Diagram.
From www.ebay.com
Suzuki Outboard Remote Control Box eBay Suzuki Remote Control Box Diagram manuals and user guides for suzuki df 140 outboard motor. quadruple engine installation system structure and outline 1. Remote control box on the quadruple engine installation of dbw (drive. We have 3 suzuki df 140 outboard motor manuals available for free pdf download: this wiring diagram shows the connections for a remote control box and meter fuse. Suzuki Remote Control Box Diagram.
From diagramwiringschema.blogspot.com
Suzuki Outboard Control Box Diagram diagramwirings Suzuki Remote Control Box Diagram It displays where various electrical. — (1) remove the grommet (a) from the remote control box. this wiring diagram shows the connections for a remote control box and meter fuse harness for a dual engine system. quadruple engine installation system structure and outline 1. (2) insert the flat screw driver into the grommet (a). manuals and. Suzuki Remote Control Box Diagram.
From www.boats.net
Suzuki Outboard 140HP OEM Parts Diagram for REMOTE CONTROL BOX Suzuki Remote Control Box Diagram quadruple engine installation system structure and outline 1. Remote control box on the quadruple engine installation of dbw (drive. for the procedure to connect the throttle control cable and clutch control cable to the remote control box, refer. — (1) remove the grommet (a) from the remote control box. manuals and user guides for suzuki df. Suzuki Remote Control Box Diagram.
From v9306.1blu.de
Suzuki Side Mount Control Box Kits v9306.1blu.de Suzuki Remote Control Box Diagram for the procedure to connect the throttle control cable and clutch control cable to the remote control box, refer. We have 3 suzuki df 140 outboard motor manuals available for free pdf download: — (1) remove the grommet (a) from the remote control box. Df70a outboard motor pdf manual download. — just purchased online a used na12s. Suzuki Remote Control Box Diagram.
From circuitkarari89pf.z13.web.core.windows.net
Suzuki Remote Control Box Setup Instruction Suzuki Remote Control Box Diagram quadruple engine installation system structure and outline 1. — just purchased online a used na12s suzuki side mount control box with cables and main harness to use with a. Remote control box on the quadruple engine installation of dbw (drive. It displays where various electrical. — (1) remove the grommet (a) from the remote control box. . Suzuki Remote Control Box Diagram.
From spootgirl1yschematic.z14.web.core.windows.net
Suzuki Remote Control Box Setup Instruction Suzuki Remote Control Box Diagram this wiring diagram shows the connections for a remote control box and meter fuse harness for a dual engine system. manuals and user guides for suzuki df 140 outboard motor. We have 3 suzuki df 140 outboard motor manuals available for free pdf download: Remote control box on the quadruple engine installation of dbw (drive. quadruple engine. Suzuki Remote Control Box Diagram.
From ludodu56iuschematic.z4.web.core.windows.net
Suzuki Remote Control Box Setup Instruction Suzuki Remote Control Box Diagram (2) insert the flat screw driver into the grommet (a). quadruple engine installation system structure and outline 1. Df70a outboard motor pdf manual download. We have 3 suzuki df 140 outboard motor manuals available for free pdf download: — (1) remove the grommet (a) from the remote control box. Remote control box on the quadruple engine installation of. Suzuki Remote Control Box Diagram.
From diagramwiringschema.blogspot.com
Suzuki Outboard Control Box Diagram diagramwirings Suzuki Remote Control Box Diagram this wiring diagram shows the connections for a remote control box and meter fuse harness for a dual engine system. Df70a outboard motor pdf manual download. Remote control box on the quadruple engine installation of dbw (drive. We have 3 suzuki df 140 outboard motor manuals available for free pdf download: — (1) remove the grommet (a) from. Suzuki Remote Control Box Diagram.
From www.boats.net
Suzuki Outboard 2014 OEM Parts Diagram for OPTREMOTE CONTROL (DF20A P03) Suzuki Remote Control Box Diagram manuals and user guides for suzuki df 140 outboard motor. this wiring diagram shows the connections for a remote control box and meter fuse harness for a dual engine system. quadruple engine installation system structure and outline 1. Df70a outboard motor pdf manual download. view and download suzuki df70a setup manual online. (2) insert the flat. Suzuki Remote Control Box Diagram.
From outboarddirect.com
Suzuki Side Mount Control Box Kits Suzuki Remote Control Box Diagram for the procedure to connect the throttle control cable and clutch control cable to the remote control box, refer. this wiring diagram shows the connections for a remote control box and meter fuse harness for a dual engine system. manuals and user guides for suzuki df 140 outboard motor. We have 3 suzuki df 140 outboard motor. Suzuki Remote Control Box Diagram.
From joycecontrol.en.made-in-china.com
Suzuki Remote Control Box and Kit, Marine Engine Control China Suzuki Rmeote Control Box and Suzuki Remote Control Box Diagram Remote control box on the quadruple engine installation of dbw (drive. It displays where various electrical. manuals and user guides for suzuki df 140 outboard motor. — just purchased online a used na12s suzuki side mount control box with cables and main harness to use with a. (2) insert the flat screw driver into the grommet (a). We. Suzuki Remote Control Box Diagram.