Clock Distribution Ic . Renesas has the largest portfolio of clock distribution devices that support differential signals. Find parameters, ordering and quality information. Our pcie and ethernet clocking portfolio includes bulk acoustic wave oscillators, fanout buffers, clock multiplexers and referenceless clock. Lvds, lvpecl, hcsl, lvcmos, cml,. We offer one of the most extensive arrays of clock distribution product lines in the industry including drivers and receivers, dividers, logic translators,. Ti’s lmk01801 is a dual clock distribution.
from www.electronicsweekly.com
Lvds, lvpecl, hcsl, lvcmos, cml,. Renesas has the largest portfolio of clock distribution devices that support differential signals. Our pcie and ethernet clocking portfolio includes bulk acoustic wave oscillators, fanout buffers, clock multiplexers and referenceless clock. We offer one of the most extensive arrays of clock distribution product lines in the industry including drivers and receivers, dividers, logic translators,. Find parameters, ordering and quality information. Ti’s lmk01801 is a dual clock distribution.
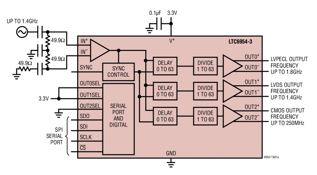
Clock distribution IC has 3 independent outputs
Clock Distribution Ic Lvds, lvpecl, hcsl, lvcmos, cml,. Lvds, lvpecl, hcsl, lvcmos, cml,. Find parameters, ordering and quality information. Renesas has the largest portfolio of clock distribution devices that support differential signals. We offer one of the most extensive arrays of clock distribution product lines in the industry including drivers and receivers, dividers, logic translators,. Our pcie and ethernet clocking portfolio includes bulk acoustic wave oscillators, fanout buffers, clock multiplexers and referenceless clock. Ti’s lmk01801 is a dual clock distribution.
From chinachipsun.en.made-in-china.com
Clock Fanout Buffer (Distribution) , Divider IC 1 2 2.5 GHz 16Vfqfn Exposed Pad, 16Mlf Clock Distribution Ic Lvds, lvpecl, hcsl, lvcmos, cml,. Ti’s lmk01801 is a dual clock distribution. Find parameters, ordering and quality information. Our pcie and ethernet clocking portfolio includes bulk acoustic wave oscillators, fanout buffers, clock multiplexers and referenceless clock. We offer one of the most extensive arrays of clock distribution product lines in the industry including drivers and receivers, dividers, logic translators,. Renesas. Clock Distribution Ic.
From dokumen.tips
(PDF) 1.6 GHz Clock Distribution IC, Dividers, Delay Adjust, Two DOKUMEN.TIPS Clock Distribution Ic Our pcie and ethernet clocking portfolio includes bulk acoustic wave oscillators, fanout buffers, clock multiplexers and referenceless clock. Lvds, lvpecl, hcsl, lvcmos, cml,. We offer one of the most extensive arrays of clock distribution product lines in the industry including drivers and receivers, dividers, logic translators,. Ti’s lmk01801 is a dual clock distribution. Find parameters, ordering and quality information. Renesas. Clock Distribution Ic.
From www.researchgate.net
Global clock distribution network, consisting of 16 resonant clock... Download Scientific Diagram Clock Distribution Ic Find parameters, ordering and quality information. We offer one of the most extensive arrays of clock distribution product lines in the industry including drivers and receivers, dividers, logic translators,. Renesas has the largest portfolio of clock distribution devices that support differential signals. Ti’s lmk01801 is a dual clock distribution. Lvds, lvpecl, hcsl, lvcmos, cml,. Our pcie and ethernet clocking portfolio. Clock Distribution Ic.
From www.slideserve.com
PPT HighSpeed TrackandHold Circuit Design PowerPoint Presentation ID8834864 Clock Distribution Ic Renesas has the largest portfolio of clock distribution devices that support differential signals. Find parameters, ordering and quality information. We offer one of the most extensive arrays of clock distribution product lines in the industry including drivers and receivers, dividers, logic translators,. Lvds, lvpecl, hcsl, lvcmos, cml,. Our pcie and ethernet clocking portfolio includes bulk acoustic wave oscillators, fanout buffers,. Clock Distribution Ic.
From www.researchgate.net
CMOS clock generation. (a) CML to CMOS conversion. (b) Dutycycle... Download Scientific Diagram Clock Distribution Ic Find parameters, ordering and quality information. Our pcie and ethernet clocking portfolio includes bulk acoustic wave oscillators, fanout buffers, clock multiplexers and referenceless clock. Ti’s lmk01801 is a dual clock distribution. We offer one of the most extensive arrays of clock distribution product lines in the industry including drivers and receivers, dividers, logic translators,. Renesas has the largest portfolio of. Clock Distribution Ic.
From studylib.net
AD9512EP 1.2 GHz Clock Distribution IC, 1.6 GHz Inputs, Dividers, Five Outputs Clock Distribution Ic Our pcie and ethernet clocking portfolio includes bulk acoustic wave oscillators, fanout buffers, clock multiplexers and referenceless clock. Ti’s lmk01801 is a dual clock distribution. Find parameters, ordering and quality information. We offer one of the most extensive arrays of clock distribution product lines in the industry including drivers and receivers, dividers, logic translators,. Lvds, lvpecl, hcsl, lvcmos, cml,. Renesas. Clock Distribution Ic.
From www.semanticscholar.org
[PDF] Design and analysis of a hierarchical clock distribution system for synchronous standard Clock Distribution Ic Find parameters, ordering and quality information. Our pcie and ethernet clocking portfolio includes bulk acoustic wave oscillators, fanout buffers, clock multiplexers and referenceless clock. Ti’s lmk01801 is a dual clock distribution. Renesas has the largest portfolio of clock distribution devices that support differential signals. We offer one of the most extensive arrays of clock distribution product lines in the industry. Clock Distribution Ic.
From www.semanticscholar.org
Figure 2 from Clock distribution networks in synchronous digital integrated circuits Semantic Clock Distribution Ic Our pcie and ethernet clocking portfolio includes bulk acoustic wave oscillators, fanout buffers, clock multiplexers and referenceless clock. Renesas has the largest portfolio of clock distribution devices that support differential signals. We offer one of the most extensive arrays of clock distribution product lines in the industry including drivers and receivers, dividers, logic translators,. Ti’s lmk01801 is a dual clock. Clock Distribution Ic.
From studylib.net
1.2 GHz Clock Distribution IC, PLL Core, AD9511 Clock Distribution Ic Renesas has the largest portfolio of clock distribution devices that support differential signals. Our pcie and ethernet clocking portfolio includes bulk acoustic wave oscillators, fanout buffers, clock multiplexers and referenceless clock. Find parameters, ordering and quality information. We offer one of the most extensive arrays of clock distribution product lines in the industry including drivers and receivers, dividers, logic translators,.. Clock Distribution Ic.
From www.circuitboardchips.com
AD9511BCPZ Integrated Circuit Chip 1.2 GHz Clock Distribution IC Chip Golden China Supplier Clock Distribution Ic Lvds, lvpecl, hcsl, lvcmos, cml,. Find parameters, ordering and quality information. Our pcie and ethernet clocking portfolio includes bulk acoustic wave oscillators, fanout buffers, clock multiplexers and referenceless clock. Renesas has the largest portfolio of clock distribution devices that support differential signals. We offer one of the most extensive arrays of clock distribution product lines in the industry including drivers. Clock Distribution Ic.
From www.slideserve.com
PPT HighSpeed TrackandHold Circuit Design PowerPoint Presentation ID8834864 Clock Distribution Ic Find parameters, ordering and quality information. Our pcie and ethernet clocking portfolio includes bulk acoustic wave oscillators, fanout buffers, clock multiplexers and referenceless clock. Ti’s lmk01801 is a dual clock distribution. We offer one of the most extensive arrays of clock distribution product lines in the industry including drivers and receivers, dividers, logic translators,. Renesas has the largest portfolio of. Clock Distribution Ic.
From electronics-project-hub.com
Digital Clock Circuit Using IC 555 and IC 4026 DIY Electronics Projects Clock Distribution Ic Lvds, lvpecl, hcsl, lvcmos, cml,. Our pcie and ethernet clocking portfolio includes bulk acoustic wave oscillators, fanout buffers, clock multiplexers and referenceless clock. Find parameters, ordering and quality information. We offer one of the most extensive arrays of clock distribution product lines in the industry including drivers and receivers, dividers, logic translators,. Ti’s lmk01801 is a dual clock distribution. Renesas. Clock Distribution Ic.
From www.slideserve.com
PPT Clock Distribution PowerPoint Presentation, free download ID4599510 Clock Distribution Ic Ti’s lmk01801 is a dual clock distribution. Lvds, lvpecl, hcsl, lvcmos, cml,. We offer one of the most extensive arrays of clock distribution product lines in the industry including drivers and receivers, dividers, logic translators,. Renesas has the largest portfolio of clock distribution devices that support differential signals. Our pcie and ethernet clocking portfolio includes bulk acoustic wave oscillators, fanout. Clock Distribution Ic.
From www.slideserve.com
PPT Clock Distribution PowerPoint Presentation, free download ID830138 Clock Distribution Ic Find parameters, ordering and quality information. Renesas has the largest portfolio of clock distribution devices that support differential signals. Ti’s lmk01801 is a dual clock distribution. Our pcie and ethernet clocking portfolio includes bulk acoustic wave oscillators, fanout buffers, clock multiplexers and referenceless clock. Lvds, lvpecl, hcsl, lvcmos, cml,. We offer one of the most extensive arrays of clock distribution. Clock Distribution Ic.
From pdfslide.net
(PDF) AD9514 1.6 GHz Clock Distribution IC, Dividers, … GHz Clock Distribution IC, Dividers Clock Distribution Ic We offer one of the most extensive arrays of clock distribution product lines in the industry including drivers and receivers, dividers, logic translators,. Ti’s lmk01801 is a dual clock distribution. Our pcie and ethernet clocking portfolio includes bulk acoustic wave oscillators, fanout buffers, clock multiplexers and referenceless clock. Find parameters, ordering and quality information. Lvds, lvpecl, hcsl, lvcmos, cml,. Renesas. Clock Distribution Ic.
From www.slideserve.com
PPT Clock Distribution Topologies PowerPoint Presentation, free download ID3041698 Clock Distribution Ic Lvds, lvpecl, hcsl, lvcmos, cml,. Our pcie and ethernet clocking portfolio includes bulk acoustic wave oscillators, fanout buffers, clock multiplexers and referenceless clock. Ti’s lmk01801 is a dual clock distribution. Renesas has the largest portfolio of clock distribution devices that support differential signals. We offer one of the most extensive arrays of clock distribution product lines in the industry including. Clock Distribution Ic.
From datasheetspdf.com
AD9510 Datasheet 1.2 GHz Clock Distribution IC Clock Distribution Ic Lvds, lvpecl, hcsl, lvcmos, cml,. We offer one of the most extensive arrays of clock distribution product lines in the industry including drivers and receivers, dividers, logic translators,. Renesas has the largest portfolio of clock distribution devices that support differential signals. Our pcie and ethernet clocking portfolio includes bulk acoustic wave oscillators, fanout buffers, clock multiplexers and referenceless clock. Ti’s. Clock Distribution Ic.
From studylib.net
1.2 GHz Clock Distribution IC, 1.6 GHz Inputs, AD9512 Clock Distribution Ic Our pcie and ethernet clocking portfolio includes bulk acoustic wave oscillators, fanout buffers, clock multiplexers and referenceless clock. Lvds, lvpecl, hcsl, lvcmos, cml,. We offer one of the most extensive arrays of clock distribution product lines in the industry including drivers and receivers, dividers, logic translators,. Find parameters, ordering and quality information. Ti’s lmk01801 is a dual clock distribution. Renesas. Clock Distribution Ic.
From eureka-patsnap-com.libproxy1.nus.edu.sg
Clock distribution circuit in a semiconductor integrated circuit Eureka Patsnap Clock Distribution Ic Lvds, lvpecl, hcsl, lvcmos, cml,. Renesas has the largest portfolio of clock distribution devices that support differential signals. Our pcie and ethernet clocking portfolio includes bulk acoustic wave oscillators, fanout buffers, clock multiplexers and referenceless clock. Ti’s lmk01801 is a dual clock distribution. Find parameters, ordering and quality information. We offer one of the most extensive arrays of clock distribution. Clock Distribution Ic.
From www.researchgate.net
Differential clock input buffer schematic drawing. Download Scientific Diagram Clock Distribution Ic Our pcie and ethernet clocking portfolio includes bulk acoustic wave oscillators, fanout buffers, clock multiplexers and referenceless clock. Lvds, lvpecl, hcsl, lvcmos, cml,. Ti’s lmk01801 is a dual clock distribution. We offer one of the most extensive arrays of clock distribution product lines in the industry including drivers and receivers, dividers, logic translators,. Renesas has the largest portfolio of clock. Clock Distribution Ic.
From www.slideserve.com
PPT A Global Minimum Clock Distribution Network Augmentation Algorithm for Guaranteed Clock Clock Distribution Ic Renesas has the largest portfolio of clock distribution devices that support differential signals. Ti’s lmk01801 is a dual clock distribution. Lvds, lvpecl, hcsl, lvcmos, cml,. Find parameters, ordering and quality information. We offer one of the most extensive arrays of clock distribution product lines in the industry including drivers and receivers, dividers, logic translators,. Our pcie and ethernet clocking portfolio. Clock Distribution Ic.
From novatech.en.made-in-china.com
Original Cdcv304pwr Cdcv304 Clock Fanout Buffer (Distribution) IC Electronic Component and IC Chip Clock Distribution Ic Find parameters, ordering and quality information. Renesas has the largest portfolio of clock distribution devices that support differential signals. We offer one of the most extensive arrays of clock distribution product lines in the industry including drivers and receivers, dividers, logic translators,. Ti’s lmk01801 is a dual clock distribution. Our pcie and ethernet clocking portfolio includes bulk acoustic wave oscillators,. Clock Distribution Ic.
From www.electronicsweekly.com
Clock distribution IC has 3 independent outputs Clock Distribution Ic Find parameters, ordering and quality information. Lvds, lvpecl, hcsl, lvcmos, cml,. Ti’s lmk01801 is a dual clock distribution. We offer one of the most extensive arrays of clock distribution product lines in the industry including drivers and receivers, dividers, logic translators,. Our pcie and ethernet clocking portfolio includes bulk acoustic wave oscillators, fanout buffers, clock multiplexers and referenceless clock. Renesas. Clock Distribution Ic.
From uk.rs-online.com
AD9554BCPZ, Clock Distribution Circuit CMOS, HCSL, LVDS, LVPECL, 2Input, 72Pin LFCSP VQ RS Clock Distribution Ic Ti’s lmk01801 is a dual clock distribution. Renesas has the largest portfolio of clock distribution devices that support differential signals. Lvds, lvpecl, hcsl, lvcmos, cml,. Our pcie and ethernet clocking portfolio includes bulk acoustic wave oscillators, fanout buffers, clock multiplexers and referenceless clock. Find parameters, ordering and quality information. We offer one of the most extensive arrays of clock distribution. Clock Distribution Ic.
From www.slideshare.net
DESIGN OF A LOW POWER MULTIBAND CLOCK DISTRIBUTION CIRCUIT USING SINGLE PHASE CLOCK PDF Clock Distribution Ic Our pcie and ethernet clocking portfolio includes bulk acoustic wave oscillators, fanout buffers, clock multiplexers and referenceless clock. Ti’s lmk01801 is a dual clock distribution. Renesas has the largest portfolio of clock distribution devices that support differential signals. We offer one of the most extensive arrays of clock distribution product lines in the industry including drivers and receivers, dividers, logic. Clock Distribution Ic.
From www.semanticscholar.org
Figure 25 from Clock distribution networks in synchronous digital integrated circuits Semantic Clock Distribution Ic Ti’s lmk01801 is a dual clock distribution. Renesas has the largest portfolio of clock distribution devices that support differential signals. Our pcie and ethernet clocking portfolio includes bulk acoustic wave oscillators, fanout buffers, clock multiplexers and referenceless clock. Lvds, lvpecl, hcsl, lvcmos, cml,. We offer one of the most extensive arrays of clock distribution product lines in the industry including. Clock Distribution Ic.
From www.allaboutcircuits.com
What is Clock Skew? Understanding Clock Skew in a Clock Distribution Network Technical Articles Clock Distribution Ic Our pcie and ethernet clocking portfolio includes bulk acoustic wave oscillators, fanout buffers, clock multiplexers and referenceless clock. Ti’s lmk01801 is a dual clock distribution. Renesas has the largest portfolio of clock distribution devices that support differential signals. Find parameters, ordering and quality information. We offer one of the most extensive arrays of clock distribution product lines in the industry. Clock Distribution Ic.
From www.researchgate.net
Tree structure of a clock distribution network. Download HighResolution Scientific Diagram Clock Distribution Ic Find parameters, ordering and quality information. Our pcie and ethernet clocking portfolio includes bulk acoustic wave oscillators, fanout buffers, clock multiplexers and referenceless clock. We offer one of the most extensive arrays of clock distribution product lines in the industry including drivers and receivers, dividers, logic translators,. Lvds, lvpecl, hcsl, lvcmos, cml,. Renesas has the largest portfolio of clock distribution. Clock Distribution Ic.
From www.researchgate.net
ATmega328P Clock Distribution diagram as shown in [7]. From this... Download Scientific Diagram Clock Distribution Ic Find parameters, ordering and quality information. Lvds, lvpecl, hcsl, lvcmos, cml,. Our pcie and ethernet clocking portfolio includes bulk acoustic wave oscillators, fanout buffers, clock multiplexers and referenceless clock. We offer one of the most extensive arrays of clock distribution product lines in the industry including drivers and receivers, dividers, logic translators,. Renesas has the largest portfolio of clock distribution. Clock Distribution Ic.
From www.allaboutcircuits.com
What is Clock Skew? Understanding Clock Skew in a Clock Distribution Network Technical Articles Clock Distribution Ic Our pcie and ethernet clocking portfolio includes bulk acoustic wave oscillators, fanout buffers, clock multiplexers and referenceless clock. Find parameters, ordering and quality information. Ti’s lmk01801 is a dual clock distribution. Lvds, lvpecl, hcsl, lvcmos, cml,. Renesas has the largest portfolio of clock distribution devices that support differential signals. We offer one of the most extensive arrays of clock distribution. Clock Distribution Ic.
From semiconductors.es
STCD1020 Datasheet Multichannel clock distribution circuit Clock Distribution Ic We offer one of the most extensive arrays of clock distribution product lines in the industry including drivers and receivers, dividers, logic translators,. Lvds, lvpecl, hcsl, lvcmos, cml,. Ti’s lmk01801 is a dual clock distribution. Renesas has the largest portfolio of clock distribution devices that support differential signals. Our pcie and ethernet clocking portfolio includes bulk acoustic wave oscillators, fanout. Clock Distribution Ic.
From dokumen.tips
(PDF) 800 MHz Clock Distribution IC, Dividers, Delay Adjust · 800 MHz Clock Distribution IC Clock Distribution Ic Renesas has the largest portfolio of clock distribution devices that support differential signals. Ti’s lmk01801 is a dual clock distribution. Lvds, lvpecl, hcsl, lvcmos, cml,. Find parameters, ordering and quality information. Our pcie and ethernet clocking portfolio includes bulk acoustic wave oscillators, fanout buffers, clock multiplexers and referenceless clock. We offer one of the most extensive arrays of clock distribution. Clock Distribution Ic.
From uk.rs-online.com
MC100LVEP111MNG, Clock Distribution Circuit ECL, HSTL, PECL, 2Input, 32Pin QFN RS Clock Distribution Ic Lvds, lvpecl, hcsl, lvcmos, cml,. Renesas has the largest portfolio of clock distribution devices that support differential signals. Find parameters, ordering and quality information. Ti’s lmk01801 is a dual clock distribution. Our pcie and ethernet clocking portfolio includes bulk acoustic wave oscillators, fanout buffers, clock multiplexers and referenceless clock. We offer one of the most extensive arrays of clock distribution. Clock Distribution Ic.
From pdfslide.net
(PDF) 1.6 GHz Clock Distribution IC, Dividers, Delay Adjust, Two Clock Distribution Ic Ti’s lmk01801 is a dual clock distribution. Our pcie and ethernet clocking portfolio includes bulk acoustic wave oscillators, fanout buffers, clock multiplexers and referenceless clock. Find parameters, ordering and quality information. We offer one of the most extensive arrays of clock distribution product lines in the industry including drivers and receivers, dividers, logic translators,. Lvds, lvpecl, hcsl, lvcmos, cml,. Renesas. Clock Distribution Ic.
From chinachipsun.en.made-in-china.com
Clock Fanout Buffer (Distribution) , Divider IC 1 2 2.5 GHz 16Vfqfn Exposed Pad, 16Mlf Clock Distribution Ic Renesas has the largest portfolio of clock distribution devices that support differential signals. Find parameters, ordering and quality information. We offer one of the most extensive arrays of clock distribution product lines in the industry including drivers and receivers, dividers, logic translators,. Ti’s lmk01801 is a dual clock distribution. Our pcie and ethernet clocking portfolio includes bulk acoustic wave oscillators,. Clock Distribution Ic.