Triac Ac Motor Speed Control Circuit Diagram . 22k views 6 years ago. When a voltage is applied to an ac induction motor, it runs at a certain speed. Ac motor speed control using triac. feb 26, 2021 9:09:03 pm / by johann tang. this motor speed control circuit diagram contains few components such as:. the schematic of the triac motor speed control circuit consists of a triac, a potentiometer, a diac, and a capacitor.
from impocarautomotriz.com
the schematic of the triac motor speed control circuit consists of a triac, a potentiometer, a diac, and a capacitor. this motor speed control circuit diagram contains few components such as:. Ac motor speed control using triac. 22k views 6 years ago. When a voltage is applied to an ac induction motor, it runs at a certain speed. feb 26, 2021 9:09:03 pm / by johann tang.
sahne donanımı Psikoloji Çok motor speed control with triac Frank
Triac Ac Motor Speed Control Circuit Diagram this motor speed control circuit diagram contains few components such as:. this motor speed control circuit diagram contains few components such as:. the schematic of the triac motor speed control circuit consists of a triac, a potentiometer, a diac, and a capacitor. feb 26, 2021 9:09:03 pm / by johann tang. 22k views 6 years ago. Ac motor speed control using triac. When a voltage is applied to an ac induction motor, it runs at a certain speed.
From www.circuits-diy.com
AC Power ControlsTRIAC BT136 Triac Ac Motor Speed Control Circuit Diagram this motor speed control circuit diagram contains few components such as:. the schematic of the triac motor speed control circuit consists of a triac, a potentiometer, a diac, and a capacitor. feb 26, 2021 9:09:03 pm / by johann tang. When a voltage is applied to an ac induction motor, it runs at a certain speed. Ac. Triac Ac Motor Speed Control Circuit Diagram.
From www.scientechworld.com
Speed Control of AC Motor Using TRIAC Experiment and Training Board Triac Ac Motor Speed Control Circuit Diagram the schematic of the triac motor speed control circuit consists of a triac, a potentiometer, a diac, and a capacitor. feb 26, 2021 9:09:03 pm / by johann tang. 22k views 6 years ago. this motor speed control circuit diagram contains few components such as:. Ac motor speed control using triac. When a voltage is applied. Triac Ac Motor Speed Control Circuit Diagram.
From wirelistunswathes.z19.web.core.windows.net
Blower Fan Motor Wiring Triac Ac Motor Speed Control Circuit Diagram Ac motor speed control using triac. 22k views 6 years ago. this motor speed control circuit diagram contains few components such as:. When a voltage is applied to an ac induction motor, it runs at a certain speed. feb 26, 2021 9:09:03 pm / by johann tang. the schematic of the triac motor speed control circuit. Triac Ac Motor Speed Control Circuit Diagram.
From diagramlibelbert.z21.web.core.windows.net
Fan Regulator Circuit Diagram Pdf Triac Ac Motor Speed Control Circuit Diagram feb 26, 2021 9:09:03 pm / by johann tang. Ac motor speed control using triac. the schematic of the triac motor speed control circuit consists of a triac, a potentiometer, a diac, and a capacitor. 22k views 6 years ago. When a voltage is applied to an ac induction motor, it runs at a certain speed. . Triac Ac Motor Speed Control Circuit Diagram.
From wiringfixmethane.z21.web.core.windows.net
Electrical Motor Circuit Diagram Triac Ac Motor Speed Control Circuit Diagram this motor speed control circuit diagram contains few components such as:. Ac motor speed control using triac. the schematic of the triac motor speed control circuit consists of a triac, a potentiometer, a diac, and a capacitor. feb 26, 2021 9:09:03 pm / by johann tang. 22k views 6 years ago. When a voltage is applied. Triac Ac Motor Speed Control Circuit Diagram.
From www.circuits-diy.com
AC Power Motor Speed Control Circuit Triac Ac Motor Speed Control Circuit Diagram When a voltage is applied to an ac induction motor, it runs at a certain speed. feb 26, 2021 9:09:03 pm / by johann tang. Ac motor speed control using triac. 22k views 6 years ago. the schematic of the triac motor speed control circuit consists of a triac, a potentiometer, a diac, and a capacitor. . Triac Ac Motor Speed Control Circuit Diagram.
From www.edaboard.com
Dual direction TRIAC 3phase motor control problem Forum for Electronics Triac Ac Motor Speed Control Circuit Diagram 22k views 6 years ago. this motor speed control circuit diagram contains few components such as:. Ac motor speed control using triac. When a voltage is applied to an ac induction motor, it runs at a certain speed. feb 26, 2021 9:09:03 pm / by johann tang. the schematic of the triac motor speed control circuit. Triac Ac Motor Speed Control Circuit Diagram.
From www.victoriana.com
Muskulös Kommunikation Nützlich triac ac motor speed control Diplomat Triac Ac Motor Speed Control Circuit Diagram Ac motor speed control using triac. this motor speed control circuit diagram contains few components such as:. 22k views 6 years ago. the schematic of the triac motor speed control circuit consists of a triac, a potentiometer, a diac, and a capacitor. feb 26, 2021 9:09:03 pm / by johann tang. When a voltage is applied. Triac Ac Motor Speed Control Circuit Diagram.
From diagramdatastephanie.z13.web.core.windows.net
Triac Motor Speed Control Circuit Diagram Triac Ac Motor Speed Control Circuit Diagram this motor speed control circuit diagram contains few components such as:. Ac motor speed control using triac. feb 26, 2021 9:09:03 pm / by johann tang. When a voltage is applied to an ac induction motor, it runs at a certain speed. 22k views 6 years ago. the schematic of the triac motor speed control circuit. Triac Ac Motor Speed Control Circuit Diagram.
From innovatorsguru.com
Switching AC Load Using Triac Triac Ac Motor Speed Control Circuit Diagram When a voltage is applied to an ac induction motor, it runs at a certain speed. this motor speed control circuit diagram contains few components such as:. the schematic of the triac motor speed control circuit consists of a triac, a potentiometer, a diac, and a capacitor. feb 26, 2021 9:09:03 pm / by johann tang. Ac. Triac Ac Motor Speed Control Circuit Diagram.
From wiringfixryan.z21.web.core.windows.net
Motor Control Circuit Diagram Pdf Triac Ac Motor Speed Control Circuit Diagram feb 26, 2021 9:09:03 pm / by johann tang. 22k views 6 years ago. When a voltage is applied to an ac induction motor, it runs at a certain speed. the schematic of the triac motor speed control circuit consists of a triac, a potentiometer, a diac, and a capacitor. Ac motor speed control using triac. . Triac Ac Motor Speed Control Circuit Diagram.
From manualmanualclarissa.z21.web.core.windows.net
12v 10a Dc Motor Speed Control Circuit Diagram Triac Ac Motor Speed Control Circuit Diagram this motor speed control circuit diagram contains few components such as:. 22k views 6 years ago. feb 26, 2021 9:09:03 pm / by johann tang. Ac motor speed control using triac. the schematic of the triac motor speed control circuit consists of a triac, a potentiometer, a diac, and a capacitor. When a voltage is applied. Triac Ac Motor Speed Control Circuit Diagram.
From www.victoriana.com
Muskulös Kommunikation Nützlich triac ac motor speed control Diplomat Triac Ac Motor Speed Control Circuit Diagram the schematic of the triac motor speed control circuit consists of a triac, a potentiometer, a diac, and a capacitor. Ac motor speed control using triac. 22k views 6 years ago. feb 26, 2021 9:09:03 pm / by johann tang. When a voltage is applied to an ac induction motor, it runs at a certain speed. . Triac Ac Motor Speed Control Circuit Diagram.
From diagramlibkruse.z19.web.core.windows.net
Ac Motor Circuit Diagram Triac Ac Motor Speed Control Circuit Diagram the schematic of the triac motor speed control circuit consists of a triac, a potentiometer, a diac, and a capacitor. Ac motor speed control using triac. this motor speed control circuit diagram contains few components such as:. When a voltage is applied to an ac induction motor, it runs at a certain speed. 22k views 6 years. Triac Ac Motor Speed Control Circuit Diagram.
From impocarautomotriz.com
sahne donanımı Psikoloji Çok motor speed control with triac Frank Triac Ac Motor Speed Control Circuit Diagram this motor speed control circuit diagram contains few components such as:. 22k views 6 years ago. feb 26, 2021 9:09:03 pm / by johann tang. Ac motor speed control using triac. When a voltage is applied to an ac induction motor, it runs at a certain speed. the schematic of the triac motor speed control circuit. Triac Ac Motor Speed Control Circuit Diagram.
From www.edaboard.com
Contol Speed Of AC Motor Using TRIAC Triac Ac Motor Speed Control Circuit Diagram feb 26, 2021 9:09:03 pm / by johann tang. 22k views 6 years ago. this motor speed control circuit diagram contains few components such as:. Ac motor speed control using triac. the schematic of the triac motor speed control circuit consists of a triac, a potentiometer, a diac, and a capacitor. When a voltage is applied. Triac Ac Motor Speed Control Circuit Diagram.
From guidepartspacesuit.z19.web.core.windows.net
Motor Control Circuit Wiring Diagram Triac Ac Motor Speed Control Circuit Diagram the schematic of the triac motor speed control circuit consists of a triac, a potentiometer, a diac, and a capacitor. Ac motor speed control using triac. this motor speed control circuit diagram contains few components such as:. When a voltage is applied to an ac induction motor, it runs at a certain speed. feb 26, 2021 9:09:03. Triac Ac Motor Speed Control Circuit Diagram.
From www.homemade-circuits.com
How to Use Triacs for Controlling Inductive Loads like Transformers and Triac Ac Motor Speed Control Circuit Diagram feb 26, 2021 9:09:03 pm / by johann tang. 22k views 6 years ago. the schematic of the triac motor speed control circuit consists of a triac, a potentiometer, a diac, and a capacitor. When a voltage is applied to an ac induction motor, it runs at a certain speed. this motor speed control circuit diagram. Triac Ac Motor Speed Control Circuit Diagram.
From www.seekic.com
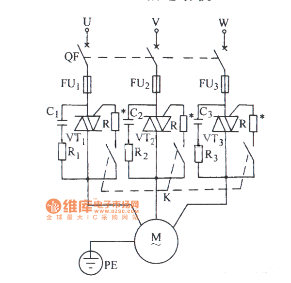
Triac control threephase motors typical circuit diagram Control Triac Ac Motor Speed Control Circuit Diagram 22k views 6 years ago. this motor speed control circuit diagram contains few components such as:. feb 26, 2021 9:09:03 pm / by johann tang. When a voltage is applied to an ac induction motor, it runs at a certain speed. Ac motor speed control using triac. the schematic of the triac motor speed control circuit. Triac Ac Motor Speed Control Circuit Diagram.
From guidepartmelissa.z21.web.core.windows.net
Circuit Diagram Temperature Controller Using 89c51 Triac Ac Motor Speed Control Circuit Diagram this motor speed control circuit diagram contains few components such as:. 22k views 6 years ago. the schematic of the triac motor speed control circuit consists of a triac, a potentiometer, a diac, and a capacitor. feb 26, 2021 9:09:03 pm / by johann tang. When a voltage is applied to an ac induction motor, it. Triac Ac Motor Speed Control Circuit Diagram.
From schematicdiagramelena.z21.web.core.windows.net
Dc Motor Reversing Circuit Diagram Triac Ac Motor Speed Control Circuit Diagram feb 26, 2021 9:09:03 pm / by johann tang. Ac motor speed control using triac. When a voltage is applied to an ac induction motor, it runs at a certain speed. 22k views 6 years ago. this motor speed control circuit diagram contains few components such as:. the schematic of the triac motor speed control circuit. Triac Ac Motor Speed Control Circuit Diagram.
From wirelibenrique.z21.web.core.windows.net
Soft Start Circuit Schematic Triac Ac Motor Speed Control Circuit Diagram this motor speed control circuit diagram contains few components such as:. feb 26, 2021 9:09:03 pm / by johann tang. When a voltage is applied to an ac induction motor, it runs at a certain speed. the schematic of the triac motor speed control circuit consists of a triac, a potentiometer, a diac, and a capacitor. Ac. Triac Ac Motor Speed Control Circuit Diagram.
From circuitdiagramcentre.blogspot.com
Make this PWM Based DC Motor Speed Controller Circuit Circuit Diagram Triac Ac Motor Speed Control Circuit Diagram 22k views 6 years ago. feb 26, 2021 9:09:03 pm / by johann tang. the schematic of the triac motor speed control circuit consists of a triac, a potentiometer, a diac, and a capacitor. When a voltage is applied to an ac induction motor, it runs at a certain speed. Ac motor speed control using triac. . Triac Ac Motor Speed Control Circuit Diagram.
From guideenginemarjorie.z21.web.core.windows.net
Ac Motor Speed Control Schematic Triac Ac Motor Speed Control Circuit Diagram this motor speed control circuit diagram contains few components such as:. feb 26, 2021 9:09:03 pm / by johann tang. the schematic of the triac motor speed control circuit consists of a triac, a potentiometer, a diac, and a capacitor. Ac motor speed control using triac. 22k views 6 years ago. When a voltage is applied. Triac Ac Motor Speed Control Circuit Diagram.
From circuitdigest.com
AC Fan Speed Control using Arduino and TRIAC Triac Ac Motor Speed Control Circuit Diagram feb 26, 2021 9:09:03 pm / by johann tang. When a voltage is applied to an ac induction motor, it runs at a certain speed. the schematic of the triac motor speed control circuit consists of a triac, a potentiometer, a diac, and a capacitor. 22k views 6 years ago. Ac motor speed control using triac. . Triac Ac Motor Speed Control Circuit Diagram.
From guideenginemarjorie.z21.web.core.windows.net
Ac Motor Control Circuit Triac Ac Motor Speed Control Circuit Diagram 22k views 6 years ago. When a voltage is applied to an ac induction motor, it runs at a certain speed. feb 26, 2021 9:09:03 pm / by johann tang. Ac motor speed control using triac. this motor speed control circuit diagram contains few components such as:. the schematic of the triac motor speed control circuit. Triac Ac Motor Speed Control Circuit Diagram.
From guideenginemarjorie.z21.web.core.windows.net
Ac Motor Speed Controller Circuit Triac Ac Motor Speed Control Circuit Diagram Ac motor speed control using triac. 22k views 6 years ago. the schematic of the triac motor speed control circuit consists of a triac, a potentiometer, a diac, and a capacitor. When a voltage is applied to an ac induction motor, it runs at a certain speed. feb 26, 2021 9:09:03 pm / by johann tang. . Triac Ac Motor Speed Control Circuit Diagram.
From wiringfixchretien.z19.web.core.windows.net
Power And Control Circuit Diagram Triac Ac Motor Speed Control Circuit Diagram When a voltage is applied to an ac induction motor, it runs at a certain speed. feb 26, 2021 9:09:03 pm / by johann tang. 22k views 6 years ago. Ac motor speed control using triac. the schematic of the triac motor speed control circuit consists of a triac, a potentiometer, a diac, and a capacitor. . Triac Ac Motor Speed Control Circuit Diagram.
From circuitlibraryharris.z19.web.core.windows.net
Control Circuit Diagram For Motor Starter Triac Ac Motor Speed Control Circuit Diagram 22k views 6 years ago. When a voltage is applied to an ac induction motor, it runs at a certain speed. the schematic of the triac motor speed control circuit consists of a triac, a potentiometer, a diac, and a capacitor. this motor speed control circuit diagram contains few components such as:. Ac motor speed control using. Triac Ac Motor Speed Control Circuit Diagram.