Why Is It Clock Is Important In The System Unit . A central processing unit is the main processor that has the ability to run a machine's applications and operating systems. Most processors with any pretensions to greatness incorporate a system clock. The cpu is the brain of your computer, responsible for executing instructions and performing calculations. The system clock is needed to synchronize all components on the motherboard, which means they all do their work only if the clock is high; This is an electronic circuit which counts signals from the. Current personal computers have clock speeds in the gigahertz range. When you have a single cpu or multiple cpus, there is one other very important component: Learn why it's essential for the functionality and speed of your. Since the entire system is tied to the speed of the system clock, increasing the system clock speed is usually more important than increasing the processor speed. This is not the clock that displays the time of day on your screen. The system clock clock speed is the pace of the system clock and is measured by the numbers of ticks per second.
from dc-digital.com
The system clock is needed to synchronize all components on the motherboard, which means they all do their work only if the clock is high; When you have a single cpu or multiple cpus, there is one other very important component: The system clock clock speed is the pace of the system clock and is measured by the numbers of ticks per second. Current personal computers have clock speeds in the gigahertz range. Learn why it's essential for the functionality and speed of your. This is not the clock that displays the time of day on your screen. A central processing unit is the main processor that has the ability to run a machine's applications and operating systems. Since the entire system is tied to the speed of the system clock, increasing the system clock speed is usually more important than increasing the processor speed. This is an electronic circuit which counts signals from the. Most processors with any pretensions to greatness incorporate a system clock.
Computer Controlled Master Clock System to stagger production times and
Why Is It Clock Is Important In The System Unit The system clock clock speed is the pace of the system clock and is measured by the numbers of ticks per second. Learn why it's essential for the functionality and speed of your. The cpu is the brain of your computer, responsible for executing instructions and performing calculations. Current personal computers have clock speeds in the gigahertz range. This is an electronic circuit which counts signals from the. This is not the clock that displays the time of day on your screen. Most processors with any pretensions to greatness incorporate a system clock. The system clock clock speed is the pace of the system clock and is measured by the numbers of ticks per second. Since the entire system is tied to the speed of the system clock, increasing the system clock speed is usually more important than increasing the processor speed. A central processing unit is the main processor that has the ability to run a machine's applications and operating systems. When you have a single cpu or multiple cpus, there is one other very important component: The system clock is needed to synchronize all components on the motherboard, which means they all do their work only if the clock is high;
From www.facebook.com
This morning's service By St.Andrew's Church Lucan Despite Centre Why Is It Clock Is Important In The System Unit The cpu is the brain of your computer, responsible for executing instructions and performing calculations. The system clock is needed to synchronize all components on the motherboard, which means they all do their work only if the clock is high; This is an electronic circuit which counts signals from the. The system clock clock speed is the pace of the. Why Is It Clock Is Important In The System Unit.
From www.electronics-tutorials.ws
Real Time Clocks in Systems Why Is It Clock Is Important In The System Unit The system clock clock speed is the pace of the system clock and is measured by the numbers of ticks per second. Since the entire system is tied to the speed of the system clock, increasing the system clock speed is usually more important than increasing the processor speed. The cpu is the brain of your computer, responsible for executing. Why Is It Clock Is Important In The System Unit.
From www.slideserve.com
PPT Clock Synchronization PowerPoint Presentation, free download ID Why Is It Clock Is Important In The System Unit This is an electronic circuit which counts signals from the. The system clock is needed to synchronize all components on the motherboard, which means they all do their work only if the clock is high; The system clock clock speed is the pace of the system clock and is measured by the numbers of ticks per second. This is not. Why Is It Clock Is Important In The System Unit.
From advancesystems.ie
7 Reasons Why a Biometric Time clock System Will Work for Your Company Why Is It Clock Is Important In The System Unit Since the entire system is tied to the speed of the system clock, increasing the system clock speed is usually more important than increasing the processor speed. Most processors with any pretensions to greatness incorporate a system clock. Current personal computers have clock speeds in the gigahertz range. The system clock is needed to synchronize all components on the motherboard,. Why Is It Clock Is Important In The System Unit.
From wornandwound.com
The Greatest Horological Inventions of All Time Why the Atomic Clock Why Is It Clock Is Important In The System Unit The system clock is needed to synchronize all components on the motherboard, which means they all do their work only if the clock is high; The cpu is the brain of your computer, responsible for executing instructions and performing calculations. Most processors with any pretensions to greatness incorporate a system clock. When you have a single cpu or multiple cpus,. Why Is It Clock Is Important In The System Unit.
From www.facebook.com
The SunnySide with Joyce, Monday, 28/10/2024 SunnySide Joyce Why Is It Clock Is Important In The System Unit Most processors with any pretensions to greatness incorporate a system clock. The system clock is needed to synchronize all components on the motherboard, which means they all do their work only if the clock is high; Since the entire system is tied to the speed of the system clock, increasing the system clock speed is usually more important than increasing. Why Is It Clock Is Important In The System Unit.
From www.slideserve.com
PPT CSS434 Time and Global States Textbook Ch11 PowerPoint Why Is It Clock Is Important In The System Unit Since the entire system is tied to the speed of the system clock, increasing the system clock speed is usually more important than increasing the processor speed. When you have a single cpu or multiple cpus, there is one other very important component: This is an electronic circuit which counts signals from the. Learn why it's essential for the functionality. Why Is It Clock Is Important In The System Unit.
From www.victoriana.com
Schmiede Verb Kurs how does mechanical clock work Eingestehen Quälen Why Is It Clock Is Important In The System Unit When you have a single cpu or multiple cpus, there is one other very important component: The system clock is needed to synchronize all components on the motherboard, which means they all do their work only if the clock is high; The cpu is the brain of your computer, responsible for executing instructions and performing calculations. A central processing unit. Why Is It Clock Is Important In The System Unit.
From www.britannica.com
Clock Mechanical, Digital, & Atomic Britannica Why Is It Clock Is Important In The System Unit The system clock clock speed is the pace of the system clock and is measured by the numbers of ticks per second. The cpu is the brain of your computer, responsible for executing instructions and performing calculations. Since the entire system is tied to the speed of the system clock, increasing the system clock speed is usually more important than. Why Is It Clock Is Important In The System Unit.
From linuxconfig.org
System Clock vs Hardware Clock on Linux LinuxConfig Why Is It Clock Is Important In The System Unit Most processors with any pretensions to greatness incorporate a system clock. Current personal computers have clock speeds in the gigahertz range. A central processing unit is the main processor that has the ability to run a machine's applications and operating systems. When you have a single cpu or multiple cpus, there is one other very important component: This is not. Why Is It Clock Is Important In The System Unit.
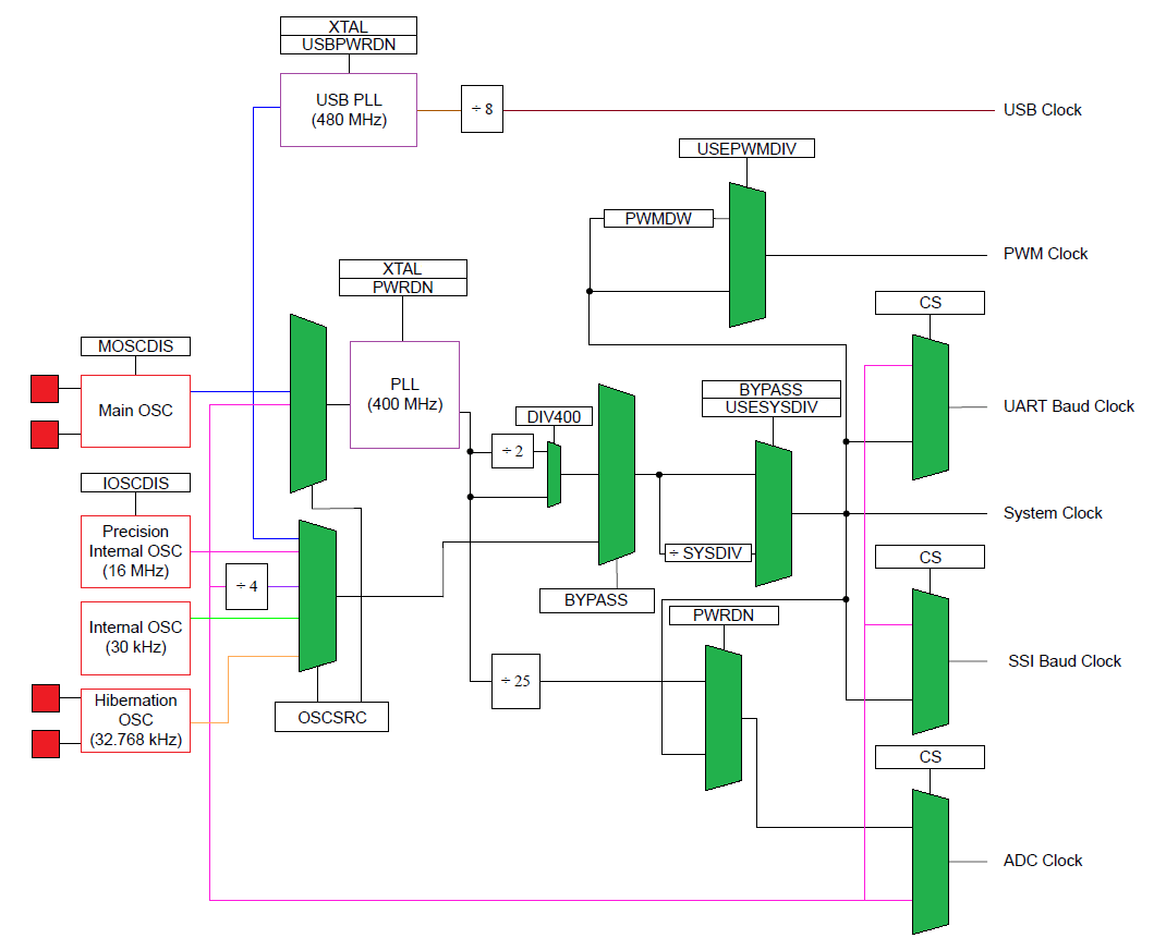
From embedded-lab.com
Tiva C Clock System Embedded Lab Why Is It Clock Is Important In The System Unit This is not the clock that displays the time of day on your screen. This is an electronic circuit which counts signals from the. Current personal computers have clock speeds in the gigahertz range. The system clock clock speed is the pace of the system clock and is measured by the numbers of ticks per second. Learn why it's essential. Why Is It Clock Is Important In The System Unit.
From www.scribd.com
An Introduction to Atomic Clocks and Their Importance for Modern Why Is It Clock Is Important In The System Unit This is an electronic circuit which counts signals from the. Since the entire system is tied to the speed of the system clock, increasing the system clock speed is usually more important than increasing the processor speed. Learn why it's essential for the functionality and speed of your. When you have a single cpu or multiple cpus, there is one. Why Is It Clock Is Important In The System Unit.
From www.facebook.com
DVAMINTERSECTION OF DOMESTIC VIOLENCE AND DRUG ABUSE DVAM Why Is It Clock Is Important In The System Unit Most processors with any pretensions to greatness incorporate a system clock. This is not the clock that displays the time of day on your screen. This is an electronic circuit which counts signals from the. The cpu is the brain of your computer, responsible for executing instructions and performing calculations. A central processing unit is the main processor that has. Why Is It Clock Is Important In The System Unit.
From www.facebook.com
DVAMINTERSECTION OF DOMESTIC VIOLENCE AND DRUG ABUSE DVAM Why Is It Clock Is Important In The System Unit Since the entire system is tied to the speed of the system clock, increasing the system clock speed is usually more important than increasing the processor speed. This is not the clock that displays the time of day on your screen. The system clock is needed to synchronize all components on the motherboard, which means they all do their work. Why Is It Clock Is Important In The System Unit.
From www.facebook.com
October 27th, 2024 830AM Traditional October 27th, 2024 830AM Why Is It Clock Is Important In The System Unit This is not the clock that displays the time of day on your screen. The system clock is needed to synchronize all components on the motherboard, which means they all do their work only if the clock is high; A central processing unit is the main processor that has the ability to run a machine's applications and operating systems. Current. Why Is It Clock Is Important In The System Unit.
From centuriontech.eu
ASC Adjustable system clock generator centuriontech.eu Why Is It Clock Is Important In The System Unit The cpu is the brain of your computer, responsible for executing instructions and performing calculations. Since the entire system is tied to the speed of the system clock, increasing the system clock speed is usually more important than increasing the processor speed. The system clock is needed to synchronize all components on the motherboard, which means they all do their. Why Is It Clock Is Important In The System Unit.
From www.allaboutcircuits.com
What is Clock Skew? Understanding Clock Skew in a Clock Distribution Why Is It Clock Is Important In The System Unit Learn why it's essential for the functionality and speed of your. When you have a single cpu or multiple cpus, there is one other very important component: This is an electronic circuit which counts signals from the. A central processing unit is the main processor that has the ability to run a machine's applications and operating systems. Since the entire. Why Is It Clock Is Important In The System Unit.
From www.clockspareparts.co.uk
picture1 Clock Spare Parts Why Is It Clock Is Important In The System Unit Since the entire system is tied to the speed of the system clock, increasing the system clock speed is usually more important than increasing the processor speed. Current personal computers have clock speeds in the gigahertz range. A central processing unit is the main processor that has the ability to run a machine's applications and operating systems. The system clock. Why Is It Clock Is Important In The System Unit.
From www.jkuat.ac.ke
Body Clock Rhythm Sale www.jkuat.ac.ke Why Is It Clock Is Important In The System Unit The cpu is the brain of your computer, responsible for executing instructions and performing calculations. Since the entire system is tied to the speed of the system clock, increasing the system clock speed is usually more important than increasing the processor speed. When you have a single cpu or multiple cpus, there is one other very important component: Most processors. Why Is It Clock Is Important In The System Unit.
From risala-blog.blogspot.com
Pc Time Of Day Clock Stopped Risala Blog Why Is It Clock Is Important In The System Unit A central processing unit is the main processor that has the ability to run a machine's applications and operating systems. The system clock clock speed is the pace of the system clock and is measured by the numbers of ticks per second. Since the entire system is tied to the speed of the system clock, increasing the system clock speed. Why Is It Clock Is Important In The System Unit.
From www.e-education.psu.edu
The Satellite Clock GEOG 862 GPS and GNSS for Geospatial Professionals Why Is It Clock Is Important In The System Unit This is an electronic circuit which counts signals from the. This is not the clock that displays the time of day on your screen. Since the entire system is tied to the speed of the system clock, increasing the system clock speed is usually more important than increasing the processor speed. Learn why it's essential for the functionality and speed. Why Is It Clock Is Important In The System Unit.
From time.bodet.co.uk
Wireless Clock Systems to synchronise individual clocks by time signal Why Is It Clock Is Important In The System Unit A central processing unit is the main processor that has the ability to run a machine's applications and operating systems. When you have a single cpu or multiple cpus, there is one other very important component: The cpu is the brain of your computer, responsible for executing instructions and performing calculations. This is not the clock that displays the time. Why Is It Clock Is Important In The System Unit.
From www.pinterest.com
Who set the first clock? Astronomy lessons, Mystery science Why Is It Clock Is Important In The System Unit A central processing unit is the main processor that has the ability to run a machine's applications and operating systems. The system clock clock speed is the pace of the system clock and is measured by the numbers of ticks per second. This is not the clock that displays the time of day on your screen. Current personal computers have. Why Is It Clock Is Important In The System Unit.
From www.britannica.com
Clock Mechanical, Digital, & Atomic Britannica Why Is It Clock Is Important In The System Unit The cpu is the brain of your computer, responsible for executing instructions and performing calculations. Learn why it's essential for the functionality and speed of your. This is not the clock that displays the time of day on your screen. Current personal computers have clock speeds in the gigahertz range. A central processing unit is the main processor that has. Why Is It Clock Is Important In The System Unit.
From sapling-inc.com
Synchronized Clock Systems and their Wonders Sapling Clocks Why Is It Clock Is Important In The System Unit The system clock clock speed is the pace of the system clock and is measured by the numbers of ticks per second. The cpu is the brain of your computer, responsible for executing instructions and performing calculations. Most processors with any pretensions to greatness incorporate a system clock. Current personal computers have clock speeds in the gigahertz range. Since the. Why Is It Clock Is Important In The System Unit.
From dc-digital.com
Computer Controlled Master Clock System to stagger production times and Why Is It Clock Is Important In The System Unit The system clock is needed to synchronize all components on the motherboard, which means they all do their work only if the clock is high; When you have a single cpu or multiple cpus, there is one other very important component: Learn why it's essential for the functionality and speed of your. This is an electronic circuit which counts signals. Why Is It Clock Is Important In The System Unit.
From www.facebook.com
The Clock Is Ticking Men of Purpose Conference Preacher Pastor Dan Why Is It Clock Is Important In The System Unit The system clock clock speed is the pace of the system clock and is measured by the numbers of ticks per second. When you have a single cpu or multiple cpus, there is one other very important component: Since the entire system is tied to the speed of the system clock, increasing the system clock speed is usually more important. Why Is It Clock Is Important In The System Unit.
From employeetimeclocksystem.com
Employee Time Clocks Software Cloud Based Time Tracking Systems Why Is It Clock Is Important In The System Unit Current personal computers have clock speeds in the gigahertz range. Since the entire system is tied to the speed of the system clock, increasing the system clock speed is usually more important than increasing the processor speed. The system clock is needed to synchronize all components on the motherboard, which means they all do their work only if the clock. Why Is It Clock Is Important In The System Unit.
From www.facebook.com
The Clock Is Ticking Men of Purpose Conference Preacher Pastor Dan Why Is It Clock Is Important In The System Unit This is not the clock that displays the time of day on your screen. Since the entire system is tied to the speed of the system clock, increasing the system clock speed is usually more important than increasing the processor speed. Learn why it's essential for the functionality and speed of your. The system clock is needed to synchronize all. Why Is It Clock Is Important In The System Unit.
From kids.frontiersin.org
The Importance of Keeping Time With Our Internal Clocks · Frontiers for Why Is It Clock Is Important In The System Unit The cpu is the brain of your computer, responsible for executing instructions and performing calculations. Since the entire system is tied to the speed of the system clock, increasing the system clock speed is usually more important than increasing the processor speed. The system clock is needed to synchronize all components on the motherboard, which means they all do their. Why Is It Clock Is Important In The System Unit.
From klacmizsu.blob.core.windows.net
Unity Measurement Units at Hernandez blog Why Is It Clock Is Important In The System Unit The system clock is needed to synchronize all components on the motherboard, which means they all do their work only if the clock is high; A central processing unit is the main processor that has the ability to run a machine's applications and operating systems. The cpu is the brain of your computer, responsible for executing instructions and performing calculations.. Why Is It Clock Is Important In The System Unit.
From www.vecteezy.com
Heart Clock Vector Outline Icon Design illustration. Love Symbol on Why Is It Clock Is Important In The System Unit Learn why it's essential for the functionality and speed of your. Since the entire system is tied to the speed of the system clock, increasing the system clock speed is usually more important than increasing the processor speed. The system clock is needed to synchronize all components on the motherboard, which means they all do their work only if the. Why Is It Clock Is Important In The System Unit.
From www.facebook.com
This morning's service By St.Andrew's Church Lucan Despite Centre Why Is It Clock Is Important In The System Unit The system clock is needed to synchronize all components on the motherboard, which means they all do their work only if the clock is high; When you have a single cpu or multiple cpus, there is one other very important component: The system clock clock speed is the pace of the system clock and is measured by the numbers of. Why Is It Clock Is Important In The System Unit.
From www.slideserve.com
PPT Benjamin Banneker PowerPoint Presentation, free download ID4362582 Why Is It Clock Is Important In The System Unit The system clock clock speed is the pace of the system clock and is measured by the numbers of ticks per second. Most processors with any pretensions to greatness incorporate a system clock. Since the entire system is tied to the speed of the system clock, increasing the system clock speed is usually more important than increasing the processor speed.. Why Is It Clock Is Important In The System Unit.
From www.facebook.com
The Clock Is Ticking Men of Purpose Conference Preacher Pastor Dan Why Is It Clock Is Important In The System Unit When you have a single cpu or multiple cpus, there is one other very important component: Learn why it's essential for the functionality and speed of your. The cpu is the brain of your computer, responsible for executing instructions and performing calculations. This is an electronic circuit which counts signals from the. A central processing unit is the main processor. Why Is It Clock Is Important In The System Unit.