Induction Cooker Circuit Explained . an induction cooker circuit board diagram is a representation of the electrical components and connections in an induction cooker. in this video i explained working principle of #induction #cooker. in this circuit, as per my understanding, the ac supply is passed to rectifier that converts it to pulsating dc c2 capacitor is used to smooth the. at the core of an induction cooker's schematic circuit is a power section that utilizes a resistor capacitor. induction cooking is a cooking process using direct electrical induction heating of cooking vessels, rather than relying on indirect. The induction cooker schematic diagram shows the various parts. to find out, let's take a look at the induction cooker schematic diagram.
from www.roboticskanti.com
an induction cooker circuit board diagram is a representation of the electrical components and connections in an induction cooker. induction cooking is a cooking process using direct electrical induction heating of cooking vessels, rather than relying on indirect. to find out, let's take a look at the induction cooker schematic diagram. The induction cooker schematic diagram shows the various parts. in this circuit, as per my understanding, the ac supply is passed to rectifier that converts it to pulsating dc c2 capacitor is used to smooth the. in this video i explained working principle of #induction #cooker. at the core of an induction cooker's schematic circuit is a power section that utilizes a resistor capacitor.
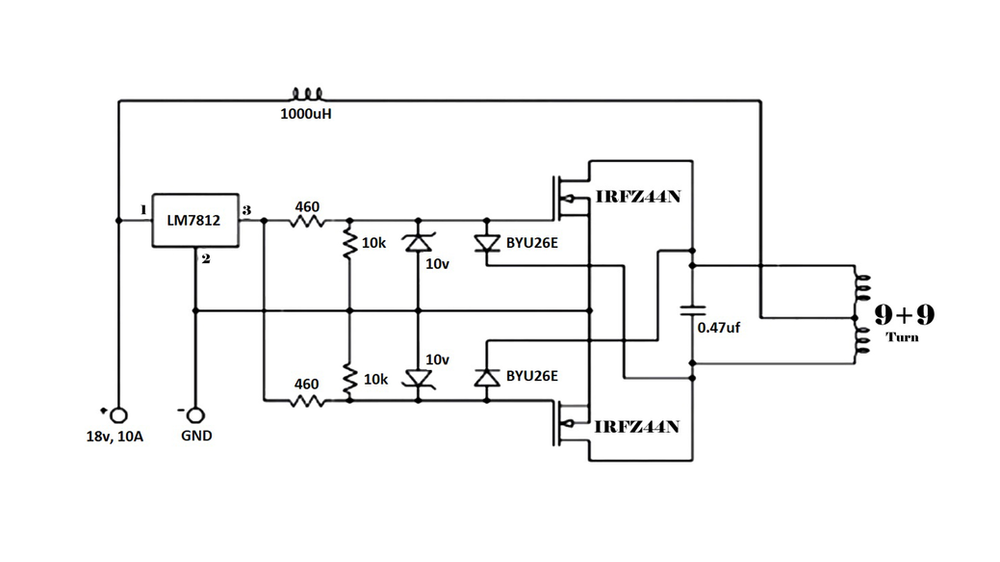
Make Induction Cooker
Induction Cooker Circuit Explained induction cooking is a cooking process using direct electrical induction heating of cooking vessels, rather than relying on indirect. an induction cooker circuit board diagram is a representation of the electrical components and connections in an induction cooker. at the core of an induction cooker's schematic circuit is a power section that utilizes a resistor capacitor. in this circuit, as per my understanding, the ac supply is passed to rectifier that converts it to pulsating dc c2 capacitor is used to smooth the. induction cooking is a cooking process using direct electrical induction heating of cooking vessels, rather than relying on indirect. The induction cooker schematic diagram shows the various parts. to find out, let's take a look at the induction cooker schematic diagram. in this video i explained working principle of #induction #cooker.
From partdiagramaburre1t.z21.web.core.windows.net
Schematic Circuit Diagram Of Induction Cooker Induction Cooker Circuit Explained in this circuit, as per my understanding, the ac supply is passed to rectifier that converts it to pulsating dc c2 capacitor is used to smooth the. The induction cooker schematic diagram shows the various parts. induction cooking is a cooking process using direct electrical induction heating of cooking vessels, rather than relying on indirect. in this. Induction Cooker Circuit Explained.
From schematiclisttabun101.z19.web.core.windows.net
Induction Cooker Schematic Circuit Diagram Induction Cooker Circuit Explained at the core of an induction cooker's schematic circuit is a power section that utilizes a resistor capacitor. in this video i explained working principle of #induction #cooker. The induction cooker schematic diagram shows the various parts. to find out, let's take a look at the induction cooker schematic diagram. induction cooking is a cooking process. Induction Cooker Circuit Explained.
From partdiagramnecrosonjiay.z21.web.core.windows.net
Basic Circuit Diagram Of Induction Cooker Induction Cooker Circuit Explained at the core of an induction cooker's schematic circuit is a power section that utilizes a resistor capacitor. induction cooking is a cooking process using direct electrical induction heating of cooking vessels, rather than relying on indirect. The induction cooker schematic diagram shows the various parts. to find out, let's take a look at the induction cooker. Induction Cooker Circuit Explained.
From www.youtube.com
How Induction Cooker works ?? YouTube Induction Cooker Circuit Explained induction cooking is a cooking process using direct electrical induction heating of cooking vessels, rather than relying on indirect. in this circuit, as per my understanding, the ac supply is passed to rectifier that converts it to pulsating dc c2 capacitor is used to smooth the. in this video i explained working principle of #induction #cooker. The. Induction Cooker Circuit Explained.
From wiringdbsusanne123.z19.web.core.windows.net
12V Induction Cooker Circuit Diagram Induction Cooker Circuit Explained to find out, let's take a look at the induction cooker schematic diagram. induction cooking is a cooking process using direct electrical induction heating of cooking vessels, rather than relying on indirect. at the core of an induction cooker's schematic circuit is a power section that utilizes a resistor capacitor. The induction cooker schematic diagram shows the. Induction Cooker Circuit Explained.
From www.homemade-circuits.com
2 Simple Induction Heater Circuits Hot Plate Cookers Homemade Induction Cooker Circuit Explained an induction cooker circuit board diagram is a representation of the electrical components and connections in an induction cooker. to find out, let's take a look at the induction cooker schematic diagram. at the core of an induction cooker's schematic circuit is a power section that utilizes a resistor capacitor. The induction cooker schematic diagram shows the. Induction Cooker Circuit Explained.
From www.caretxdigital.com
induction cooker circuit diagram using lm339 Wiring Diagram and Induction Cooker Circuit Explained to find out, let's take a look at the induction cooker schematic diagram. at the core of an induction cooker's schematic circuit is a power section that utilizes a resistor capacitor. induction cooking is a cooking process using direct electrical induction heating of cooking vessels, rather than relying on indirect. The induction cooker schematic diagram shows the. Induction Cooker Circuit Explained.
From www.youtube.com
Induction Cooker Circuit Diagram Details. 🌎🔥Induction Cooker Repair Induction Cooker Circuit Explained an induction cooker circuit board diagram is a representation of the electrical components and connections in an induction cooker. to find out, let's take a look at the induction cooker schematic diagram. in this video i explained working principle of #induction #cooker. in this circuit, as per my understanding, the ac supply is passed to rectifier. Induction Cooker Circuit Explained.
From wiringfixcotelantvr.z22.web.core.windows.net
Induction Cooktop Use Instructions Induction Cooker Circuit Explained an induction cooker circuit board diagram is a representation of the electrical components and connections in an induction cooker. The induction cooker schematic diagram shows the various parts. in this video i explained working principle of #induction #cooker. to find out, let's take a look at the induction cooker schematic diagram. at the core of an. Induction Cooker Circuit Explained.
From www.roboticskanti.com
Make Induction Cooker Induction Cooker Circuit Explained in this circuit, as per my understanding, the ac supply is passed to rectifier that converts it to pulsating dc c2 capacitor is used to smooth the. induction cooking is a cooking process using direct electrical induction heating of cooking vessels, rather than relying on indirect. at the core of an induction cooker's schematic circuit is a. Induction Cooker Circuit Explained.
From www.circuitdiagram.co
induction cooker circuit diagram Circuit Diagram Induction Cooker Circuit Explained an induction cooker circuit board diagram is a representation of the electrical components and connections in an induction cooker. in this video i explained working principle of #induction #cooker. in this circuit, as per my understanding, the ac supply is passed to rectifier that converts it to pulsating dc c2 capacitor is used to smooth the. . Induction Cooker Circuit Explained.
From www.caretxdigital.com
prestige induction cooker circuit diagram pdf Wiring Diagram and Induction Cooker Circuit Explained in this video i explained working principle of #induction #cooker. The induction cooker schematic diagram shows the various parts. in this circuit, as per my understanding, the ac supply is passed to rectifier that converts it to pulsating dc c2 capacitor is used to smooth the. induction cooking is a cooking process using direct electrical induction heating. Induction Cooker Circuit Explained.
From schematicpartclaudia.z19.web.core.windows.net
Dc Induction Cooker Circuit Diagram Induction Cooker Circuit Explained The induction cooker schematic diagram shows the various parts. in this circuit, as per my understanding, the ac supply is passed to rectifier that converts it to pulsating dc c2 capacitor is used to smooth the. induction cooking is a cooking process using direct electrical induction heating of cooking vessels, rather than relying on indirect. to find. Induction Cooker Circuit Explained.
From robhosking.com
14+ Induction Cooker Circuit Diagram Using Lm339 Robhosking Diagram Induction Cooker Circuit Explained in this circuit, as per my understanding, the ac supply is passed to rectifier that converts it to pulsating dc c2 capacitor is used to smooth the. to find out, let's take a look at the induction cooker schematic diagram. in this video i explained working principle of #induction #cooker. an induction cooker circuit board diagram. Induction Cooker Circuit Explained.
From guidelibstraplines.z22.web.core.windows.net
Induction Cooking Circuit Diagram Induction Cooker Circuit Explained The induction cooker schematic diagram shows the various parts. in this circuit, as per my understanding, the ac supply is passed to rectifier that converts it to pulsating dc c2 capacitor is used to smooth the. to find out, let's take a look at the induction cooker schematic diagram. an induction cooker circuit board diagram is a. Induction Cooker Circuit Explained.
From www.mdpi.com
Sensors Free FullText Infrared SensorBased Temperature Control Induction Cooker Circuit Explained induction cooking is a cooking process using direct electrical induction heating of cooking vessels, rather than relying on indirect. an induction cooker circuit board diagram is a representation of the electrical components and connections in an induction cooker. in this video i explained working principle of #induction #cooker. to find out, let's take a look at. Induction Cooker Circuit Explained.
From wiringdiagram.2bitboer.com
Schematic Circuit Diagram Of Induction Cooker Wiring Diagram Induction Cooker Circuit Explained an induction cooker circuit board diagram is a representation of the electrical components and connections in an induction cooker. induction cooking is a cooking process using direct electrical induction heating of cooking vessels, rather than relying on indirect. to find out, let's take a look at the induction cooker schematic diagram. at the core of an. Induction Cooker Circuit Explained.
From goclean.masscec.com
How Induction Cooking Works Massachusetts Clean Energy Center Induction Cooker Circuit Explained to find out, let's take a look at the induction cooker schematic diagram. in this circuit, as per my understanding, the ac supply is passed to rectifier that converts it to pulsating dc c2 capacitor is used to smooth the. an induction cooker circuit board diagram is a representation of the electrical components and connections in an. Induction Cooker Circuit Explained.
From schematicwiringmike.z19.web.core.windows.net
Induction Cooker Circuit Board Diagram Induction Cooker Circuit Explained The induction cooker schematic diagram shows the various parts. an induction cooker circuit board diagram is a representation of the electrical components and connections in an induction cooker. at the core of an induction cooker's schematic circuit is a power section that utilizes a resistor capacitor. induction cooking is a cooking process using direct electrical induction heating. Induction Cooker Circuit Explained.
From www.researchgate.net
0 Basic circuit of a domestic purpose induction cooker Download Induction Cooker Circuit Explained an induction cooker circuit board diagram is a representation of the electrical components and connections in an induction cooker. at the core of an induction cooker's schematic circuit is a power section that utilizes a resistor capacitor. to find out, let's take a look at the induction cooker schematic diagram. induction cooking is a cooking process. Induction Cooker Circuit Explained.
From www.youtube.com
Induction Cooker Repair Circuit Diagram & Explanation for Repairing Induction Cooker Circuit Explained induction cooking is a cooking process using direct electrical induction heating of cooking vessels, rather than relying on indirect. in this video i explained working principle of #induction #cooker. to find out, let's take a look at the induction cooker schematic diagram. The induction cooker schematic diagram shows the various parts. an induction cooker circuit board. Induction Cooker Circuit Explained.
From fixitfrequency.com
Efficient and powerful A 2000w induction cooker circuit diagram Induction Cooker Circuit Explained induction cooking is a cooking process using direct electrical induction heating of cooking vessels, rather than relying on indirect. in this video i explained working principle of #induction #cooker. to find out, let's take a look at the induction cooker schematic diagram. at the core of an induction cooker's schematic circuit is a power section that. Induction Cooker Circuit Explained.
From www.scienceabc.com
How Does An Induction Cooktop Work? » ScienceABC Induction Cooker Circuit Explained to find out, let's take a look at the induction cooker schematic diagram. induction cooking is a cooking process using direct electrical induction heating of cooking vessels, rather than relying on indirect. in this video i explained working principle of #induction #cooker. an induction cooker circuit board diagram is a representation of the electrical components and. Induction Cooker Circuit Explained.
From circuitdiagramcentre.blogspot.com
Simple Induction Heater Circuit Hot Plate Cooker Circuit Circuit Induction Cooker Circuit Explained an induction cooker circuit board diagram is a representation of the electrical components and connections in an induction cooker. in this circuit, as per my understanding, the ac supply is passed to rectifier that converts it to pulsating dc c2 capacitor is used to smooth the. induction cooking is a cooking process using direct electrical induction heating. Induction Cooker Circuit Explained.
From guidewiringlange.z19.web.core.windows.net
Prestige Induction Cooker Circuit Diagram Pdf Induction Cooker Circuit Explained in this circuit, as per my understanding, the ac supply is passed to rectifier that converts it to pulsating dc c2 capacitor is used to smooth the. in this video i explained working principle of #induction #cooker. at the core of an induction cooker's schematic circuit is a power section that utilizes a resistor capacitor. an. Induction Cooker Circuit Explained.
From elexexplorer.com
How does InductionStove work? Elex Explorer Induction Cooker Circuit Explained at the core of an induction cooker's schematic circuit is a power section that utilizes a resistor capacitor. an induction cooker circuit board diagram is a representation of the electrical components and connections in an induction cooker. The induction cooker schematic diagram shows the various parts. in this video i explained working principle of #induction #cooker. . Induction Cooker Circuit Explained.
From www.circuitdiagram.co
Induction Cooktop Schematic Diagram Circuit Diagram Induction Cooker Circuit Explained induction cooking is a cooking process using direct electrical induction heating of cooking vessels, rather than relying on indirect. in this circuit, as per my understanding, the ac supply is passed to rectifier that converts it to pulsating dc c2 capacitor is used to smooth the. at the core of an induction cooker's schematic circuit is a. Induction Cooker Circuit Explained.
From enginelistblack55.z19.web.core.windows.net
Copper Induction Cooker Circuit Diagram Induction Cooker Circuit Explained in this video i explained working principle of #induction #cooker. to find out, let's take a look at the induction cooker schematic diagram. induction cooking is a cooking process using direct electrical induction heating of cooking vessels, rather than relying on indirect. at the core of an induction cooker's schematic circuit is a power section that. Induction Cooker Circuit Explained.
From wireenginepaul.z19.web.core.windows.net
Circuit Diagram Of Induction Cooktop Induction Cooker Circuit Explained The induction cooker schematic diagram shows the various parts. induction cooking is a cooking process using direct electrical induction heating of cooking vessels, rather than relying on indirect. at the core of an induction cooker's schematic circuit is a power section that utilizes a resistor capacitor. an induction cooker circuit board diagram is a representation of the. Induction Cooker Circuit Explained.
From schematicpolintflxbs.z21.web.core.windows.net
Induction Propulsion Circuit Diagram Induction Cooker Circuit Explained induction cooking is a cooking process using direct electrical induction heating of cooking vessels, rather than relying on indirect. in this circuit, as per my understanding, the ac supply is passed to rectifier that converts it to pulsating dc c2 capacitor is used to smooth the. to find out, let's take a look at the induction cooker. Induction Cooker Circuit Explained.
From fixfixdoreen.z19.web.core.windows.net
Induction Stove Induction Cooker Circuit Diagram Induction Cooker Circuit Explained at the core of an induction cooker's schematic circuit is a power section that utilizes a resistor capacitor. induction cooking is a cooking process using direct electrical induction heating of cooking vessels, rather than relying on indirect. an induction cooker circuit board diagram is a representation of the electrical components and connections in an induction cooker. . Induction Cooker Circuit Explained.
From thecircuitdiagrams.blogspot.com
Fushibao induction cooker circuit Signal_Processing Circuit Induction Cooker Circuit Explained The induction cooker schematic diagram shows the various parts. an induction cooker circuit board diagram is a representation of the electrical components and connections in an induction cooker. in this circuit, as per my understanding, the ac supply is passed to rectifier that converts it to pulsating dc c2 capacitor is used to smooth the. to find. Induction Cooker Circuit Explained.
From schematiclistsacredly.z14.web.core.windows.net
Induction Cooker Schematic Circuit Diagram Induction Cooker Circuit Explained an induction cooker circuit board diagram is a representation of the electrical components and connections in an induction cooker. to find out, let's take a look at the induction cooker schematic diagram. in this circuit, as per my understanding, the ac supply is passed to rectifier that converts it to pulsating dc c2 capacitor is used to. Induction Cooker Circuit Explained.
From enginelistblack55.z19.web.core.windows.net
Copper Induction Cooker Circuit Diagram Induction Cooker Circuit Explained The induction cooker schematic diagram shows the various parts. induction cooking is a cooking process using direct electrical induction heating of cooking vessels, rather than relying on indirect. at the core of an induction cooker's schematic circuit is a power section that utilizes a resistor capacitor. to find out, let's take a look at the induction cooker. Induction Cooker Circuit Explained.
From wiringfixakiufaidiwt.z22.web.core.windows.net
Basic Circuit Diagram Of Induction Cooker Induction Cooker Circuit Explained an induction cooker circuit board diagram is a representation of the electrical components and connections in an induction cooker. at the core of an induction cooker's schematic circuit is a power section that utilizes a resistor capacitor. in this video i explained working principle of #induction #cooker. to find out, let's take a look at the. Induction Cooker Circuit Explained.