Bridge Rectifier Pinout . learn about the mb10f, a surface mount glass passivated bridge rectifier with low voltage drop and high surge current. Bridge rectifiers typically comprise of four or more diodes. understanding the pinout of this bridge rectifier is essential for correct wiring and proper functioning of the circuit. we see that the junction diode bridge rectifier output is very close to ideal. how does a bridge rectifier work? In fact, if a>>1.4 v, the dc component of this. Bridge rectifiers use four diodes that are arranged cleverly to convert the ac supply voltage. this type of single phase rectifier uses four individual rectifying diodes connected in a closed loop “bridge” configuration to produce the desired output. bridge rectifiers are circuits that convert alternating current (ac) into direct current (dc) using diodes arranged in the bridge circuit configuration.
from organicic4.blogspot.com
Bridge rectifiers use four diodes that are arranged cleverly to convert the ac supply voltage. learn about the mb10f, a surface mount glass passivated bridge rectifier with low voltage drop and high surge current. how does a bridge rectifier work? understanding the pinout of this bridge rectifier is essential for correct wiring and proper functioning of the circuit. Bridge rectifiers typically comprise of four or more diodes. bridge rectifiers are circuits that convert alternating current (ac) into direct current (dc) using diodes arranged in the bridge circuit configuration. In fact, if a>>1.4 v, the dc component of this. this type of single phase rectifier uses four individual rectifying diodes connected in a closed loop “bridge” configuration to produce the desired output. we see that the junction diode bridge rectifier output is very close to ideal.
Bridge Rectifier Wiring Diagram Organicic
Bridge Rectifier Pinout we see that the junction diode bridge rectifier output is very close to ideal. Bridge rectifiers use four diodes that are arranged cleverly to convert the ac supply voltage. Bridge rectifiers typically comprise of four or more diodes. bridge rectifiers are circuits that convert alternating current (ac) into direct current (dc) using diodes arranged in the bridge circuit configuration. how does a bridge rectifier work? we see that the junction diode bridge rectifier output is very close to ideal. this type of single phase rectifier uses four individual rectifying diodes connected in a closed loop “bridge” configuration to produce the desired output. understanding the pinout of this bridge rectifier is essential for correct wiring and proper functioning of the circuit. In fact, if a>>1.4 v, the dc component of this. learn about the mb10f, a surface mount glass passivated bridge rectifier with low voltage drop and high surge current.
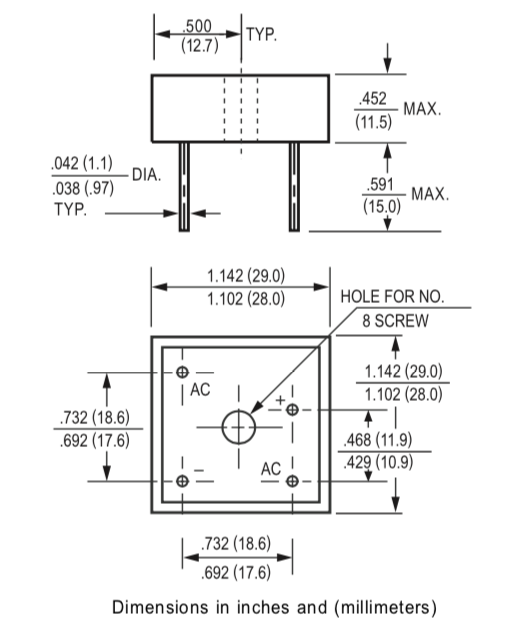
From support.envistiamall.com
KBPC5010 1000V 50A Bridge Rectifier Dimensions, Pinout, and Bridge Rectifier Pinout how does a bridge rectifier work? bridge rectifiers are circuits that convert alternating current (ac) into direct current (dc) using diodes arranged in the bridge circuit configuration. Bridge rectifiers typically comprise of four or more diodes. learn about the mb10f, a surface mount glass passivated bridge rectifier with low voltage drop and high surge current. Bridge rectifiers. Bridge Rectifier Pinout.
From organicic4.blogspot.com
Bridge Rectifier Wiring Diagram Organicic Bridge Rectifier Pinout how does a bridge rectifier work? Bridge rectifiers use four diodes that are arranged cleverly to convert the ac supply voltage. this type of single phase rectifier uses four individual rectifying diodes connected in a closed loop “bridge” configuration to produce the desired output. In fact, if a>>1.4 v, the dc component of this. we see that. Bridge Rectifier Pinout.
From www.circuits-diy.com
W10M 1000V 1A Full Wave Bridge Rectifier Datasheet Bridge Rectifier Pinout how does a bridge rectifier work? this type of single phase rectifier uses four individual rectifying diodes connected in a closed loop “bridge” configuration to produce the desired output. we see that the junction diode bridge rectifier output is very close to ideal. understanding the pinout of this bridge rectifier is essential for correct wiring and. Bridge Rectifier Pinout.
From schematicdiagramglocer.z19.web.core.windows.net
Bridge Rectifier Circuit Diagram With Working Bridge Rectifier Pinout In fact, if a>>1.4 v, the dc component of this. Bridge rectifiers typically comprise of four or more diodes. understanding the pinout of this bridge rectifier is essential for correct wiring and proper functioning of the circuit. how does a bridge rectifier work? Bridge rectifiers use four diodes that are arranged cleverly to convert the ac supply voltage.. Bridge Rectifier Pinout.
From fixlibrarylaboregikn.z4.web.core.windows.net
Bridge Rectifier Circuit Diagram Explained Bridge Rectifier Pinout In fact, if a>>1.4 v, the dc component of this. Bridge rectifiers typically comprise of four or more diodes. we see that the junction diode bridge rectifier output is very close to ideal. understanding the pinout of this bridge rectifier is essential for correct wiring and proper functioning of the circuit. learn about the mb10f, a surface. Bridge Rectifier Pinout.
From www.vrogue.co
Mb10f Bridge Rectifier Pinout Datasheet Equivalent vrogue.co Bridge Rectifier Pinout how does a bridge rectifier work? bridge rectifiers are circuits that convert alternating current (ac) into direct current (dc) using diodes arranged in the bridge circuit configuration. learn about the mb10f, a surface mount glass passivated bridge rectifier with low voltage drop and high surge current. Bridge rectifiers use four diodes that are arranged cleverly to convert. Bridge Rectifier Pinout.
From edu.svet.gob.gt
MB10F Bridge Rectifier Pinout, Datasheet, Equivalent, Bridge Rectifier Pinout learn about the mb10f, a surface mount glass passivated bridge rectifier with low voltage drop and high surge current. Bridge rectifiers use four diodes that are arranged cleverly to convert the ac supply voltage. how does a bridge rectifier work? In fact, if a>>1.4 v, the dc component of this. bridge rectifiers are circuits that convert alternating. Bridge Rectifier Pinout.
From components101.com
MB10F Bridge Rectifier Pinout, Datasheet, Equivalent, Circuit, and Bridge Rectifier Pinout learn about the mb10f, a surface mount glass passivated bridge rectifier with low voltage drop and high surge current. this type of single phase rectifier uses four individual rectifying diodes connected in a closed loop “bridge” configuration to produce the desired output. Bridge rectifiers use four diodes that are arranged cleverly to convert the ac supply voltage. Bridge. Bridge Rectifier Pinout.
From www.slidemake.com
Construction And Working Of Bridge Rectifier Bridge Rectifier Pinout Bridge rectifiers typically comprise of four or more diodes. we see that the junction diode bridge rectifier output is very close to ideal. Bridge rectifiers use four diodes that are arranged cleverly to convert the ac supply voltage. bridge rectifiers are circuits that convert alternating current (ac) into direct current (dc) using diodes arranged in the bridge circuit. Bridge Rectifier Pinout.
From www.got2bwireless.com
Bridge Rectifier Wiring Diagram For Your Needs Bridge Rectifier Pinout we see that the junction diode bridge rectifier output is very close to ideal. understanding the pinout of this bridge rectifier is essential for correct wiring and proper functioning of the circuit. learn about the mb10f, a surface mount glass passivated bridge rectifier with low voltage drop and high surge current. In fact, if a>>1.4 v, the. Bridge Rectifier Pinout.
From userdatarheumatics.z21.web.core.windows.net
Single Phase Diode Bridge Rectifier Circuit Bridge Rectifier Pinout In fact, if a>>1.4 v, the dc component of this. Bridge rectifiers use four diodes that are arranged cleverly to convert the ac supply voltage. understanding the pinout of this bridge rectifier is essential for correct wiring and proper functioning of the circuit. this type of single phase rectifier uses four individual rectifying diodes connected in a closed. Bridge Rectifier Pinout.
From www.thegeekpub.com
Bridge Rectifier Circuit Electronics Basics The Geek Pub Bridge Rectifier Pinout understanding the pinout of this bridge rectifier is essential for correct wiring and proper functioning of the circuit. how does a bridge rectifier work? learn about the mb10f, a surface mount glass passivated bridge rectifier with low voltage drop and high surge current. Bridge rectifiers use four diodes that are arranged cleverly to convert the ac supply. Bridge Rectifier Pinout.
From www.circuits-diy.com
GBPC3510A 1000V 35A Bridge Rectifier Datasheet Bridge Rectifier Pinout this type of single phase rectifier uses four individual rectifying diodes connected in a closed loop “bridge” configuration to produce the desired output. bridge rectifiers are circuits that convert alternating current (ac) into direct current (dc) using diodes arranged in the bridge circuit configuration. learn about the mb10f, a surface mount glass passivated bridge rectifier with low. Bridge Rectifier Pinout.
From wiringdiagram.2bitboer.com
Power Supply Circuit Diagram Using Bridge Rectifier Wiring Diagram Bridge Rectifier Pinout understanding the pinout of this bridge rectifier is essential for correct wiring and proper functioning of the circuit. bridge rectifiers are circuits that convert alternating current (ac) into direct current (dc) using diodes arranged in the bridge circuit configuration. Bridge rectifiers use four diodes that are arranged cleverly to convert the ac supply voltage. Bridge rectifiers typically comprise. Bridge Rectifier Pinout.
From www.youtube.com
How to make AC to DC Converter using Bridge Rectifier // bridge Bridge Rectifier Pinout we see that the junction diode bridge rectifier output is very close to ideal. how does a bridge rectifier work? Bridge rectifiers use four diodes that are arranged cleverly to convert the ac supply voltage. this type of single phase rectifier uses four individual rectifying diodes connected in a closed loop “bridge” configuration to produce the desired. Bridge Rectifier Pinout.
From www.vrogue.co
Mb10f Bridge Rectifier Pinout Datasheet Equivalent Ci vrogue.co Bridge Rectifier Pinout we see that the junction diode bridge rectifier output is very close to ideal. how does a bridge rectifier work? this type of single phase rectifier uses four individual rectifying diodes connected in a closed loop “bridge” configuration to produce the desired output. In fact, if a>>1.4 v, the dc component of this. bridge rectifiers are. Bridge Rectifier Pinout.
From www.tankbig.com
35 Amp 1000 Volt Kbpc3510 Bridge Rectifier Car Wiring Diagram Bridge Rectifier Pinout we see that the junction diode bridge rectifier output is very close to ideal. Bridge rectifiers use four diodes that are arranged cleverly to convert the ac supply voltage. In fact, if a>>1.4 v, the dc component of this. Bridge rectifiers typically comprise of four or more diodes. this type of single phase rectifier uses four individual rectifying. Bridge Rectifier Pinout.
From www.tankbig.com
Bridge Rectifier Pinout Bridge Rectifier Pinout we see that the junction diode bridge rectifier output is very close to ideal. how does a bridge rectifier work? bridge rectifiers are circuits that convert alternating current (ac) into direct current (dc) using diodes arranged in the bridge circuit configuration. Bridge rectifiers typically comprise of four or more diodes. this type of single phase rectifier. Bridge Rectifier Pinout.
From fixwiringida.z13.web.core.windows.net
Kbpc3510 Bridge Rectifier Wiring Diagram Bridge Rectifier Pinout learn about the mb10f, a surface mount glass passivated bridge rectifier with low voltage drop and high surge current. this type of single phase rectifier uses four individual rectifying diodes connected in a closed loop “bridge” configuration to produce the desired output. how does a bridge rectifier work? Bridge rectifiers use four diodes that are arranged cleverly. Bridge Rectifier Pinout.
From organicic4.blogspot.com
Bridge Rectifier Wiring Diagram Organicic Bridge Rectifier Pinout Bridge rectifiers typically comprise of four or more diodes. how does a bridge rectifier work? this type of single phase rectifier uses four individual rectifying diodes connected in a closed loop “bridge” configuration to produce the desired output. Bridge rectifiers use four diodes that are arranged cleverly to convert the ac supply voltage. learn about the mb10f,. Bridge Rectifier Pinout.
From circuitdbclicheed.z13.web.core.windows.net
Diagram Of A Bridge Rectifier Bridge Rectifier Pinout bridge rectifiers are circuits that convert alternating current (ac) into direct current (dc) using diodes arranged in the bridge circuit configuration. how does a bridge rectifier work? we see that the junction diode bridge rectifier output is very close to ideal. this type of single phase rectifier uses four individual rectifying diodes connected in a closed. Bridge Rectifier Pinout.
From wiringdbgerste.z19.web.core.windows.net
Bridge Rectifier Connection Diagram Bridge Rectifier Pinout learn about the mb10f, a surface mount glass passivated bridge rectifier with low voltage drop and high surge current. Bridge rectifiers use four diodes that are arranged cleverly to convert the ac supply voltage. understanding the pinout of this bridge rectifier is essential for correct wiring and proper functioning of the circuit. we see that the junction. Bridge Rectifier Pinout.
From wiringlistmanhattans.z14.web.core.windows.net
Explain Bridge Rectifier With Circuit Diagram Bridge Rectifier Pinout Bridge rectifiers use four diodes that are arranged cleverly to convert the ac supply voltage. In fact, if a>>1.4 v, the dc component of this. this type of single phase rectifier uses four individual rectifying diodes connected in a closed loop “bridge” configuration to produce the desired output. understanding the pinout of this bridge rectifier is essential for. Bridge Rectifier Pinout.
From diagramlibundirtaki8cw.z21.web.core.windows.net
Simple Bridge Rectifier Circuit Diagrams Bridge Rectifier Pinout this type of single phase rectifier uses four individual rectifying diodes connected in a closed loop “bridge” configuration to produce the desired output. we see that the junction diode bridge rectifier output is very close to ideal. Bridge rectifiers typically comprise of four or more diodes. bridge rectifiers are circuits that convert alternating current (ac) into direct. Bridge Rectifier Pinout.
From support.envistiamall.com
KBPC5010 1000V 50A Bridge Rectifier Dimensions, Pinout, and Bridge Rectifier Pinout we see that the junction diode bridge rectifier output is very close to ideal. Bridge rectifiers use four diodes that are arranged cleverly to convert the ac supply voltage. learn about the mb10f, a surface mount glass passivated bridge rectifier with low voltage drop and high surge current. this type of single phase rectifier uses four individual. Bridge Rectifier Pinout.
From www.vrogue.co
Mb10f Bridge Rectifier Pinout Datasheet Equivalent Ci vrogue.co Bridge Rectifier Pinout understanding the pinout of this bridge rectifier is essential for correct wiring and proper functioning of the circuit. bridge rectifiers are circuits that convert alternating current (ac) into direct current (dc) using diodes arranged in the bridge circuit configuration. learn about the mb10f, a surface mount glass passivated bridge rectifier with low voltage drop and high surge. Bridge Rectifier Pinout.
From www.engineersgarage.com
Simple AC to DC converter using bridge rectifier Bridge Rectifier Pinout Bridge rectifiers typically comprise of four or more diodes. In fact, if a>>1.4 v, the dc component of this. how does a bridge rectifier work? understanding the pinout of this bridge rectifier is essential for correct wiring and proper functioning of the circuit. learn about the mb10f, a surface mount glass passivated bridge rectifier with low voltage. Bridge Rectifier Pinout.
From hackaday.com
Scope Noob Bridge Rectifier Hackaday Bridge Rectifier Pinout bridge rectifiers are circuits that convert alternating current (ac) into direct current (dc) using diodes arranged in the bridge circuit configuration. understanding the pinout of this bridge rectifier is essential for correct wiring and proper functioning of the circuit. this type of single phase rectifier uses four individual rectifying diodes connected in a closed loop “bridge” configuration. Bridge Rectifier Pinout.
From organicic4.blogspot.com
Bridge Rectifier Wiring Diagram Organicic Bridge Rectifier Pinout Bridge rectifiers use four diodes that are arranged cleverly to convert the ac supply voltage. we see that the junction diode bridge rectifier output is very close to ideal. this type of single phase rectifier uses four individual rectifying diodes connected in a closed loop “bridge” configuration to produce the desired output. bridge rectifiers are circuits that. Bridge Rectifier Pinout.
From www.youtube.com
Full wave bridge rectifier circuit on proteus YouTube Bridge Rectifier Pinout Bridge rectifiers use four diodes that are arranged cleverly to convert the ac supply voltage. bridge rectifiers are circuits that convert alternating current (ac) into direct current (dc) using diodes arranged in the bridge circuit configuration. understanding the pinout of this bridge rectifier is essential for correct wiring and proper functioning of the circuit. Bridge rectifiers typically comprise. Bridge Rectifier Pinout.
From www.passive-electroniccomponents.com
Pinout High Current Bridge Rectifier KBPC3510W Single Phase With Metal Case Bridge Rectifier Pinout this type of single phase rectifier uses four individual rectifying diodes connected in a closed loop “bridge” configuration to produce the desired output. bridge rectifiers are circuits that convert alternating current (ac) into direct current (dc) using diodes arranged in the bridge circuit configuration. understanding the pinout of this bridge rectifier is essential for correct wiring and. Bridge Rectifier Pinout.
From partdiagramnecrosonjiay.z21.web.core.windows.net
Bridge Rectifier Circuit Diagram Explained Bridge Rectifier Pinout how does a bridge rectifier work? Bridge rectifiers use four diodes that are arranged cleverly to convert the ac supply voltage. we see that the junction diode bridge rectifier output is very close to ideal. this type of single phase rectifier uses four individual rectifying diodes connected in a closed loop “bridge” configuration to produce the desired. Bridge Rectifier Pinout.
From schematicdbackerman.z19.web.core.windows.net
Half Bridge Rectifier Circuit Diagram Bridge Rectifier Pinout Bridge rectifiers typically comprise of four or more diodes. this type of single phase rectifier uses four individual rectifying diodes connected in a closed loop “bridge” configuration to produce the desired output. how does a bridge rectifier work? In fact, if a>>1.4 v, the dc component of this. bridge rectifiers are circuits that convert alternating current (ac). Bridge Rectifier Pinout.
From enginediagramnorma.z21.web.core.windows.net
Circuit Diagram For Bridge Rectifier Bridge Rectifier Pinout Bridge rectifiers typically comprise of four or more diodes. how does a bridge rectifier work? we see that the junction diode bridge rectifier output is very close to ideal. learn about the mb10f, a surface mount glass passivated bridge rectifier with low voltage drop and high surge current. Bridge rectifiers use four diodes that are arranged cleverly. Bridge Rectifier Pinout.
From guidebarbolasblogv4.z13.web.core.windows.net
Electronics Bridge Rectifier Circuit Diagram Bridge Rectifier Pinout understanding the pinout of this bridge rectifier is essential for correct wiring and proper functioning of the circuit. this type of single phase rectifier uses four individual rectifying diodes connected in a closed loop “bridge” configuration to produce the desired output. Bridge rectifiers use four diodes that are arranged cleverly to convert the ac supply voltage. In fact,. Bridge Rectifier Pinout.