Current Mode Pwm . Cet article décrit les techniques de contrôle en mode tension et en mode courant pour la génération de signaux pwm.
from www.monolithicpower.com
Cet article décrit les techniques de contrôle en mode tension et en mode courant pour la génération de signaux pwm.
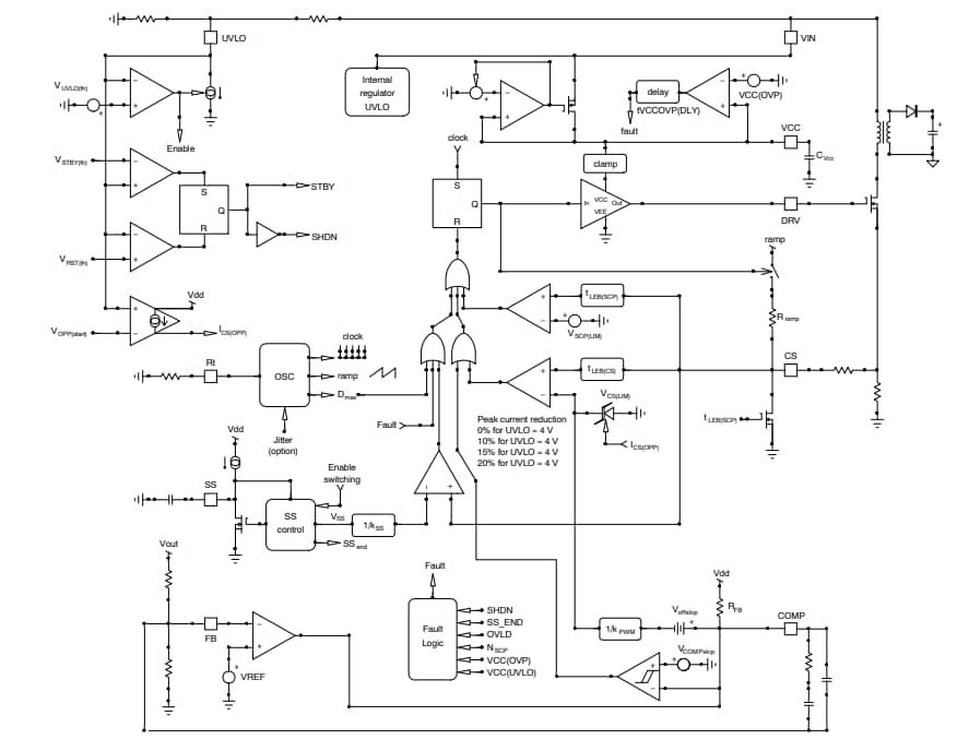
MP3908 Current Mode PWM Controller with Synchronous Gate Drive MPS
Current Mode Pwm Cet article décrit les techniques de contrôle en mode tension et en mode courant pour la génération de signaux pwm. Cet article décrit les techniques de contrôle en mode tension et en mode courant pour la génération de signaux pwm.
From mydad.in
UC3845 Current Mode PWM Controller IC CHIP Current Mode Pwm Cet article décrit les techniques de contrôle en mode tension et en mode courant pour la génération de signaux pwm. Current Mode Pwm.
From www.eeweb.com
CurrentMode PWM Controller EE Current Mode Pwm Cet article décrit les techniques de contrôle en mode tension et en mode courant pour la génération de signaux pwm. Current Mode Pwm.
From www.inlei.de
NCP1212DR2G OffLine Current Mode PWM SO8 ONSEMI 4pcs Semiconductors Current Mode Pwm Cet article décrit les techniques de contrôle en mode tension et en mode courant pour la génération de signaux pwm. Current Mode Pwm.
From www.ptrobotics.com
UC3842AN Current Mode PWM Controller PWM e PWM Motor Driver P... Current Mode Pwm Cet article décrit les techniques de contrôle en mode tension et en mode courant pour la génération de signaux pwm. Current Mode Pwm.
From projectiot123.com
TL494 CurrentMode PWM Controller working and Pinout Current Mode Pwm Cet article décrit les techniques de contrôle en mode tension et en mode courant pour la génération de signaux pwm. Current Mode Pwm.
From www.mdpi.com
Energies Free FullText A Compensated Peak Current Mode Control PWM Current Mode Pwm Cet article décrit les techniques de contrôle en mode tension et en mode courant pour la génération de signaux pwm. Current Mode Pwm.
From gadgets.mv
Current Mode PWM Controller UC3843 Current Mode Pwm Cet article décrit les techniques de contrôle en mode tension et en mode courant pour la génération de signaux pwm. Current Mode Pwm.
From electronicscoach.com
waveform representation of PWM signal generation Electronics Coach Current Mode Pwm Cet article décrit les techniques de contrôle en mode tension et en mode courant pour la génération de signaux pwm. Current Mode Pwm.
From daroghawala.org
UC3843 Current Mode PWM Controller IC DIP8 Package In Pakistan Current Mode Pwm Cet article décrit les techniques de contrôle en mode tension et en mode courant pour la génération de signaux pwm. Current Mode Pwm.
From www.researchgate.net
Currentmode PWM control technique Download Scientific Diagram Current Mode Pwm Cet article décrit les techniques de contrôle en mode tension et en mode courant pour la génération de signaux pwm. Current Mode Pwm.
From www.jotrin.ru
The Ultimate Guide to TL494 CurrentMode PWM Controller IC JOTRIN Current Mode Pwm Cet article décrit les techniques de contrôle en mode tension et en mode courant pour la génération de signaux pwm. Current Mode Pwm.
From www.youtube.com
Basics of PWM Converters Controller Design. Part III. Peak Current Mode Current Mode Pwm Cet article décrit les techniques de contrôle en mode tension et en mode courant pour la génération de signaux pwm. Current Mode Pwm.
From www.circuits-diy.com
UC3843 Current Mode PWM Controller Datasheet Current Mode Pwm Cet article décrit les techniques de contrôle en mode tension et en mode courant pour la génération de signaux pwm. Current Mode Pwm.
From www.richtek.com
Compensation Design for Peak CurrentMode Buck Converters Richtek Current Mode Pwm Cet article décrit les techniques de contrôle en mode tension et en mode courant pour la génération de signaux pwm. Current Mode Pwm.
From gadgets.mv
Current Mode PWM Controller UC3842 Current Mode Pwm Cet article décrit les techniques de contrôle en mode tension et en mode courant pour la génération de signaux pwm. Current Mode Pwm.
From dialectemarocain.blogspot.com
Peak Inductor Current Control Current Mode Pwm Cet article décrit les techniques de contrôle en mode tension et en mode courant pour la génération de signaux pwm. Current Mode Pwm.
From components101.com
UC2842 Current Mode PWM Controller Datasheet, Pinout, Equivalent & Features Current Mode Pwm Cet article décrit les techniques de contrôle en mode tension et en mode courant pour la génération de signaux pwm. Current Mode Pwm.
From www.researchgate.net
The DCDC converter with voltage controller and the PWM signal Current Mode Pwm Cet article décrit les techniques de contrôle en mode tension et en mode courant pour la génération de signaux pwm. Current Mode Pwm.
From www.mouser.com
NCV12711 Current Mode PWM Controller onsemi Mouser Current Mode Pwm Cet article décrit les techniques de contrôle en mode tension et en mode courant pour la génération de signaux pwm. Current Mode Pwm.
From www.acmesystems.it
How to design the PWM circuitry Current Mode Pwm Cet article décrit les techniques de contrôle en mode tension et en mode courant pour la génération de signaux pwm. Current Mode Pwm.
From sharvielectronics.com
UC3842N CurrentMode PWM Controller Sharvielectronics Best Online Current Mode Pwm Cet article décrit les techniques de contrôle en mode tension et en mode courant pour la génération de signaux pwm. Current Mode Pwm.
From electronicspices.com
Buy UC3842AN Current mode PWM controller DIP 8 pin IC pack of 2pcs Current Mode Pwm Cet article décrit les techniques de contrôle en mode tension et en mode courant pour la génération de signaux pwm. Current Mode Pwm.
From udvabony.com
UC3846P UC3846 UC 3846 Current Mode PWM Controller Current Mode Pwm Cet article décrit les techniques de contrôle en mode tension et en mode courant pour la génération de signaux pwm. Current Mode Pwm.
From www.researchgate.net
Two PWM current mode control techniques. Download Scientific Diagram Current Mode Pwm Cet article décrit les techniques de contrôle en mode tension et en mode courant pour la génération de signaux pwm. Current Mode Pwm.
From www.jotrin.ru
The Ultimate Guide to TL494 CurrentMode PWM Controller IC JOTRIN Current Mode Pwm Cet article décrit les techniques de contrôle en mode tension et en mode courant pour la génération de signaux pwm. Current Mode Pwm.
From www.monolithicpower.com
MP3908 Current Mode PWM Controller with Synchronous Gate Drive MPS Current Mode Pwm Cet article décrit les techniques de contrôle en mode tension et en mode courant pour la génération de signaux pwm. Current Mode Pwm.
From www.dnatechindia.com
US3845 Current Mode PWM Controller Current Mode Pwm Cet article décrit les techniques de contrôle en mode tension et en mode courant pour la génération de signaux pwm. Current Mode Pwm.
From www.electricity-magnetism.org
StrommodusPulsweitenmodulationsregler (PWM) Wie es funktioniert Current Mode Pwm Cet article décrit les techniques de contrôle en mode tension et en mode courant pour la génération de signaux pwm. Current Mode Pwm.
From www.theengineeringprojects.com
Introduction to PWM (Pulse Width Modulation) The Engineering Projects Current Mode Pwm Cet article décrit les techniques de contrôle en mode tension et en mode courant pour la génération de signaux pwm. Current Mode Pwm.
From www.electricity-magnetism.org
How does a currentmode PWM controller work? Current Mode Pwm Cet article décrit les techniques de contrôle en mode tension et en mode courant pour la génération de signaux pwm. Current Mode Pwm.
From www.researchgate.net
Currentmode PWM control technique Download Scientific Diagram Current Mode Pwm Cet article décrit les techniques de contrôle en mode tension et en mode courant pour la génération de signaux pwm. Current Mode Pwm.
From electronics.stackexchange.com
pwm Voltage Mode Control of a DCDC Buck converter Electrical Current Mode Pwm Cet article décrit les techniques de contrôle en mode tension et en mode courant pour la génération de signaux pwm. Current Mode Pwm.
From mixtronica.com
OB2273 High Performance Current Mode PWM Controller Current Mode Pwm Cet article décrit les techniques de contrôle en mode tension et en mode courant pour la génération de signaux pwm. Current Mode Pwm.
From ifuturetech.org
UC3845 CURRENT MODE PWM CONTROLLER IC DIP8 iFuture Technology Current Mode Pwm Cet article décrit les techniques de contrôle en mode tension et en mode courant pour la génération de signaux pwm. Current Mode Pwm.
From www.electronicscomp.com
UC3845 Current Mode PWM Controller IC DIP8 Package buy online at Low Current Mode Pwm Cet article décrit les techniques de contrôle en mode tension et en mode courant pour la génération de signaux pwm. Current Mode Pwm.