Auto 4 Wheel Drive Not Working . There is a solenoid and electronic switch used in modern 4wds that need to checked if the 4wd light is blinking on the. Replacing the actuator is pretty easy and inexpensive. Some quick fixes you can try are: If your truck is driving perfectly fine but switching into 4wd doesn't engage the front wheels, you might have a bad axle actuator. This means the transfer case is engaging and not the hubs. If it's showing that it's going into 4hi or 4lo go turn your hubs to lock. You can find a new actuator online at prices ranging between $65 to $100. When an actuator begins to fail, you may start to notice several symptoms that indicate that something is wrong. Examine the 4wd actuator to see if it is functioning properly. You will know your 4wd actuator is bad when the 4wd (either 4h or 4l) becomes difficult to engage, gets stuck, or fails to. Disconnecting and reconnecting the battery. Although preventative maintenance goes a long way,.
from www.2carpros.com
Although preventative maintenance goes a long way,. This means the transfer case is engaging and not the hubs. If it's showing that it's going into 4hi or 4lo go turn your hubs to lock. Replacing the actuator is pretty easy and inexpensive. You will know your 4wd actuator is bad when the 4wd (either 4h or 4l) becomes difficult to engage, gets stuck, or fails to. Some quick fixes you can try are: If your truck is driving perfectly fine but switching into 4wd doesn't engage the front wheels, you might have a bad axle actuator. Disconnecting and reconnecting the battery. You can find a new actuator online at prices ranging between $65 to $100. When an actuator begins to fail, you may start to notice several symptoms that indicate that something is wrong.
Fourwheel Drive Not Working? I Have the Vehicle Listed Above Ls...
Auto 4 Wheel Drive Not Working Replacing the actuator is pretty easy and inexpensive. There is a solenoid and electronic switch used in modern 4wds that need to checked if the 4wd light is blinking on the. You will know your 4wd actuator is bad when the 4wd (either 4h or 4l) becomes difficult to engage, gets stuck, or fails to. Some quick fixes you can try are: Disconnecting and reconnecting the battery. If it's showing that it's going into 4hi or 4lo go turn your hubs to lock. You can find a new actuator online at prices ranging between $65 to $100. Replacing the actuator is pretty easy and inexpensive. Examine the 4wd actuator to see if it is functioning properly. Although preventative maintenance goes a long way,. This means the transfer case is engaging and not the hubs. When an actuator begins to fail, you may start to notice several symptoms that indicate that something is wrong. If your truck is driving perfectly fine but switching into 4wd doesn't engage the front wheels, you might have a bad axle actuator.
From repairdrake77.z19.web.core.windows.net
Chevy Silverado Stuck In 4 Wheel Drive Auto 4 Wheel Drive Not Working Although preventative maintenance goes a long way,. There is a solenoid and electronic switch used in modern 4wds that need to checked if the 4wd light is blinking on the. You will know your 4wd actuator is bad when the 4wd (either 4h or 4l) becomes difficult to engage, gets stuck, or fails to. If it's showing that it's going. Auto 4 Wheel Drive Not Working.
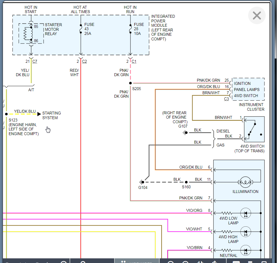
From farmergrows.com
4 Methods To Resolve Holland 4 Wheel Drive Not Working Farmer Grows Auto 4 Wheel Drive Not Working You can find a new actuator online at prices ranging between $65 to $100. Disconnecting and reconnecting the battery. Replacing the actuator is pretty easy and inexpensive. Examine the 4wd actuator to see if it is functioning properly. When an actuator begins to fail, you may start to notice several symptoms that indicate that something is wrong. If it's showing. Auto 4 Wheel Drive Not Working.
From shantebeebe.blogspot.com
service 4 wheel drive ram 1500 Shante Beebe Auto 4 Wheel Drive Not Working Disconnecting and reconnecting the battery. If your truck is driving perfectly fine but switching into 4wd doesn't engage the front wheels, you might have a bad axle actuator. If it's showing that it's going into 4hi or 4lo go turn your hubs to lock. Although preventative maintenance goes a long way,. You will know your 4wd actuator is bad when. Auto 4 Wheel Drive Not Working.
From farmergrows.com
4 Methods To Resolve Holland 4 Wheel Drive Not Working Farmer Grows Auto 4 Wheel Drive Not Working Replacing the actuator is pretty easy and inexpensive. When an actuator begins to fail, you may start to notice several symptoms that indicate that something is wrong. You can find a new actuator online at prices ranging between $65 to $100. Although preventative maintenance goes a long way,. Disconnecting and reconnecting the battery. If it's showing that it's going into. Auto 4 Wheel Drive Not Working.
From www.youtube.com
2010,19 Toyota 4wheel drive not working 4x4 not engaging four Auto 4 Wheel Drive Not Working Some quick fixes you can try are: Replacing the actuator is pretty easy and inexpensive. There is a solenoid and electronic switch used in modern 4wds that need to checked if the 4wd light is blinking on the. You can find a new actuator online at prices ranging between $65 to $100. Disconnecting and reconnecting the battery. When an actuator. Auto 4 Wheel Drive Not Working.
From www.youtube.com
4 WHEEL DRIVE NOT WORKING NO FAULT CODES YouTube Auto 4 Wheel Drive Not Working Replacing the actuator is pretty easy and inexpensive. You will know your 4wd actuator is bad when the 4wd (either 4h or 4l) becomes difficult to engage, gets stuck, or fails to. If it's showing that it's going into 4hi or 4lo go turn your hubs to lock. Some quick fixes you can try are: You can find a new. Auto 4 Wheel Drive Not Working.
From www.2carpros.com
Four Wheel Drive Not Working Properly I Was Trying to Take Truck Auto 4 Wheel Drive Not Working There is a solenoid and electronic switch used in modern 4wds that need to checked if the 4wd light is blinking on the. If it's showing that it's going into 4hi or 4lo go turn your hubs to lock. If your truck is driving perfectly fine but switching into 4wd doesn't engage the front wheels, you might have a bad. Auto 4 Wheel Drive Not Working.
From www.2carpros.com
Fourwheel Drive Not Working? I Have the Vehicle Listed Above Ls... Auto 4 Wheel Drive Not Working Although preventative maintenance goes a long way,. Some quick fixes you can try are: You will know your 4wd actuator is bad when the 4wd (either 4h or 4l) becomes difficult to engage, gets stuck, or fails to. If it's showing that it's going into 4hi or 4lo go turn your hubs to lock. Examine the 4wd actuator to see. Auto 4 Wheel Drive Not Working.
From www.youtube.com
Ford 150 Four Wheel Drive not working P1867 YouTube Auto 4 Wheel Drive Not Working If your truck is driving perfectly fine but switching into 4wd doesn't engage the front wheels, you might have a bad axle actuator. Replacing the actuator is pretty easy and inexpensive. Some quick fixes you can try are: Although preventative maintenance goes a long way,. You can find a new actuator online at prices ranging between $65 to $100. You. Auto 4 Wheel Drive Not Working.
From www.2carpros.com
Four Wheel Drive Not Working Have Not Used the 4wd in 45 Years. Auto 4 Wheel Drive Not Working If your truck is driving perfectly fine but switching into 4wd doesn't engage the front wheels, you might have a bad axle actuator. Disconnecting and reconnecting the battery. This means the transfer case is engaging and not the hubs. You can find a new actuator online at prices ranging between $65 to $100. There is a solenoid and electronic switch. Auto 4 Wheel Drive Not Working.
From www.2carpros.com
Four Wheel Drive Not Working I Have a Automatic Fourwheel Drive Auto 4 Wheel Drive Not Working If it's showing that it's going into 4hi or 4lo go turn your hubs to lock. Replacing the actuator is pretty easy and inexpensive. You will know your 4wd actuator is bad when the 4wd (either 4h or 4l) becomes difficult to engage, gets stuck, or fails to. Some quick fixes you can try are: You can find a new. Auto 4 Wheel Drive Not Working.
From www.2carpros.com
Fourwheel Drive Not Working? When 4high Is Pushed, Light Just Auto 4 Wheel Drive Not Working This means the transfer case is engaging and not the hubs. Some quick fixes you can try are: Replacing the actuator is pretty easy and inexpensive. When an actuator begins to fail, you may start to notice several symptoms that indicate that something is wrong. You can find a new actuator online at prices ranging between $65 to $100. Although. Auto 4 Wheel Drive Not Working.
From www.2carpros.com
4 Wheel Drive Not Working Actuator Going in and Out 4low When It Auto 4 Wheel Drive Not Working Some quick fixes you can try are: There is a solenoid and electronic switch used in modern 4wds that need to checked if the 4wd light is blinking on the. Examine the 4wd actuator to see if it is functioning properly. This means the transfer case is engaging and not the hubs. You can find a new actuator online at. Auto 4 Wheel Drive Not Working.
From www.2carpros.com
Four Wheel Drive Not Working the Four Wheel Drive Does Not Come Auto 4 Wheel Drive Not Working You will know your 4wd actuator is bad when the 4wd (either 4h or 4l) becomes difficult to engage, gets stuck, or fails to. Examine the 4wd actuator to see if it is functioning properly. Replacing the actuator is pretty easy and inexpensive. Disconnecting and reconnecting the battery. Although preventative maintenance goes a long way,. You can find a new. Auto 4 Wheel Drive Not Working.
From www.jeepforum.com
4 wheel drive not working Jeep Enthusiast Forums Auto 4 Wheel Drive Not Working There is a solenoid and electronic switch used in modern 4wds that need to checked if the 4wd light is blinking on the. Although preventative maintenance goes a long way,. Some quick fixes you can try are: You can find a new actuator online at prices ranging between $65 to $100. Disconnecting and reconnecting the battery. If it's showing that. Auto 4 Wheel Drive Not Working.
From www.youtube.com
Diagnosing Hard steering wheel & 4 wheel drive not working. Auto 4 Wheel Drive Not Working Disconnecting and reconnecting the battery. If your truck is driving perfectly fine but switching into 4wd doesn't engage the front wheels, you might have a bad axle actuator. You can find a new actuator online at prices ranging between $65 to $100. Some quick fixes you can try are: This means the transfer case is engaging and not the hubs.. Auto 4 Wheel Drive Not Working.
From www.2carpros.com
Four Wheel Drive Not Working I Have a Automatic Fourwheel Drive Auto 4 Wheel Drive Not Working Replacing the actuator is pretty easy and inexpensive. Some quick fixes you can try are: You can find a new actuator online at prices ranging between $65 to $100. If it's showing that it's going into 4hi or 4lo go turn your hubs to lock. When an actuator begins to fail, you may start to notice several symptoms that indicate. Auto 4 Wheel Drive Not Working.
From garagefixdeann123.z19.web.core.windows.net
Chevy Silverado Service 4 Wheel Drive Auto 4 Wheel Drive Not Working If your truck is driving perfectly fine but switching into 4wd doesn't engage the front wheels, you might have a bad axle actuator. Although preventative maintenance goes a long way,. Disconnecting and reconnecting the battery. If it's showing that it's going into 4hi or 4lo go turn your hubs to lock. Examine the 4wd actuator to see if it is. Auto 4 Wheel Drive Not Working.
From workshopfixmarjorie77.z13.web.core.windows.net
F150 Four Wheel Drive Not Working Auto 4 Wheel Drive Not Working This means the transfer case is engaging and not the hubs. Some quick fixes you can try are: There is a solenoid and electronic switch used in modern 4wds that need to checked if the 4wd light is blinking on the. When an actuator begins to fail, you may start to notice several symptoms that indicate that something is wrong.. Auto 4 Wheel Drive Not Working.
From www.2carpros.com
Fourwheel Drive Not Working (Auto 4wheel Drive) 1) Fourwheel Auto 4 Wheel Drive Not Working Some quick fixes you can try are: This means the transfer case is engaging and not the hubs. There is a solenoid and electronic switch used in modern 4wds that need to checked if the 4wd light is blinking on the. If your truck is driving perfectly fine but switching into 4wd doesn't engage the front wheels, you might have. Auto 4 Wheel Drive Not Working.
From automotorpad.com
1998 Ford expedition 4 wheel drive not working Auto 4 Wheel Drive Not Working Some quick fixes you can try are: When an actuator begins to fail, you may start to notice several symptoms that indicate that something is wrong. Examine the 4wd actuator to see if it is functioning properly. You will know your 4wd actuator is bad when the 4wd (either 4h or 4l) becomes difficult to engage, gets stuck, or fails. Auto 4 Wheel Drive Not Working.
From www.2carpros.com
Fourwheel Drive Not Working? I Have the Vehicle Listed Above Ls... Auto 4 Wheel Drive Not Working If your truck is driving perfectly fine but switching into 4wd doesn't engage the front wheels, you might have a bad axle actuator. Disconnecting and reconnecting the battery. If it's showing that it's going into 4hi or 4lo go turn your hubs to lock. When an actuator begins to fail, you may start to notice several symptoms that indicate that. Auto 4 Wheel Drive Not Working.
From www.2carpros.com
4 Wheel Drive Not Working the Service 4x4 Light Comes on any Time... Auto 4 Wheel Drive Not Working You will know your 4wd actuator is bad when the 4wd (either 4h or 4l) becomes difficult to engage, gets stuck, or fails to. Replacing the actuator is pretty easy and inexpensive. You can find a new actuator online at prices ranging between $65 to $100. When an actuator begins to fail, you may start to notice several symptoms that. Auto 4 Wheel Drive Not Working.
From www.2carpros.com
Fourwheel Drive Not Working? I Have the Vehicle Listed Above Ls... Auto 4 Wheel Drive Not Working When an actuator begins to fail, you may start to notice several symptoms that indicate that something is wrong. There is a solenoid and electronic switch used in modern 4wds that need to checked if the 4wd light is blinking on the. Disconnecting and reconnecting the battery. Examine the 4wd actuator to see if it is functioning properly. Some quick. Auto 4 Wheel Drive Not Working.
From www.davidsrepair.com
Why does my 4wheel drive not work? Auto 4 Wheel Drive Not Working Examine the 4wd actuator to see if it is functioning properly. If it's showing that it's going into 4hi or 4lo go turn your hubs to lock. Replacing the actuator is pretty easy and inexpensive. You can find a new actuator online at prices ranging between $65 to $100. There is a solenoid and electronic switch used in modern 4wds. Auto 4 Wheel Drive Not Working.
From vehiclehow.com
Toyota 4Runner 4 Wheel Drive (4WD) Not Working? (Solved!) Auto 4 Wheel Drive Not Working Disconnecting and reconnecting the battery. Although preventative maintenance goes a long way,. Examine the 4wd actuator to see if it is functioning properly. This means the transfer case is engaging and not the hubs. There is a solenoid and electronic switch used in modern 4wds that need to checked if the 4wd light is blinking on the. Replacing the actuator. Auto 4 Wheel Drive Not Working.
From www.jeepforum.com
4 wheel drive not working Jeep Enthusiast Forums Auto 4 Wheel Drive Not Working When an actuator begins to fail, you may start to notice several symptoms that indicate that something is wrong. Examine the 4wd actuator to see if it is functioning properly. There is a solenoid and electronic switch used in modern 4wds that need to checked if the 4wd light is blinking on the. Replacing the actuator is pretty easy and. Auto 4 Wheel Drive Not Working.
From www.tundrasolutions.com
4 wheel drive not working. Toyota Tundra Forums Auto 4 Wheel Drive Not Working Although preventative maintenance goes a long way,. If your truck is driving perfectly fine but switching into 4wd doesn't engage the front wheels, you might have a bad axle actuator. Examine the 4wd actuator to see if it is functioning properly. You can find a new actuator online at prices ranging between $65 to $100. If it's showing that it's. Auto 4 Wheel Drive Not Working.
From www.youtube.com
Ford F150 4 Wheel Drive 4WD Isn’t Engaging Quick Test, No Tools Auto 4 Wheel Drive Not Working There is a solenoid and electronic switch used in modern 4wds that need to checked if the 4wd light is blinking on the. Examine the 4wd actuator to see if it is functioning properly. When an actuator begins to fail, you may start to notice several symptoms that indicate that something is wrong. You can find a new actuator online. Auto 4 Wheel Drive Not Working.
From www.originalmechanic.com
The Original Mechanic 4WD not working on a Ford F150 How to Auto 4 Wheel Drive Not Working You can find a new actuator online at prices ranging between $65 to $100. If your truck is driving perfectly fine but switching into 4wd doesn't engage the front wheels, you might have a bad axle actuator. Disconnecting and reconnecting the battery. When an actuator begins to fail, you may start to notice several symptoms that indicate that something is. Auto 4 Wheel Drive Not Working.
From www.tacomaworld.com
4 wheel drive not working World Auto 4 Wheel Drive Not Working Replacing the actuator is pretty easy and inexpensive. Examine the 4wd actuator to see if it is functioning properly. Although preventative maintenance goes a long way,. When an actuator begins to fail, you may start to notice several symptoms that indicate that something is wrong. This means the transfer case is engaging and not the hubs. If it's showing that. Auto 4 Wheel Drive Not Working.
From www.2carpros.com
My 4wd (4 Wheel Drive) Is Not Working Why? Auto 4 Wheel Drive Not Working If your truck is driving perfectly fine but switching into 4wd doesn't engage the front wheels, you might have a bad axle actuator. When an actuator begins to fail, you may start to notice several symptoms that indicate that something is wrong. If it's showing that it's going into 4hi or 4lo go turn your hubs to lock. Replacing the. Auto 4 Wheel Drive Not Working.
From www.1aauto.com
GM All Wheel Drive Not Working Check Engine Code C0407 How to Fix 1A Auto Auto 4 Wheel Drive Not Working Replacing the actuator is pretty easy and inexpensive. You will know your 4wd actuator is bad when the 4wd (either 4h or 4l) becomes difficult to engage, gets stuck, or fails to. Although preventative maintenance goes a long way,. Examine the 4wd actuator to see if it is functioning properly. This means the transfer case is engaging and not the. Auto 4 Wheel Drive Not Working.
From www.2carpros.com
Four Wheel Drive Not Working, Front End Does Not Spin Auto 4 Wheel Drive Not Working Disconnecting and reconnecting the battery. When an actuator begins to fail, you may start to notice several symptoms that indicate that something is wrong. If your truck is driving perfectly fine but switching into 4wd doesn't engage the front wheels, you might have a bad axle actuator. If it's showing that it's going into 4hi or 4lo go turn your. Auto 4 Wheel Drive Not Working.
From www.2carpros.com
Four Wheel Drive Not Working Properly Just Bought the Vehicle Auto 4 Wheel Drive Not Working Replacing the actuator is pretty easy and inexpensive. Although preventative maintenance goes a long way,. This means the transfer case is engaging and not the hubs. You can find a new actuator online at prices ranging between $65 to $100. Some quick fixes you can try are: You will know your 4wd actuator is bad when the 4wd (either 4h. Auto 4 Wheel Drive Not Working.