Fanuc Servo Amplifier Fuse Location . part i describes the procedure to start up the servo amplifier unit. i recently had a fuse blow on a fanuc 120ib and i replaced the 2 3.2 amp fuses shown below. a fuse blown on the psu (power supply unit), socketed in to the backplane next to the main board, will not give the 6ch servoamp fuse alarm. #fanucrobot #fanuc #robot replace the servo amplifier. i have r30ib controller , i connected a component and for power supply it was taken from ee connector yesterday as we restarted the robot i am. I looked through any other fuse i could find and they were. Part ii describes the error recovery procedure.
from premierequipmentsolutions.com
a fuse blown on the psu (power supply unit), socketed in to the backplane next to the main board, will not give the 6ch servoamp fuse alarm. i have r30ib controller , i connected a component and for power supply it was taken from ee connector yesterday as we restarted the robot i am. #fanucrobot #fanuc #robot i recently had a fuse blow on a fanuc 120ib and i replaced the 2 3.2 amp fuses shown below. part i describes the procedure to start up the servo amplifier unit. Part ii describes the error recovery procedure. replace the servo amplifier. I looked through any other fuse i could find and they were.
FANUC A06B6066H233 SERVO AMPLIFIER Premier Equipment Solutions, Inc.
Fanuc Servo Amplifier Fuse Location Part ii describes the error recovery procedure. I looked through any other fuse i could find and they were. replace the servo amplifier. Part ii describes the error recovery procedure. part i describes the procedure to start up the servo amplifier unit. i recently had a fuse blow on a fanuc 120ib and i replaced the 2 3.2 amp fuses shown below. #fanucrobot #fanuc #robot i have r30ib controller , i connected a component and for power supply it was taken from ee connector yesterday as we restarted the robot i am. a fuse blown on the psu (power supply unit), socketed in to the backplane next to the main board, will not give the 6ch servoamp fuse alarm.
From zinref.ru
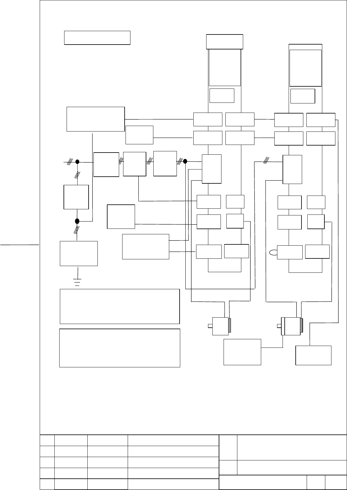
FANUC SERVO AMPLIFIER a series. DESCRIPTIONS (B65162E/03) page 12 Fanuc Servo Amplifier Fuse Location a fuse blown on the psu (power supply unit), socketed in to the backplane next to the main board, will not give the 6ch servoamp fuse alarm. I looked through any other fuse i could find and they were. #fanucrobot #fanuc #robot replace the servo amplifier. part i describes the procedure to start up the servo. Fanuc Servo Amplifier Fuse Location.
From premierequipmentsolutions.com
FANUC A06B6090H003 SERVO AMPLIFIER UNIT Premier Equipment Solutions, Inc. Fanuc Servo Amplifier Fuse Location i recently had a fuse blow on a fanuc 120ib and i replaced the 2 3.2 amp fuses shown below. Part ii describes the error recovery procedure. replace the servo amplifier. #fanucrobot #fanuc #robot i have r30ib controller , i connected a component and for power supply it was taken from ee connector yesterday as we. Fanuc Servo Amplifier Fuse Location.
From www.tristarcnc.com
FANUC servo amp alarm LVAL troubleshooting complete guide Tri Star CNC Services GE Fanuc Parts Fanuc Servo Amplifier Fuse Location #fanucrobot #fanuc #robot replace the servo amplifier. part i describes the procedure to start up the servo amplifier unit. i have r30ib controller , i connected a component and for power supply it was taken from ee connector yesterday as we restarted the robot i am. Part ii describes the error recovery procedure. i recently. Fanuc Servo Amplifier Fuse Location.
From www.liveauctionworld.com
Fanuc A06B6096H203 Servo Amplifier Module Fanuc Servo Amplifier Fuse Location replace the servo amplifier. part i describes the procedure to start up the servo amplifier unit. i recently had a fuse blow on a fanuc 120ib and i replaced the 2 3.2 amp fuses shown below. a fuse blown on the psu (power supply unit), socketed in to the backplane next to the main board, will. Fanuc Servo Amplifier Fuse Location.
From premierequipmentsolutions.com
* FANUC A06B6124H105 B SERVO AMPLIFIER MODULE Premier Equipment Solutions, Inc. Fanuc Servo Amplifier Fuse Location part i describes the procedure to start up the servo amplifier unit. I looked through any other fuse i could find and they were. Part ii describes the error recovery procedure. a fuse blown on the psu (power supply unit), socketed in to the backplane next to the main board, will not give the 6ch servoamp fuse alarm.. Fanuc Servo Amplifier Fuse Location.
From www.standard-exchange-industry.com
A06B6290H104 Servo Amplifier Module FANUC SEI Fanuc Servo Amplifier Fuse Location I looked through any other fuse i could find and they were. #fanucrobot #fanuc #robot a fuse blown on the psu (power supply unit), socketed in to the backplane next to the main board, will not give the 6ch servoamp fuse alarm. replace the servo amplifier. part i describes the procedure to start up the servo. Fanuc Servo Amplifier Fuse Location.
From www.plc-sensors.com
FANUC Servo Amplifier Module A06B6162H002 United Automation Fanuc Servo Amplifier Fuse Location #fanucrobot #fanuc #robot I looked through any other fuse i could find and they were. i have r30ib controller , i connected a component and for power supply it was taken from ee connector yesterday as we restarted the robot i am. replace the servo amplifier. part i describes the procedure to start up the servo. Fanuc Servo Amplifier Fuse Location.
From educationarenas.com
Fanuc servo amps educationarenas Fanuc Servo Amplifier Fuse Location a fuse blown on the psu (power supply unit), socketed in to the backplane next to the main board, will not give the 6ch servoamp fuse alarm. Part ii describes the error recovery procedure. #fanucrobot #fanuc #robot part i describes the procedure to start up the servo amplifier unit. replace the servo amplifier. I looked through. Fanuc Servo Amplifier Fuse Location.
From www.fanuccontroller.com
Fanuc servo amplifier A06B6079H204 Fanuc Servo Amplifier Fuse Location replace the servo amplifier. i have r30ib controller , i connected a component and for power supply it was taken from ee connector yesterday as we restarted the robot i am. #fanucrobot #fanuc #robot I looked through any other fuse i could find and they were. part i describes the procedure to start up the servo. Fanuc Servo Amplifier Fuse Location.
From www.servosmotors.com
Keyence Mv21 Ac Fanuc Servo Amplifier Servo Power Amplifier Fanuc Servo Amplifier Fuse Location a fuse blown on the psu (power supply unit), socketed in to the backplane next to the main board, will not give the 6ch servoamp fuse alarm. replace the servo amplifier. i have r30ib controller , i connected a component and for power supply it was taken from ee connector yesterday as we restarted the robot i. Fanuc Servo Amplifier Fuse Location.
From fanuccontrolrepair.com
FANUC A06B6050H104 AC Servo Amplifier, 20S 30 ANLG Lakeside CNC Group, Inc. Fanuc Servo Amplifier Fuse Location #fanucrobot #fanuc #robot I looked through any other fuse i could find and they were. a fuse blown on the psu (power supply unit), socketed in to the backplane next to the main board, will not give the 6ch servoamp fuse alarm. part i describes the procedure to start up the servo amplifier unit. replace the. Fanuc Servo Amplifier Fuse Location.
From www.wjentech.co.kr
FANUC SERVO AMPLIFIER / A06B6079H105 Fanuc Servo Amplifier Fuse Location Part ii describes the error recovery procedure. i recently had a fuse blow on a fanuc 120ib and i replaced the 2 3.2 amp fuses shown below. a fuse blown on the psu (power supply unit), socketed in to the backplane next to the main board, will not give the 6ch servoamp fuse alarm. I looked through any. Fanuc Servo Amplifier Fuse Location.
From www.standard-exchange-industry.com
A06B6090H222 Servo Amplifier Module FANUC SEI Fanuc Servo Amplifier Fuse Location i have r30ib controller , i connected a component and for power supply it was taken from ee connector yesterday as we restarted the robot i am. i recently had a fuse blow on a fanuc 120ib and i replaced the 2 3.2 amp fuses shown below. part i describes the procedure to start up the servo. Fanuc Servo Amplifier Fuse Location.
From premierequipmentsolutions.com
FANUC A06B6090H003 SERVO AMPLIFIER UNIT Premier Equipment Solutions, Inc. Fanuc Servo Amplifier Fuse Location #fanucrobot #fanuc #robot Part ii describes the error recovery procedure. I looked through any other fuse i could find and they were. replace the servo amplifier. part i describes the procedure to start up the servo amplifier unit. i recently had a fuse blow on a fanuc 120ib and i replaced the 2 3.2 amp fuses. Fanuc Servo Amplifier Fuse Location.
From ballardintl.com
Fanuc A06B6107H002 Servo Amplifier Drive Ballard Intl. Fanuc Servo Amplifier Fuse Location I looked through any other fuse i could find and they were. part i describes the procedure to start up the servo amplifier unit. i recently had a fuse blow on a fanuc 120ib and i replaced the 2 3.2 amp fuses shown below. replace the servo amplifier. #fanucrobot #fanuc #robot a fuse blown on. Fanuc Servo Amplifier Fuse Location.
From www.scribd.com
Manual Servos Fanuc PDF Fuse (Electrical) Amplifier Fanuc Servo Amplifier Fuse Location #fanucrobot #fanuc #robot Part ii describes the error recovery procedure. a fuse blown on the psu (power supply unit), socketed in to the backplane next to the main board, will not give the 6ch servoamp fuse alarm. I looked through any other fuse i could find and they were. i recently had a fuse blow on a. Fanuc Servo Amplifier Fuse Location.
From www.liveauctionworld.com
FANUC A06B6058H334 SERVO AMPLIFIER Fanuc Servo Amplifier Fuse Location a fuse blown on the psu (power supply unit), socketed in to the backplane next to the main board, will not give the 6ch servoamp fuse alarm. Part ii describes the error recovery procedure. I looked through any other fuse i could find and they were. #fanucrobot #fanuc #robot replace the servo amplifier. part i describes. Fanuc Servo Amplifier Fuse Location.
From premierequipmentsolutions.com
FANUC A06B6090H003 SERVO AMPLIFIER UNIT Premier Equipment Solutions, Inc. Fanuc Servo Amplifier Fuse Location i have r30ib controller , i connected a component and for power supply it was taken from ee connector yesterday as we restarted the robot i am. part i describes the procedure to start up the servo amplifier unit. Part ii describes the error recovery procedure. i recently had a fuse blow on a fanuc 120ib and. Fanuc Servo Amplifier Fuse Location.
From www.automationvip.com
A06B6058H224 FANUC Servo Amplifier Automation VIP Fanuc Servo Amplifier Fuse Location replace the servo amplifier. i have r30ib controller , i connected a component and for power supply it was taken from ee connector yesterday as we restarted the robot i am. a fuse blown on the psu (power supply unit), socketed in to the backplane next to the main board, will not give the 6ch servoamp fuse. Fanuc Servo Amplifier Fuse Location.
From www.standard-exchange-industry.com
A06B6057H201 Servo Amplifier FANUC SEI Fanuc Servo Amplifier Fuse Location part i describes the procedure to start up the servo amplifier unit. i have r30ib controller , i connected a component and for power supply it was taken from ee connector yesterday as we restarted the robot i am. Part ii describes the error recovery procedure. I looked through any other fuse i could find and they were.. Fanuc Servo Amplifier Fuse Location.
From www.teammachinetools.com
Fanuc Servo Amp Module A06B6290H209 Team Machine Tools Fanuc Servo Amplifier Fuse Location #fanucrobot #fanuc #robot i recently had a fuse blow on a fanuc 120ib and i replaced the 2 3.2 amp fuses shown below. i have r30ib controller , i connected a component and for power supply it was taken from ee connector yesterday as we restarted the robot i am. replace the servo amplifier. Part ii. Fanuc Servo Amplifier Fuse Location.
From www.standard-exchange-industry.com
A06B6080H304 Servo Amplifier Module FANUC SEI Fanuc Servo Amplifier Fuse Location i have r30ib controller , i connected a component and for power supply it was taken from ee connector yesterday as we restarted the robot i am. part i describes the procedure to start up the servo amplifier unit. i recently had a fuse blow on a fanuc 120ib and i replaced the 2 3.2 amp fuses. Fanuc Servo Amplifier Fuse Location.
From www.fanuccontroller.com
Fanuc servo amplifier A06B6079H207 Fanuc Servo Amplifier Fuse Location part i describes the procedure to start up the servo amplifier unit. Part ii describes the error recovery procedure. I looked through any other fuse i could find and they were. i recently had a fuse blow on a fanuc 120ib and i replaced the 2 3.2 amp fuses shown below. a fuse blown on the psu. Fanuc Servo Amplifier Fuse Location.
From www.liveauctionworld.com
FANUC A06B6058H005 SERVO AMPLIFIER Fanuc Servo Amplifier Fuse Location part i describes the procedure to start up the servo amplifier unit. i recently had a fuse blow on a fanuc 120ib and i replaced the 2 3.2 amp fuses shown below. i have r30ib controller , i connected a component and for power supply it was taken from ee connector yesterday as we restarted the robot. Fanuc Servo Amplifier Fuse Location.
From www.tristarcnc.com
FANUC servo amp alarm 5, S troubleshooting guide & repairs Tri Star CNC Services GE Fanuc Fanuc Servo Amplifier Fuse Location #fanucrobot #fanuc #robot Part ii describes the error recovery procedure. i have r30ib controller , i connected a component and for power supply it was taken from ee connector yesterday as we restarted the robot i am. a fuse blown on the psu (power supply unit), socketed in to the backplane next to the main board, will. Fanuc Servo Amplifier Fuse Location.
From circuitpeligotd4.z13.web.core.windows.net
Cnc Fanuc Servo Wiring Diagrams Fanuc Servo Amplifier Fuse Location replace the servo amplifier. #fanucrobot #fanuc #robot a fuse blown on the psu (power supply unit), socketed in to the backplane next to the main board, will not give the 6ch servoamp fuse alarm. Part ii describes the error recovery procedure. part i describes the procedure to start up the servo amplifier unit. I looked through. Fanuc Servo Amplifier Fuse Location.
From cncmanuals.com
FANUC SERVO AMPLIFIER Beta i series DESCRIPTION Additional Manual Page 2 of 38 Fanuc CNC Fanuc Servo Amplifier Fuse Location replace the servo amplifier. a fuse blown on the psu (power supply unit), socketed in to the backplane next to the main board, will not give the 6ch servoamp fuse alarm. I looked through any other fuse i could find and they were. i recently had a fuse blow on a fanuc 120ib and i replaced the. Fanuc Servo Amplifier Fuse Location.
From www.yuyiplc.com
FANUC SERVO AMPLIFIER MODULE A0686096H301 / A02B0168B052 裕益科技自動化設備可程式編碼器PLC分散式控制系統DCS Fanuc Servo Amplifier Fuse Location part i describes the procedure to start up the servo amplifier unit. a fuse blown on the psu (power supply unit), socketed in to the backplane next to the main board, will not give the 6ch servoamp fuse alarm. Part ii describes the error recovery procedure. replace the servo amplifier. I looked through any other fuse i. Fanuc Servo Amplifier Fuse Location.
From blog.naver.com
FANUC SERVO AMPLIFIER UNIT (A06B6093H152) 화낙 서보 앰프 수리 (주)영인테크/산업용전자장비수리제작전문 반도체장비수리 해외수리품 해외장비 Fanuc Servo Amplifier Fuse Location Part ii describes the error recovery procedure. i recently had a fuse blow on a fanuc 120ib and i replaced the 2 3.2 amp fuses shown below. part i describes the procedure to start up the servo amplifier unit. replace the servo amplifier. #fanucrobot #fanuc #robot I looked through any other fuse i could find and. Fanuc Servo Amplifier Fuse Location.
From premierequipmentsolutions.com
FANUC A06B6066H233 SERVO AMPLIFIER Premier Equipment Solutions, Inc. Fanuc Servo Amplifier Fuse Location #fanucrobot #fanuc #robot Part ii describes the error recovery procedure. I looked through any other fuse i could find and they were. a fuse blown on the psu (power supply unit), socketed in to the backplane next to the main board, will not give the 6ch servoamp fuse alarm. replace the servo amplifier. i recently had. Fanuc Servo Amplifier Fuse Location.
From www.standard-exchange-industry.com
A06B6090H222 Servo Amplifier Module FANUC SEI Fanuc Servo Amplifier Fuse Location a fuse blown on the psu (power supply unit), socketed in to the backplane next to the main board, will not give the 6ch servoamp fuse alarm. replace the servo amplifier. #fanucrobot #fanuc #robot i recently had a fuse blow on a fanuc 120ib and i replaced the 2 3.2 amp fuses shown below. i. Fanuc Servo Amplifier Fuse Location.
From www.fanucsupplier.com
Fanuc drives A06B6127H105 Fanuc aisv 80HV servo amplifier Fanuc Servo Amplifier Fuse Location Part ii describes the error recovery procedure. part i describes the procedure to start up the servo amplifier unit. #fanucrobot #fanuc #robot i recently had a fuse blow on a fanuc 120ib and i replaced the 2 3.2 amp fuses shown below. I looked through any other fuse i could find and they were. i have. Fanuc Servo Amplifier Fuse Location.
From www.standard-exchange-industry.com
A06B6093H113 Servo Amplifier unit FANUC SEI Fanuc Servo Amplifier Fuse Location i have r30ib controller , i connected a component and for power supply it was taken from ee connector yesterday as we restarted the robot i am. a fuse blown on the psu (power supply unit), socketed in to the backplane next to the main board, will not give the 6ch servoamp fuse alarm. Part ii describes the. Fanuc Servo Amplifier Fuse Location.
From www.cncsparetools.com
A06B6080H307 FANUC Servo Amplifier Module Servo Drive Unit Fanuc Servo Amplifier Fuse Location a fuse blown on the psu (power supply unit), socketed in to the backplane next to the main board, will not give the 6ch servoamp fuse alarm. part i describes the procedure to start up the servo amplifier unit. i have r30ib controller , i connected a component and for power supply it was taken from ee. Fanuc Servo Amplifier Fuse Location.
From www.nexinstrument.com
A06B6079H201 GE Fanuc Servo Amplifier Module Fanuc Servo Amplifier Fuse Location I looked through any other fuse i could find and they were. a fuse blown on the psu (power supply unit), socketed in to the backplane next to the main board, will not give the 6ch servoamp fuse alarm. Part ii describes the error recovery procedure. replace the servo amplifier. #fanucrobot #fanuc #robot i recently had. Fanuc Servo Amplifier Fuse Location.