How To Replace Battery Cables On A Jeep Wrangler . steps to change the battery in a 2018 jeep wrangler unlimited sport 3.6l v6: if your jeep jk battery terminal connectors are corroded, it may be time to change them. Here’s a quick guide on how to do just that: If you are noticing that your wrangler takes a few turns before the engine fires up, it may be a sign that your battery is getting low. having your jeep battery die really isn’t that big of a deal, especially if you. Trust me, you won’t regret it! i replaced the terminals with 'military spec battery terminals' from prime4x4, which are great for adding future. changing out your battery is just about the easiest diy job you'll ever do on your wrangler.
from www.moparpartsgiant.com
steps to change the battery in a 2018 jeep wrangler unlimited sport 3.6l v6: Here’s a quick guide on how to do just that: having your jeep battery die really isn’t that big of a deal, especially if you. changing out your battery is just about the easiest diy job you'll ever do on your wrangler. If you are noticing that your wrangler takes a few turns before the engine fires up, it may be a sign that your battery is getting low. Trust me, you won’t regret it! i replaced the terminals with 'military spec battery terminals' from prime4x4, which are great for adding future. if your jeep jk battery terminal connectors are corroded, it may be time to change them.
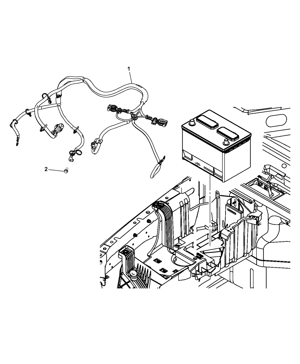
2017 Jeep Wrangler Battery Wiring Mopar Parts Giant
How To Replace Battery Cables On A Jeep Wrangler having your jeep battery die really isn’t that big of a deal, especially if you. Here’s a quick guide on how to do just that: steps to change the battery in a 2018 jeep wrangler unlimited sport 3.6l v6: changing out your battery is just about the easiest diy job you'll ever do on your wrangler. If you are noticing that your wrangler takes a few turns before the engine fires up, it may be a sign that your battery is getting low. if your jeep jk battery terminal connectors are corroded, it may be time to change them. i replaced the terminals with 'military spec battery terminals' from prime4x4, which are great for adding future. having your jeep battery die really isn’t that big of a deal, especially if you. Trust me, you won’t regret it!
From custombatterycables.com
Battery Cables and Kits for the 19972006 Jeep Wrangler TJ How To Replace Battery Cables On A Jeep Wrangler If you are noticing that your wrangler takes a few turns before the engine fires up, it may be a sign that your battery is getting low. if your jeep jk battery terminal connectors are corroded, it may be time to change them. Here’s a quick guide on how to do just that: changing out your battery is. How To Replace Battery Cables On A Jeep Wrangler.
From machinecarmen88.z19.web.core.windows.net
Jeep Wrangler Negative Battery Cable How To Replace Battery Cables On A Jeep Wrangler if your jeep jk battery terminal connectors are corroded, it may be time to change them. If you are noticing that your wrangler takes a few turns before the engine fires up, it may be a sign that your battery is getting low. Trust me, you won’t regret it! i replaced the terminals with 'military spec battery terminals'. How To Replace Battery Cables On A Jeep Wrangler.
From usermanualplaguing.z21.web.core.windows.net
Jeep Wrangler Jk Dual Battery Setup How To Replace Battery Cables On A Jeep Wrangler i replaced the terminals with 'military spec battery terminals' from prime4x4, which are great for adding future. Here’s a quick guide on how to do just that: Trust me, you won’t regret it! steps to change the battery in a 2018 jeep wrangler unlimited sport 3.6l v6: if your jeep jk battery terminal connectors are corroded, it. How To Replace Battery Cables On A Jeep Wrangler.
From www.quadratec.com
OMIX 56009608 Battery Wiring Assembly for 9496 Jeep Cherokee XJ, Grand How To Replace Battery Cables On A Jeep Wrangler If you are noticing that your wrangler takes a few turns before the engine fires up, it may be a sign that your battery is getting low. Trust me, you won’t regret it! Here’s a quick guide on how to do just that: steps to change the battery in a 2018 jeep wrangler unlimited sport 3.6l v6: having. How To Replace Battery Cables On A Jeep Wrangler.
From www.youtube.com
How to wire two batteries with isolation in a jeep wrangler YJ YouTube How To Replace Battery Cables On A Jeep Wrangler i replaced the terminals with 'military spec battery terminals' from prime4x4, which are great for adding future. having your jeep battery die really isn’t that big of a deal, especially if you. if your jeep jk battery terminal connectors are corroded, it may be time to change them. Trust me, you won’t regret it! If you are. How To Replace Battery Cables On A Jeep Wrangler.
From www.moparpartsgiant.com
2017 Jeep Wrangler Battery Wiring Mopar Parts Giant How To Replace Battery Cables On A Jeep Wrangler Trust me, you won’t regret it! i replaced the terminals with 'military spec battery terminals' from prime4x4, which are great for adding future. if your jeep jk battery terminal connectors are corroded, it may be time to change them. steps to change the battery in a 2018 jeep wrangler unlimited sport 3.6l v6: changing out your. How To Replace Battery Cables On A Jeep Wrangler.
From www.youtube.com
HOW TO Replace the Main and Auxiliary Battery on a Jeep JL Wrangler and How To Replace Battery Cables On A Jeep Wrangler Here’s a quick guide on how to do just that: having your jeep battery die really isn’t that big of a deal, especially if you. steps to change the battery in a 2018 jeep wrangler unlimited sport 3.6l v6: If you are noticing that your wrangler takes a few turns before the engine fires up, it may be. How To Replace Battery Cables On A Jeep Wrangler.
From www.youtube.com
Jeep Wrangler JL Aux battery install YouTube How To Replace Battery Cables On A Jeep Wrangler changing out your battery is just about the easiest diy job you'll ever do on your wrangler. Trust me, you won’t regret it! If you are noticing that your wrangler takes a few turns before the engine fires up, it may be a sign that your battery is getting low. steps to change the battery in a 2018. How To Replace Battery Cables On A Jeep Wrangler.
From www.wranglerforum.com
Making Battery Cables Jeep Wrangler Forum How To Replace Battery Cables On A Jeep Wrangler changing out your battery is just about the easiest diy job you'll ever do on your wrangler. If you are noticing that your wrangler takes a few turns before the engine fires up, it may be a sign that your battery is getting low. steps to change the battery in a 2018 jeep wrangler unlimited sport 3.6l v6:. How To Replace Battery Cables On A Jeep Wrangler.
From repairfixnadia99.z13.web.core.windows.net
Jeep Wrangler Battery Cables How To Replace Battery Cables On A Jeep Wrangler i replaced the terminals with 'military spec battery terminals' from prime4x4, which are great for adding future. If you are noticing that your wrangler takes a few turns before the engine fires up, it may be a sign that your battery is getting low. Trust me, you won’t regret it! Here’s a quick guide on how to do just. How To Replace Battery Cables On A Jeep Wrangler.
From repairfixseiler101.z22.web.core.windows.net
2014 Jeep Wrangler Battery Cables How To Replace Battery Cables On A Jeep Wrangler steps to change the battery in a 2018 jeep wrangler unlimited sport 3.6l v6: Here’s a quick guide on how to do just that: having your jeep battery die really isn’t that big of a deal, especially if you. Trust me, you won’t regret it! i replaced the terminals with 'military spec battery terminals' from prime4x4, which. How To Replace Battery Cables On A Jeep Wrangler.
From custombatterycables.com
Battery Cables and Kits for the 19972006 Jeep Wrangler TJ How To Replace Battery Cables On A Jeep Wrangler Trust me, you won’t regret it! i replaced the terminals with 'military spec battery terminals' from prime4x4, which are great for adding future. changing out your battery is just about the easiest diy job you'll ever do on your wrangler. If you are noticing that your wrangler takes a few turns before the engine fires up, it may. How To Replace Battery Cables On A Jeep Wrangler.
From www.wranglerforum.com
Need to replace my battery terminals and wires Jeep Wrangler Forum How To Replace Battery Cables On A Jeep Wrangler changing out your battery is just about the easiest diy job you'll ever do on your wrangler. having your jeep battery die really isn’t that big of a deal, especially if you. i replaced the terminals with 'military spec battery terminals' from prime4x4, which are great for adding future. steps to change the battery in a. How To Replace Battery Cables On A Jeep Wrangler.
From thptnganamst.edu.vn
Actualizar 69+ imagen battery terminal jeep wrangler Thptnganamst.edu.vn How To Replace Battery Cables On A Jeep Wrangler Trust me, you won’t regret it! If you are noticing that your wrangler takes a few turns before the engine fires up, it may be a sign that your battery is getting low. Here’s a quick guide on how to do just that: having your jeep battery die really isn’t that big of a deal, especially if you. . How To Replace Battery Cables On A Jeep Wrangler.
From www.jlwranglerforums.com
ESS Battery Cable Change Jeep Wrangler Forums (JL / JLU) Rubicon How To Replace Battery Cables On A Jeep Wrangler i replaced the terminals with 'military spec battery terminals' from prime4x4, which are great for adding future. If you are noticing that your wrangler takes a few turns before the engine fires up, it may be a sign that your battery is getting low. if your jeep jk battery terminal connectors are corroded, it may be time to. How To Replace Battery Cables On A Jeep Wrangler.
From www.wranglerforum.com
2014 Battery cables Jeep Wrangler Forum How To Replace Battery Cables On A Jeep Wrangler steps to change the battery in a 2018 jeep wrangler unlimited sport 3.6l v6: Trust me, you won’t regret it! Here’s a quick guide on how to do just that: having your jeep battery die really isn’t that big of a deal, especially if you. i replaced the terminals with 'military spec battery terminals' from prime4x4, which. How To Replace Battery Cables On A Jeep Wrangler.
From www.mymoparpart.com
Jeep Wrangler Wiring. Battery. Cables, chassis, complete 56051599AC How To Replace Battery Cables On A Jeep Wrangler if your jeep jk battery terminal connectors are corroded, it may be time to change them. i replaced the terminals with 'military spec battery terminals' from prime4x4, which are great for adding future. Here’s a quick guide on how to do just that: changing out your battery is just about the easiest diy job you'll ever do. How To Replace Battery Cables On A Jeep Wrangler.
From garagefixkonig77.z19.web.core.windows.net
Jeep Wrangler Second Battery How To Replace Battery Cables On A Jeep Wrangler if your jeep jk battery terminal connectors are corroded, it may be time to change them. having your jeep battery die really isn’t that big of a deal, especially if you. If you are noticing that your wrangler takes a few turns before the engine fires up, it may be a sign that your battery is getting low.. How To Replace Battery Cables On A Jeep Wrangler.
From www.quadratec.com
How to Replace Your Jeep Wrangler Battery and Upgrade Terminals Quadratec How To Replace Battery Cables On A Jeep Wrangler If you are noticing that your wrangler takes a few turns before the engine fires up, it may be a sign that your battery is getting low. i replaced the terminals with 'military spec battery terminals' from prime4x4, which are great for adding future. Trust me, you won’t regret it! if your jeep jk battery terminal connectors are. How To Replace Battery Cables On A Jeep Wrangler.
From www.wranglerforum.com
Battery cables Jeep Wrangler Forum How To Replace Battery Cables On A Jeep Wrangler Trust me, you won’t regret it! if your jeep jk battery terminal connectors are corroded, it may be time to change them. changing out your battery is just about the easiest diy job you'll ever do on your wrangler. having your jeep battery die really isn’t that big of a deal, especially if you. steps to. How To Replace Battery Cables On A Jeep Wrangler.
From www.wranglerforum.com
YJ Battery Cables Jeep Wrangler Forum How To Replace Battery Cables On A Jeep Wrangler Trust me, you won’t regret it! changing out your battery is just about the easiest diy job you'll ever do on your wrangler. If you are noticing that your wrangler takes a few turns before the engine fires up, it may be a sign that your battery is getting low. Here’s a quick guide on how to do just. How To Replace Battery Cables On A Jeep Wrangler.
From www.youtube.com
How To Change The Battery On A Jeep Wrangler YJ YouTube How To Replace Battery Cables On A Jeep Wrangler Here’s a quick guide on how to do just that: If you are noticing that your wrangler takes a few turns before the engine fires up, it may be a sign that your battery is getting low. Trust me, you won’t regret it! having your jeep battery die really isn’t that big of a deal, especially if you. . How To Replace Battery Cables On A Jeep Wrangler.
From www.carid.com
Standard® Jeep Wrangler 1991 Battery Cable How To Replace Battery Cables On A Jeep Wrangler Here’s a quick guide on how to do just that: if your jeep jk battery terminal connectors are corroded, it may be time to change them. steps to change the battery in a 2018 jeep wrangler unlimited sport 3.6l v6: i replaced the terminals with 'military spec battery terminals' from prime4x4, which are great for adding future.. How To Replace Battery Cables On A Jeep Wrangler.
From mechaniceisenhauer123.z19.web.core.windows.net
Jeep Wrangler Replacement Battery How To Replace Battery Cables On A Jeep Wrangler Trust me, you won’t regret it! Here’s a quick guide on how to do just that: i replaced the terminals with 'military spec battery terminals' from prime4x4, which are great for adding future. if your jeep jk battery terminal connectors are corroded, it may be time to change them. changing out your battery is just about the. How To Replace Battery Cables On A Jeep Wrangler.
From thptnganamst.edu.vn
Total 79+ imagen 1998 jeep wrangler battery cables Thptnganamst.edu.vn How To Replace Battery Cables On A Jeep Wrangler having your jeep battery die really isn’t that big of a deal, especially if you. Trust me, you won’t regret it! if your jeep jk battery terminal connectors are corroded, it may be time to change them. changing out your battery is just about the easiest diy job you'll ever do on your wrangler. i replaced. How To Replace Battery Cables On A Jeep Wrangler.
From www.mymoparpart.com
Jeep Wrangler Terminal. Battery. Positive battery cable 05161305AA How To Replace Battery Cables On A Jeep Wrangler Here’s a quick guide on how to do just that: i replaced the terminals with 'military spec battery terminals' from prime4x4, which are great for adding future. changing out your battery is just about the easiest diy job you'll ever do on your wrangler. steps to change the battery in a 2018 jeep wrangler unlimited sport 3.6l. How To Replace Battery Cables On A Jeep Wrangler.
From www.wranglerforum.com
Battery Cables Jeep Wrangler Forum How To Replace Battery Cables On A Jeep Wrangler if your jeep jk battery terminal connectors are corroded, it may be time to change them. Trust me, you won’t regret it! changing out your battery is just about the easiest diy job you'll ever do on your wrangler. Here’s a quick guide on how to do just that: If you are noticing that your wrangler takes a. How To Replace Battery Cables On A Jeep Wrangler.
From workshoprepairemenuelebk.z22.web.core.windows.net
Jeep Wrangler Start Stop Battery How To Replace Battery Cables On A Jeep Wrangler Trust me, you won’t regret it! if your jeep jk battery terminal connectors are corroded, it may be time to change them. steps to change the battery in a 2018 jeep wrangler unlimited sport 3.6l v6: having your jeep battery die really isn’t that big of a deal, especially if you. If you are noticing that your. How To Replace Battery Cables On A Jeep Wrangler.
From enginemiralhemiyd.z13.web.core.windows.net
Jeep Wrangler Jl Auxiliary Battery Replacement How To Replace Battery Cables On A Jeep Wrangler i replaced the terminals with 'military spec battery terminals' from prime4x4, which are great for adding future. having your jeep battery die really isn’t that big of a deal, especially if you. steps to change the battery in a 2018 jeep wrangler unlimited sport 3.6l v6: If you are noticing that your wrangler takes a few turns. How To Replace Battery Cables On A Jeep Wrangler.
From custombatterycables.com
Battery Cables and Kits for the 19972006 Jeep Wrangler TJ How To Replace Battery Cables On A Jeep Wrangler steps to change the battery in a 2018 jeep wrangler unlimited sport 3.6l v6: Trust me, you won’t regret it! Here’s a quick guide on how to do just that: having your jeep battery die really isn’t that big of a deal, especially if you. If you are noticing that your wrangler takes a few turns before the. How To Replace Battery Cables On A Jeep Wrangler.
From www.quadratec.com
How to Replace Your Jeep Wrangler Battery and Upgrade Terminals Quadratec How To Replace Battery Cables On A Jeep Wrangler Trust me, you won’t regret it! Here’s a quick guide on how to do just that: changing out your battery is just about the easiest diy job you'll ever do on your wrangler. If you are noticing that your wrangler takes a few turns before the engine fires up, it may be a sign that your battery is getting. How To Replace Battery Cables On A Jeep Wrangler.
From www.pinterest.com
Jeep Wrangler Custom Battery Cables Custom jeep wrangler, Car How To Replace Battery Cables On A Jeep Wrangler Trust me, you won’t regret it! i replaced the terminals with 'military spec battery terminals' from prime4x4, which are great for adding future. if your jeep jk battery terminal connectors are corroded, it may be time to change them. steps to change the battery in a 2018 jeep wrangler unlimited sport 3.6l v6: Here’s a quick guide. How To Replace Battery Cables On A Jeep Wrangler.
From www.youtube.com
How To Replace Car Battery Posts/Terminals & Wires Replace Battery How To Replace Battery Cables On A Jeep Wrangler Trust me, you won’t regret it! if your jeep jk battery terminal connectors are corroded, it may be time to change them. i replaced the terminals with 'military spec battery terminals' from prime4x4, which are great for adding future. steps to change the battery in a 2018 jeep wrangler unlimited sport 3.6l v6: changing out your. How To Replace Battery Cables On A Jeep Wrangler.
From www.youtube.com
Jeep Wrangler New Auxiliary Battery Install YouTube How To Replace Battery Cables On A Jeep Wrangler i replaced the terminals with 'military spec battery terminals' from prime4x4, which are great for adding future. changing out your battery is just about the easiest diy job you'll ever do on your wrangler. having your jeep battery die really isn’t that big of a deal, especially if you. if your jeep jk battery terminal connectors. How To Replace Battery Cables On A Jeep Wrangler.