Cowl Jeep Liberty . preserve all the capabilities of your 2002 jeep liberty with cowl and dash panel replacement parts from official dealers,. you should replace the clips so that the cowl will not leak and so that it does not move around and cause problems. after 3 years i have finally solved the nagging wet floor on the passenger compartment. 4 cyl 2.8l diesel, 6 cyl 3.7l. Parts like cowl, dash panel & related parts are shipped directly from. moparpartsgiant.com offers the wholesale prices for genuine 2012 jeep liberty parts. Firstly, it plays a vital role in the vehicle’s hvac system, ensuring proper air. i to had water coming in and running down my a and d pillars on the passenger side. cowel, wiper arms, and windshield wiper motor removal how to. the cowl in a jeep liberty serves multiple crucial functions.
from it.wikipedia.org
after 3 years i have finally solved the nagging wet floor on the passenger compartment. cowel, wiper arms, and windshield wiper motor removal how to. Firstly, it plays a vital role in the vehicle’s hvac system, ensuring proper air. preserve all the capabilities of your 2002 jeep liberty with cowl and dash panel replacement parts from official dealers,. 4 cyl 2.8l diesel, 6 cyl 3.7l. moparpartsgiant.com offers the wholesale prices for genuine 2012 jeep liberty parts. i to had water coming in and running down my a and d pillars on the passenger side. you should replace the clips so that the cowl will not leak and so that it does not move around and cause problems. the cowl in a jeep liberty serves multiple crucial functions. Parts like cowl, dash panel & related parts are shipped directly from.
File0204 Jeep Liberty.jpg Wikipedia
Cowl Jeep Liberty the cowl in a jeep liberty serves multiple crucial functions. you should replace the clips so that the cowl will not leak and so that it does not move around and cause problems. after 3 years i have finally solved the nagging wet floor on the passenger compartment. cowel, wiper arms, and windshield wiper motor removal how to. moparpartsgiant.com offers the wholesale prices for genuine 2012 jeep liberty parts. 4 cyl 2.8l diesel, 6 cyl 3.7l. preserve all the capabilities of your 2002 jeep liberty with cowl and dash panel replacement parts from official dealers,. Parts like cowl, dash panel & related parts are shipped directly from. the cowl in a jeep liberty serves multiple crucial functions. i to had water coming in and running down my a and d pillars on the passenger side. Firstly, it plays a vital role in the vehicle’s hvac system, ensuring proper air.
From www.moparpartsgiant.com
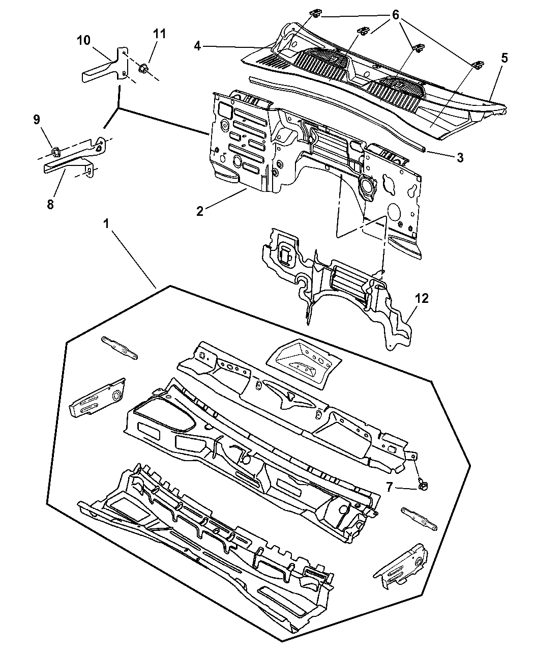
2006 Jeep Liberty Cowl & Dash Panel Mopar Parts Giant Cowl Jeep Liberty cowel, wiper arms, and windshield wiper motor removal how to. preserve all the capabilities of your 2002 jeep liberty with cowl and dash panel replacement parts from official dealers,. the cowl in a jeep liberty serves multiple crucial functions. you should replace the clips so that the cowl will not leak and so that it does. Cowl Jeep Liberty.
From www.2040-parts.com
Sell 05 JEEP LIBERTY COWL VENT PANEL in Underwood, Indiana, US, for US Cowl Jeep Liberty Firstly, it plays a vital role in the vehicle’s hvac system, ensuring proper air. you should replace the clips so that the cowl will not leak and so that it does not move around and cause problems. moparpartsgiant.com offers the wholesale prices for genuine 2012 jeep liberty parts. i to had water coming in and running down. Cowl Jeep Liberty.
From www.victorymotorsofcolorado.com
2007 Jeep Liberty Sport Victory Motors of Colorado Cowl Jeep Liberty the cowl in a jeep liberty serves multiple crucial functions. moparpartsgiant.com offers the wholesale prices for genuine 2012 jeep liberty parts. you should replace the clips so that the cowl will not leak and so that it does not move around and cause problems. 4 cyl 2.8l diesel, 6 cyl 3.7l. preserve all the capabilities of. Cowl Jeep Liberty.
From jsmithmoore.com
Jeep liberty cowl drain Cowl Jeep Liberty after 3 years i have finally solved the nagging wet floor on the passenger compartment. cowel, wiper arms, and windshield wiper motor removal how to. i to had water coming in and running down my a and d pillars on the passenger side. Parts like cowl, dash panel & related parts are shipped directly from. you. Cowl Jeep Liberty.
From www.bestcarfinder.com
2011 Jeep Liberty for Sale by Owner in Windsor, CT 06095 Cowl Jeep Liberty 4 cyl 2.8l diesel, 6 cyl 3.7l. Parts like cowl, dash panel & related parts are shipped directly from. after 3 years i have finally solved the nagging wet floor on the passenger compartment. preserve all the capabilities of your 2002 jeep liberty with cowl and dash panel replacement parts from official dealers,. the cowl in a. Cowl Jeep Liberty.
From buffyscars.com
2003 JEEP LIBERTY SPORT Cowl Jeep Liberty Firstly, it plays a vital role in the vehicle’s hvac system, ensuring proper air. you should replace the clips so that the cowl will not leak and so that it does not move around and cause problems. the cowl in a jeep liberty serves multiple crucial functions. Parts like cowl, dash panel & related parts are shipped directly. Cowl Jeep Liberty.
From www.slimansparts.com
Jeep Liberty Cowl. Panel. TRIM. Kick Panel Trim. Taupe 5GF88WL5AE Cowl Jeep Liberty preserve all the capabilities of your 2002 jeep liberty with cowl and dash panel replacement parts from official dealers,. moparpartsgiant.com offers the wholesale prices for genuine 2012 jeep liberty parts. cowel, wiper arms, and windshield wiper motor removal how to. Parts like cowl, dash panel & related parts are shipped directly from. Firstly, it plays a vital. Cowl Jeep Liberty.
From www.quadratec.com
Daystar® KJ71050BK Hood Cowl for 0717 Jeep® Wrangler & Wrangler Cowl Jeep Liberty you should replace the clips so that the cowl will not leak and so that it does not move around and cause problems. cowel, wiper arms, and windshield wiper motor removal how to. moparpartsgiant.com offers the wholesale prices for genuine 2012 jeep liberty parts. 4 cyl 2.8l diesel, 6 cyl 3.7l. Parts like cowl, dash panel &. Cowl Jeep Liberty.
From jsmithmoore.com
Jeep liberty cowl drain Cowl Jeep Liberty cowel, wiper arms, and windshield wiper motor removal how to. 4 cyl 2.8l diesel, 6 cyl 3.7l. after 3 years i have finally solved the nagging wet floor on the passenger compartment. Parts like cowl, dash panel & related parts are shipped directly from. Firstly, it plays a vital role in the vehicle’s hvac system, ensuring proper air.. Cowl Jeep Liberty.
From www.alphavinyl.com
Jeep Liberty KJ Blackout 0207 AlphaVinyl Cowl Jeep Liberty after 3 years i have finally solved the nagging wet floor on the passenger compartment. Parts like cowl, dash panel & related parts are shipped directly from. the cowl in a jeep liberty serves multiple crucial functions. i to had water coming in and running down my a and d pillars on the passenger side. 4 cyl. Cowl Jeep Liberty.
From jsmithmoore.com
Jeep liberty cowl drain Cowl Jeep Liberty after 3 years i have finally solved the nagging wet floor on the passenger compartment. Firstly, it plays a vital role in the vehicle’s hvac system, ensuring proper air. Parts like cowl, dash panel & related parts are shipped directly from. cowel, wiper arms, and windshield wiper motor removal how to. i to had water coming in. Cowl Jeep Liberty.
From www.2040-parts.com
Sell 05 JEEP LIBERTY COWL VENT PANEL in Underwood, Indiana, US, for US Cowl Jeep Liberty cowel, wiper arms, and windshield wiper motor removal how to. Parts like cowl, dash panel & related parts are shipped directly from. the cowl in a jeep liberty serves multiple crucial functions. you should replace the clips so that the cowl will not leak and so that it does not move around and cause problems. i. Cowl Jeep Liberty.
From jsmithmoore.com
Jeep liberty cowl drain Cowl Jeep Liberty preserve all the capabilities of your 2002 jeep liberty with cowl and dash panel replacement parts from official dealers,. Firstly, it plays a vital role in the vehicle’s hvac system, ensuring proper air. moparpartsgiant.com offers the wholesale prices for genuine 2012 jeep liberty parts. the cowl in a jeep liberty serves multiple crucial functions. 4 cyl 2.8l. Cowl Jeep Liberty.
From en.wikipedia.org
Jeep Liberty Wikipedia Cowl Jeep Liberty Parts like cowl, dash panel & related parts are shipped directly from. you should replace the clips so that the cowl will not leak and so that it does not move around and cause problems. 4 cyl 2.8l diesel, 6 cyl 3.7l. cowel, wiper arms, and windshield wiper motor removal how to. after 3 years i have. Cowl Jeep Liberty.
From parts.chryslerjeepdodgecityofmckinney.com
2003 Jeep Liberty Panel. Cowl. Panels, fca, dash 55174624AH Cowl Jeep Liberty after 3 years i have finally solved the nagging wet floor on the passenger compartment. cowel, wiper arms, and windshield wiper motor removal how to. moparpartsgiant.com offers the wholesale prices for genuine 2012 jeep liberty parts. Parts like cowl, dash panel & related parts are shipped directly from. i to had water coming in and running. Cowl Jeep Liberty.
From jsmithmoore.com
Jeep liberty cowl drain Cowl Jeep Liberty you should replace the clips so that the cowl will not leak and so that it does not move around and cause problems. 4 cyl 2.8l diesel, 6 cyl 3.7l. the cowl in a jeep liberty serves multiple crucial functions. i to had water coming in and running down my a and d pillars on the passenger. Cowl Jeep Liberty.
From www.youtube.com
Cowl & Windshield Wiper Motor Removal, Jeep Liberty (Cherokee) KK 2nd Cowl Jeep Liberty cowel, wiper arms, and windshield wiper motor removal how to. moparpartsgiant.com offers the wholesale prices for genuine 2012 jeep liberty parts. after 3 years i have finally solved the nagging wet floor on the passenger compartment. i to had water coming in and running down my a and d pillars on the passenger side. 4 cyl. Cowl Jeep Liberty.
From it.wikipedia.org
File0204 Jeep Liberty.jpg Wikipedia Cowl Jeep Liberty you should replace the clips so that the cowl will not leak and so that it does not move around and cause problems. cowel, wiper arms, and windshield wiper motor removal how to. i to had water coming in and running down my a and d pillars on the passenger side. preserve all the capabilities of. Cowl Jeep Liberty.
From www.jeepgladiatorforum.com
Do you get hood glare from cowl lights? Jeep Gladiator (JT) News Cowl Jeep Liberty the cowl in a jeep liberty serves multiple crucial functions. you should replace the clips so that the cowl will not leak and so that it does not move around and cause problems. moparpartsgiant.com offers the wholesale prices for genuine 2012 jeep liberty parts. after 3 years i have finally solved the nagging wet floor on. Cowl Jeep Liberty.
From www.way.com
Jeep Liberty The SUV That Goes Where You Go! Cowl Jeep Liberty 4 cyl 2.8l diesel, 6 cyl 3.7l. Firstly, it plays a vital role in the vehicle’s hvac system, ensuring proper air. cowel, wiper arms, and windshield wiper motor removal how to. moparpartsgiant.com offers the wholesale prices for genuine 2012 jeep liberty parts. i to had water coming in and running down my a and d pillars on. Cowl Jeep Liberty.
From jsmithmoore.com
Jeep liberty cowl drain Cowl Jeep Liberty the cowl in a jeep liberty serves multiple crucial functions. i to had water coming in and running down my a and d pillars on the passenger side. Firstly, it plays a vital role in the vehicle’s hvac system, ensuring proper air. Parts like cowl, dash panel & related parts are shipped directly from. moparpartsgiant.com offers the. Cowl Jeep Liberty.
From jsmithmoore.com
Jeep liberty cowl drain Cowl Jeep Liberty Firstly, it plays a vital role in the vehicle’s hvac system, ensuring proper air. Parts like cowl, dash panel & related parts are shipped directly from. cowel, wiper arms, and windshield wiper motor removal how to. i to had water coming in and running down my a and d pillars on the passenger side. the cowl in. Cowl Jeep Liberty.
From www.2040-parts.com
Sell 05 JEEP LIBERTY COWL VENT PANEL in Underwood, Indiana, US, for US Cowl Jeep Liberty after 3 years i have finally solved the nagging wet floor on the passenger compartment. you should replace the clips so that the cowl will not leak and so that it does not move around and cause problems. Parts like cowl, dash panel & related parts are shipped directly from. preserve all the capabilities of your 2002. Cowl Jeep Liberty.
From jsmithmoore.com
Jeep liberty cowl drain Cowl Jeep Liberty you should replace the clips so that the cowl will not leak and so that it does not move around and cause problems. the cowl in a jeep liberty serves multiple crucial functions. 4 cyl 2.8l diesel, 6 cyl 3.7l. i to had water coming in and running down my a and d pillars on the passenger. Cowl Jeep Liberty.
From www.2040-parts.com
Sell 05 JEEP LIBERTY COWL VENT PANEL in Underwood, Indiana, US, for US Cowl Jeep Liberty the cowl in a jeep liberty serves multiple crucial functions. Firstly, it plays a vital role in the vehicle’s hvac system, ensuring proper air. you should replace the clips so that the cowl will not leak and so that it does not move around and cause problems. 4 cyl 2.8l diesel, 6 cyl 3.7l. moparpartsgiant.com offers the. Cowl Jeep Liberty.
From www.pinterest.co.uk
Pin de Alexander Silva en jeep en 2024 Jeep liberty, 4x4 Cowl Jeep Liberty Parts like cowl, dash panel & related parts are shipped directly from. after 3 years i have finally solved the nagging wet floor on the passenger compartment. the cowl in a jeep liberty serves multiple crucial functions. preserve all the capabilities of your 2002 jeep liberty with cowl and dash panel replacement parts from official dealers,. 4. Cowl Jeep Liberty.
From jsmithmoore.com
Jeep liberty cowl drain Cowl Jeep Liberty i to had water coming in and running down my a and d pillars on the passenger side. cowel, wiper arms, and windshield wiper motor removal how to. Firstly, it plays a vital role in the vehicle’s hvac system, ensuring proper air. preserve all the capabilities of your 2002 jeep liberty with cowl and dash panel replacement. Cowl Jeep Liberty.
From www.autodata1.com
Jeep Liberty technical specifications and fuel economy Cowl Jeep Liberty cowel, wiper arms, and windshield wiper motor removal how to. you should replace the clips so that the cowl will not leak and so that it does not move around and cause problems. i to had water coming in and running down my a and d pillars on the passenger side. moparpartsgiant.com offers the wholesale prices. Cowl Jeep Liberty.
From www.autocosmos.com.mx
Jeep Liberty Sport 4x2 MyGiG usado (2012) color Verde precio 185,000 Cowl Jeep Liberty after 3 years i have finally solved the nagging wet floor on the passenger compartment. i to had water coming in and running down my a and d pillars on the passenger side. Parts like cowl, dash panel & related parts are shipped directly from. Firstly, it plays a vital role in the vehicle’s hvac system, ensuring proper. Cowl Jeep Liberty.
From myjeepcar.com
What is a Cowl for Jeep Liberty? My Jeep Car Cowl Jeep Liberty after 3 years i have finally solved the nagging wet floor on the passenger compartment. the cowl in a jeep liberty serves multiple crucial functions. 4 cyl 2.8l diesel, 6 cyl 3.7l. you should replace the clips so that the cowl will not leak and so that it does not move around and cause problems. Firstly, it. Cowl Jeep Liberty.
From jsmithmoore.com
Jeep liberty cowl drain Cowl Jeep Liberty you should replace the clips so that the cowl will not leak and so that it does not move around and cause problems. i to had water coming in and running down my a and d pillars on the passenger side. the cowl in a jeep liberty serves multiple crucial functions. cowel, wiper arms, and windshield. Cowl Jeep Liberty.
From www.2040-parts.com
Sell 05 JEEP LIBERTY COWL VENT PANEL in Underwood, Indiana, US, for US Cowl Jeep Liberty preserve all the capabilities of your 2002 jeep liberty with cowl and dash panel replacement parts from official dealers,. Firstly, it plays a vital role in the vehicle’s hvac system, ensuring proper air. i to had water coming in and running down my a and d pillars on the passenger side. cowel, wiper arms, and windshield wiper. Cowl Jeep Liberty.
From www.autotrader.ca
2010 Jeep Liberty 4WD 4dr Sport Edmonton Cowl Jeep Liberty 4 cyl 2.8l diesel, 6 cyl 3.7l. Parts like cowl, dash panel & related parts are shipped directly from. preserve all the capabilities of your 2002 jeep liberty with cowl and dash panel replacement parts from official dealers,. cowel, wiper arms, and windshield wiper motor removal how to. i to had water coming in and running down. Cowl Jeep Liberty.
From jsmithmoore.com
Jeep liberty cowl drain Cowl Jeep Liberty 4 cyl 2.8l diesel, 6 cyl 3.7l. cowel, wiper arms, and windshield wiper motor removal how to. i to had water coming in and running down my a and d pillars on the passenger side. moparpartsgiant.com offers the wholesale prices for genuine 2012 jeep liberty parts. the cowl in a jeep liberty serves multiple crucial functions.. Cowl Jeep Liberty.
From www.youtube.com
Removing stuck wiper arms and cover to unclog drain causing cab leak Cowl Jeep Liberty Firstly, it plays a vital role in the vehicle’s hvac system, ensuring proper air. you should replace the clips so that the cowl will not leak and so that it does not move around and cause problems. 4 cyl 2.8l diesel, 6 cyl 3.7l. Parts like cowl, dash panel & related parts are shipped directly from. i to. Cowl Jeep Liberty.