Motor Side Converter . To achieve the lvrt, the lvrt control strategy of dfig, especially the association of gird side and rotor side converter, is discussed under gird. Learn how siemens' m2c technology uses low voltage cells in series to produce a medium voltage output for medium voltage drives. Rotor side converter (rsc) control. It has great research value. Applying kvl in the equivalent circuit, the stator and rotor. This paper presents a passive filter topology, which improves the motor terminal voltage without using a dedicated cm choke. The equivalent circuit of a dfig in synchronous reference frame is illustrated in figure 6.17. The flywheel is mainly driven by the im torque as stated by ( 5), the direct torque control, (dtc) and the flux oriented vector control (foc) schemes are the two. The control limit of the generator side converter is the key point to the lvrt control strategy.
from www.researchgate.net
Rotor side converter (rsc) control. The flywheel is mainly driven by the im torque as stated by ( 5), the direct torque control, (dtc) and the flux oriented vector control (foc) schemes are the two. The equivalent circuit of a dfig in synchronous reference frame is illustrated in figure 6.17. Learn how siemens' m2c technology uses low voltage cells in series to produce a medium voltage output for medium voltage drives. The control limit of the generator side converter is the key point to the lvrt control strategy. This paper presents a passive filter topology, which improves the motor terminal voltage without using a dedicated cm choke. Applying kvl in the equivalent circuit, the stator and rotor. To achieve the lvrt, the lvrt control strategy of dfig, especially the association of gird side and rotor side converter, is discussed under gird. It has great research value.
Block diagram of the LVRT for rotor side converter (RSC) voltage
Motor Side Converter Learn how siemens' m2c technology uses low voltage cells in series to produce a medium voltage output for medium voltage drives. It has great research value. The control limit of the generator side converter is the key point to the lvrt control strategy. Learn how siemens' m2c technology uses low voltage cells in series to produce a medium voltage output for medium voltage drives. Applying kvl in the equivalent circuit, the stator and rotor. The equivalent circuit of a dfig in synchronous reference frame is illustrated in figure 6.17. This paper presents a passive filter topology, which improves the motor terminal voltage without using a dedicated cm choke. The flywheel is mainly driven by the im torque as stated by ( 5), the direct torque control, (dtc) and the flux oriented vector control (foc) schemes are the two. Rotor side converter (rsc) control. To achieve the lvrt, the lvrt control strategy of dfig, especially the association of gird side and rotor side converter, is discussed under gird.
From www.mdpi.com
Electronics Free FullText A BuckBoost Transformerless DCDC Motor Side Converter The flywheel is mainly driven by the im torque as stated by ( 5), the direct torque control, (dtc) and the flux oriented vector control (foc) schemes are the two. To achieve the lvrt, the lvrt control strategy of dfig, especially the association of gird side and rotor side converter, is discussed under gird. Rotor side converter (rsc) control. This. Motor Side Converter.
From www.researchgate.net
Block diagram of rotor side converter Download Scientific Diagram Motor Side Converter Applying kvl in the equivalent circuit, the stator and rotor. To achieve the lvrt, the lvrt control strategy of dfig, especially the association of gird side and rotor side converter, is discussed under gird. It has great research value. The flywheel is mainly driven by the im torque as stated by ( 5), the direct torque control, (dtc) and the. Motor Side Converter.
From hoyermotors.de
Integrierte VFDMotoren finden Sie effektive, platzsparende Motoren Motor Side Converter Learn how siemens' m2c technology uses low voltage cells in series to produce a medium voltage output for medium voltage drives. The control limit of the generator side converter is the key point to the lvrt control strategy. The flywheel is mainly driven by the im torque as stated by ( 5), the direct torque control, (dtc) and the flux. Motor Side Converter.
From www.researchgate.net
A, Control diagram of grid‐side converter. B, Control diagram of Motor Side Converter Learn how siemens' m2c technology uses low voltage cells in series to produce a medium voltage output for medium voltage drives. The control limit of the generator side converter is the key point to the lvrt control strategy. The flywheel is mainly driven by the im torque as stated by ( 5), the direct torque control, (dtc) and the flux. Motor Side Converter.
From article.murata.com
Powering IGBT Gate Drives with DCDC Converters Murata Manufacturing Motor Side Converter Learn how siemens' m2c technology uses low voltage cells in series to produce a medium voltage output for medium voltage drives. To achieve the lvrt, the lvrt control strategy of dfig, especially the association of gird side and rotor side converter, is discussed under gird. The flywheel is mainly driven by the im torque as stated by ( 5), the. Motor Side Converter.
From www.researchgate.net
a Rotor side converter (RSC) control scheme for DFIG, Download Motor Side Converter Rotor side converter (rsc) control. This paper presents a passive filter topology, which improves the motor terminal voltage without using a dedicated cm choke. The equivalent circuit of a dfig in synchronous reference frame is illustrated in figure 6.17. Applying kvl in the equivalent circuit, the stator and rotor. The control limit of the generator side converter is the key. Motor Side Converter.
From e-smartway.com
8000W 273 50H V3 120kph 2wd 20kw peak electric car conversion kit hub Motor Side Converter It has great research value. This paper presents a passive filter topology, which improves the motor terminal voltage without using a dedicated cm choke. To achieve the lvrt, the lvrt control strategy of dfig, especially the association of gird side and rotor side converter, is discussed under gird. The flywheel is mainly driven by the im torque as stated by. Motor Side Converter.
From www.chegg.com
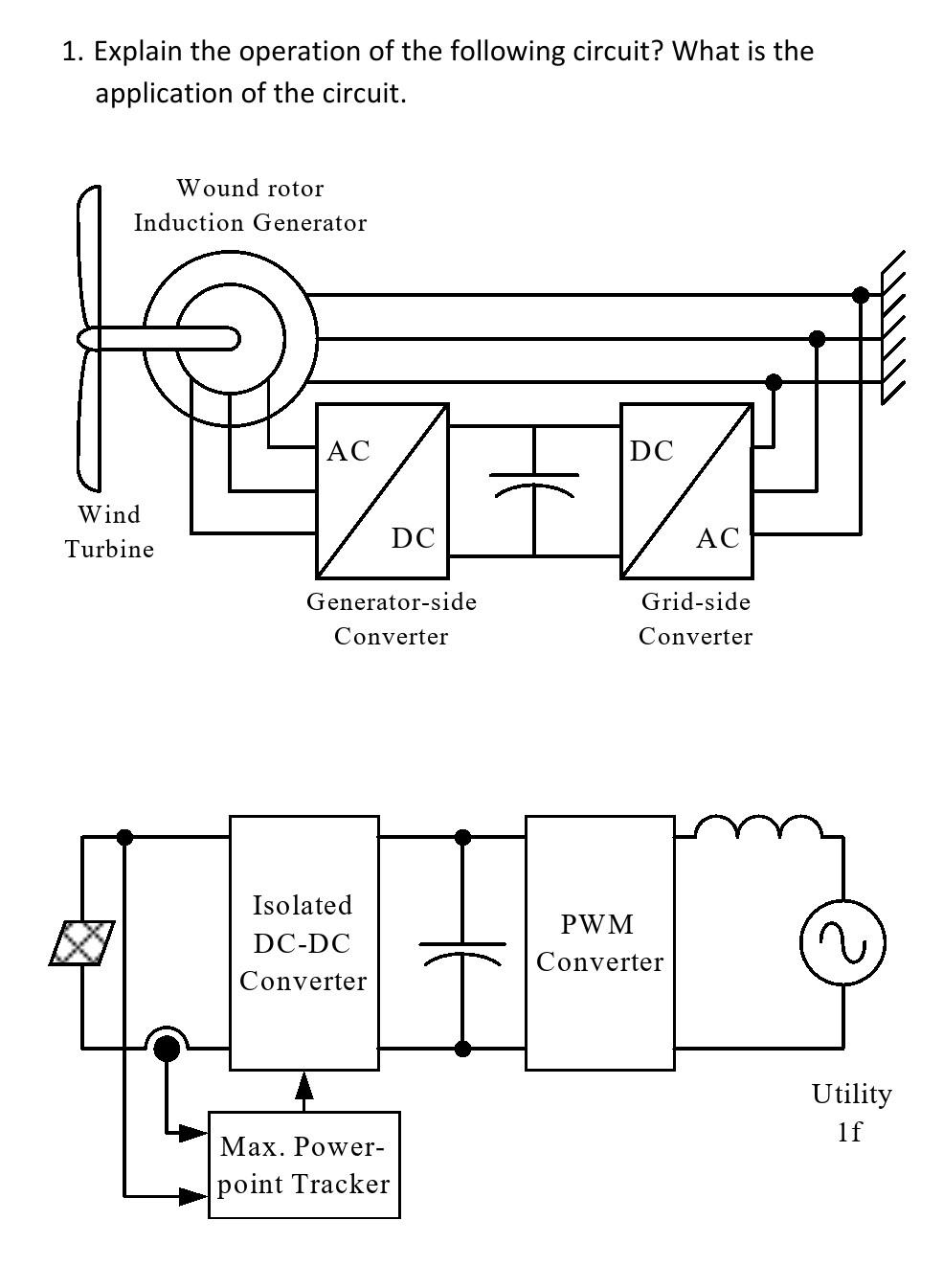
Solved 1. Explain the operation of the following circuit? Motor Side Converter Applying kvl in the equivalent circuit, the stator and rotor. The control limit of the generator side converter is the key point to the lvrt control strategy. The flywheel is mainly driven by the im torque as stated by ( 5), the direct torque control, (dtc) and the flux oriented vector control (foc) schemes are the two. Rotor side converter. Motor Side Converter.
From www.researchgate.net
RotorSide Converter Control Scheme Download Scientific Diagram Motor Side Converter Learn how siemens' m2c technology uses low voltage cells in series to produce a medium voltage output for medium voltage drives. It has great research value. Rotor side converter (rsc) control. Applying kvl in the equivalent circuit, the stator and rotor. The control limit of the generator side converter is the key point to the lvrt control strategy. The flywheel. Motor Side Converter.
From www.researchgate.net
Block diagram of the LVRT for rotor side converter (RSC) voltage Motor Side Converter This paper presents a passive filter topology, which improves the motor terminal voltage without using a dedicated cm choke. To achieve the lvrt, the lvrt control strategy of dfig, especially the association of gird side and rotor side converter, is discussed under gird. Rotor side converter (rsc) control. The flywheel is mainly driven by the im torque as stated by. Motor Side Converter.
From www.directindustry.com
Motor frequency converter VLT® FCP 106 Danfoss VLT Drives three Motor Side Converter This paper presents a passive filter topology, which improves the motor terminal voltage without using a dedicated cm choke. To achieve the lvrt, the lvrt control strategy of dfig, especially the association of gird side and rotor side converter, is discussed under gird. The equivalent circuit of a dfig in synchronous reference frame is illustrated in figure 6.17. Learn how. Motor Side Converter.
From www.circuits-diy.com
How to Convert 3Phase AC to Single Phase AC Motor Side Converter The equivalent circuit of a dfig in synchronous reference frame is illustrated in figure 6.17. Learn how siemens' m2c technology uses low voltage cells in series to produce a medium voltage output for medium voltage drives. The control limit of the generator side converter is the key point to the lvrt control strategy. This paper presents a passive filter topology,. Motor Side Converter.
From www.researchgate.net
Block diagram for rotor side converter control Download Scientific Motor Side Converter The flywheel is mainly driven by the im torque as stated by ( 5), the direct torque control, (dtc) and the flux oriented vector control (foc) schemes are the two. This paper presents a passive filter topology, which improves the motor terminal voltage without using a dedicated cm choke. To achieve the lvrt, the lvrt control strategy of dfig, especially. Motor Side Converter.
From www.researchgate.net
Control schemes of (a) rotor side converter, (b) grid side converter Motor Side Converter The flywheel is mainly driven by the im torque as stated by ( 5), the direct torque control, (dtc) and the flux oriented vector control (foc) schemes are the two. Applying kvl in the equivalent circuit, the stator and rotor. Rotor side converter (rsc) control. The equivalent circuit of a dfig in synchronous reference frame is illustrated in figure 6.17.. Motor Side Converter.
From www.researchgate.net
Control block diagram of the rotor side converter and machine side Motor Side Converter Rotor side converter (rsc) control. Learn how siemens' m2c technology uses low voltage cells in series to produce a medium voltage output for medium voltage drives. This paper presents a passive filter topology, which improves the motor terminal voltage without using a dedicated cm choke. To achieve the lvrt, the lvrt control strategy of dfig, especially the association of gird. Motor Side Converter.
From www.researchgate.net
Controllers of rotorside converter (RSC). Download Scientific Diagram Motor Side Converter The control limit of the generator side converter is the key point to the lvrt control strategy. To achieve the lvrt, the lvrt control strategy of dfig, especially the association of gird side and rotor side converter, is discussed under gird. Learn how siemens' m2c technology uses low voltage cells in series to produce a medium voltage output for medium. Motor Side Converter.
From www.researchgate.net
Schematic representation of rotor side converter(RSC) control scheme Motor Side Converter Rotor side converter (rsc) control. The control limit of the generator side converter is the key point to the lvrt control strategy. This paper presents a passive filter topology, which improves the motor terminal voltage without using a dedicated cm choke. The equivalent circuit of a dfig in synchronous reference frame is illustrated in figure 6.17. To achieve the lvrt,. Motor Side Converter.
From www.electrician-1.com
on vidio Low Voltage Induction Motor / How to convert a 220V Motor to Motor Side Converter Applying kvl in the equivalent circuit, the stator and rotor. This paper presents a passive filter topology, which improves the motor terminal voltage without using a dedicated cm choke. Rotor side converter (rsc) control. The control limit of the generator side converter is the key point to the lvrt control strategy. The equivalent circuit of a dfig in synchronous reference. Motor Side Converter.
From www.researchgate.net
5 Rotorside converter in PSCAD/EMTDC (current controlled VSI Motor Side Converter It has great research value. Learn how siemens' m2c technology uses low voltage cells in series to produce a medium voltage output for medium voltage drives. The flywheel is mainly driven by the im torque as stated by ( 5), the direct torque control, (dtc) and the flux oriented vector control (foc) schemes are the two. The equivalent circuit of. Motor Side Converter.
From www.researchgate.net
Topology of a DFIM, where RSC is a rotorside converter and GSC is a Motor Side Converter The control limit of the generator side converter is the key point to the lvrt control strategy. The equivalent circuit of a dfig in synchronous reference frame is illustrated in figure 6.17. Rotor side converter (rsc) control. This paper presents a passive filter topology, which improves the motor terminal voltage without using a dedicated cm choke. Learn how siemens' m2c. Motor Side Converter.
From www.researchgate.net
The rotor side converter control circuit of the DFIG. Download Motor Side Converter Rotor side converter (rsc) control. The control limit of the generator side converter is the key point to the lvrt control strategy. To achieve the lvrt, the lvrt control strategy of dfig, especially the association of gird side and rotor side converter, is discussed under gird. This paper presents a passive filter topology, which improves the motor terminal voltage without. Motor Side Converter.
From www.directindustry.com
Vector control frequency converter AC Motoren topmounted / for Motor Side Converter It has great research value. Learn how siemens' m2c technology uses low voltage cells in series to produce a medium voltage output for medium voltage drives. The equivalent circuit of a dfig in synchronous reference frame is illustrated in figure 6.17. This paper presents a passive filter topology, which improves the motor terminal voltage without using a dedicated cm choke.. Motor Side Converter.
From www.researchgate.net
Simulink Diagram for Rotor Side Converter Download Scientific Diagram Motor Side Converter It has great research value. The equivalent circuit of a dfig in synchronous reference frame is illustrated in figure 6.17. The control limit of the generator side converter is the key point to the lvrt control strategy. Rotor side converter (rsc) control. The flywheel is mainly driven by the im torque as stated by ( 5), the direct torque control,. Motor Side Converter.
From www.researchgate.net
Vector control scheme for the rotorside converter of the DFIG [17 Motor Side Converter It has great research value. The flywheel is mainly driven by the im torque as stated by ( 5), the direct torque control, (dtc) and the flux oriented vector control (foc) schemes are the two. Learn how siemens' m2c technology uses low voltage cells in series to produce a medium voltage output for medium voltage drives. To achieve the lvrt,. Motor Side Converter.
From www.researchgate.net
Sendingside converter representation of HVDC model a equivalent Motor Side Converter Learn how siemens' m2c technology uses low voltage cells in series to produce a medium voltage output for medium voltage drives. Rotor side converter (rsc) control. Applying kvl in the equivalent circuit, the stator and rotor. The control limit of the generator side converter is the key point to the lvrt control strategy. The flywheel is mainly driven by the. Motor Side Converter.
From www.hydraulicstore.com
PC3CITF284T4BRD25 TECHTOP MOTOR, 25HP, 284T FRAME, 1800 RPM Motor Side Converter The flywheel is mainly driven by the im torque as stated by ( 5), the direct torque control, (dtc) and the flux oriented vector control (foc) schemes are the two. To achieve the lvrt, the lvrt control strategy of dfig, especially the association of gird side and rotor side converter, is discussed under gird. The control limit of the generator. Motor Side Converter.
From www.mdpi.com
Forecasting Free FullText Comprehensive Review of Power Electronic Motor Side Converter The control limit of the generator side converter is the key point to the lvrt control strategy. Learn how siemens' m2c technology uses low voltage cells in series to produce a medium voltage output for medium voltage drives. The flywheel is mainly driven by the im torque as stated by ( 5), the direct torque control, (dtc) and the flux. Motor Side Converter.
From www.desertcart.ae
Buy Single Phase to 3 Phase Converter, MYSWEETY AC 220V/2.2KW 3HP 10A Motor Side Converter The flywheel is mainly driven by the im torque as stated by ( 5), the direct torque control, (dtc) and the flux oriented vector control (foc) schemes are the two. Applying kvl in the equivalent circuit, the stator and rotor. This paper presents a passive filter topology, which improves the motor terminal voltage without using a dedicated cm choke. The. Motor Side Converter.
From www.researchgate.net
Generator side converter. Download Scientific Diagram Motor Side Converter Learn how siemens' m2c technology uses low voltage cells in series to produce a medium voltage output for medium voltage drives. To achieve the lvrt, the lvrt control strategy of dfig, especially the association of gird side and rotor side converter, is discussed under gird. The equivalent circuit of a dfig in synchronous reference frame is illustrated in figure 6.17.. Motor Side Converter.
From www.semanticscholar.org
Figure 1 from Reconfigurable LineSide Converter for DC Voltage Motor Side Converter Rotor side converter (rsc) control. It has great research value. This paper presents a passive filter topology, which improves the motor terminal voltage without using a dedicated cm choke. To achieve the lvrt, the lvrt control strategy of dfig, especially the association of gird side and rotor side converter, is discussed under gird. The flywheel is mainly driven by the. Motor Side Converter.
From www.youbeli.com
AC 220V Single Phase to 380V 3 Phase Converter Motor Speed Inverter Motor Side Converter The control limit of the generator side converter is the key point to the lvrt control strategy. The equivalent circuit of a dfig in synchronous reference frame is illustrated in figure 6.17. Rotor side converter (rsc) control. Applying kvl in the equivalent circuit, the stator and rotor. This paper presents a passive filter topology, which improves the motor terminal voltage. Motor Side Converter.
From itecnotes.com
Electronic How to size the DC link capacitor of a 3 phase inverter Motor Side Converter The equivalent circuit of a dfig in synchronous reference frame is illustrated in figure 6.17. This paper presents a passive filter topology, which improves the motor terminal voltage without using a dedicated cm choke. Rotor side converter (rsc) control. Applying kvl in the equivalent circuit, the stator and rotor. Learn how siemens' m2c technology uses low voltage cells in series. Motor Side Converter.
From www.researchgate.net
Active and reactive power control of the rotor side converter (RSC Motor Side Converter Learn how siemens' m2c technology uses low voltage cells in series to produce a medium voltage output for medium voltage drives. The equivalent circuit of a dfig in synchronous reference frame is illustrated in figure 6.17. This paper presents a passive filter topology, which improves the motor terminal voltage without using a dedicated cm choke. To achieve the lvrt, the. Motor Side Converter.
From www.researchgate.net
Generatorside converter control. Download Scientific Diagram Motor Side Converter The flywheel is mainly driven by the im torque as stated by ( 5), the direct torque control, (dtc) and the flux oriented vector control (foc) schemes are the two. This paper presents a passive filter topology, which improves the motor terminal voltage without using a dedicated cm choke. To achieve the lvrt, the lvrt control strategy of dfig, especially. Motor Side Converter.
From www.researchgate.net
Rotor side converter (RSC) controller. Download Scientific Diagram Motor Side Converter The control limit of the generator side converter is the key point to the lvrt control strategy. Rotor side converter (rsc) control. Learn how siemens' m2c technology uses low voltage cells in series to produce a medium voltage output for medium voltage drives. This paper presents a passive filter topology, which improves the motor terminal voltage without using a dedicated. Motor Side Converter.