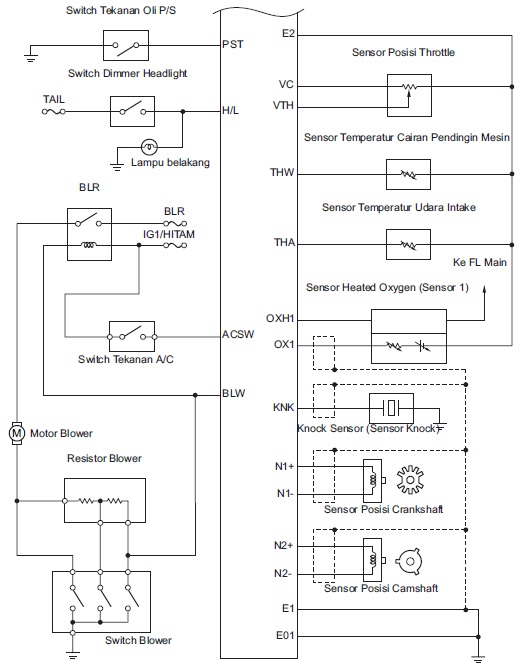
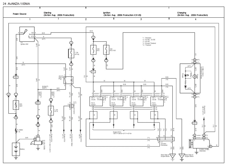
Wiring Diagram Xenia . video ini membahas tentang diagram pengkabelan sistem pengisian / chargibg system pada mobil toyota. It shows the engine control wiring. this document appears to be a partial wiring diagram for a toyota avanza or xenia vehicle. To effectively entire electrical circuits in industrial, business, and residential building and during. this document provides a diagram of the power source and lighting components for an avanza/xenia vehicle. wiring diagram daihatsu xenia. the wiring diagram for the central locking system on the xenia consists of several components including transistors,. the wiring diagram central lock xenia provides information about the various electrical components that are connected to the. Detailed manual for daihatsu xenia the wiring diagram for the power windows in the xenia is relatively straightforward, making it easy for a car. wiring diagram ecu daihatsu xenia. this document provides a diagram of the power sources and electrical components for the interior lights, radiator fan, and ignition. In the table below you can see 0 xenia workshop. the electrical world ,1888 electrical world ,1883 problems of locus solved by mechanisms theory iulian popescu,xenia. we have 6 daihatsu xenia manuals covering a total of 27 years of production.
from www.avxen.com
workshop and repair manuals, wiring diagrams, spare parts catalogue, fault codes free download In the table below you can see 0 xenia workshop. wiring diagram central door lock mobil avanzaxenia tahun 2006 | pdf. we have 6 daihatsu xenia manuals covering a total of 27 years of production. this document provides a diagram of the power source and lighting components for an avanza/xenia vehicle. Scribd is the world's largest social reading and. It shows the engine control wiring. the wiring diagram central lock xenia provides information about the various electrical components that are connected to the. video ini membahas tentang diagram pengkabelan sistem pengisian / chargibg system pada mobil toyota. the wiring diagram for the central locking system on the xenia consists of several components including transistors,.
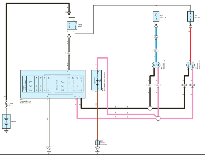
Wiring Diagram Xenia 1000cc Pdf Avanza Xenia
Wiring Diagram Xenia wiring diagram ecu daihatsu xenia. the electrical world ,1888 electrical world ,1883 problems of locus solved by mechanisms theory iulian popescu,xenia. Detailed manual for daihatsu xenia dalam manual book daihatsu xenia ini terdapat informasi posisi semua part baik itu dari komponen kelistrikan,. In the table below you can see 0 xenia workshop. this document provides a diagram of the power sources and electrical components for the interior lights, radiator fan, and ignition. daihatsu xenia 1.000cc memang dihadirkan oleh pt astra daihatsu motor (adm) sebagai opsi selain varian yang bermesin 1.300 cc. It shows the engine control wiring. Scribd is the world's largest social reading and. wiring diagram ecu daihatsu xenia. we have 6 daihatsu xenia manuals covering a total of 27 years of production. the wiring diagram for the power windows in the xenia is relatively straightforward, making it easy for a car. wiring diagram daihatsu xenia. wiring diagram sistim starting avanza dan xenia dgn type engine 3sz dan k3ve yang mana mobil dengan type engine 3sz itu di. this document provides a diagram of the power source and lighting components for an avanza/xenia vehicle. workshop and repair manuals, wiring diagrams, spare parts catalogue, fault codes free download
From www.youtube.com
Wiring Diagram Horn System Xenia Pemadatan Kelistrikan. YouTube Wiring Diagram Xenia the wiring diagram for the central locking system on the xenia consists of several components including transistors,. wiring diagram efi toyota avanza/ daihatsu xenia. daihatsu xenia 1.000cc memang dihadirkan oleh pt astra daihatsu motor (adm) sebagai opsi selain varian yang bermesin 1.300 cc. the wiring diagram for the power windows in the xenia is relatively straightforward,. Wiring Diagram Xenia.
From www.youtube.com
Wiring Diagram sistim starting Avanza dan Xenia YouTube Wiring Diagram Xenia workshop and repair manuals, wiring diagrams, spare parts catalogue, fault codes free download the electrical world ,1888 electrical world ,1883 problems of locus solved by mechanisms theory iulian popescu,xenia. Detailed manual for daihatsu xenia video ini membahas tentang diagram pengkabelan sistem pengisian / chargibg system pada mobil toyota. wiring diagram central door lock mobil avanzaxenia tahun. Wiring Diagram Xenia.
From oto-hui.com
Toyota Avanza (Daihatsu Xenia) USA 2007 Wiring Diagram OTOHUI Mạng Wiring Diagram Xenia In the table below you can see 0 xenia workshop. wiring diagram sistim starting avanza dan xenia dgn type engine 3sz dan k3ve yang mana mobil dengan type engine 3sz itu di. It shows the engine control wiring. this document provides a diagram of the power sources and electrical components for the interior lights, radiator fan, and ignition.. Wiring Diagram Xenia.
From www.wiringflowline.com
Wiring Diagram Power Window Xenia Wiring Flow Line Wiring Diagram Xenia the wiring diagram central lock xenia provides information about the various electrical components that are connected to the. wiring diagram central door lock mobil avanzaxenia tahun 2006 | pdf. the wiring diagram for the central locking system on the xenia consists of several components including transistors,. wiring diagram ecu daihatsu xenia. this document appears to. Wiring Diagram Xenia.
From www.wiringflowline.com
Wiring Diagram Power Window Xenia Wiring Flow Line Wiring Diagram Xenia wiring diagram efi toyota avanza/ daihatsu xenia. wiring diagram sistim starting avanza dan xenia dgn type engine 3sz dan k3ve yang mana mobil dengan type engine 3sz itu di. wiring diagram daihatsu xenia. the wiring diagram for the power windows in the xenia is relatively straightforward, making it easy for a car. wiring diagram central. Wiring Diagram Xenia.
From www.avxen.com
Wiring Diagram All New Xenia Avanza Xenia Wiring Diagram Xenia video ini membahas tentang diagram pengkabelan sistem pengisian / chargibg system pada mobil toyota. we have 6 daihatsu xenia manuals covering a total of 27 years of production. wiring diagram daihatsu xenia. wiring diagram efi toyota avanza/ daihatsu xenia. the wiring diagram for the central locking system on the xenia consists of several components including. Wiring Diagram Xenia.
From schematicwiringfreytag.z19.web.core.windows.net
Wiring Diagram Xenia 1000 Wiring Diagram Xenia wiring diagram sistim starting avanza dan xenia dgn type engine 3sz dan k3ve yang mana mobil dengan type engine 3sz itu di. wiring diagram efi toyota avanza/ daihatsu xenia. the wiring diagram for the central locking system on the xenia consists of several components including transistors,. dalam manual book daihatsu xenia ini terdapat informasi posisi semua. Wiring Diagram Xenia.
From www.youtube.com
pin soket eccu / ecm avansa xenia/ wiring diagram eccu avansa /xenia Wiring Diagram Xenia video ini membahas tentang diagram pengkabelan sistem pengisian / chargibg system pada mobil toyota. dalam manual book daihatsu xenia ini terdapat informasi posisi semua part baik itu dari komponen kelistrikan,. To effectively entire electrical circuits in industrial, business, and residential building and during. wiring diagram central door lock mobil avanzaxenia tahun 2006 | pdf. wiring diagram. Wiring Diagram Xenia.
From sojourey.blogspot.com
sojourney [9+] Dongfeng Xenia, Wiring Diagram Avanza Non Vvti Wiring Diagram Xenia the wiring diagram central lock xenia provides information about the various electrical components that are connected to the. workshop and repair manuals, wiring diagrams, spare parts catalogue, fault codes free download wiring diagram ecu daihatsu xenia. this document provides a diagram of the power sources and electrical components for the interior lights, radiator fan, and ignition.. Wiring Diagram Xenia.
From wiringschema.com
[DIAGRAM] Wiring Diagram Ecu Daihatsu Xenia Wiring Diagram Xenia video ini membahas tentang diagram pengkabelan sistem pengisian / chargibg system pada mobil toyota. dalam manual book daihatsu xenia ini terdapat informasi posisi semua part baik itu dari komponen kelistrikan,. wiring diagram central door lock mobil avanzaxenia tahun 2006 | pdf. we have 6 daihatsu xenia manuals covering a total of 27 years of production. Detailed. Wiring Diagram Xenia.
From www.wiringflowline.com
Wiring Diagram Power Window Xenia Wiring Flow Line Wiring Diagram Xenia the wiring diagram for the central locking system on the xenia consists of several components including transistors,. the electrical world ,1888 electrical world ,1883 problems of locus solved by mechanisms theory iulian popescu,xenia. video ini membahas tentang diagram pengkabelan sistem pengisian / chargibg system pada mobil toyota. this document provides a diagram of the power sources. Wiring Diagram Xenia.
From imginspiring21.blogspot.com
[Get 45+] Wiring Diagram Xenia 1000cc Wiring Diagram Xenia this document appears to be a partial wiring diagram for a toyota avanza or xenia vehicle. dalam manual book daihatsu xenia ini terdapat informasi posisi semua part baik itu dari komponen kelistrikan,. Detailed manual for daihatsu xenia video ini membahas tentang diagram pengkabelan sistem pengisian / chargibg system pada mobil toyota. this document provides a diagram. Wiring Diagram Xenia.
From shopee.co.id
Jual electrical wiring diagram allnew xenia Shopee Indonesia Wiring Diagram Xenia this document appears to be a partial wiring diagram for a toyota avanza or xenia vehicle. this document provides a diagram of the power source and lighting components for an avanza/xenia vehicle. workshop and repair manuals, wiring diagrams, spare parts catalogue, fault codes free download dalam manual book daihatsu xenia ini terdapat informasi posisi semua part. Wiring Diagram Xenia.
From www.scribd.com
Avanza Xenia Wiring Diagram PDF Vehicle Industry Components Wiring Diagram Xenia wiring diagram central door lock mobil avanzaxenia tahun 2006 | pdf. this document provides a diagram of the power source and lighting components for an avanza/xenia vehicle. the wiring diagram central lock xenia provides information about the various electrical components that are connected to the. Scribd is the world's largest social reading and. wiring diagram efi. Wiring Diagram Xenia.
From 1waydimm61.blogspot.com
[View 28+] Wiring Diagram Efi Xenia Wiring Diagram Xenia daihatsu xenia 1.000cc memang dihadirkan oleh pt astra daihatsu motor (adm) sebagai opsi selain varian yang bermesin 1.300 cc. wiring diagram efi toyota avanza/ daihatsu xenia. this document provides a diagram of the power source and lighting components for an avanza/xenia vehicle. Scribd is the world's largest social reading and. the wiring diagram central lock xenia. Wiring Diagram Xenia.
From www.flowschema.com
Wiring Diagram Power Window Xenia Wiring Flow Schema Wiring Diagram Xenia wiring diagram ecu daihatsu xenia. this document appears to be a partial wiring diagram for a toyota avanza or xenia vehicle. workshop and repair manuals, wiring diagrams, spare parts catalogue, fault codes free download we have 6 daihatsu xenia manuals covering a total of 27 years of production. the wiring diagram for the central locking. Wiring Diagram Xenia.
From fixschematicevelina55.z13.web.core.windows.net
wiring diagram xenia 1000cc Wiring Diagram Xenia this document appears to be a partial wiring diagram for a toyota avanza or xenia vehicle. To effectively entire electrical circuits in industrial, business, and residential building and during. workshop and repair manuals, wiring diagrams, spare parts catalogue, fault codes free download wiring diagram central door lock mobil avanzaxenia tahun 2006 | pdf. wiring diagram ecu. Wiring Diagram Xenia.
From imginspiring21.blogspot.com
[Get 45+] Wiring Diagram Xenia 1000cc Wiring Diagram Xenia workshop and repair manuals, wiring diagrams, spare parts catalogue, fault codes free download video ini membahas tentang diagram pengkabelan sistem pengisian / chargibg system pada mobil toyota. It shows the engine control wiring. wiring diagram sistim starting avanza dan xenia dgn type engine 3sz dan k3ve yang mana mobil dengan type engine 3sz itu di. the. Wiring Diagram Xenia.
From www.scribd.com
Wiring Diagram Xenia Avanza PDF Automotive Technologies Wiring Diagram Xenia this document appears to be a partial wiring diagram for a toyota avanza or xenia vehicle. we have 6 daihatsu xenia manuals covering a total of 27 years of production. Scribd is the world's largest social reading and. video ini membahas tentang diagram pengkabelan sistem pengisian / chargibg system pada mobil toyota. this document provides a. Wiring Diagram Xenia.
From alumi547.blogspot.com
[5+] Wiring Diagram Daihatsu Xenia, Wiring Diagram Ac Xenia EZATYNAMAKU Wiring Diagram Xenia wiring diagram ecu daihatsu xenia. dalam manual book daihatsu xenia ini terdapat informasi posisi semua part baik itu dari komponen kelistrikan,. we have 6 daihatsu xenia manuals covering a total of 27 years of production. Detailed manual for daihatsu xenia To effectively entire electrical circuits in industrial, business, and residential building and during. the wiring diagram. Wiring Diagram Xenia.
From nvrury97.blogspot.com
[View 38+] Wiring Diagram Efi Xenia Wiring Diagram Xenia wiring diagram ecu daihatsu xenia. this document provides a diagram of the power sources and electrical components for the interior lights, radiator fan, and ignition. wiring diagram central door lock mobil avanzaxenia tahun 2006 | pdf. workshop and repair manuals, wiring diagrams, spare parts catalogue, fault codes free download the electrical world ,1888 electrical world. Wiring Diagram Xenia.
From www.autorepairmanuals.ws
Toyota Avanza (Daihatsu Xenia) USA 2007 Wiring Diagram Auto Repair Wiring Diagram Xenia Scribd is the world's largest social reading and. Detailed manual for daihatsu xenia wiring diagram efi toyota avanza/ daihatsu xenia. this document appears to be a partial wiring diagram for a toyota avanza or xenia vehicle. To effectively entire electrical circuits in industrial, business, and residential building and during. this document provides a diagram of the power. Wiring Diagram Xenia.
From shopee.co.id
Jual (A4) wiring diagram daihatsu xenia vvti. Shopee Indonesia Wiring Diagram Xenia the wiring diagram for the central locking system on the xenia consists of several components including transistors,. wiring diagram daihatsu xenia. wiring diagram ecu daihatsu xenia. video ini membahas tentang diagram pengkabelan sistem pengisian / chargibg system pada mobil toyota. wiring diagram efi toyota avanza/ daihatsu xenia. the wiring diagram for the power windows. Wiring Diagram Xenia.
From boss2al.blogspot.com
Toyota repair manual Wiring Diagram sistem penerangan ( lampu kepala Wiring Diagram Xenia this document provides a diagram of the power sources and electrical components for the interior lights, radiator fan, and ignition. wiring diagram efi toyota avanza/ daihatsu xenia. Scribd is the world's largest social reading and. the electrical world ,1888 electrical world ,1883 problems of locus solved by mechanisms theory iulian popescu,xenia. the wiring diagram for the. Wiring Diagram Xenia.
From www.wiringboards.com
Wiring Diagram Power Window Xenia Wiring Boards Wiring Diagram Xenia the wiring diagram for the power windows in the xenia is relatively straightforward, making it easy for a car. this document provides a diagram of the power source and lighting components for an avanza/xenia vehicle. video ini membahas tentang diagram pengkabelan sistem pengisian / chargibg system pada mobil toyota. wiring diagram efi toyota avanza/ daihatsu xenia.. Wiring Diagram Xenia.
From wireengineciara55.z19.web.core.windows.net
wiring diagram fuel pump xenia Wiring Diagram Xenia In the table below you can see 0 xenia workshop. wiring diagram ecu daihatsu xenia. wiring diagram sistim starting avanza dan xenia dgn type engine 3sz dan k3ve yang mana mobil dengan type engine 3sz itu di. wiring diagram central door lock mobil avanzaxenia tahun 2006 | pdf. the electrical world ,1888 electrical world ,1883 problems. Wiring Diagram Xenia.
From www.avxen.com
Toyota Avanza Electrical Wiring Diagrams Avanza Xenia Wiring Diagram Xenia the wiring diagram for the power windows in the xenia is relatively straightforward, making it easy for a car. It shows the engine control wiring. To effectively entire electrical circuits in industrial, business, and residential building and during. wiring diagram ecu daihatsu xenia. wiring diagram central door lock mobil avanzaxenia tahun 2006 | pdf. wiring diagram. Wiring Diagram Xenia.
From wiringdbdelia.z19.web.core.windows.net
Daihatsu Cuore Wiring Diagram Wiring Diagram Xenia the electrical world ,1888 electrical world ,1883 problems of locus solved by mechanisms theory iulian popescu,xenia. wiring diagram central door lock mobil avanzaxenia tahun 2006 | pdf. the wiring diagram for the power windows in the xenia is relatively straightforward, making it easy for a car. daihatsu xenia 1.000cc memang dihadirkan oleh pt astra daihatsu motor. Wiring Diagram Xenia.
From www.wiringwork.com
Wiring Diagram Ac Xenia Wiring Work Wiring Diagram Xenia this document appears to be a partial wiring diagram for a toyota avanza or xenia vehicle. the wiring diagram central lock xenia provides information about the various electrical components that are connected to the. wiring diagram daihatsu xenia. the electrical world ,1888 electrical world ,1883 problems of locus solved by mechanisms theory iulian popescu,xenia. this. Wiring Diagram Xenia.
From dhabi6548.blogspot.com
[26+] Wiring Diagram Ac Mobil Xenia Wiring Diagram Xenia Scribd is the world's largest social reading and. It shows the engine control wiring. the wiring diagram for the central locking system on the xenia consists of several components including transistors,. wiring diagram efi toyota avanza/ daihatsu xenia. this document provides a diagram of the power source and lighting components for an avanza/xenia vehicle. In the table. Wiring Diagram Xenia.
From freeautomotivemanual.blogspot.com
Free Automotive Manuals Daihatsu Xenia VVTi Electrical Wiring Diagram Wiring Diagram Xenia the wiring diagram central lock xenia provides information about the various electrical components that are connected to the. It shows the engine control wiring. dalam manual book daihatsu xenia ini terdapat informasi posisi semua part baik itu dari komponen kelistrikan,. To effectively entire electrical circuits in industrial, business, and residential building and during. workshop and repair manuals,. Wiring Diagram Xenia.
From emporiopeliculas.blogspot.com
[41+] Wiring Diagram Efi Xenia Wiring Diagram Xenia To effectively entire electrical circuits in industrial, business, and residential building and during. the wiring diagram central lock xenia provides information about the various electrical components that are connected to the. the wiring diagram for the power windows in the xenia is relatively straightforward, making it easy for a car. this document appears to be a partial. Wiring Diagram Xenia.
From www.wiringboards.com
Wiring Diagram Ac Xenia Wiring Boards Wiring Diagram Xenia the wiring diagram for the central locking system on the xenia consists of several components including transistors,. the wiring diagram for the power windows in the xenia is relatively straightforward, making it easy for a car. this document provides a diagram of the power source and lighting components for an avanza/xenia vehicle. this document provides a. Wiring Diagram Xenia.
From diagramwiringbernd88.z13.web.core.windows.net
Wiring Diagram Great Xenia Wiring Diagram Xenia the wiring diagram for the central locking system on the xenia consists of several components including transistors,. To effectively entire electrical circuits in industrial, business, and residential building and during. It shows the engine control wiring. this document provides a diagram of the power source and lighting components for an avanza/xenia vehicle. the electrical world ,1888 electrical. Wiring Diagram Xenia.
From www.avxen.com
Wiring Diagram Xenia 1000cc Pdf Avanza Xenia Wiring Diagram Xenia this document appears to be a partial wiring diagram for a toyota avanza or xenia vehicle. this document provides a diagram of the power sources and electrical components for the interior lights, radiator fan, and ignition. the wiring diagram for the central locking system on the xenia consists of several components including transistors,. workshop and repair. Wiring Diagram Xenia.