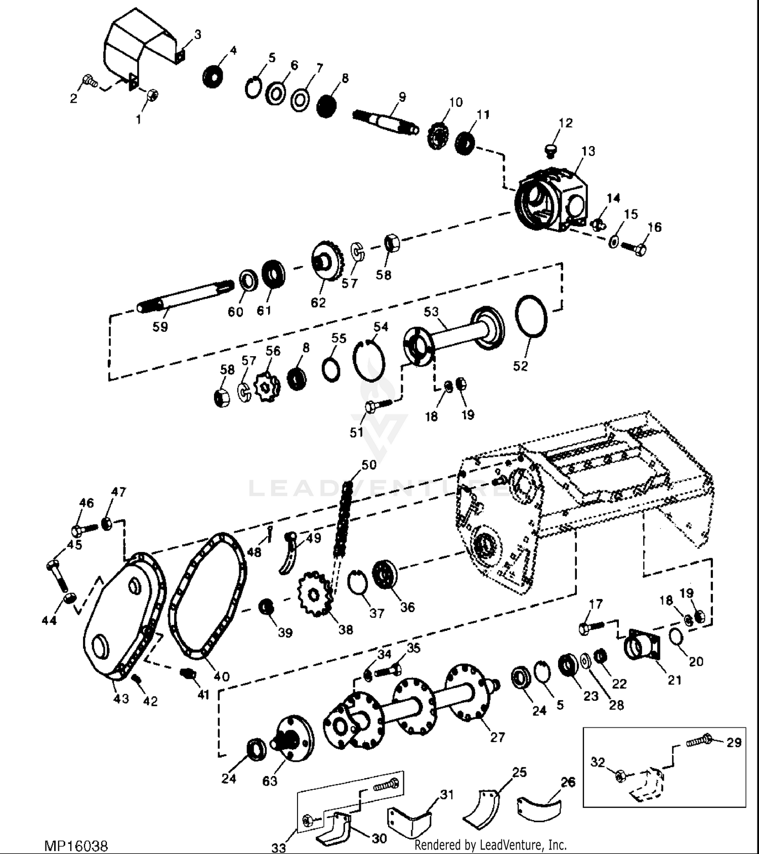
John Deere 550 Tiller Parts . we have the john deere 550 tiller parts you need with 🚚 fast shipping and low prices. In this video i replace a bearing on my john deere 550 tiller. Use product names, part numbers or. We have the tillage parts tiller parts you need, with 🚚 fast shipping and. the john deere 550 tiller parts diagram is divided into sections, making it easy to navigate and find the part you need. Rotary mower 261 and 272. find parts & diagrams for your john deere equipment. Search our parts catalog, order parts online or contact your john deere dealer. john deere 550 tiller parts tillage parts parts of all kinds. Tillers 647,655,665,673,681 with our free parts lookup tool! Find all the models of john deere and. john deere 550 tiller bearing replacement. Each section corresponds to a specific area of the.
from reviewmotors.co
Rotary mower 261 and 272. Tillers 647,655,665,673,681 with our free parts lookup tool! find parts & diagrams for your john deere equipment. we have the john deere 550 tiller parts you need with 🚚 fast shipping and low prices. Find all the models of john deere and. Search our parts catalog, order parts online or contact your john deere dealer. We have the tillage parts tiller parts you need, with 🚚 fast shipping and. Use product names, part numbers or. john deere 550 tiller bearing replacement. Each section corresponds to a specific area of the.
John Deere Rotary Tiller Spare Parts List Reviewmotors.co
John Deere 550 Tiller Parts Each section corresponds to a specific area of the. Each section corresponds to a specific area of the. Use product names, part numbers or. In this video i replace a bearing on my john deere 550 tiller. Search our parts catalog, order parts online or contact your john deere dealer. find parts & diagrams for your john deere equipment. john deere 550 tiller bearing replacement. the john deere 550 tiller parts diagram is divided into sections, making it easy to navigate and find the part you need. Tillers 647,655,665,673,681 with our free parts lookup tool! Find all the models of john deere and. john deere 550 tiller parts tillage parts parts of all kinds. we have the john deere 550 tiller parts you need with 🚚 fast shipping and low prices. Rotary mower 261 and 272. We have the tillage parts tiller parts you need, with 🚚 fast shipping and.
From www.purplewave.com
John Deere 550 tiller in Paola, KS Item BT9299 sold Purple Wave John Deere 550 Tiller Parts we have the john deere 550 tiller parts you need with 🚚 fast shipping and low prices. find parts & diagrams for your john deere equipment. Tillers 647,655,665,673,681 with our free parts lookup tool! We have the tillage parts tiller parts you need, with 🚚 fast shipping and. john deere 550 tiller bearing replacement. Use product names,. John Deere 550 Tiller Parts.
From farmpartsstore.com
John Deere 550 Tiller Parts Tillage Parts Farm Parts Store John Deere 550 Tiller Parts In this video i replace a bearing on my john deere 550 tiller. We have the tillage parts tiller parts you need, with 🚚 fast shipping and. Rotary mower 261 and 272. we have the john deere 550 tiller parts you need with 🚚 fast shipping and low prices. Each section corresponds to a specific area of the. . John Deere 550 Tiller Parts.
From hwpartstore.com
John Deere 550 Dozer Blade Parts 550 & 550B John Deere 550 Tiller Parts john deere 550 tiller parts tillage parts parts of all kinds. we have the john deere 550 tiller parts you need with 🚚 fast shipping and low prices. Tillers 647,655,665,673,681 with our free parts lookup tool! the john deere 550 tiller parts diagram is divided into sections, making it easy to navigate and find the part you. John Deere 550 Tiller Parts.
From www.machinefinder.com
John Deere 550 TILLER Lawn & Garden and Commercial Mowing John Deere John Deere 550 Tiller Parts Rotary mower 261 and 272. Use product names, part numbers or. we have the john deere 550 tiller parts you need with 🚚 fast shipping and low prices. john deere 550 tiller parts tillage parts parts of all kinds. the john deere 550 tiller parts diagram is divided into sections, making it easy to navigate and find. John Deere 550 Tiller Parts.
From blountparts.com
John Deere 550G L/H Final Drive S/N TO550GL753495 Blount Parts LLC John Deere 550 Tiller Parts Rotary mower 261 and 272. Tillers 647,655,665,673,681 with our free parts lookup tool! Each section corresponds to a specific area of the. Find all the models of john deere and. the john deere 550 tiller parts diagram is divided into sections, making it easy to navigate and find the part you need. Use product names, part numbers or. . John Deere 550 Tiller Parts.
From 777parts.net
DRIVE ASSEMBLY, ROTOR AND BLADES (550 TILLER) DIGGER, POSTHOLE John John Deere 550 Tiller Parts john deere 550 tiller bearing replacement. Search our parts catalog, order parts online or contact your john deere dealer. we have the john deere 550 tiller parts you need with 🚚 fast shipping and low prices. john deere 550 tiller parts tillage parts parts of all kinds. Rotary mower 261 and 272. We have the tillage parts. John Deere 550 Tiller Parts.
From elecsprout.com
Exploring the John Deere 550 Tiller Parts Diagram for Easy Maintenance John Deere 550 Tiller Parts Rotary mower 261 and 272. the john deere 550 tiller parts diagram is divided into sections, making it easy to navigate and find the part you need. We have the tillage parts tiller parts you need, with 🚚 fast shipping and. Use product names, part numbers or. Each section corresponds to a specific area of the. we have. John Deere 550 Tiller Parts.
From resolutionsforyou.com
John deere 550 tiller parts diagram John Deere 550 Tiller Parts Use product names, part numbers or. the john deere 550 tiller parts diagram is divided into sections, making it easy to navigate and find the part you need. Tillers 647,655,665,673,681 with our free parts lookup tool! In this video i replace a bearing on my john deere 550 tiller. Search our parts catalog, order parts online or contact your. John Deere 550 Tiller Parts.
From resolutionsforyou.com
John deere 550 tiller parts diagram John Deere 550 Tiller Parts Tillers 647,655,665,673,681 with our free parts lookup tool! Each section corresponds to a specific area of the. Find all the models of john deere and. we have the john deere 550 tiller parts you need with 🚚 fast shipping and low prices. the john deere 550 tiller parts diagram is divided into sections, making it easy to navigate. John Deere 550 Tiller Parts.
From 777parts.net
PTO Clutch and Shaft (550 Tiller) TILLER, TRACTORMOUNTED John Deere John Deere 550 Tiller Parts In this video i replace a bearing on my john deere 550 tiller. Use product names, part numbers or. find parts & diagrams for your john deere equipment. Rotary mower 261 and 272. Search our parts catalog, order parts online or contact your john deere dealer. We have the tillage parts tiller parts you need, with 🚚 fast shipping. John Deere 550 Tiller Parts.
From www.repairmanual.com
Used John Deere 550 Crawler Bulldozer Parts Catalog John Deere 550 Tiller Parts Each section corresponds to a specific area of the. Find all the models of john deere and. we have the john deere 550 tiller parts you need with 🚚 fast shipping and low prices. the john deere 550 tiller parts diagram is divided into sections, making it easy to navigate and find the part you need. john. John Deere 550 Tiller Parts.
From reviewmotors.co
John Deere Rotary Tiller Spare Parts List Reviewmotors.co John Deere 550 Tiller Parts the john deere 550 tiller parts diagram is divided into sections, making it easy to navigate and find the part you need. Search our parts catalog, order parts online or contact your john deere dealer. john deere 550 tiller bearing replacement. Tillers 647,655,665,673,681 with our free parts lookup tool! Find all the models of john deere and. . John Deere 550 Tiller Parts.
From farmpartsstore.com
John Deere 550 Tiller Parts Tillage Parts Farm Parts Store John Deere 550 Tiller Parts Each section corresponds to a specific area of the. Search our parts catalog, order parts online or contact your john deere dealer. john deere 550 tiller bearing replacement. Use product names, part numbers or. the john deere 550 tiller parts diagram is divided into sections, making it easy to navigate and find the part you need. In this. John Deere 550 Tiller Parts.
From farmpartsstore.com
John Deere 550 Tiller Parts Tillage Parts Farm Parts Store John Deere 550 Tiller Parts john deere 550 tiller parts tillage parts parts of all kinds. Tillers 647,655,665,673,681 with our free parts lookup tool! Find all the models of john deere and. Search our parts catalog, order parts online or contact your john deere dealer. Each section corresponds to a specific area of the. we have the john deere 550 tiller parts you. John Deere 550 Tiller Parts.
From www.weingartz.com
ARIMain WEINGARTZ John Deere 550 Tiller Parts Each section corresponds to a specific area of the. Use product names, part numbers or. We have the tillage parts tiller parts you need, with 🚚 fast shipping and. find parts & diagrams for your john deere equipment. In this video i replace a bearing on my john deere 550 tiller. Tillers 647,655,665,673,681 with our free parts lookup tool!. John Deere 550 Tiller Parts.
From www.youtube.com
JOHN DEERE 550 Tiller Bearing Replacement YouTube John Deere 550 Tiller Parts john deere 550 tiller bearing replacement. Rotary mower 261 and 272. We have the tillage parts tiller parts you need, with 🚚 fast shipping and. Use product names, part numbers or. Tillers 647,655,665,673,681 with our free parts lookup tool! find parts & diagrams for your john deere equipment. In this video i replace a bearing on my john. John Deere 550 Tiller Parts.
From service-workshopmanual.com
John Deere 550 Tiller, Pto Parts Catalog Manual Pdf Download John Deere 550 Tiller Parts Tillers 647,655,665,673,681 with our free parts lookup tool! the john deere 550 tiller parts diagram is divided into sections, making it easy to navigate and find the part you need. Search our parts catalog, order parts online or contact your john deere dealer. We have the tillage parts tiller parts you need, with 🚚 fast shipping and. we. John Deere 550 Tiller Parts.
From elecsprout.com
Exploring the John Deere 550 Tiller Parts Diagram for Easy Maintenance John Deere 550 Tiller Parts we have the john deere 550 tiller parts you need with 🚚 fast shipping and low prices. Search our parts catalog, order parts online or contact your john deere dealer. Tillers 647,655,665,673,681 with our free parts lookup tool! Rotary mower 261 and 272. john deere 550 tiller bearing replacement. Use product names, part numbers or. the john. John Deere 550 Tiller Parts.
From 777parts.net
HOUSING, LIFT ARMS AND REAR SHIELD (450 TILLER) TILLER, TRACTOR John Deere 550 Tiller Parts Find all the models of john deere and. We have the tillage parts tiller parts you need, with 🚚 fast shipping and. Use product names, part numbers or. find parts & diagrams for your john deere equipment. john deere 550 tiller bearing replacement. john deere 550 tiller parts tillage parts parts of all kinds. the john. John Deere 550 Tiller Parts.
From www.mygreen.farm
John Deere 550 Tiller Specs John Deere Tillers www.mygreen.farm John Deere 550 Tiller Parts john deere 550 tiller parts tillage parts parts of all kinds. In this video i replace a bearing on my john deere 550 tiller. john deere 550 tiller bearing replacement. Tillers 647,655,665,673,681 with our free parts lookup tool! Find all the models of john deere and. Use product names, part numbers or. we have the john deere. John Deere 550 Tiller Parts.
From 777parts.net
HOUSING, LIFT ARMS AND REAR SHIELD (550 TILLER) TILLER, TRACTOR John Deere 550 Tiller Parts In this video i replace a bearing on my john deere 550 tiller. We have the tillage parts tiller parts you need, with 🚚 fast shipping and. john deere 550 tiller parts tillage parts parts of all kinds. Search our parts catalog, order parts online or contact your john deere dealer. Use product names, part numbers or. Find all. John Deere 550 Tiller Parts.
From www.machinefinder.com
Tweet John Deere 550 Tiller Parts We have the tillage parts tiller parts you need, with 🚚 fast shipping and. Use product names, part numbers or. Each section corresponds to a specific area of the. Rotary mower 261 and 272. john deere 550 tiller parts tillage parts parts of all kinds. In this video i replace a bearing on my john deere 550 tiller. . John Deere 550 Tiller Parts.
From www.weingartz.com
ARIMain WEINGARTZ John Deere 550 Tiller Parts Each section corresponds to a specific area of the. we have the john deere 550 tiller parts you need with 🚚 fast shipping and low prices. We have the tillage parts tiller parts you need, with 🚚 fast shipping and. Tillers 647,655,665,673,681 with our free parts lookup tool! find parts & diagrams for your john deere equipment. Search. John Deere 550 Tiller Parts.
From www.bigiron.com
John Deere 550 Tiller BigIron Auctions John Deere 550 Tiller Parts Search our parts catalog, order parts online or contact your john deere dealer. We have the tillage parts tiller parts you need, with 🚚 fast shipping and. find parts & diagrams for your john deere equipment. In this video i replace a bearing on my john deere 550 tiller. Find all the models of john deere and. Rotary mower. John Deere 550 Tiller Parts.
From gulfsouthequip.com
AHC14485 John Deere Dozer Tilt Cylinder 450K 550K 650K 650J, New John Deere 550 Tiller Parts Use product names, part numbers or. find parts & diagrams for your john deere equipment. Tillers 647,655,665,673,681 with our free parts lookup tool! the john deere 550 tiller parts diagram is divided into sections, making it easy to navigate and find the part you need. john deere 550 tiller bearing replacement. Each section corresponds to a specific. John Deere 550 Tiller Parts.
From www.amazon.com
AT83335 Dozer/Crawler Throttle Cable Fits John Deere 550 John Deere 550 Tiller Parts find parts & diagrams for your john deere equipment. We have the tillage parts tiller parts you need, with 🚚 fast shipping and. john deere 550 tiller bearing replacement. In this video i replace a bearing on my john deere 550 tiller. we have the john deere 550 tiller parts you need with 🚚 fast shipping and. John Deere 550 Tiller Parts.
From www.weingartz.com
ARIMain WEINGARTZ John Deere 550 Tiller Parts In this video i replace a bearing on my john deere 550 tiller. Search our parts catalog, order parts online or contact your john deere dealer. Each section corresponds to a specific area of the. john deere 550 tiller bearing replacement. Find all the models of john deere and. john deere 550 tiller parts tillage parts parts of. John Deere 550 Tiller Parts.
From manuallabs.com
John Deere 550 PTO Tiller For 42004500 Compact Utility Tractor (SN John Deere 550 Tiller Parts we have the john deere 550 tiller parts you need with 🚚 fast shipping and low prices. In this video i replace a bearing on my john deere 550 tiller. Each section corresponds to a specific area of the. Find all the models of john deere and. find parts & diagrams for your john deere equipment. john. John Deere 550 Tiller Parts.
From www.deeretractors.org
John Deere Compact Utility Tractor 550 Rotary Tiller Service Manual John Deere 550 Tiller Parts we have the john deere 550 tiller parts you need with 🚚 fast shipping and low prices. We have the tillage parts tiller parts you need, with 🚚 fast shipping and. Use product names, part numbers or. Each section corresponds to a specific area of the. Find all the models of john deere and. find parts & diagrams. John Deere 550 Tiller Parts.
From www.heavy-equipmentmanual.com
John Deere 550 Crawler Parts Manual PC1437 Heavy Equipment Manual John Deere 550 Tiller Parts the john deere 550 tiller parts diagram is divided into sections, making it easy to navigate and find the part you need. Search our parts catalog, order parts online or contact your john deere dealer. In this video i replace a bearing on my john deere 550 tiller. john deere 550 tiller parts tillage parts parts of all. John Deere 550 Tiller Parts.
From johndocs.com
Unveiling the Intricate Structure of John Deere 550 Tiller A Parts Diagram John Deere 550 Tiller Parts the john deere 550 tiller parts diagram is divided into sections, making it easy to navigate and find the part you need. We have the tillage parts tiller parts you need, with 🚚 fast shipping and. Use product names, part numbers or. Tillers 647,655,665,673,681 with our free parts lookup tool! we have the john deere 550 tiller parts. John Deere 550 Tiller Parts.
From 777parts.net
LABELS (550 TILLER) DIGGER, POSTHOLE John Deere 31C DIGGER John Deere 550 Tiller Parts john deere 550 tiller bearing replacement. the john deere 550 tiller parts diagram is divided into sections, making it easy to navigate and find the part you need. Each section corresponds to a specific area of the. john deere 550 tiller parts tillage parts parts of all kinds. find parts & diagrams for your john deere. John Deere 550 Tiller Parts.
From www.bigiron.com
John Deere 550 Tiller BigIron Auctions John Deere 550 Tiller Parts john deere 550 tiller bearing replacement. Use product names, part numbers or. john deere 550 tiller parts tillage parts parts of all kinds. Find all the models of john deere and. we have the john deere 550 tiller parts you need with 🚚 fast shipping and low prices. In this video i replace a bearing on my. John Deere 550 Tiller Parts.
From johndocs.com
Unveiling the Intricate Structure of John Deere 550 Tiller A Parts Diagram John Deere 550 Tiller Parts john deere 550 tiller parts tillage parts parts of all kinds. In this video i replace a bearing on my john deere 550 tiller. Use product names, part numbers or. the john deere 550 tiller parts diagram is divided into sections, making it easy to navigate and find the part you need. Search our parts catalog, order parts. John Deere 550 Tiller Parts.
From kdi-ppi.com
A Detailed Parts Diagram of the John Deere Gator XUV 550 S4 John Deere 550 Tiller Parts john deere 550 tiller parts tillage parts parts of all kinds. Find all the models of john deere and. john deere 550 tiller bearing replacement. Use product names, part numbers or. the john deere 550 tiller parts diagram is divided into sections, making it easy to navigate and find the part you need. We have the tillage. John Deere 550 Tiller Parts.